Incendie dans la salle des machines
Vraquier Tecumseh
Rivière Détroit
Windsor (Ontario)
Le Bureau de la sécurité des transports du Canada (BST) a enquêté sur cet événement dans le but de promouvoir la sécurité des transports. Le Bureau n’est pas habilité à attribuer ni à déterminer les responsabilités civiles ou pénales. Le présent rapport n’est pas créé pour être utilisé dans le contexte d’une procédure judiciaire, disciplinaire ou autre. Voir Propriété et utilisation du contenu. Les pronoms et les titres de poste masculins peuvent être utilisés pour désigner tous les genres afin de respecter la Loi sur le Bureau canadien d’enquête sur les accidents de transport et de la sécurité des transports (L.C. 1989, ch. 3).
Résumé
Le 15 décembre 2019, un incendie s’est déclaré dans la salle des machines du vraquier Tecumseh, alors qu’il naviguait sur la rivière Detroit près de Windsor (Ontario). Au moment de l’événement, 16 membres d’équipage se trouvaient à bord. Les 2 ancres du navire ont été mouillées, et le système fixe d’extinction d’incendie a été utilisé pour éteindre le feu. L’incendie s’est par la suite rallumé, et le navire a été remorqué jusqu’au port de Windsor, où l’incendie a été éteint le 16 décembre avec l’aide de ressources à terre.
1.0 Renseignements de base
1.1 Fiche technique du navire
| Nom du navire | Tecumseh |
|---|---|
| Numéro de l’Organisation maritime internationale | 7225855 |
| Numéro officiel | 836045 |
| Port d’immatriculation | Port Dover (Ontario) |
| Pavillon | Canada |
| Type | Vraquier |
| Jauge brute | 18 049 |
| Longueur hors tout | 195,38 m |
| Largeur maximale | 23,72 m |
| Tirant d’eau au moment de l’événement | Avant : 7,8 m / Arrière : 8,4 m |
| Construction | 1972, Seattle (Washington), États-Unis |
| Propulsion | Deux moteurs diesel à 4 temps, à simple effet, à régime moyen, d’une puissance totale de 8826 kW, entraînant 1 hélice à pas variable par le biais de 1 réducteur principal |
| Propulseur d’étrave | Un propulseur à moteur diesel de type à tunnel, d’une puissance maximale de 746 kW |
| Équipage | 16 |
| Propriétaire enregistré / gestionnaire technique | Lower Lakes Towing Ltd. |
| Société de classification | Lloyd’s Register |
| Autorité de délivrance de la certification internationale de gestion de la sécurité | American Bureau of Shipping |
1.2 Description du navire
Le Tecumseh est un vraquier dont la superstructure est située à l’arrière (figure 1). La superstructure comprend le pont de la passerelle de navigation, les emménagements, l’encaissement de machines et la cheminée. La passerelle de navigation est munie de tout l’équipement de navigation et de communication nécessaire, conformément à la réglementation canadienne. L’espace de chargement du navire est divisé en 6 cales à l’avant de la superstructure.
Les emménagements s’étendent sur 6 niveaux de pont : le pont principal, les ponts A à D et la passerelle de navigation (figure 2). Ils comprennent les cabines de l’équipage, les carrés d’équipage, la cuisine, de multiples magasins et le bureau du navire. Le compartiment de la génératrice d’urgence est situé sur le pont B, et s’y trouvent la génératrice d’urgence, son réservoir de carburant et le tableau de distribution de secours. La salle de dioxyde de carbone (CO2) est située sur le pont principal. Le compartiment de la pompe à incendie de secours comporte un point d’accès dédié dans la coursive sur le côté bâbord du pont A. Il y a une armoire de sécurité dans les emménagements, sur le pont principal.
La salle des machines est située sous les ponts des emménagements, et son point d’accès principal se trouve sur le pont principal. La salle des machines est divisée en 3 ponts (figure 2). Le pont le plus élevé, appelé le « pont plateforme de 35 pieds » (figure 3), comprend 2 ateliers et offre un accès au compartiment de l’appareil à gouverner par une porte de type ANote de bas de page 1. Il est également possible d’accéder au compartiment de l’appareil à gouverner par la trappe d’accès à l’appareil à gouverner sur le pont principal.
Le pont intermédiaire, appelé le « pont plateforme de 24 pieds » (figure 4), offre un accès aux moteurs auxiliaires, à divers équipements auxiliaires, à la salle du purificateur, à la salle de commande des machines ainsi qu’à la partie supérieure des moteurs principaux. Le pont inférieur, appelé le « plafond de ballast », offre un accès à la partie inférieure des moteurs principaux et à d’autres machines auxiliaires. Il comporte aussi une ouverture de service pour le compartiment de la pompe à incendie de secoursNote de bas de page 2.
La salle de commande des machines, située à l’arrière et en travers de la salle des machines sur le pont plateforme de 24 pieds, contient le tableau de distribution principal ainsi que des commandes pour les moteurs principaux, les moteurs auxiliaires et les machines auxiliaires. Les cloisons de la salle de commande des machines et leurs 3 portes sont classées comme des divisions de type A. Des traversées de pont dans le pont plateforme de 24 pieds permettent le passage de câbles électriques entre la salle de commande des machines et la salle des machines.
L’encaissement de machines est situé dans la superstructure et traverse les emménagements. Les cloisons entre les emménagements et l’encaissement de machines sont des divisions de type A. Quatre portes mènent vers l’encaissement de machines à partir des emménagements : 1 porte sur le côté bâbord du pont B, 1 porte sur le côté tribord du pont C, 1 porte sur le côté tribord du pont D et 1 porte à l’avant de l’encaissement de machines, sur le côté tribord du pont principal. L’encaissement de machines se termine dans la cheminée et contient les tuyaux d’échappement des moteurs et de la chaudière auxiliaire.
La salle des machines dispose d’une ventilation entrante et sortante. La ventilation entrante fournit la salle des machines en air frais et dispose d’entrées d’air sur le côté extérieur arrière de la superstructure sur le pont B. La ventilation sortante évacue la chaleur et les émanations de la salle des machines et dispose de sorties d’air sur le côté extérieur arrière de la superstructure sur le pont D. Les ouvertures d’entrée et de sortie de la ventilation sont munies de registres coupe-feu (figure 5) servant à isoler la salle des machines en cas d’incendie.
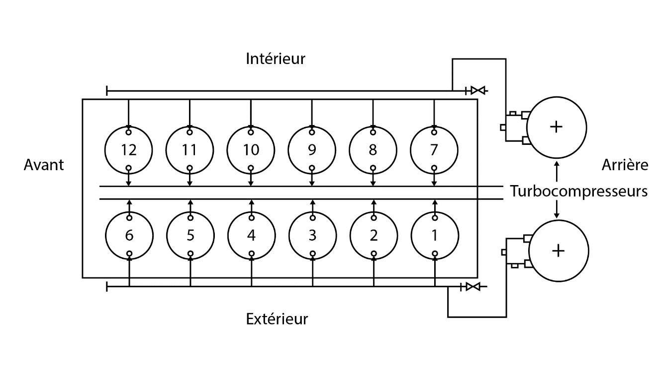
La propulsion du Tecumseh est assurée par 2 moteurs diesel unidirectionnels à 12 cylindres en V à piston-fourreau, chacun muni de 2 turbocompresseurs. Un moteur est situé sur le côté bâbord de la salle des machines, et l’autre moteur est situé sur le côté tribord. Sur le moteur principal bâbord, les cylindres no 1 à no 6 sont situés sur la rangée de cylindres extérieure, alors que les cylindres no 7 à no 12 sont situés sur la rangée intérieure (figure 6).
Les moteurs principaux peuvent fonctionner avec du carburant diesel marin ou du carburant intermédiaireNote de bas de page 3. Le système d’alimentation en en carburant alimente les 2 moteurs et est muni d’une soupape de régulation automatique de la contre-pression qui est conçue pour maintenir une pression de carburant constante de 25 à 35 lb/po2 dans le système. Le système d’alimentation en carburant (figure 7) est constitué principalement de tuyaux rigides, sauf aux endroits où il est raccordé aux moteurs. À ces emplacements, on trouve des ensembles de tuyaux souples. Chaque ensemble de tuyau souple est constitué d’un court tuyau souple muni de raccords filetés de sertissage à chaque extrémité. Les raccords filetés de sertissage fixent le tuyau souple aux canalisations rigides (figure 8).
L’installation de production électrique du Tecumseh comprend 2 génératrices auxiliaires au diesel et 1 génératrice d’arbre. Les 2 génératrices auxiliaires avaient été remplacées en 2005 par les propriétaires précédents.
1.3 Déroulement de l’événement
Le 13 décembre 2019, le Tecumseh a quitté Thunder Bay (Ontario), en direction de Windsor (Ontario), chargé de 19 667 tonnes de graines de canola en vrac. Le 15 décembre, à 13 h 43Note de bas de page 4, le Tecumseh descendait la rivière Detroit et est passé sous le pont Ambassador, qui relie Detroit (Michigan, États-Unis) et Windsor (annexe A). L’équipe à la passerelle était composée du capitaine, d’un timonier et du second officier. L’équipe de la salle des machines était composée du troisième mécanicien et d’un assistant mécanicien.
À 14 h 06, l’assistant mécanicien effectuait une vérification de routine dans la salle des machines et le troisième mécanicien revenait dans la salle des machines à partir du compartiment de l’appareil à gouverner lorsqu’ils ont tous deux constaté qu’un incendie s’était déclaré près du moteur principal bâbord. Ils sont immédiatement allés dans la salle de commande des machines, où le troisième mécanicien a appelé la passerelle et signalé l’incendie au capitaine. Au même moment, le système de détection incendie s’est déclenché dans la salle des machines et sur les tableaux de la passerelle. Une fumée épaisse s’est rapidement répandue dans la salle des machines, et le troisième mécanicien et l’assistant mécanicien ont évacué la salle des machines.
Le capitaine a immédiatement sonné l’alarme générale; il a utilisé le système de diffusion de bord pour donner instruction à tous les membres d’équipage de se rendre aux points de rassemblement et a ordonné au timonier de modifier le cap du Tecumseh vers le côté canadien de la rivière. Puisqu’aucun des membres d’équipage qui devaient se réunir dans la salle de commande des machines ne pouvait y entrer en raison de la fumée dense, tous les membres d’équipage, à l’exception de l’équipe à la passerelle, se sont rendus à la station de rassemblement située sur le pont principal à l’arrière de la superstructure.
Au même moment, le capitaine a utilisé le radiotéléphone à très haute fréquence (VHF) du navire pour signaler l’urgence aux Services de communication et de trafic maritimes (SCTM) de Sarnia (Ontario). Le navire de la Garde côtière canadienne (GCC) Limnos a été mis en état d’alerte par le Centre conjoint de coordination des opérations de sauvetage (JRCC) de Trenton (Ontario). À 14 h 11, le Tecumseh a mouillé ses ancres près du terminal de Morterm Ltd., dans le port de Windsor (annexe A). Le capitaine a ensuite arrêté les 2 moteurs à partir de la passerelle.
À 14 h 12, les membres d’équipage s’étaient rassemblés sur le pont principal avec leurs gilets de sauvetage et leurs combinaisons de survie. Les 16 membres d’équipage étaient tous présents. Le capitaine a donné l’ordre aux membres d’équipage d’effectuer les tâches qui leur étaient attribuées selon le rôle d’appel du navire. Deux des matelots sont allés récupérer les tenues de lutte contre les incendies, tandis que les autres membres d’équipage ont commencé à fermer les registres coupe-feu de la ventilation de la salle des machines.
Le capitaine et le chef mécanicien se sont consultés en utilisant le système téléphonique interne, et ils ont décidé d’utiliser le système fixe d’extinction d’incendie au dioxyde de carbone (CO2) de la salle des machines. Le chef mécanicien s’est rendu au poste de libération à distance du système, situé sur le pont principal à côté de la porte de la salle des machines, et a immédiatement activé la libération de CO2 dans la salle des machines. Le chef mécanicien s’est ensuite rendu au poste de commande d’urgence sur le pont C, où il a utilisé les commandes à distance de la salle des machines pour activer les vannes à fermeture rapide de l’alimentation en carburant, arrêter les ventilateurs ainsi qu’arrêter tout l’équipement contenant ou transportant de l’huile ou du carburant. Il a également mis en marche la génératrice d’urgence et la pompe à incendie de secours. Quelques minutes plus tard, les génératrices auxiliaires du navire se sont arrêtées, et seul l’équipement essentiel alimenté par la génératrice d’urgence était disponible.
À 14 h 23, le capitaine a appelé Lower Lakes Towing Ltd. (LLT), l’entreprise qui est propriétaire et exploitant du Tecumseh, et a rapporté la situation. À 14 h 29, le capitaine a signalé aux SCTM que l’incendie était sous contrôle et contenu dans la salle des machines, et qu’aucune assistance n’était requise. Peu après, le Limnos a été libéré par le JRCC Trenton.
À 14 h 30, une partie de l’équipage a été chargée d’assembler des boyaux d’incendie pour se préparer à effectuer un refroidissement des cloisonnements. Il a été demandé aux 2 matelots qui avaient récupéré les tenues de lutte contre les incendies de les enfiler. Les matelots ont indiqué qu’ils n’avaient pas suivi de formation sur les fonctions d’urgence en mer (FUM) et qu’ils ne pouvaient donc pas agir à titre de pompiersNote de bas de page 5. Les membres d’équipage ont tenté de commencer le refroidissement des cloisonnements, mais la pompe d’incendie de secours n’acheminait pas d’eau à la conduite principale d’incendie. Le chef mécanicien a tenté d’entrer dans le compartiment de la pompe d’incendie de secours à partir du point d’accès du pont A afin d’évaluer la situation, mais la fumée dense l’en a empêché.
À 15 h, les membres d’équipage ont commencé à effectuer des rondes d’incendie dans les emménagements à des intervalles de 15 à 20 minutes. À 15 h 20, l’équipage a constaté une réduction importante de la fumée provenant de la cheminée et des volets de ventilation de la salle des machines. À 15 h 56, le navire de la Garde côtière américaine (USCG) RB-M 45626 est arrivé à côté du Tecumseh. Un remorqueur canadien, le Stormont, se dirigeait également vers la position du navire pour prêter assistance. Une fois le navire de l’USCG arrivé à côté du Tecumseh, l’USCG a demandé au capitaine de lui fournir des rapports de situation réguliers et d’effectuer des tests obligatoires de dépistage d’alcool et de droguesNote de bas de page 6 pour tous les membres de l’équipage dans un délai de 2 heuresNote de bas de page 7, même si le navire se trouvait dans les eaux canadiennes. Le capitaine a respecté ces deux exigences tout en continuant de s’occuper de la situation à bord. À 16 h 30, la pompe d’incendie de secours a commencé à acheminer de l’eau dans la conduite principale d’incendie, et 3 membres d’équipage ont commencé à effectuer le refroidissement des cloisonnements.
Environ 2 heures après la libération de CO2, l’équipage a remarqué que la quantité de fumée s’échappant des volets fermés de la salle des machines avait augmenté. Le chef mécanicien s’inquiétait aussi de la présence de résidus huileux dans les fonds de la salle des machines et a demandé à quelques reprises au capitaine la permission d’entrer dans la salle des machines afin d’épandre de la mousse extinctrice dans les fonds. À 17 h, le capitaine et le chef mécanicien se sont de nouveau consultés et, avec l’approbation de LLT, la décision a été prise d’entrer dans la salle des machines afin de déterminer si le feu continuait de se propager et d’où provenait la fumée. Le troisième mécanicien et l’assistant mécanicien ont reçu l’ordre d’enfiler une tenue de lutte contre les incendies et un appareil respiratoire autonome (ARA), puis d’entrer dans la salle des machines et d’effectuer cette tâche. Ils ont tous deux refusé et ont discuté avec le chef mécanicien afin de lui faire part de leurs préoccupations, fondées sur la formation FUM qu’ils avaient suivie, quant à la mesure dans laquelle il était sécuritaire de retourner dans la salle des machines et risquer de compromettre l’efficacité de l’extinction au CO2.
Le chef mécanicien et un matelot de pont ont enfilé une tenue de lutte contre les incendies et un ARA. À 17 h 08, ils sont descendus par la trappe d’accès sur le pont principal jusqu’au compartiment de l’appareil à gouverner, puis sont entrés dans la salle des machines, en laissant ouvertes la trappe et la porte entre le compartiment de l’appareil à gouverner et la salle des machines pour laisser passer le tuyau d’incendie, qui a servi de corde de sécurité. Le chef mécanicien et le matelot de pont ont été désorientés par la fumée épaisse, ont été séparés et sont sortis de la salle des machines environ 20 minutes plus tard, car leur ARA était presque à court d’air respirable.
Peu après qu’ils sont sortis de la salle des machines, de la fumée noire a recommencé à sortir de la cheminée et des registres coupe-feu de la ventilation de la salle des machines, et la température du pont principal a commencé à augmenter. À 17 h 35, on a signalé que de la fumée noire s’échappait par le tour des portes d’accès de la salle des machines dans les emménagements et commençait à se propager dans les emménagements des ponts B, C et D. Le capitaine a suspendu les rondes d’incendie et a informé l’USCG, dont le navire était toujours sur place, de la situation. L’USCG a informé le JRCC Trenton que l’incendie à bord avait repris.
À 17 h 45, la personne désignée à terre de LLT a communiqué avec T&T Marine Salvage Inc. (T&T)Note de bas de page 8, qui a commencé à déployer 2 équipes à terre vers le Tecumseh. Le capitaine, LLT et T&T ont discuté et ont convenu de remorquer le Tecumseh au terminal de Morterm Ltd. afin d’avoir accès à des ressources à terre de lutte contre les incendies.
À 18 h 30, le remorqueur Stormont est arrivé à côté du Tecumseh. Les 2 équipages ont tenté de raccorder les tuyaux d’incendie du Tecumseh à la conduite principale d’incendie du Stormont, mais ils n’ont pas pu le faire parce que les équipements étaient incompatibles. À ce moment, de la vapeur sortait de la caisse de décantation de carburant par le tuyau de sonde dans la cuisine et par le tuyau de ventilation à l’extérieur sur le pont principal. Le capitaine était préoccupé par le risque pour la sécurité de l’équipage. Il a donc ordonné aux membres d’équipage qui ne participaient pas à la lutte contre l’incendie de se rassembler à l’avant des emménagements.
À 20 h, le niveau de carburant dans le réservoir de la génératrice d’urgence était devenu bas, et l’équipage a commencé à transférer manuellement du carburant du réservoir du propulseur d’étrave dans le gaillard d’avant du navire vers le réservoir de la génératrice d’urgence à l’aide de seaux en plastique (un aller-retour d’environ 350 m). À 20 h 32, après les tentatives infructueuses du JRCC Trenton d’affecter des ressources maritimes de lutte contre les incendiesNote de bas de page 9 de Windsor et de Detroit, le navire de la GCC Limnos a été de nouveau dépêché à partir de Sarnia pour prêter assistance. Le navire de l’USCG a été libéré et est retourné à sa base.
À 21 h 15, les remorqueurs Nebraska et Cleveland sont arrivés et ont été amarrés au Tecumseh. À 21 h 45, une équipe de T&T est montée à bord du Tecumseh. On a discuté avec le capitaine d’un plan de sauvetage visant à amener le navire au quai. Ce plan a été approuvé par LLT à 23 h 20. À 23 h 43, le capitaine a été informé que l’équipe des services d’incendie et de sauvetage de Windsor fournirait un soutien logistique et effectuerait un refroidissement des cloisonnements, mais qu’elle ne monterait pas à bord du Tecumseh, car elle n’était pas formée à la lutte contre les incendies à bord des navires. À 0 h 19 le 16 décembre, les services d’incendie et de sauvetage de Windsor, les services médicaux d’urgence et le capitaine de port sont arrivés au terminal de Morterm Ltd.
À 0 h 40, puisque le guindeau était privé d’alimentation électrique, les chaînes des 2 ancres du Tecumseh ont été coupées et les opérations de remorquage ont commencé. Les 3 remorqueurs ont amené le Tecumseh au quai à 1 h 33. À 2 h 44, le Limnos est arrivé sur les lieux et s’est tenu prêt à effectuer un refroidissement des cloisonnements du côté bâbord du navire, au besoin. À 3 h 20, l’amarrage manuel du Tecumseh a été terminé et les services d’incendie et de secours de Windsor ont commencé le refroidissement des cloisonnements à partir du quai.
Vers 4 h 35, tous les membres d’équipage du Tecumseh ont débarqué et ont été examinés par l’équipe des services médicaux d’urgence. Seul le chef mécanicien est resté sur place pour participer aux efforts de lutte contre l’incendie. À 5 h, une deuxième équipe de T&T du Texas est arrivée sur le navire. Les 2 équipes de T&T sont entrées dans la salle des machines à 6 h 15. L’incendie a été déclaré éteint à 7 h. Le feu s’est rallumé 30 minutes plus tard, et les efforts de lutte contre l’incendie se sont poursuivis jusqu’à 13 h 50, quand le feu a finalement été éteint.
Une équipe de sauvetage a récupéré les ancres et les chaînes du Tecumseh dans la rivière Detroit, et le navire a été remorqué dans un état d’arrêt complet jusqu’à Ashtabula (Ohio, États-Unis), où il a été désarmé.
1.4 Avaries au navire
La salle des machines du Tecumseh et les machines connexes ont subi des dommages dus à la chaleur, à la fumée et à la suie en raison de l’incendie. Le moteur principal bâbord (figure 9) et divers câbles électriques et équipements (figure 10) ont subi des dommages modérés à importants dus à l’incendie, alors que la salle de commande des machines, y compris le tableau de distribution principal et les consoles de commande, a été entièrement détruite par l’incendie (figure 11).
1.5 Blessures
Les 16 membres de l’équipage ont été examinés à terre par les services médicaux d’urgence de Windsor. Certains présentaient des symptômes mineurs d’inhalation de fumée qui n’ont pas nécessité d’hospitalisation. Un membre d’équipage a été légèrement blessé au coude pendant la lutte contre l’incendie.
1.6 Conditions environnementales
Au moment de l’événement, le ciel était partiellement nuageux et la visibilité était d’environ 18 milles marins. Le vent soufflait de l’ouest à 15 nœuds. La température de l’air était de 1 °C.
1.7 Certification et expérience du personnel
Le capitaine était titulaire d’un brevet de capitaine, à proximité du littoral et était capitaine du Tecumseh depuis 2018. Il avait rejoint la flotte de l’entreprise en 2001 et avait été capitaine sur différents navires depuis 2004. Il était également titulaire de certificats de formation FUM valides délivrés par Transports Canada (TC) en 1990.
Le chef mécanicien était titulaire d’un brevet d’officier mécanicien de première classe, navire à moteur, et était chef mécanicien sur le Tecumseh depuis 2012. Il était titulaire de certificats FUM valides délivrés par TC en 1996. Le chef mécanicien avait déjà vécu un incendie dans la salle des machines sur un autre navire, au cours duquel l’équipage avait regagné en toute sécurité la salle des machines environ 3 heures après avoir inondé le compartiment avec un système fixe d’extinction d’incendie au CO2.
Le troisième mécanicien était titulaire d’un brevet d’officier mécanicien de quatrième classe, navire à moteur. Il était titulaire de certificats FUM valides délivrés par TC en 2015.
Tous les autres membres d’équipage du Tecumseh détenaient les brevets requis pour leurs postes respectifs à bord. Le document sur l’effectif minimal de sécurité du navire indiquait le nombre minimum de membres d’équipage devant être titulaires de certificats FUM, soit : le capitaine, le premier officier de pont, l’officier de quart, le chef mécanicien, le deuxième mécanicien, 2 matelots et 4 personnes supplémentaires. Cette exigence était satisfaite au moment de l’événement, et 2 membres d’équipage supplémentaires possédaient également des certificats FUM.
1.8 Certificats du navire
Le Tecumseh avait tous les certificats requis pour sa classe de navire et le voyage prévu. Le navire avait été construit et certifié conformément à la Convention internationale pour la sauvegarde de la vie humaine en mer (SOLAS) et avait navigué à l’étranger. En 2011, il a été acheté par LLT et est devenu un navire non assujetti à la Convention. Son certificat d’inspection était limité au cabotage dans le bassin des Grands Lacs et du fleuve Saint-Laurent (voyage à proximité du littoral, classe 1, voyages limités en eaux intérieures, classe 1Note de bas de page 10). Le navire était classé par la société Lloyd’s Register depuis son importation au Canada, le 21 octobre 2011.
Un certificat de gestion de la sécurité volontaire avait été délivré au Tecumseh, et LLT détenait une attestation de conformité volontaire pour ce type de navire délivré par l’American Bureau of Shipping.
1.9 Systèmes de protection contre l’incendie à bord
Les exploitants de navires doivent s’assurer que l’intégrité de la protection structurale contre les incendies d’un navire est maintenue et que l’équipement de lutte contre les incendies est prêt à être utilisé en tout tempsNote de bas de page 11. Le Tecumseh était muni d’une seule conduite principale d’incendie, de systèmes fixes d’extinction d’incendie au CO2 pour la salle des machines et la salle de la génératrice d’urgence ainsi que d’un système de détection d’incendie. Le Tecumseh était également muni de raccords internationaux de jonction avec la terre, de tenues de lutte contre les incendies et d’autres équipements de lutte contre les incendies.
Tous les systèmes de détection, les systèmes d’extinction et les appareils de lutte contre les incendies à bord étaient inspectés et certifiés annuellement par un technicien à terre approuvé par une société de classification. L’équipage effectuait une maintenance mensuelle de ces systèmes et des appareils de lutte contre les incendies.
1.9.1 Protection structurale contre les incendies
Le feu peut se propager par le transfert de chaleur, soit par conduction (directement à travers le matériau), soit par convection (le mouvement des gaz), soit par rayonnement. La réglementation maritime exige que les navires soient construits avec des cloisonnements qui empêchent le feu de se propager d’un compartiment à l’autre. Cela est accompli en créant des divisions entre les zones à l’intérieur du navire, puis en prévoyant des moyens de sceller les ouvertures (portes coupe-feu, joints de câbles) et de contrôler et d’isoler la ventilation (ventilateurs à distance, registres coupe-feu, conduits d’évacuation). De plus, un isolant thermique est installé aux endroits nécessaires sur les ponts et les cloisons (divisions de type A, de type B et de type C)Note de bas de page 12.
Le Tecumseh avait été construit conformément aux normes de la Convention SOLAS de 1960Note de bas de page 13, qui prescrivaient l’utilisation de cloisons et de ponts de type A. De plus, toutes les portes et les autres traversées de tuyaux ou de câbles dans des divisions de type A doivent offrir une résistance au passage du feu et de fumée équivalente à celle des cloisons. Même si le navire n’est plus un navire assujetti à la Convention et qu’il est maintenant régi par la réglementation canadienneNote de bas de page 14, cette réglementation exige le même niveau d’intégrité structurale que la Convention SOLAS.
Les génératrices auxiliaires avaient été remplacées en 2005. À ce moment, les câbles acheminés entre la salle des machines et la salle de commande des machines ont également été remplacés, ce qui aurait nécessité le retrait de tout produit d’étanchéité. Une fois les nouveaux câbles en place, le produit d’étanchéité aurait dû être remplacé. Aucun registre n’indiquait l’exécution de travaux relatifs aux câbles après 2005. Après l’événement, seules des traces de produit d’étanchéité ont été relevées dans les traversées de pont entre la salle des machines et la salle de commande des machines.
1.9.2 Alimentation en eau de la conduite principale d’incendie
La conduite principale d’incendie du Tecumseh pouvait être alimentée en eau par la pompe à incendie, la pompe de cale ou la pompe à incendie de secours. La pompe à incendie et la pompe de cale se trouvaient dans la salle des machines. La pompe à incendie de secours se trouvait dans un compartiment réservé à l’extérieur de la salle des machines, comme l’exige la réglementation, afin de garantir que le navire possède au moins 1 pompe disponible pour alimenter la conduite principale d’incendie peu importe le lieu de l’incendie.
La pompe à incendie de secours était une pompe centrifuge entraînée par un moteur à induction électrique alimenté par le tableau de distribution de secours. Elle n’était pas à amorçage automatique ni munie d’un dispositif d’amorçage, car elle avait été installée sous la ligne de flottaison lège du navireNote de bas de page 15. La pompe pouvait être mise en marche localement ou à distance. Les commandes de la pompe à incendie de secours sur le pont C se résumaient à des boutons-poussoirs pour ouvrir les soupapes (d’aspiration et de refoulement) et mettre la pompe en marche. Il n’y avait aucune rétroaction de position ni aucun indicateur d’état.
D’après le calendrier de maintenance du navire, la pompe à incendie de secours devait être testée tous les mois. Les tests consistaient à mettre en marche la pompe à incendie de secours et à produire 2 jets d’eau d’au moins 30 m simultanément : 1 jet à l’arrière du navire et 1 jet près de la passerelle. Au cours des mois plus chauds, l’équipage testait la pompe à incendie de secours toutes les semaines lors des vérifications de l’équipement de sécurité. Au cours des mois plus froids, l’équipage effectuait une vérification mensuelle qui était limitée à une rotation manuelle de la pompe. La pompe n’était pas mise en marche, afin d’éviter que la conduite principale d’incendie gèle.
Un essai de fonctionnement de la pompe à incendie de secours avait été effectué 24 jours avant l’événement, alors que le navire subissait une inspection de sécurité canadienne. À ce moment, il y avait eu un délai d’environ 3 minutes avant que la pompe puisse produire assez de pression d’eau pour alimenter la conduite principale d’incendie. Ce délai était normal pour ce système. Par le passé, l’équipage avait également éprouvé des problèmes de mise en marche de la pompe à incendie de secours en raison d’un contacteur défectueux dans son démarreur électrique. Il a été rapporté que la direction à terre du Tecumseh avait été avisée du problème, mais qu’au moment de l’événement, le problème n’avait pas été corrigé.
En plus de son point d’accès principal sur le pont A, le compartiment de la pompe à incendie de secours comportait une ouverture de service donnant accès au compartiment à partir de l’intérieur de la salle des machines à des fins de maintenance. Cette ouverture devait être tenue bien fermée au moyen de boulons afin de maintenir l’intégrité structurale contre les incendies et n’était pas destinée à une utilisation régulièreNote de bas de page 16. Au moment de l’événement, l’ouverture de service n’était pas fermée au moyen des boulons requis. Elle était simplement maintenue fermée par une clé en acier (figure 12), ce qui permettait un accès continu au compartiment de la pompe à incendie de secours. Depuis l’acquisition du navire en 2011, l’équipage utilisait régulièrement l’ouverture de service à partir de la salle des machines, ce qui était plus rapide que de sortir de la salle des machines et d’utiliser le point d’accès prévu au compartiment, sur le pont A. L’ouverture de service était représentée de façon inexacte comme une porte sur le plan de lutte contre les incendies.
1.9.3 Système fixe d’extinction d’incendie au dioxyde de carbone
Un incendie a besoin d’oxygène, d’une source d’inflammation et de matériaux combustibles. Les systèmes fixes d’incendie au CO2 fonctionnent en réduisant le niveau d’oxygène (dans l’air) dans un espace clos en dessous du niveau nécessaire pour entretenir la combustion. Lorsque le CO2 liquide est libéré, il se transforme rapidement en gaz et déplace l’oxygène dans l’air. Puisqu’il est plus lourd que l’air, le CO2 se dépose au fond de l’espace et s’accumule jusqu’à ce que l’espace en soit rempli. Tant que la concentration d’oxygène est inférieure à 16 % en volume, un feu ne peut pas brûler. Un système typique libère un volume total de CO2 équivalent à 30 % de l’espace à protéger.
Lorsqu’il est libéré sous forme liquide de la bouteille de stockage, le CO2 a un effet de refroidissement local. Cependant, contrairement à l’eau, le CO2 n’a pas un effet de refroidissement notable dans un espace de la taille de ceux pour lesquels ces systèmes sont utilisés. Puisqu’il est peu probable que les matériaux combustibles puissent être retirés, l’espace doit rester étanche pour empêcher tout apport d’air jusqu’à ce que toutes les sources d’inflammation aient été éteintes et que l’espace se soit refroidi.
Une fois que la décision d’utiliser un système fixe d’extinction d’incendie au CO2 a été prise et confirmée, un certain nombre de mesures préparatoires sont prises pour assurer la sécurité de l’équipage et l’efficacité de la libération de CO2. Si l’on prend l’exemple de la salle des machines : il faut s’assurer que tout le personnel est présent et a quitté la salle des machines, sceller la salle des machines (les évents, les registres coupe-feu, les volets et les points d’accès sont fermés), fermer les vannes d’huile et de carburant à fermeture rapide, s’assurer que toutes les machines, à l’exception de la génératrice d’urgence, sont arrêtées, puis activer la libération de CO2. Lorsque le système est déclenché, une alarme retentit, puis après un délai de 20 à 60 secondes, tout le CO2 est libéré en quelques minutes. La plupart des systèmes ne peuvent être utilisés qu’une seule fois et doivent être réinitialisés ou remplis à terre.
D’après la réglementation applicable, pour les navires munis d’un système fixe d’extinction d’incendie au CO2 : « Le mode d’emploi de l’installation d’étouffement sera affiché à proximité des soupapes de commande de distribution et à proximité également des cylindres de gazNote de bas de page 17. »
Dans sa publication Marine Fire Fighting for Land-Based Firefighters, l’International Fire Service Training Association précise que [traduction] : « les systèmes d’extinction fixes ne sont efficaces que si le compartiment en proie aux flammes est hermétiquement fermé, ce qui permet la réduction de la concentration en oxygène jusqu’à un niveau inférieur à celui qui est nécessaire pour maintenir la combustionNote de bas de page 18 ». Dans la formation FUM, on enseigne aux participants d’attendre que la température descende sous le point d’auto-inflammation (ce qui exige souvent entre 12 et 24 heures). Après la libération du CO2, l’équipage ou les personnes luttant contre l’incendie doivent aussi continuer de surveiller l’incendie et le confiner au compartiment affecté en gardant toutes ses ouvertures hermétiquement fermées et en refroidissant les cloisonnements à l’aide de boyaux d’incendie. On doit observer une « durée de maintien » minimale pour s’assurer que toutes les matières combustibles sont éteintes et que toutes celles qui pourraient s’enflammer de nouveau ont refroidiNote de bas de page 19. Lorsqu’un système fixe d’extinction d’incendie au CO2 est inefficace pour contrôler ou étouffer un incendie, la raison est habituellement que le système est mal utilisé ou utilisé par une personne qui connaît mal son fonctionnementNote de bas de page 20.
Le Maritime Training Advisory Board des États-Unis a mis en garde contre la possibilité de rallumage avec les systèmes au CO2, indiquant ce qui suit [traduction] :
Le CO2 fonctionne bien dans les espaces clos, mais il agit lentement. La patience est le mot d’ordre.
Si un espace inondé est ouvert avant que l’incendie ne soit entièrement éteint, l’air qui entre dans l’espace pourrait rallumer le feu. Le rallumage nécessite une deuxième application, à un moment où il reste moins de CO2Note de bas de page 21.
Le Tecumseh était muni d’un système fixe d’extinction d’incendie au CO2 pour la salle des machines. Il comprenait 3 postes de libération de CO2 et une salle de CO2, qui contenait 85 bouteilles de 34,1 kg (75 lb) de CO2 liquide chacune. Un poste de libération était situé sur le pont principal à côté de l’entrée de la salle des machines. Un autre poste était situé sur le pont C, près d’un panneau de commande qui comportait aussi des commandes de démarrage à distance pour la pompe à incendie de secours et des commandes d’activation des vannes à fermeture rapide, d’arrêt de l’équipement contenant ou transportant de l’huile ou du carburant, ainsi que d’arrêt des ventilateurs. Le troisième poste de libération était situé directement dans la salle de CO2.
Une affiche indiquant les instructions de libération du CO2 était présente aux 3 postes de libération. Au poste de libération à distance sur le pont C, outre l’affiche d’instructions, se trouvaient des instructions plastifiées qui présentaient des détails sur le processus de libération à distance de CO2. Les instructions plastifiées (annexe B) et l’affiche (figure 13) indiquaient des délais différents entre l’activation des commandes de libération à distance et la libération du CO2 dans la salle des machines (25 secondes comparativement à 60 secondes).
Lors de l’événement à l’étude, le CO2 a été libéré avant que l’alimentation en carburant n’ait été arrêtée et que les mesures de scellement de la salle des machines n’aient été effectuées.
1.9.4 Système de détection d’incendie et autres appareils de lutte contre les incendies
Le Tecumseh était muni d’un système de détection d’incendie qui comprenait 132 détecteurs de fumée et 11 détecteurs de chaleur. Trente-trois des détecteurs de fumée et 8 des détecteurs de chaleur étaient situés dans la salle des machines. Le système comprenait 3 panneaux de commande : 1 sur la passerelle, 1 sur le pont C et 1 dans la salle de commande des machines.
Le Tecumseh était équipé des appareils de lutte contre les incendies suivants :
- 1 extincteur sur roues de classe ABC de 150 lb situé à l’extérieur, sur le pont principal;
- 2 extincteurs fixes au CO2 de 50 lb à tuyaux enroulés, situés sur le pont plateforme de 24 pieds dans la salle des machines;
- 2 extincteurs fixes au CO2 à 2 bouteilles de 75 lb et à tuyaux enroulés, situés sur le pont plateforme de 35 pieds dans la salle des machines.
Le navire contenait également les extincteurs portatifs et l’équipement connexe exigés par la réglementation canadienneNote de bas de page 22 applicable au navire.
1.9.5 Raccords internationaux de jonction avec la terre
Un raccord international de jonction avec la terre est un raccord de tuyau souple normalisé servant à fournir aux navires un accès à de l’eau provenant d’autres navires ou de sources d’eau à terre afin de combattre un incendie. Un côté du raccord est la bride standard internationale, et l’autre côté est compatible avec les raccords sur la conduite principale d’incendie du navire ou la source d’eau à terre.
Tous les navires de charge canadiens d’une jauge brute de 500 ou plus construits après février 2017 doivent être munis d’un raccord international de jonction avec la terreNote de bas de page 23. Il est aussi recommandé que ce raccord fasse partie de l’équipement standard des ports ou des services d’incendie locaux pour la lutte contre les incendies à bord des naviresNote de bas de page 24, mais il n’y a actuellement aucune exigence à ce sujet au Canada.
Le Tecumseh était équipé de 2 raccords internationaux de jonction avec la terre. Ni l’Administration portuaire de Windsor, ni les services d’incendie et de sauvetage de Windsor n’avaient de raccord international de jonction avec la terre parmi leur équipement standard de lutte contre les incendies. Le Stormont ne disposait pas de raccord international de jonction avec la terre, et n’était pas tenu d’en avoir, étant un navire d’une jauge brute de moins de 500.
1.9.6 Tenues de lutte contre les incendies
Il y avait 2 ensembles d’équipement de protection individuelle de lutte contre les incendies à bord du Tecumseh. Chaque ensemble comprenait une tenue de lutte contre les incendies, un appareil respiratoire autonome (ARA) avec des bouteilles de rechange, un harnais de sécurité et une corde de sécurité. Les 2 ensembles étaient rangés dans une armoire de sécurité située à l’arrière sur le pont principal.
Les 2 ARA étaient du même type et du même modèle. Le navire était muni de 8 bouteilles d’air respirable en aluminium pour les ARA, qui offraient chacune 20 minutes d’air.
Le plan de lutte contre les incendies indiquait qu’il y avait 2 tenues de lutte contre les incendies supplémentaires dans l’armoire d’urgence du gaillard avant, mais l’enquête a révélé que celles-ci avaient été retirées du navire en 2018 car elles étaient devenues désuètes. À cette époque, le plan de lutte contre les incendies n’avait pas été mis à jour, parce qu’il restait à voir si LLT entendait ou non les remplacer.
1.10 Lignes directrices internationales en matière de prévention des incendies dans la salle des machines
En 2009, l’Organisation maritime internationale (OMI) a publié une circulaireNote de bas de page 25 décrivant des mesures visant à prévenir les incendies dans la salle des machines et présentant des lignes directrices relatives à la maintenance et à la conception des salles des machines en ce qui concerne la prévention des incendies. L’OMI a distribué la circulaire auprès des administrations de l’État du pavillon, y compris le Canada, afin que l’information soit transmise de manière généralisée aux propriétaires, exploitants, constructeurs et concepteurs de navires et à d’autres parties intéressées.
Le chapitre 2 de la circulaire fournit des renseignements sur l’installation et l’utilisation en service des conduites souples, des tuyaux et des ensembles de tuyaux transportant des liquides inflammables. Il fait remarquer que les tuyaux souples ne doivent être utilisés que lorsque c’est nécessaire pour composer avec le mouvement relatif entre la tuyauterie fixe et les pièces des machines. Il indique en outre que les tuyaux doivent être fabriqués conformément à une norme reconnue et être adaptés à l’utilisation à laquelle ils sont destinés, et que les ensembles de tuyaux (tuyaux et quincaillerie de raccord connexe) doivent être fournis avec un certificat d’essai de pression hydrostatique et de conformité de la production. La circulaire donne des exemples de méthodes d’installation correctes et incorrectes et indique que les tuyaux souples peuvent devoir être remplacés plusieurs fois pendant la durée de vie du navire, et qu’ils doivent être inspectés régulièrement. Elle indique aussi que les rapports d’essais des tuyaux souples doivent être conservés à bord du navire pour garantir que les tuyaux de rechange utilisés dans les réparations sont adéquatsNote de bas de page 26.
L’International Association of Classification Societies a fourni aux sociétés de classification des lignes directrices indiquant que les fabricants doivent marquer de façon permanente le nom du fabricant, la date de fabrication et la capacité de pression, entre autres, sur les tuyaux souples. En outre, si un ensemble de tuyaux souples est composé d’articles provenant de différents fabricants, les composants de l’ensemble doivent être clairement identifiés et doivent pouvoir être liés à des preuves d’essais sur prototypeNote de bas de page 27. La société Lloyd’s Register a incorporé ces lignes directrices dans ses règles de classificationNote de bas de page 28.
La Loi de 2001 sur la marine marchande du Canada et le Règlement sur les machines de navires contiennent des exigences réglementaires concernant les tuyaux souples courts utilisés pour transporter du carburant. Ces tuyaux doivent être adaptés à leur utilisation prévue, mais les exigences réglementaires offrent peu d’indications quant à leur utilisation. La réglementation ne renvoie pas à la circulaire de 2009 de l’OMI, et TC n’avait pas distribué cette circulaire au moyen de son système de bulletins de la sécurité des naviresNote de bas de page 29.
Fait établi : Autre
L’Organisation maritime internationale a publié une circulaire soulignant les mesures à prendre pour prévenir les incendies dans la salle des machines et l’a envoyée aux États membres afin qu’elle soit distribuée de façon généralisée auprès des intervenants du secteur maritime; toutefois, cette information n’a pas été distribuée au moyen du système de bulletins de la sécurité des navires de Transports Canada.
1.11 Système d’alimentation en carburant des moteurs principaux
Sur chacun des moteurs principaux du Tecumseh, la quantité de carburant fournie aux cylindres était régulée par un régulateur de vitesse hydromécanique. Le régulateur réglait automatiquement la position de 2 arbres de commande reliés aux crémaillères d’injection des pompes à injection. Ces réglages automatiques régulaient la quantité de carburant fournie à tous les cylindres en même temps, en fonction des exigences de charge du moteur.
Les crémaillères d’injection comportaient des index qui indiquaient leur position en millimètres (figure 14). Avec de tels index, les positions de référence de chaque crémaillère d’injection sont réglées en modifiant manuellement 2 écrous sur chaque tringlerie de commande reliée aux arbres de commande du régulateur (figure 15). En modifiant manuellement les positions de référence, on augmente ou on diminue la quantité de carburant fournie, ce qui permet de régler la charge de chaque cylindre.
Le manuel du fabricant des moteurs principaux du Tecumseh indiquait que tous les réglages de l’index des crémaillères d’injection devraient rester au plus à 2 mm les uns des autres en tout temps. Une copie du manuel se trouvait à bord du Tecumseh. Les documents du fabricant obtenus par le BST indiquaient que des réglages hors de cette plage peuvent être un signe de problèmes sous-jacents liés au rendement du moteur.
Dans le cadre du système de gestion de la sécurité (SGS) de l’entreprise, les systèmes de commande et les systèmes de surveillance des moteurs principaux du Tecumseh devaient subir des vérifications mensuelles. Le Tecumseh avait un système d’entretien planifié informatisé servant à suivre les programmes d’entretien et à surveiller le rendement de l’équipement. Ce système n’était pas approuvé par la société de classification et n’était pas exigé par la réglementation.
1.12 Problèmes antérieurs avec les moteurs principaux
Lors de sa construction en 1973, le Tecumseh était doté de 2 moteurs Colt-Pielstick à 12 cylindres en V. Ces moteurs étaient construits sans volant moteur et engendraient toujours une vibration de base qui se traduisait par une courte durée de vie du train d’engrenages, des fuites au moteur et une fatigue des composantsNote de bas de page 30. Dans leurs premières années en service, les moteurs du Tecumseh ont connu de nombreuses défaillances des systèmes d’alimentation en carburant à haute pression et à basse pression ainsi que de la rampe de distribution de carburant, et le fabricant a repensé le système. En 1976, des canalisations de carburant d’une nouvelle conception ont été installées sur le Tecumseh et le taux de défaillance a diminué.
L’enquête a révélé qu’en 2019, les 2 moteurs principaux du Tecumseh éprouvaient des problèmes persistants avec les bagues de culbuteur, des fuites au niveau des raccords de carburant, des fuites d’eau de refroidissement sur les blocs moteurs, des fuites et des défaillances des tuyaux d’alimentation en carburant et de retour de carburant, des problèmes d’efficacité des turbocompresseurs ainsi que des défaillances de la tuyauterie rigide du circuit de carburant. Des fuites dans les tuyaux souples et les tuyaux rigides du circuit de carburant des moteurs principaux avaient aussi été signalées fréquemment. L’équipage de la salle des machine a consigné dans la documentation de bord des commentaires fréquents sur les difficultés liées à l’acquisition de pièces de rechange, comme des soupapes d’échappement. La soupape de régulation de la contre-pression du système d’alimentation en carburant ne fonctionnait plus de façon automatique et les pièces avaient été commandés plusieurs mois plus tôt.
Dans les 6 mois précédant l’événement à l’étude, le Tecumseh avait subi un certain nombre de défaillances mécaniques localisées sur la rangée de cylindres extérieure de son moteur principal bâbord. Le 27 juillet, le 18 novembre et le 25 novembre, les cylindres no 2, no 3 et no 1, respectivement, ont présenté une défaillance attribuable à des soupapes d’échappement brûlées. Le 13 décembre, le rail d’alimentation en carburant de la rangée de cylindres extérieure s’est rompu, et du carburant est resté sur le moteur, dans les fonds et à proximité.
Après la défaillance du 25 novembre, alors que le Tecumseh se trouvait en eaux américaines, l’USCG a ordonné une inspection qui devait être effectuée par le représentant du fabricant du moteur afin de déterminer les causes des défaillances répétées et d’empêcher qu’elles se reproduisent. Un représentant du fabricant s’est rendu à bord du navire le 27 novembre et a effectué une inspection mécanique statique du moteur principal bâbord. Il a inspecté diverses pièces et a jugé qu’il était adéquat de continuer d’utiliser ce moteur. Cependant, il a été recommandé d’effectuer une inspection plus détaillée au cours de la période de mise en rade hivernale du navire. Le Tecumseh, comme d’autres navires de la flotte de Lower Lakes Towing, était mis en rade chaque hiver; les travaux de réfection et les grands projets de maintenance étaient réalisés pendant cette période.
1.13 Génératrice d’urgence et système d’alimentation en carburant
Le Tecumseh avait une génératrice d’urgence qui, en cas de panne de courant, alimentait le tableau de distribution de secours, lequel fournissait ensuite de l’électricité à l’équipement essentiel, comme les dispositifs d’éclairage d’urgence, la pompe à incendie de secours, 1 des pompes de l’appareil à gouverner et l’équipement de navigation et de communication. La génératrice d’urgence était installée dans un compartiment réservé, à l’extérieur de la salle des machines, et avait un réservoir de carburant d’une capacité de 200 gallons américains. Le compartiment était protégé contre le feu par son propre système fixe d’extinction d’incendie au CO2 et des registres coupe-feu de la ventilation. Le réservoir de carburant était relié à l’un des réservoirs de stockage de carburant dans la salle des machines par un tuyau rigide, et il pouvait être rempli en y transférant du carburant à partir du réservoir de stockage. Le réservoir de carburant n’était pas muni d’une alarme de bas niveau.
Il était devenu pratique courante à bord du Tecumseh de maintenir le réservoir de carburant de la génératrice d’urgence rempli à ½ ou aux ⅔, car par temps orageux, le carburant pouvait se déverser par le tuyau de sonde, qui était laissé ouvert parce que son accès était difficile. Avant l’événement à l’étude, le réservoir avait été sondé la dernière fois le 14 novembre et le niveau était à 15 pouces, ce qui correspond à une quantité de carburant de 112,5 gallons américains (un peu plus de la moitié du réservoir). Selon la réglementation, le Tecumseh devait avoir un système d’alimentation en carburant assurant à la pompe à incendie de secours au moins 12 heures d’alimentation en carburantNote de bas de page 31. Après que la génératrice eut fonctionné pendant environ 6 heures, l’équipage s’est inquiété du niveau de carburant dans le réservoir et a entrepris de transférer à la main du carburant du gaillard d’avant, au moyen de seaux, afin de s’assurer que la génératrice dispose d’assez de carburant pour continuer de fonctionner pendant une période prolongée.
1.14 Examen après l’événement et analyse technique
Après l’événement à l’étude, les enquêteurs du BST sont montés à bord du Tecumseh et ont procédé à l’examen de la salle des machines et de son équipement. Une analyse de la propagation de l’incendie a été effectuée, et un certain nombre de composants ont été envoyés au Laboratoire d’ingénierie du BST pour un examen approfondi. Les observations et conclusions suivantes ont été formulées.
Au moment de l’événement, le moteur principal bâbord était en mauvais état général et présentait divers problèmes mécaniques, comme des fuites d’huile de lubrification et d’eau de refroidissement, des pièces de fixation manquantes au collecteur d’admission et des turbocompresseurs encrassés.
La position de référence de l’index des crémaillères d’injection variait de plus que les 2 mm recommandés par le fabricant. Les écrous de réglage de l’index des crémaillères d’injection étaient tous bien serrés, et rien n’indique qu’ils se seraient desserrés d’eux-mêmes avec le temps. Les positions de référence de l’index des crémaillères d’injection avaient été ajustées à la main afin de minimiser l’incidence des différences dans les pressions maximales aux cylindres et les températures des gaz d’échappement.
Le laboratoire du BST a examiné la conduite d’alimentation en carburant bâbord du moteur principal bâbord et a constaté qu’un des ensembles de tuyau souple d’alimentation en carburant s’était rompu (figure 16). L’ensemble était constitué d’une portion de tuyau souple d’environ 76 cm de longueur et de 2 raccords filetés de sertissage reliant le tuyau souple aux canalisations rigides. L’ensemble de tuyau d’alimentation en carburant rompu se trouvait sur la partie avant de la rangée de cylindres extérieure, près du cylindre no 6. L’ensemble s’était rompu à l’endroit où un raccord fileté de sertissage reliait le tuyau souple d’alimentation en carburant aux canalisations rigides (figure 17).
L’examen du raccord de sertissage a montré qu’aucune partie du tuyau souple n’était restée à l’intérieur du raccord de sertissage, et l’examen de l’extrémité du tuyau a montré que la section transversale du tuyau était complète (figure 18). Cela porte à croire que le raccord de sertissage lui-même s’est rompu en service.
L’enquête n’a pas permis de découvrir qui avait fabriqué les ensembles de tuyau souple utilisés sur le Tecumseh, ni quand ils avaient été inspectés la dernière fois. Aucun renseignement n’était disponible à propos de la capacité de pression ou de la pression d’éclatement de l’ensemble de tuyau souple rompu.
De nombreuses sources d’inflammation potentielles, tant thermiques qu’électriques, ont été relevées à proximité de l’ensemble de tuyau souple de carburant rompu. Les sources thermiques comprenaient des composants exposés du système d’échappement du moteur, des culasses et des robinets indicateursNote de bas de page 32. Les sources électriques comprenaient des prises de courant, des connecteurs et des boîtes de raccordement ainsi que des appareils d’éclairage. Les traces de brûlure observées sur la partie avant de la rangée de cylindres extérieure du moteur principal bâbord étaient cohérentes avec une exposition prolongée à une projection de carburant en feu.
Les culasses des cylindres no 6 et no 7 du moteur principal bâbord et le collecteur de récupération présentaient des signes d’accumulation de résidus de carbone et d’huile, ce qui est cohérent avec une aspiration à long terme d’huile de lubrification. Le cylindre no 7 se trouvait juste à côté du turbocompresseur, et l’accumulation d’huile dans l’orifice d’admission donnait toutes les raisons de croire qu’une fuite d’huile du turbocompresseur permettait depuis longtemps que de l’huile de lubrification pénètre dans le collecteur d’admission. La porte d’inspection du carter no 6 s’était détachée du carter à un moment donné au cours de l’événement, mais rien n’indiquait qu’il y aurait eu une explosion du carter. Le moteur principal bâbord ne présentait aucun signe de défaillance mécanique catastrophique.
Il y avait des traversées de pont non scellées dans la division de type A entre la salle de commande des machines et la salle des machines, pour permettre le raccordement de divers câbles électriques entre les génératrices, le tableau de distribution principal, les systèmes de distribution d’énergie du navire et les consommateurs électriques (figure 19). L’analyse de la propagation de l’incendie indique que le feu a pris naissance dans la zone bâbord avant de la plateforme inférieure, autour du moteur. Le feu s’est ensuite propagé vers l’arrière, le long des chemins de câbles électriques, pour finalement pénétrer dans la salle de commande des machines en empruntant les traversées de pont non scellées.Certains des joints d’étanchéité autour des entrées et sorties d’air de la salle des machines étaient dégradés, et les volets utilisés pour les recouvrir n’étaient pas étanches. En outre, certains des dispositifs de fixation pour la fermeture des volets sur les entrées et sorties d’air étaient grippés, et d’autres étaient endommagés.
Aucune des 4 portes de type A menant de l’encaissement de machines aux emménagements ne formait un joint étanche à l’air lorsqu’elle était fermée, et il y avait des indications que de la fumée s’était répandue à partir de la salle des machines dans les emménagements pendant l’événement.
Il y avait diverses fuites d’huile hydraulique dans le compartiment de la génératrice de secours. De plus, les panneaux de protection arrière du tableau de distribution de secours avaient été enlevés, laissant les barres omnibus et d’autres composants électriques exposés.
1.15 Formation sur la lutte contre les incendies à bord des navires pour les ressources à terre
Les services d’incendie canadiens peuvent avoir un certain nombre de disciplines de sauvetage spécialisées, dont la lutte contre les incendies à bord des naviresNote de bas de page 33. Des cours de formation sur la lutte contre les incendies à bord des navires approuvés par TC sont offerts partout au Canada. Ces cours sont habituellement destinés aux marins et fournissent une formation générale en lutte contre les incendies. Ils abordent également des sujets propres au domaine maritime, comme les types et les sources d’inflammation, les matériaux inflammables à bord, l’emplacement de l’équipement de lutte contre les incendies et les voies d’évacuation d’urgence à bord des navires ainsi que la propagation des feux dans diverses parties d’un navire. À l’heure actuelle, il n’y a pas d’exigence pour les pompiers et pompières à terre de suivre une formation sur la lutte contre les incendies à bord des navires.
La réglementation sur la santé et la sécurité au travail oblige tous les employeurs à prendre toutes les précautions raisonnables dans les circonstances pour protéger leurs travailleursNote de bas de page 34. Au moment de l’événement à l’étude, les intervenants des services d’incendie et de secours de Windsor n’avaient pas suivi de formation sur la lutte contre les incendies à bord des navires. Sans cette formation, ils n’étaient pas en mesure de monter à bord du Tecumseh pour fournir un soutien dans la lutte contre l’incendie. Par conséquent, les intervenants des services d’incendie et de secours de Windsor sont demeurés à terre et ont offert de l’aide d’autres façons, notamment en effectuant un refroidissement des cloisonnements à partir du quai et en assurant une coordination logistique et médicale. Ils ont aussi rempli les bouteilles des appareils respiratoires autonomes utilisés par le personnel de T&T.
L’Administration portuaire de Windsor ne possède pas ses propres ressources de lutte contre les incendies. Elle collabore avec les services d’incendie et de secours de Windsor pour obtenir des services de lutte contre les incendies à terre et à bord des navires. L’Administration portuaire de Windsor ne dispose pas d’un plan d’urgence en cas d’événements à bord de navires qui se trouvent dans le port pour des opérations de manutention des cargaisons ou pour une mise en rade hivernale.
Les navires qui naviguent en eaux américaines sont tenusNote de bas de page 35 de disposer d’un plan préliminaire de lutte contre les incendies à bord des navires. Le plan doit désigner un fournisseur de ressources de lutte contre les incendies à bord des navires qui est contractuellement tenu d’intervenir en cas de besoin. La réglementation canadienne actuelle ne prévoit aucune exigence équivalente.
1.16 Mémoire, apprentissage et adaptation
L’apprentissage est un processus dynamique qui consiste à retenir des renseignements à long terme et à y faire appel au besoin. Plus on tarde à utiliser de l’information après l’avoir acquise, plus il est difficile de le faireNote de bas de page 36 . L’information conservée est également plus susceptible de subir des interférences : des renseignements similaires, mais distincts, obtenus ultérieurement remplacent l’information acquise précédemment.
Dans l’événement à l’étude, le chef mécanicien avait vécu un incendie dans la salle des machines sur un autre navire, et l’équipage était rentré dans la salle des machines environ 3 heures après avoir inondé le compartiment avec un système fixe d’extinction d’incendie au CO2, sans conséquence néfaste. Cette expérience a probablement interféré avec l’information qu’il avait apprise lorsqu’il avait suivi sa formation FUM, de nombreuses années auparavant.
L’incapacité à se souvenir d’une information peut également être le résultat de l’effacement de la trace mnésique : plus le temps passe, plus la performance de rappel globale est faible. Les formations d’appoint offrent une protection contre ces deux limites de la mémoire.
Des exercices fréquents, comme des exercices d’incendie, facilitent la récupération des connaissances procédurales et aident à la prise de décisions, en particulier dans les situations d’urgence où le stress et le manque de temps réduisent les ressources cognitives disponibles. En situation d’urgence, les membres d’équipage sont plus susceptibles de se fier à des expériences passées pour prendre des décisions rapides, ce qu’on appelle le modèle décisionnel axé sur la reconnaissance. Des exercices fréquents, surtout s’ils englobent un large éventail de scénarios, fournissent un bassin d’expériences sur lequel on peut s’appuyer. De plus, les séances d’exercice qui mettent en jeu une combinaison de connaissances procédurales (c.-à-d. comment faire) et conceptuelles (c.-à-d. pourquoi le faire) améliorent le maintien des compétences et des connaissances de même que leur transfert à d’autres situations.
1.16.1 Adaptation
Une adaptation est une modification des procédures de travail visant à accroître l’efficacité ou à ajuster des procédures qui ne conviennent pas à une situation donnéeNote de bas de page 37. Des adaptations sont également effectuées dans des situations non urgentes.
Dans l’événement à l’étude, il y avait adaptation dans le fait de laisser le tuyau de sonde du réservoir de carburant de la génératrice d’urgence non scellé, parce l’accès au tuyau de sonde était difficile, et de garder le réservoir de carburant à moitié plein pour éviter les déversements par temps orageux.
1.17 Systèmes de gestion de la sécurité
Le Code international de gestion de la sécurité (Code ISM) fournit une norme internationale pour la gestion et l’exploitation sécuritaires des navires et pour la prévention de la pollutionNote de bas de page 38. Les objectifs du Code ISM sont d’assurer la sécurité en mer, de prévenir les lésions corporelles ou les pertes en vies humaines et d’empêcher les atteintes à l’environnement ainsi que des dommages matériels.
Le Code ISM constitue un cadre sur lequel les entreprises et les navires se fondent pour élaborer et mettre en œuvre un SGS qui établit des mesures de protection contre les risques connus, ce qui comprend l’établissement de procédures, de plans, d’instructions et de listes de vérification pour les opérations normales et les situations d’urgence à bord des navires afin d’assurer la sécurité du personnel, du navire et de l’environnement. Le Code ISM précise que les diverses tâches doivent être définies et attribuées à du personnel qualifié. L’exploitant d’un navire cerne les dangers existants et en évalue les risques, établit des procédures et des politiques de sécurité pour atténuer les risques relevés et met en œuvre un moyen d’évaluer continuellement l’efficacité des mesures prises afin d’améliorer la sécurité de l’organisation, au besoin. Le SGS doit être continuellement amélioré en fonction des examens effectués par le capitaine et la direction, des rapports sur les lacunes, des leçons tirées de l’expérience et des vérifications. Ce processus continu permet de s’assurer que les membres d’équipage disposent des compétences, des qualifications et des connaissances nécessaires.
Une approche documentée et systématique en matière de gestion de la sécurité constitue un moyen de s’assurer que les personnes à tous les niveaux d’une organisation disposent des éléments nécessaires pour prendre des décisions éclairées dans les opérations normales ou d’urgence, notamment : les renseignements propres au navire; une compréhension claire de leurs fonctions et de leurs tâches; les outils voulus; un niveau de familiarisation adéquat; et une expérience acquise au moyen d’exercices.
Les exploitants de navires qui sont tenus de posséder un SGS doivent se soumettre à un processus de vérification par un organisme reconnu tiers afin de s’assurer que leur SGS satisfait aux exigences du Code ISM et que l’entreprise et le navire mènent leurs activités conformément au SGS. L’entreprise et le navire doivent obtenir des certificats indiquant leur conformité (l’entreprise se voit délivrer un document de conformité et le navire, un certificat de gestion de la sécurité).
En tant que navire non assujetti à la Convention, le Tecumseh n’était pas tenu de se conformer au Code ISM. Toutefois, LLT avait mis en œuvre un SGS à bord du navire sur une base volontaire. En 2016, un document de conformité volontaire avait été délivré à LLT, et en 2019, un certificat de gestion de la sécurité volontaire avait été délivré au Tecumseh par l’American Bureau of Shipping. Ces documents indiquaient que l’entreprise et le navire satisfaisaient aux exigences du Code ISM, indiquées dans un manuel intitulé Safety Management System: Policies and Procedures (système de gestion de la sécurité maritime – politiques et procédures). L’entreprise avait révisé le manuel la dernière fois en mars 2019.
TC est en train de modifier le Règlement sur la gestion pour la sécurité de l’exploitation des bâtiments du Canada. Lorsque les modifications proposées entreront en vigueur dans le Règlement sur le système de gestion de la sécurité maritime, les navires canadiens d’une jauge brute de 500 ou plus, et les entreprises qui les exploitent, seront tenus d’élaborer, mettre en œuvre et maintenir un SGS conforme au Code ISM.
1.17.1 Procédures d’urgence en cas d’incendie
Outre les procédures à suivre pour les opérations normales, un SGS définit les procédures à suivre pour les situations d’urgence. La section sur la préparation aux situations d’urgence du manuel de gestion de la sécurité de LLT renvoyait au plan d’urgence de bord en cas de déversement d’hydrocarbures et au plan d’action en cas d’urgence marine. Le manuel du plan d’action en cas d’urgence marine contenait une liste de vérification pour les incendies et les explosions, indiquant à l’équipage de recueillir les renseignements pertinents à communiquer aux autorités en cas d’incendie et précisant à quelles autorités ces renseignements devaient être transmis. La liste de vérification n’indiquait pas les mesures à prendre en cas d’incendie. Le plan d’action en cas d’urgence marine avait été mis à jour la dernière fois en juin 2019.
Le manuel de gestion de la sécurité contenait des renseignements généraux au sujet de la pompe à incendie de secours et de la libération de CO2 dans la salle des machines. Des instructions spécifiques au Tecumseh sur la libération de CO2 dans la salle des machines étaient affichées dans certaines parties du navire. Dans le cadre de la formation mensuelle, l’équipage avait été renseigné sur le fonctionnement des postes de libération à distance de CO2 et sur ce qui se passerait lorsque du CO2 serait libéré. La formation insistait également sur le fait que les postes de libération à distance ne devaient être actionnés que par le chef mécanicien, après qu’il eut obtenu l’autorisation du capitaine, et qu’en aucune circonstance, les postes de libération à distance ne devaient être actionnés par une autre personne.
1.17.1.1 Plan de préparation aux situations d’urgence
Un navire dispose habituellement d’un plan de préparation aux situations d’urgence qui énonce les mesures de confinement du feu à prendre en cas d’incendie dans différentes parties du navireNote de bas de page 39. Normalement, le plan indique aussi les risques d’incendie et les tâches précises à effectuer lors des activités de lutte contre l’incendie (p. ex., la façon de couper l’alimentation électrique dans une partie du navire sans provoquer une panne d’électricité générale, les étapes à suivre pour déclencher le système d’extinction d’incendie fixe et les procédures de récupération et de sauvetage). Le Tecumseh n’avait pas de tel plan à bord.
1.17.1.2 Équipement de lutte contre les incendies, manuel de formation et plan de lutte contre les incendies
L’équipage à bord du Tecumseh s’était vu fournir un manuelNote de bas de page 40 qui contenait des renseignements généraux au sujet de l’équipement d’urgence présent à bord des navires et de la réglementation connexe. Le manuel avait été révisé la dernière fois en mars 2018.
La section 4 du manuel renseignait sur l’utilisation et le fonctionnement des systèmes fixes d’extinction d’incendie au CO2 en général. Le manuel décrivait les composants d’un système typique et contenait l’énoncé suivant : « De nombreuses variantes existent dans les procédures d'activation d'un système à un autre. Il est important que les membres d'équipage connaissent leurs espaces, systèmes et procédures d'activation protégésNote de bas de page 41. »
La section 6 du manuel portait sur l’équipement de protection individuelle pour la lutte contre les incendies. Elle contenait des règlements concernant les tenues de lutte contre les incendies, mais aucune information sur la façon dont ces tenues devaient être revêtues et retirées.
La section 5 du manuel renvoyait au plan de lutte contre les incendies du Tecumseh pour indiquer l’emplacement des ARA. Le plan de lutte contre les incendies avait été révisé la dernière fois en 2012. Au moment de l’événement à l’étude, l’emplacement de l’équipement de lutte contre les incendies indiqué dans le plan ne reflétait pas exactement ce qui se trouvait à bord. Par exemple, il y avait 2 ARA à bord, contre 4 selon le plan de lutte contre les incendies. De même, l’emplacement des réservoirs de mousse et de l’applicateur n’était pas indiqué dans le plan de lutte contre les incendies.
1.17.1.3 Rôle d’appel
Le Règlement sur les exercices d’incendie et d’embarcationNote de bas de page 42 précise quels renseignements doivent figurer dans le rôle d’appel d’un navire. Le rôle d’appel doit, entre autres, comprendre une description des fonctions particulières (p. ex., relativement à l’équipement et aux installations de lutte contre les incendies ou à la fermeture des portes étanches, des portes coupe-feu, des vannes, etc.) qui doivent être exécutées par chaque membre d’équipage si le signal d’alarme générale en cas d’urgence ou le signal d’alarme-incendie est déclenché. Le rôle d’appel doit également désigner des remplaçants pour les personnes qui occupent des postes clés.
Le rôle d’appel du Tecumseh définissait les règles générales en cas d’urgence, les signaux d’urgence, les postes de rassemblement et les équipes d’urgence (annexe C). Il comprenait un énoncé général indiquant que le chef d’équipe assignerait des fonctions aux membres de l’équipe selon leurs capacités et serait responsable de l’exécution des fonctions de l’équipe. Le rôle d’appel était intentionnellement vague pour permettre au capitaine et au capitaine en second d’assigner des tâches aux membres d’équipage en fonction de leur expérience et de leur familiarité avec les secteurs du navire touchés par une urgence donnée. En conséquence toutefois, le rôle d’appel n’indiquait pas quels membres d’équipage devaient effectuer certaines tâches; par exemple, aucun membre d’équipage en particulier n’était chargé de fermer les registres coupe-feu de la ventilation et autres ouvertures en cas d’incendie.
Il n’indiquait pas non plus les postes de rassemblement de rechange ni les remplaçants pour les personnes clés dans le cas où celles-ci ne pourraient pas agir. L’assistant mécanicien, le cadet en mécanique et le cadet de pont figuraient dans 2 équipes différentes, et les cadets étaient chacun assignés à 2 postes de rassemblement. Selon le rôle d’appel, 2 des matelots étaient chargés d’apporter les tenues de lutte contre les incendies, mais le rôle d’appel ne précisait pas qui devait les revêtir.
En outre, les matelots étaient affectés à une équipe d’urgence, mais ne détenaient pas de certificats de formation FUM. Selon la réglementation canadienne, chaque personne affectée à une équipe de lutte contre les incendies doit détenir un certificat de formation FUMNote de bas de page 43.
1.17.2 État de préparation de l’équipage à la lutte contre les incendies
La préparation à la lutte contre les incendies nécessite une formation adéquate de l’équipage ainsi que des exercices réguliers et réalistes.
Les compétences et les connaissances acquises par les personnes, de même que l’éducation et la formation, sont des facteurs qui ont une incidence sur la conscience situationnelle. La conscience situationnelle est la capacité d’une personne à savoir et à comprendre ce qui se passe autour d’elle. Elle est à la base de la compréhension d’une situation à mesure qu’elle déroule. Cette compréhension a une incidence directe sur les décisions. Par conséquent, si la compréhension est fondée sur des informations et des connaissances erronées ou incomplètes, les décisions prises ultérieurement peuvent être inappropriées.
1.17.2.1 Formation aux fonctions d’urgence en mer
Tous les membres d’équipage qui figuraient dans le document sur l’effectif de sécuritéNote de bas de page 44 devaient être formés aux FUM. Un des objectifs de la formation FUM est de fournir, au moyen de cours approuvés, une formation sur les compétences essentielles pour contrôler les opérations de lutte contre les incendies à bord. En 2010, l’Organisation maritime internationale (OMI) a déterminé que certains cours qui ont une incidence sur la sécurité et la survie de l’équipage nécessitent une formation de rappel périodiqueNote de bas de page 45. Toutefois, en raison de la catégorie de voyage, il n’était pas obligatoire pour l’équipage du Tecumseh de suivre une formation périodiqueNote de bas de page 46.
1.17.2.2 Familiarisation
Aux termes de la réglementation, tous les membres d’équipage doivent recevoir une formation de familiarisation à bord du navire avant d’entrer en fonctionNote de bas de page 47.
Les membres d’équipage doivent notamment se familiariser avec :
- l’emplacement et le fonctionnement des systèmes fixes de lutte contre les incendies;
- les types d’extincteurs portatifs, leur utilisation et leurs limites;
- les pratiques de sécurité générales à bord;
- le lieu et la nature de tout danger particulier à bord.
Le manuel du SGS du Tecumseh précisait que chaque nouveau membre d’équipage devait se familiariser avec le navire et son équipement de sécurité ainsi qu’avec les tâches qu’il devrait effectuer en cas d’urgenceNote de bas de page 48.
Dans le cas de l’équipage de pont et de cuisine du Tecumseh, la formation de familiarisation avec le navire était donnée par le second officier. Pour l’ensemble de l’équipage de la salle des machines, la formation de familiarisation était donnée par le troisième mécanicien. LLT avait pour politique que tous les membres d’équipage qui sont nouveaux ou qui reviennent après une absence devaient suivre une séance d’orientation sur le navire au début de la saison de navigation ou lorsqu’ils embarquaient sur le navire pour la première fois. Les nouveaux membres d’équipage devaient suivre cette séance dans les 24 heures suivant l’embarquement, et le capitaine devait confirmer par une signature qu’ils l’avaient fait. Des dossiers étaient tenus sur la passerelle.
1.17.2.3 Exercices d’incendie
Des exercices fréquents peuvent faciliter la récupération des connaissances procédurales et aider à la prise de décisions, en particulier dans les situations d’urgence où le stress et le manque de temps réduisent les ressources cognitives disponibles.
Aux termes du Règlement sur les exercices d’incendie et d’embarcationNote de bas de page 49, le Tecumseh devait tenir des exercices d’incendie au moins une fois par mois. Les exercices d’incendie doivent permettre aux membres d’équipage de s’exercer à effectuer les procédures à suivre en cas d’urgence et doivent aborder l’emplacement, l’utilisation et le fonctionnement de l’équipement de protection contre l’incendie et des autres équipements d’urgence à bord.
Le capitaine était tenu d’élaborer des exercices qui englobaient différents scénarios d’urgence comportant des menaces de diverses natures. Lors d’un exercice d’incendie, les membres d’équipage devaient s’exercer à vérifier et à utiliser l’équipement de lutte contre les incendies. L’équipage devait se familiariser avec la façon de fermer les registres coupe-feu pertinents, les entrées et sorties principales des systèmes de ventilation, les portes coupe-feu, les vannes, les dalots, les écoutilles latérales, les lanterneaux, les hublots et autres ouvertures similaires du navire. Enfin, lors des exercices d’incendie, l’équipage devait inspecter et faire fonctionner la pompe à incendie ou la pompe à incendie de secours, ainsi qu’inspecter et tester le fonctionnement du système de détection et d’alarme-incendieNote de bas de page 50.
Les exercices d’incendie à bord du Tecumseh comprenaient généralement aussi un exercice d’embarcation et comportaient les étapes suivantes :
- déclencher l’alarme générale;
- rassembler l’équipage;
- signaler l’emplacement prédéterminé de l’incendie à la passerelle;
- simuler la fermeture des ventilateurs et des registres coupe-feu de la zone touchée;
- simuler la coupure de l’alimentation électrique de la zone touchée;
- démarrer la pompe à incendie de secours;
- simuler le refroidissement des cloisonnements;
- faire revêtir la tenue de lutte contre les incendies par 2 membres de l’équipage;
- pénétrer dans la zone touchée et éteindre l’incendie;
- rassembler les membres d’équipage aux postes des embarcations de sauvetage et passer en revue le mode de déploiement des embarcations de sauvetage;
- passer en revue tous les signaux d’urgence.
Dans certains cas, les procédures d’utilisation des systèmes fixes d’extinction d’incendie étaient également examinées.
LLT avait fourni des directives générales qui suggéraient des scénarios pour les exercices mensuels d’embarcation et d’incendie. Ces scénarios comprenaient un incendie dans la salle des machines, un incendie dans les emménagements, un incendie de la cargaison, un incendie électrique et un incendie d’huile hydraulique. En 2019, les dossiers d’exercice du Tecumseh indiquaient que l’équipage effectuait des exercices tous les mois, conformément aux exigences. Le dernier exercice d’incendie avant l’événement à l’étude avait eu lieu le 21 novembre et portait sur un incendie dans la salle de la génératrice de secours. Les notes indiquaient que la pompe d’incendie de secours avait été vérifiée en effectuant un test de pression sur les boyaux avant et arrière, et que tout l’équipement était en bon état de fonctionnement. Les dossiers des exercices d’embarcation et d’incendie n’indiquaient pas quels membres d’équipage s’étaient exercés à enfiler et enlever les tenues de lutte contre les incendies.
1.17.3 Suivi de l’entretien
Le Tecumseh utilisait Ulysses, le système d’entretien planifié de l’entreprise, pour assurer le suivi et tenir des registres en ce qui concerne les travaux d’inspection et d’entretien requis. Bien qu’Ulysses comprenait également un module pour les entretiens et les réparations non planifiés, le suivi de la plupart de ces activités était effectué en dehors du système.
À bord, des registres étaient tenus dans une feuille de calcul (p. ex., les registres d’entretien et d’autres rapports liés aux fuites et aux défaillances des tuyaux souples de carburant et à leur remplacement) et sur papier (p. ex., la température des gaz d’échappement et les résultats des essais de compression). Le BST n’a pas eu accès à ces registres au moment de l’enquête, car ils ont été détruits dans l’incendie. Il n’existait aucune copie de sauvegarde, ni à bord ni à terre.
Les notes de transfert échangées entre les chefs mécaniciens et les deuxièmes mécaniciens de novembre 2018 jusqu’au moment de l’événement à l’étude contenaient plusieurs mentions de fuites et de défaillances de tuyaux souples de carburant, et indiquaient le remplacement d’au moins 4 tuyaux souples.
1.17.4 Signalement de situations dangereuses
Les entreprises dont les activités sont régies par le Code ISM sont tenues d’établir une procédure systématique pour signaler toutes les situations dangereuses. Ces signalements font ensuite l’objet d’enquêtes et d’analyses qui mettent l’accent sur la sécurité et la prévention de la pollution. L’analyse doit aider l’entreprise à décider des mesures appropriées à prendre et doit indiquer les dangers potentiels, leur gravité et leur probabilité, les niveaux de risque connexes et des mesures supplémentaires d’atténuation des risques pour poursuivre les activités, et doit comprendre une réévaluation pour confirmer que les risques qui subsistent se situent dans des limites acceptables.
L’entreprise avait une politique officielle, intitulée [traduction] « Notification et analyse des irrégularités, des accidents et des incidents dangereux », stipulant que les incidents évités de justesse et les dangers doivent être inscrits dans le journal de diligence raisonnable. La politique précise également que tous les incidents évités de justesse liés à une situation ou un événement non désiré ou non intentionnel qui, dans des circonstances légèrement différentes, auraient pu entraîner un incident doivent être signalés. Enfin, elle établit que les incidents évités de justesse ne se limitent pas à d’éventuelles blessures; ils comprennent également les événements potentiels liés à la navigation ou à l’environnement ainsi que les dommages matériels.
Tous les rapports sur les incidents évités de justesse ou les risques sont transmis au directeur de la santé, de la sécurité et de l’environnement aux fins d’examen interne par l’entreprise.
Le journal de diligence raisonnable était utilisé à bord du Tecumseh. Il ne s’y trouvait aucun signalement des défaillances récurrentes des tuyaux souples de carburant des moteurs principaux.
1.17.5 Vérifications externes et internes
Le Code ISM exige que des vérifications internes et externes soient menées. Les vérifications internes annuelles du Tecumseh étaient effectuées par l’entreprise. Les vérifications externes étaient effectuées par l’American Bureau of Shipping, qui a délivré le document de conformité volontaire à l’entreprise et le certificat de gestion de la sécurité volontaire du navire.
Lors de la réunion de conclusion de la vérification en vue du renouvellement du certificat de gestion de la sécurité du Tecumseh, menée par l’American Bureau of Shipping en janvier 2019, aucune non-conformité n’a été constatée et aucune observation n’a été notée.
1.18 Inspections obligatoires déléguées
La classification des navires permet de s’assurer qu’un navire respecte un ensemble de règles relatives à la construction et à l’inspection établies par une société de classification. Les règles énoncent des normes concernant la résistance structurale de la coque et des appendices des navires et le caractère adéquat des systèmes de propulsion et de gouverne, de l’alimentation électrique, des systèmes auxiliaires et d’autres composants. Un navire qui répond aux exigences de sa classe se voit délivrer un certificat de classification et est inscrit dans le registre des navires de la société de classification. Le certificat de classification doit être renouvelé chaque année. Le Tecumseh était classé au Lloyd’s Register.
Dans le cadre de son Programme de délégation des inspections obligatoires, TC autorise les sociétés de classification reconnues à effectuer les inspections exigées par la Loi de 2001 sur la marine marchande du Canada et à délivrer certains documents maritimes canadiens aux navires participants. Une fois qu’elles ont obtenu l’autorisation de TC, ces sociétés de classification sont connues sous le nom d’organismes reconnus (OR). La société Lloyd’s Register était l’OR pour le Tecumseh.
Le 21 novembre 2019, Lloyd’s Register avait réalisé une inspection du navire afin de renouveler le certificat de classification du navire, de même que son certificat de ligne de charge et son certificat d’inspection annuel pour le compte de TC. À la suite de cette inspection, l’expert maritime a consigné que les lacunes relevées lors d’une inspection antérieure, en 2018, avaient été réglées et il a renouvelé les certificats. Afin de renouveler un certificat pour le compte de TC, l’expert maritime a pour instruction de réaliser une inspection, accompagnée de vérifications, d’examens ou d’essais au besoin, sur la structure, les machines et l’équipement en vue de s’assurer que les exigences pertinentes pour le certificat en question sont respectées et que le navire est dans un état satisfaisant et apte au service prévu. Une lacune a été consignée à la suite de l’inspection de novembre 2019 [traduction] : « les fonds de la salle des machines doivent être nettoyées avant le 5 décembre 2019 ».
Lorsque le BST est monté à bord du Tecumseh après l’événement, un certain nombre de lacunesNote de bas de page 51 qui n’avaient pas été consignées dans le rapport d’inspection de novembre 2019 ont été relevées :
- Des signes montraient que l’ouverture de service du compartiment de la pompe à incendie de secours était restée mal fermée pendant une longue période.
- De multiples traversées de pont pour câbles entre la salle des machines et le pont de la salle de commande des machines n’étaient pas scellées.
- Les poignées de verrouillage étaient absentes sur certains volets de ventilation.
- Certaines portes de type A dans les emménagements n’étaient pas étanches aux gaz.
- Le capuchon d’entrée d’air de combustion sur la génératrice d’urgence était perforé par la corrosion.
- La tuyauterie pour le démarrage hydraulique sur la génératrice d’urgence présentait de nombreuses fuites, qui s’écoulaient dans des contenants temporaires et sur des tampons absorbants pour huile.
- La cloison à l’arrière des emménagements sur le pont B était percée par la corrosion.
Fait établi : Autre
Au cours de son enquête, le BST a relevé un certain nombre de lacunes à bord du Tecumseh qui n’avaient pas été consignées dans le rapport d’une inspection que l’organisme reconnu avait effectuée moins d’un mois avant l’événement.
1.19 Enregistreur des données du voyage
Un enregistreur des données du voyage (VDR) enregistre et sauvegarde des renseignements et des paramètres essentiels relatifs au voyage. Les données objectives du VDR sont précieuses pour les enquêteurs lorsqu’ils tentent de comprendre une séquence d’événements et de cerner des problèmes opérationnels et des enjeux relatifs aux facteurs humains.
Un VDR enregistre continuellement des données comme l’heure, l’environnement sonore sur la passerelle, les alarmes, les communications par radiotéléphone VHF, le cap et la vitesse du navire, les données du compas gyroscopique, les données radar, les données de l’échosondeur, la vitesse et la direction des vents, les ordres transmis à la barre et aux machines ainsi que les réponses à ces ordres. Pour que les données soient récupérables, le bouton de sauvegarde du VDR doit être activé après un événement.
Selon le Règlement sur les enregistreurs des données du voyageNote de bas de page 52, le Tecumseh n’était pas tenu d’être équipé d’un VDR. Au moment de l’événement à l’étude, le Tecumseh n’avait pas de VDR à bord.
Le BST a enquêté sur un certain nombre d’événements au cours desquels l’absence de VDR a limité l’information disponible pour l’enquêteNote de bas de page 53.
1.20 Événements antérieurs
De 2009 à 2019, au moins 422 événements signalés au BST concernaient des incendies sur des navires, dont 153 étaient des incendies dans la salle des machines.
Le 23 janvier 2020, un incendie s’est déclaré à bord du Newfoundland Lynx, dans la salle du sauna. L’équipage a réussi à éteindre l’incendie. Lorsque le navire est retourné au quai, le personnel des services d’incendie locaux est monté à bord pour s’assurer que l’incendie était éteint. L’enquête du BST a déterminé que l’équipement de lutte contre les incendies, les procédures et les exercices d’incendie du navire étaient inadéquatsNote de bas de page 54.
Le 31 janvier 2018, un incendie s’est déclaré dans la salle des machines du porte-conteneurs MOL Prestige alors que le navire se trouvait au large de Haida Gwaii (Colombie-Britannique). Au moment de l’événement, il y avait 22 membres d’équipage et 1 surnuméraire à bord. L’incendie a fini par être éteint. Cinq membres d’équipage ont été grièvement blessés. L’enquête du BST a déterminé que l’incendie avait été causé par des problèmes liés à l’entretien dans la salle des machines du MOL PrestigeNote de bas de page 55.
Le 11 août 2001, alors qu’il descendait le canal Welland à Allanburg (Ontario), le vraquier Windoc a été heurté par la travée levante d’un pont qui s’abaissait. La timonerie et la cheminée du navire ont été détruites. Le navire a dérivé vers l’aval, a pris feu, s’est échoué et a par la suite été déclaré perte totale. L’accident n’a fait ni blessé grave ni pollution. L’enquête du BST a déterminé que le manque de formation et d’expérience du service d’incendie dans la lutte contre les incendies à bord de navires, le fait que les pompiers et pompières ne disposaient pas de l’équipement nécessaire pour parvenir au navire et l’impossibilité d’accéder au plan de lutte contre les incendies ont gêné les interventionsNote de bas de page 56.
Le 19 mars 2000, le Judy Litrico (aujourd’hui le Tecumseh) a connu un événement similaire d’incendie dans la salle des machines. Le système fixe d’extinction d’incendie au CO2 a été activé, et le feu a été éteint avec succès. L’enquête qui a suivi a révélé qu’un tuyau d’alimentation en carburant du cylindre no 8 du moteur principal bâbord s’était rompu. Le rapport indiquait que la défaillance avait « très probablement été provoquée par les vibrations causées par les moteurs principauxNote de bas de page 57 ».
1.21 Avis de sécurité et recommandation antérieurs du BST
Des enquêtes antérieures du BST ont relevé des problèmes liés à la formation et à l’état de préparation des services d’incendie à terreNote de bas de page 58. Le BST a constaté que certains ports et havres canadiens semblaient ne pas disposer des installations et des ressources nécessaires pour maîtriser efficacement les incendies à bord de navires qui se produisent sur leur territoire. Le BST a également constaté que bon nombre des services d’incendie municipaux auxquels les ports faisaient appel pour lutter contre des incendies ne disposaient pas de personnel formé pour combattre les incendies à bord de navires.
En 1996, après un incendie à bord du vraquier auto-déchargeur Ambassador, le Bureau a recommandé que
le ministère des Transports, en collaboration avec les administrations locales des ports et havres, prenne des mesures afin de s’assurer que les services d’incendie externes qui peuvent être appelés à prêter assistance pour combattre un incendie à bord d’un navire reçoivent une formation appropriée.
Recommandation M96-07 du BSTNote de bas de page 59
À la suite de cette recommandation, l’Association canadienne des chefs de pompiers (ACCP), avec l’aide de TC, a fait circuler un court questionnaire visant à évaluer les capacités des services d’incendie municipaux responsables de la lutte contre les incendies dans les ports canadiens.
En février 1998, à la lumière des informations préliminaires recueillies dans le cadre d’une enquête subséquente sur une explosion et un incendie à bord du pétrolier Petrolab, le BST a émis l’avis de sécurité maritime 03/98 à l’intention de TC et de l’ACCP. L’avis enjoignait TC et l’ACCP à accélérer leur vérification de sécurité et leur examen des risques et des mesures d’urgence dans les ports et les havres du Canada où il y a des terminaux pétroliers, et là où il y a des installations qui pourraient subir des dommages catastrophiques s’il y avait un incendie à bord d’un navire à quai.
En juillet 1998, l’ACCP n’avait reçu qu’un nombre limité de réponses au questionnaire du sondage. Cependant, l’ACCP a estimé que le questionnaire fournissait assez d’information pour soulever des inquiétudes quant au fait que les services d’incendie de municipalités dotées de ports publics ne seraient pas nécessairement en mesure de fournir les services nécessaires en cas d’incendie à bord d’un navire. L’ACCP a fait savoir qu’elle était intéressée à travailler de concert avec TC pour faire des recherches plus poussées dans ce domaine.
Après un incendie à bord du vraquier Windoc, en août 2001, ayant entraîné la perte totale du navire, le BST a déterminé que, entre autres facteurs, le manque de formation et d’expérience des services d’incendie municipaux en ce qui concerne la lutte contre les incendies de navire avait entravé la lutte contre l’incendie.
Lorsque la recommandation M96-07 a été émise en 1996, TC était l’organisme de réglementation de la plupart des ports du Canada, mais avait commencé à céder la propriété et l’exploitation des installations portuaires à des parties intéressées. En 1988, le contrôle de 18 ports a été transféré à des administrations portuaires canadiennes (APC) individuellesNote de bas de page 60, qui sont exploitées indépendamment du gouvernement fédéral. Même si les APC sont régies par la législation fédérale, elles sont exploitées à titre d’entités commerciales autonomes sans financement fédéral, et elles sont indépendantes de TC. Depuis lors, la responsabilité de l’exploitation des ports, y compris la responsabilité des moyens terrestres de lutte contre les incendies, a été transférée aux administrations portuaires individuelles. Certaines APC ont pris des mesures pour améliorer les capacités d’intervention des services d’incendie à terre, mais d’autres ne l’ont pas encore fait. Par exemple, le BST a déterminé en 2016 que seulement 7 des 18 APC avaient des pompiers et pompières formés à la lutte contre les incendies à bord de navires.
Bien que la recommandation M96-07 ait été close en mars 2016, l’évaluation finale par le Bureau de la réponse à la recommandation était « en partie satisfaisante ». Dans son évaluation, le Bureau a noté que la lacune de sécurité subsistait dans certains ports. Le Bureau a également noté que la responsabilité de la lutte contre les incendies incombe désormais à chaque administration portuaire et qu’il tiendrait compte, dans ses prochaines enquêtes, de l’efficacité des interventions des ports en cas d’incendie à bord d’un navire.
En mars 2002, le BST a envoyé à TC l’Avis de sécurité maritime 05-02, dans lequel il soulignait les risques persistants que posent les écarts dans l’état de préparation des services d’incendie à terre en cas d’incendies à bord de navires. L’avis suggérait également que TC, en collaboration avec les organismes fédéraux, provinciaux et municipaux, prenne d’autres mesures pour s’assurer que les pompiers et pompières des municipalités adjacentes aux installations portuaires et aux voies maritimes du Canada ont la formation et l’équipement nécessaires pour intervenir efficacement en cas d’incendies à bord de navires.
1.22 Liste de surveillance du BST
La Liste de surveillance du BST énumère les principaux enjeux de sécurité qu’il faut s’employer à régler pour rendre le système de transport canadien encore plus sûr.
La gestion de la sécurité et la surveillance réglementaire figurent sur la Liste de surveillance 2022.
Comme le démontre l’événement à l’étude, même lorsqu’un SGS est mis en œuvre, les processus officiels ne sont pas toujours suivis, de sorte que les dangers ou les risques liés à certains aspects des activités d’un navire peuvent ne pas être détectés. De plus, dans l’événement à l’étude, les procédures d’urgence relatives à la lutte contre les incendies présentaient des lacunes.
MESURES À PRENDRE La gestion de la sécurité restera sur la Liste de surveillance du secteur de transport maritime jusqu’à ce que :
|
TC avait délégué les inspections obligatoires du Tecumseh à un OR. Moins d’un mois avant l’événement à l’étude, l’OR avait effectué une inspection obligatoire et avait délivré des documents maritimes canadiens, dont un certificat d’inspection. L’inspection de l’OR n’avait signalé que des problèmes de sécurité mineurs sur le navire. Toutefois, après l’événement, l’enquête du BST a permis de constater 7 lacunes qui n’avaient pas été consignées dans le rapport d’inspection de l’OR.
MESURES À PRENDRE La surveillance réglementaire restera sur la Liste de surveillance du secteur de transport maritime jusqu’à ce que TC assure une plus grande surveillance des processus d’inspection des navires commerciaux en démontrant que sa supervision et sa surveillance sont efficaces pour veiller à ce que les représentants autorisés et les organismes reconnus respectent les exigences réglementaires. |
1.23 Rapports de laboratoire du BST
Le BST a produit le rapport de laboratoire suivant dans le cadre de la présente enquête :
- LP 088 2020 – Engine Fire Examination [examen de l’incendie du moteur]
2.0 Analyse
L’enquête a permis de déterminer que l’incendie à bord du Tecumseh a pris naissance sur le moteur principal bâbord après qu’un ensemble de tuyau souple de carburant alimentant le moteur principal s’est rompu. L’analyse portera sur l’entretien de la salle des machines, l’efficacité de la protection structurale contre l’incendie et de l’équipement d’urgence du navire, et la décision de rentrer dans la salle des machines après que l’incendie eut été initialement éteint par le système fixe d’extinction au dioxyde de carbone (CO2). L’analyse portera également sur le système de gestion de la sécurité (SGS) de Lower Lakes Towing Ltd. (LLT), l’intervention de ressources externes pendant l’incendie et la valeur des enregistreurs des données du voyage (VDR).
2.1 Entretien de la salle des machines
Compte tenu de la fonction critique des systèmes de propulsion, il est essentiel, pour la sécurité d’un navire et de son équipage, de veiller à ce que les équipements et systèmes de la salle des machines soient bien entretenus et que les pratiques en vigueur dans la salle des machines minimisent les risques. La défaillance des moteurs ou d’autres machines ou composants de la salle des machines peut présenter des risques importants pour la sécurité et, dans certains cas, créer des risques d’incendie si cette défaillance se produit à proximité de sources d’inflammation ou de matériaux inflammables.
L’enquête a permis de cerner de nombreux enjeux liés à l’état des moteurs principaux du Tecumseh. En 2019, avant l’événement à l’étude, les 2 moteurs principaux avaient des problèmes persistants liés à des fuites et des défaillances des tuyaux d’approvisionnement en carburant et de retour de carburant, à l’efficacité du turbocompresseur et à des défaillances de la tuyauterie rigide du circuit de carburant, entre autres. Il y avait en outre eu défaillance de 3 cylindres et d’une rampe de distribution de carburant. La soupape de régulation de la contre-pression du système d’alimentation en carburant ne fonctionnait plus de façon automatique, ce qui engendrait des impulsions de pression dans le système d’alimentation. Après l’événement, on a constaté que les positions de référence des index des crémaillères d’injection des moteurs principaux bâbord et tribord avaient été ajustées à des valeurs dépassant les réglages recommandés par le fabricant, afin de minimiser l’incidence de différences dans les pressions aux cylindres et les températures des gaz d’échappement maximales. Enfin, on a noté que les moteurs du même modèle que ceux installés sur le Tecumseh avaient des antécédents de problèmes liés aux vibrations, susceptibles de raccourcir la durée de vie du train d’engrenages et d’engendrer des fuites au moteur et une fatigue des composants.
L’ensemble de tuyau souple qui s’est rompu dans l’événement à l’étude était d’origine inconnue. Par conséquent, il n’y avait aucun moyen de savoir :
- qui avait fabriqué l’ensemble de tuyau d’alimentation en carburant et s’il s’agissait d’une personne ou d’une entreprise qualifiée;
- quand l’ensemble de tuyau d’alimentation en carburant avait été fabriqué à l’origine et quel était sa durée de vie utile;
- si les matériaux utilisés pour fabriquer le tuyau d’alimentation en carburant étaient neufs ou usagés;
- si l’ensemble de tuyau d’alimentation en carburant répondait aux normes pertinentes pour ce système d’alimentation en carburant.
Sans ces renseignements, il n’a pas été possible de déterminer si l’intégrité de l’ensemble de tuyau d’approvisionnement en carburant était adéquate pour la fonction essentielle à la sécurité qu’il devait assurer.
Un SGS rigoureux, des inspections et des vérifications sont des moyens de défense potentiels pour atténuer le risque d’utilisation de composants non conformes aux normes dans des applications essentielles à la sécurité. Un SGS peut contenir des exigences de documentation en ce qui concerne l’origine d’un composant, des exigences de mise à l’essai pour garantir que le composant est adéquat pour la fonction qu’il doit remplir, et des calendriers d’inspection et d’entretien visant à garantir l’intégrité du composant lorsqu’il est utilisé.
L’enquête a permis de déterminer que le SGS n’offrait aucune ligne directrice concernant la documentation, la mise à l’essai ou les calendriers d’inspection et d’entretien en vue de garantir que les ensembles de tuyaux d’alimentation en carburant des moteurs principaux présentaient une intégrité adéquate et demeuraient en état de fonctionner. L’enquête a également permis de déterminer que même si la société Lloyd’s Register avait réalisé une évaluation de classification du navire 24 jours avant l’événement à l’étude, aucun problème touchant les ensembles de tuyaux d’alimentation en carburant n’avait été relevé, malgré une règle de classe exigeant que ces ensembles fassent l’objet d’essais sous forme de prototype.
Fait établi sur les causes et les facteurs contributifs
Un ensemble de tuyau d’alimentation en carburant d’origine et d’intégrité inconnues s’est rompu sur le moteur principal bâbord, ce qui a permis à du carburant de gicler sur des sources locales d’inflammation et a mené à l’incendie.
Bien que le Tecumseh disposait d’un système d’entretien planifié informatisé pour assurer le suivi des calendriers d’entretien et surveiller le rendement de l’équipement, les registres de surveillance périodique du rendement des moteurs principaux étaient incomplets. L’équipage de la salle des machines avait consigné divers problèmes techniques liés au moteur dans la documentation à bord du navire. Avec les ressources limitées dont il disposait, il avait tenté de les corriger. Dans certains cas, il avait demandé de l’aide pour des réparations. Dans d’autres cas, il avait mis au point des solutions de contournement. Certaines des demandes d’aide terrestre à l’entretien étaient demeurées sans réponse, et les problèmes d’entretien n’avaient donc pas été résolus.
Fait établi quant aux risques
Si l’entretien du navire et la surveillance des machines ne permettent pas de s’assurer que le système de propulsion reste fiable, il y a un risque que surviennent des dommages au navire et à l’environnement et des blessures au personnel en cas de défaillance.
2.2 Efficacité de la protection structurale contre l’incendie et de l’équipement d’urgence
Étant donné que les incendies à bord de navires peuvent menacer la vie et causer de graves dommages au navire et à l’environnement, il est important que la protection structurale contre l’incendie et l’équipement d’urgence à bord soient maintenus en bon état de fonctionnement. Dans le cas présent, l’enquête a permis de repérer des problèmes liés à la protection structurale contre l’incendie du navire (limites de la salle de commande des machines, registres coupe-feu de la ventilation et points d’accès à la salle des machines) et à son équipement de secours (pompe à incendie de secours et génératrice de secours).
2.2.1 Protection structurale contre l’incendie
L’analyse de la propagation de l’incendie indique que le feu a pris naissance dans la zone bâbord avant de la plateforme inférieure, autour du moteur. La tuyauterie rompue d’alimentation en carburant a fait gicler du carburant sur le moteur et des pièces d’échappement chaudes, et le carburant s’est enflammé. Le carburant a giclé sur le moteur pendant environ 5 minutes avant que les moteurs ne soient coupés à partir de la passerelle. L’incendie s’est propagé vers l’arrière en suivant les chemins de câbles passant par des traversées non scellées dans les cloisons et est finalement entré dans la salle de commande des machines. Seules des traces de produit d’étanchéité étaient présentes au moment de l’événement, et il est probable que le produit d’étanchéité avait été enlevé et n’avait pas été remplacé en 2005 lorsque les génératrices auxiliaires et leurs câbles avaient été remplacés par un propriétaire précédent.
Fait établi quant aux causes et aux facteurs contributifs
De multiples traversées de pont pour câbles non scellées entre la salle des machines et le pont de la salle de commande des machines ont permis au feu de se propager jusqu’au tableau de distribution principal de la salle de commande des machines, ce qui a entraîné la destruction complète du local.
En outre, même si l’ouverture de service du compartiment de la pompe à incendie de secours devait être scellée pour assurer la protection structurale contre l’incendie, elle n’était pas correctement boulonnée au moyen du dispositif prévu. Cette ouverture était le moyen le plus rapide pour l’équipage d’accéder au compartiment de la pompe à incendie de secours pour effectuer les inspections et l’entretien courants. Comme l’ouverture de service n’était pas scellée, de la fumée a pénétré dans le compartiment de la pompe à incendie de secours à partir de la salle des machines et a empêché l’équipage d’accéder au compartiment pour résoudre le problème lié à la pompe. Par conséquent, le refroidissement des cloisonnements après la libération du CO2 dans la salle des machines a été retardé de 2 heures parce que la pompe à incendie de secours n’apportait pas d’eau dans la conduite principale d’incendie.
Fait établi quant aux causes et aux facteurs contributifs
Comme l’ouverture de service du compartiment de la pompe à incendie de secours n’était pas adéquatement fermée, de la fumée est entrée dans le compartiment de la pompe à incendie de secours, empêchant l’équipage d’accéder à la pompe pour la réparer. Ainsi, pendant environ 2 heures, l’équipage n’a pas pu utiliser la pompe à incendie pour refroidir les cloisonnements.
La présence de joints d’étanchéité défectueux autour des 4 portes coupe-feu entre l’encaissement de machines et les emménagements a permis la propagation de fumée dans les emménagements. De même, des joints et des dispositifs de fixation défectueux sur les volets et les registres coupe-feu de la ventilation de la salle des machines peuvent avoir permis à de l’air frais de pénétrer dans la salle des machines après la libération du CO2.
Ces problèmes d’intégrité de la protection structurale contre l’incendie ont aggravé l’incendie et ont nui à l’efficacité de l’équipage pendant la lutte contre l’incendie.
2.2.2 Équipement de secours
L’équipement de secours d’un navire, y compris la pompe à incendie de secours et la génératrice de secours, est essentiel lors d’un incendie dans la salle des machines. La pompe à incendie de secours est la seule pompe disponible à l’extérieur de la salle des machines pour alimenter en eau la conduite principale d’incendie et permettre à l’équipage d’éteindre l’incendie et de procéder au refroidissement des cloisonnements. La génératrice de secours est essentielle en cas d’urgence à bord du navire, car elle alimente la pompe à incendie de secours et l’éclairage pour que l’équipage puisse intervenir adéquatement. Transports Canada a reconnu l’importance de conserver des réserves suffisantes dans le réservoir de carburant pour une génératrice de secours et a prescrit une durée de fonctionnement minimale afin de s’assurer que le tableau de distribution de secours est alimenté pendant toute la durée de l’urgence.
2.2.2.1 Génératrice de secours
Sur le Tecumseh, l’espace au-dessus du sommet du réservoir de la génératrice de secours était inférieur à la longueur de la barre de sonde, qui était ainsi difficile à retirer du réservoir. L’équipage avait donc choisi de maintenir le réservoir non scellé. Cette adaptation était une solution au problème posé par la conception encombrante de la barre de sonde. Elle a également mené à une autre adaptation, consistant à garder le réservoir de la génératrice de secours à peine plus qu’à moitié plein, afin d’éviter que le carburant ne se déverse par le tuyau de sonde ouvert.
Pendant la lutte contre l’incendie, après que la génératrice de secours eut fonctionné pendant environ 6 heures, l’équipage a commencé à s’inquiéter du niveau de carburant dans le réservoir. Il était impossible de transférer du carburant du réservoir de carburant de la salle des machines, comme on le faisait d’habitude, en raison du lieu de l’incendie, donc l’équipage a commencé à transférer du carburant à la main à partir du gaillard avant en utilisant des seaux. L’équipage a éprouvé des difficultés à remplir le réservoir au moyen de seaux, mais la génératrice de secours a continué de fonctionner jusqu’à ce que le navire soit amarré au terminal de Morterm Ltd.
2.2.2.2 Pompe d’incendie de secours
Dans l’événement à l’étude, l’enquête n’a pas permis de déterminer pourquoi la pompe d’incendie de secours du Tecumseh n’a pas alimenté en eau la conduite principale d’incendie après qu’on eut appuyé sur son bouton de démarrage à distance. L’équipage ne disposait d’aucun indicateur ni instrument pour déterminer si le moteur de la pompe était en marche, et la pompe n’était ni auto-amorçante ni équipée d’un dispositif d’auto-amorçage. En l’absence d’une méthode d’auto-amorçage, la pompe peut avoir été bloquée par une poche d’air au moment de son démarrage. En effet, de l’air emprisonné dans le corps d’une pompe centrifuge peut empêcher l’eau d’entrer par le côté aspiration, même si la pompe est installée sous la ligne de flottaison du navire. Il est également possible que le contacteur du démarreur électrique de la pompe ne se soit pas enclenché, un problème que l’équipage aurait déjà éprouvé par le passé.
Sans indicateurs d’état et sans rétroaction de position sur le panneau de commande du pont C, l’équipage n’avait aucun moyen de connaître la position des soupapes et l’état de fonctionnement de la pompe sans entrer dans le compartiment, ce qu’il ne pouvait pas faire en raison de l’accumulation de fumée.
Fait établi quant aux risques
Si l’intégrité de la protection structurale contre l’incendie est compromise et l’équipement d’urgence ne fonctionne pas de façon fiable pendant un incendie, il y a un risque que les efforts de prévention, de contrôle et d’extinction d’un incendie soient entravés.
2.3 Décision de rentrer dans la salle des machines
Le CO2 déplace l’air et étouffe l’incendie, mais a des propriétés de refroidissement limitées, alors dans le cadre de la formation aux fonctions d’urgence en mer (FUM)Note de bas de page 61, on enseigne aux participants d’attendre que la température descende en dessous du point d’auto-inflammation (souvent 12 à 24 heures) avant de retourner dans une salle des machines qui a été inondée de CO2.
Dans l’événement à l’étude, après la libération du CO2, on craignait que l’incendie ne se propage en raison de l’état des fonds et des fuites possibles de la canalisation de carburant. Après discussion entre le chef mécanicien, le capitaine et la direction à terre, l’entrée a été approuvée, malgré que le fait de rentrer dans la salle des machines aurait pour conséquence d’introduire de l’air frais dans le compartiment et pourrait rallumer le feu.
Le troisième mécanicien et un assistant mécanicien ont été chargés par le chef mécanicien d’entrer dans la salle des machines. Compte tenu de leur formation FUM et de leur crainte de compromettre l’efficacité du CO2, ils s’y sont opposés. Bien qu’informé de ces préoccupations, le chef mécanicien est resté convaincu qu’il fallait entrer dans la salle des machines. Le souvenir d’un incendie antérieur en salle des machines, au cours duquel on avait pu rentrer dans la salle des machines sans conséquences négatives à peine 2 heures après la libération de CO2, a été un facteur dans la prise de décision du chef mécanicien.
La trappe d’accès à l’appareil à gouverner et une porte ont été ouvertes pendant les 20 minutes qu’a duré la tentative de pénétrer dans la salle des machines et d’atteindre les fonds.
Fait établi quant aux causes et aux facteurs contributifs
Environ 3 heures après la libération du CO2, des membres d’équipage sont entrés dans la salle des machines à partir du compartiment de l’appareil à gouverner, munis d’un tuyau d’incendie sous pression. L’entrée dans la salle des machines a permis à de l’air frais de pénétrer dans le local, ce qui a très probablement rallumé le feu.
En raison de la certification du navire (voyage à proximité du littoral, classe 1, voyages limités en eaux intérieures, classe 1), les membres d’équipage n’étaient pas tenus de suivre une formation d’appoint sur les FUM. Cependant, le risque de faire face à des dangers abordés dans la formation FUM ne diminue pas simplement en fonction de la catégorie du voyage. Lors de l’événement à l’étude, les membres du personnel de gestion à terre et à bord du navire se sont appuyés sur une formation FUM suivie de nombreuses années plus tôt. Leur souvenir de la formation s’était probablement estompé avec le temps et avait été modifié par des expériences ultérieures, tandis que les membres d’équipage qui avaient récemment suivi une formation FUM ont pu reconnaître le risque de rallumage.
Fait établi quant aux risques
Si aucune formation périodique sur les FUM n’est exigée, il y a un risque que les membres d’équipage n’entretiennent pas leurs compétences et ne soient pas au fait des connaissances et des pratiques actuelles en matière de gestion des urgences.
2.4 Systèmes de gestion de la sécurité
La gestion de la sécurité exige de toutes les organisations qu’elles soient conscientes des risques liés à leurs activités et qu’elles gèrent ces risques de manière compétente. Un SGS efficace peut contribuer à faire en sorte que les personnes à tous les niveaux d’un organisme possèdent les connaissances et les outils nécessaires pour gérer les risques efficacement ainsi que l’information nécessaire pour prendre des décisions judicieuses dans toute condition d’exploitation, y compris lors des opérations normales et d’urgence.
2.4.1 Procédures d’urgence en cas d’incendie et formation
Lorsqu’un incendie se déclare à bord d’un navire, une intervention rapide et coordonnée de lutte contre les incendies, menée par des personnes formées et munies de l’équipement approprié, est essentielle pour maîtriser et éteindre le feu. Les procédures d’urgence en cas d’incendie et les documents connexes du SGS propres au navire, comme les listes de vérification d’urgence, aident l’équipage à acquérir une compréhension commune de l’intervention d’urgence, ce qui facilite la coordination des efforts. S’ils ne peuvent pas s’appuyer sur des procédures, les capitaines et les officiers supérieurs doivent réagir à tous les aspects d’une intervention en cas d’incendie pendant que l’urgence se produit.
Alors que des procédures aident à la prise de décision dans une situation d’urgence, les exercices permettent de s’assurer que les mesures essentielles sont prises de manière automatique. Ils permettent de s’exercer à diverses interventions d’urgence et de s’assurer que les membres d’équipage connaissent les équipements d’urgence disponibles, comme le matériel portatif de lutte contre les incendies, ainsi que leur emplacement. La formation et l’exercice sont particulièrement importants, car lors d’un incendie, on dispose de peu de temps pour apprendre à utiliser les équipements de sauvetage et de lutte contre les incendies, et le stress de l’urgence rend plus difficile la remémoration des procédures et des techniques. Plus on effectue d’exercices et de formations, plus les mesures essentielles à prendre en situation d’urgence deviennent automatiques et moins il faut d’interprétation et de décisions, ce qui permet de gagner de précieuses secondes.
Les exercices d’incendie fondés sur des scénarios réalistes sont un exemple du type de pratique qui peut faciliter la remémoration d’informations. En situation d’urgence, les membres d’équipage se fient à des expériences passées pour prendre des décisions rapides; c’est ce qu’on appelle le « modèle décisionnel axé sur la reconnaissance ». Des exercices fréquents, surtout s’ils englobent un large éventail de scénarios, fournissent un bassin d’expériences sur lequel on peut s’appuyer pour intervenir en cas d’urgence. De plus, les séances d’exercice qui comprennent une combinaison de connaissances procédurales (c.-à-d. comment faire) et conceptuelles (c.-à-d. pourquoi le faire)Note de bas de page 62améliorent le maintien des compétences et des connaissances de même que leur transfert à d’autres situations.
Dans l’événement à l’étude, l’enquête a permis de relever les lacunes suivantes du SGS en ce qui concerne l’intervention en cas d’incendie :
- Le manuel de formation à la lutte contre les incendies à bord n’était pas propre au navire, de sorte qu’aucun renseignement spécifique au navire n’était disponible pour la formation sur l’équipement réellement présent à bord, comme le système d’extinction d’incendie au CO2.
- Il n’y avait pas de plan de préparation aux situations d’urgence à bord pour orienter l’équipage dans ses interventions en cas d’incendie, notamment pour déterminer quand fermer les volets et les registres coupe-feu de la ventilation.
- Le plan de lutte contre les incendies n’avait pas été mis à jour de manière à refléter l’état actuel du navire. Par exemple, le plan faisait mention de 4 tenues de lutte contre les incendies au lieu de 2, il ne précisait pas l’emplacement de l’extincteur à mousse et il indiquait à tort que l’ouverture de service du compartiment de la pompe à incendie de secours dans la salle des machines était une porte.
- Les procédures d’urgence en cas d’incendie ne comprenaient pas de mesures de récupération ou de sauvetage pour soutenir l’équipe de lutte contre les incendies, et aucun équipement n’était prévu à cet effet.
- Même si des exercices étaient effectués tous les mois, conformément aux exigences, les scénarios d’exercice de 2019 n’avaient pas simulé un incendie majeur dans la salle des machines semblable à celui de l’événement à l’étude.
- Le rôle d’appel ne comprenait pas de description des fonctions précises assignées à chaque membre d’équipage en cas d’urgence et n’indiquait pas de postes de rassemblement de rechange ni de remplaçants pour les postes clés.
- Certains membres d’équipage ne connaissaient pas suffisamment l’équipement de lutte contre les incendies du navire.
Malgré ces lacunes du SGS, l’équipage du Tecumseh a pris un grand nombre des mesures nécessaires pour lutter efficacement contre l’incendie. Il y a toutefois eu quelques aspects de la lutte contre l’incendie qui ont posé des problèmes. Bien que certains de ces problèmes puissent être directement attribuables aux lacunes susmentionnées du SGS, d’autres ont probablement découlé d’une combinaison de lacunes dans la formation, les instructions et les exercices d’urgence touchant la lutte contre les incendies :
- Le CO2 a été libéré avant que les vannes d’huile et de carburant à fermeture rapide n’aient été fermées et avant que la salle des machines ne soit hermétiquement fermée, ce qui présentait un risque que le système à usage unique ne fonctionne pas comme prévu.
- Lorsque l’équipage est rentré dans la salle des machines, c’était pour vérifier si l’incendie s’était propagé aux fonds et, le cas échéant, épandre de la mousse anti-incendie dans les fonds au moyen des extincteurs à mousse de grande capacité qui se trouvaient dans la salle des machines; toutefois, ces extincteurs contenaient du CO2, pas de la mousse, et ne convenaient pas à une utilisation dans les fonds.
- La décision de rentrer dans la salle des machines reposait sur le souvenir d’une expérience passée plutôt que sur une formation FUM et des exercices récents.
- Certain des registres coupe-feu de le ventilation et certaines des autres ouvertures n’ont pas été fermés rapidement, et il y a eu un léger délai avant que les membres de l’équipage enfilent les tenues de lutte contre les incendies, parce qu’on ne savait pas clairement quels membres de l’équipage étaient responsables de ces tâches.
Fait établi quant aux risques
Si la formation, les instructions et les exercices d’urgence relatifs à la lutte contre les incendies sont inadéquats ou manquants, il y a un risque que l’équipage ne soit pas en mesure de réagir efficacement à un incendie à bord du navire.
2.4.2 Signalement de situations dangereuses
Lorsque les événements dangereux et les incidents évités de justesse sont signalés, les membres d’équipage, la direction à terre et les entrepreneurs peuvent dégager et analyser les tendances, évaluer les dangers et les risques potentiels, prévoir les entretiens et améliorer continuellement la sécurité en vue d’éviter de futurs accidents ou incidents. Le suivi des rapports d’incidents dangereux est exigé par le Code international de gestion de la sécurité (Code ISM).
Bien que le SGS de LLT comprenait un processus de signalement des situations dangereuses, les défaillances répétées des ensembles de tuyaux n’avaient pas été consignées dans les documents de signalement des dangers et des incidents évités de justesse (déclarations du « journal de diligence raisonnable »). Les efforts visant à rectifier les défaillances des ensembles de tuyaux étaient axés sur les lacunes mécaniques plutôt que sur la nature sous-jacente du problème, et la documentation limitée découlant de l’absence d’une tenue de dossier systématique a nui à la capacité de l’entreprise d’analyser les tendances en matière d’entretien et d’effectuer un entretien préventif efficace. En outre, puisque ces défaillances n’étaient pas signalées, il était impossible, lors des vérifications internes et externes, d’évaluer les risques connexes ou de mener une enquête axée sur la sécurité pour déterminer la cause profonde des défaillances.
Fait établi quant aux risques
Si des éléments clés d’un SGS, comme le signalement des non-conformités et l’évaluation des risques connexes, ne sont pas mis en œuvre par les entreprises et les équipages, il y a un risque que la sécurité de l’équipage, du navire et de l’environnement soit compromise.
2.5 Intervention de ressources externes pendant l’incendie
Le système d’extinction d’incendie fixe au CO2 à bord du Tecumseh était un système à usage unique. Une fois qu’il avait été utilisé, il fallait faire appel à une aide externe pour contenir l’incendie.
2.5.1 Soutien de la part du port de Windsor
Les équipages des grands navires commerciaux sont composés d’une douzaine ou plus de gens de mer professionnels dûment formés à la lutte contre les incendies de navires, et les navires sont équipés d’appareils de lutte contre les incendies portatifs et fixes. Toutefois, dans certaines circonstances, ils peuvent avoir besoin d’un soutien à terre pour combattre les incendies à bord. Les incendies à bord de navires dans les ports peuvent également présenter un grave danger pour le port et ses environs.
La plupart des administrations des ports et havres au Canada comptent sur les services d’incendie municipaux pour obtenir un appui dans la lutte contre les incendies. Toutefois, comme l’ont démontré l’événement à l’étude et des événements antérieurs sur lesquels le BST a enquêté, les services d’incendie municipaux ne disposent pas toujours de la formation ou des ressources nécessaires pour lutter contre les incendies à bord de navires. Ainsi, la direction de ces services interdit à son personnel de monter à bord des navires, pour des raisons liées aux exigences de santé et de sécurité au travail.
L’Administration portuaire de Windsor comptait sur les services d’incendie et de secours de Windsor pour obtenir des services de lutte contre les incendies. Toutefois, le personnel de ces services n’avait pas reçu de formation sur la lutte contre les incendies à bord de navires. Par conséquent, les pompiers et pompières à terre ne sont pas montés à bord du navire amarré, mais ont plutôt fourni une assistance et un soutien à terre aux équipes de lutte contre les incendies de T&T Marine Salvage Inc. (l’entrepreneur chargé du sauvetage désigné conformément à la réglementation américaine). Ce soutien comprenait le refroidissement des cloisonnements à partir de la rive, l’approvisionnement en eau des pompiers et pompières à bord et l’utilisation d’un compresseur d’air respirable pour remplir les bouteilles des appareils respiratoires autonomes.
Un raccord international de jonction avec la terre permet de connecter la conduite principale d’incendie à bord à d’autres sources d’eau, même si les normes varient souvent dans le monde selon les navires et les installations portuaires. Les services d’incendie municipaux qui desservent les ports n’ont pas toujours de raccord international de jonction avec la terre pour aider à la lutte contre les incendies à bord de navires. Ni l’Administration portuaire de Windsor ni les services d’incendie et de secours de Windsor n’avaient de raccord international de jonction avec la terre.
Fait établi quant aux risques
Si les services d’incendie à terre censés appuyer les efforts de lutte contre les incendies à bord ne reçoivent pas une formation adéquate et ne disposent pas l’équipement approprié, ils seront limités dans leur capacité à soutenir les membres d’équipage qui combattent les incendies à bord, ce qui exposera l’équipage, le public, des biens et l’environnement à des risques.
2.5.2 Autre soutien
Lors de l’événement à l’étude, puisque le navire de lutte contre les incendies des services d’incendie de Detroit avait été retiré du service pour l’hiver, la Garde côtière américaine et le Centre conjoint de coordination des opérations de sauvetage ont envoyé d’autres petits navires qui pouvaient fournir des services de remorquage et du soutien, mais qui ne pouvaient pas contribuer aux efforts de lutte contre l’incendie. D’autres mesures de soutien à la lutte contre les incendies ont été déployées par T&T Marine Salvage Inc. La première équipe de sauvetage est montée à bord du navire environ 4,5 heures après que le feu se fut rallumé, et la deuxième équipe de sauvetage est arrivée du Texas plus de 3 heures après que le navire eut été remorqué au port de Windsor.
Fait établi quant aux causes et aux facteurs contributifs
En l’absence de ressources à terre locales pour la lutte contre l’incendie, le navire a dû attendre l’arrivée de ressources supplémentaires, faisant que l’incendie a brûlé pendant des heures sans capacité de lutte contre l’incendie à bord.
2.6 Enregistreur des données du voyage
Les données objectives d’un enregistreur des données du voyage (VDR) sont précieuses pour les enquêteurs lorsqu’ils tentent de comprendre une séquence d’événements et de cerner des problèmes opérationnels et des questions relatives aux facteurs humains.
Lors de l’événement à l’étude, le Tecumseh n’avait pas de VDR à bord, et la réglementation n’exigeait pas qu’il en ait un. Par conséquent, les enquêteurs n’ont pas été en mesure de confirmer les ordres donnés aux machines et le moment où les mesures d’intervention d’urgence ont été prises, ni d’obtenir un portrait complet des communications internes et externes.
Fait établi quant aux risques
Si des données d’un enregistreur des données du voyage ne sont pas disponibles pour une enquête, il peut être impossible de cerner et de signaler des lacunes de sécurité en vue de promouvoir la sécurité des transports.
3.0 Faits établis
3.1 Faits établis quant aux causes et aux facteurs contributifs
Il s’agit des conditions, actes ou lacunes de sécurité qui ont causé l’événement ou y ont contribué.
- Un ensemble de tuyau d’alimentation en carburant d’origine et d’intégrité inconnues s’est rompu sur le moteur principal bâbord, ce qui a permis à du carburant de gicler sur des sources locales d’inflammation et a mené à l’incendie.
- De multiples traversées de pont pour câbles non scellées entre la salle des machines et le pont de la salle de commande des machines ont permis au feu de se propager jusqu’au tableau de distribution principal de la salle de commande des machines, ce qui a entraîné la destruction complète du local.
- Comme l’ouverture de service du compartiment de la pompe à incendie de secours n’était pas adéquatement fermée, de la fumée pénétrait dans le compartiment de la pompe à incendie de secours, empêchant l’équipage d’accéder à la pompe pour la réparer. Ainsi, pendant environ 2 heures, l’équipage n’a pas pu utiliser la pompe à incendie pour refroidir les cloisonnements.
- Environ 3 heures après la libération du CO2, des membres d’équipage sont entrés dans la salle des machines à partir du compartiment de l’appareil à gouverner, munis d’un tuyau d’incendie sous pression. L’entrée dans la salle des machines a permis à de l’air frais de pénétrer dans le local, ce qui a très probablement rallumé le feu.
- En l’absence de ressources à terre pour la lutte contre l’incendie, le navire a dû attendre l’arrivée de ressources supplémentaires, faisant que l’incendie a brûlé pendant des heures sans capacité de lutte contre l’incendie à bord.
3.2 Faits établis quant aux risques
Il s’agit des conditions, des actes dangereux, ou des lacunes de sécurité qui n’ont pas été un facteur dans cet événement, mais qui pourraient avoir des conséquences néfastes lors de futurs événements.
- Si l’entretien du navire et la surveillance des machines ne permettent pas de s’assurer que le système de propulsion reste fiable, il y a un risque que surviennent des dommages au navire et à l’environnement et des blessures au personnel en cas de défaillance.
- Si l’intégrité de la protection structurale contre l’incendie est compromise et l’équipement d’urgence ne fonctionne pas de façon fiable pendant un incendie, il y a un risque que les efforts de prévention, de contrôle et d’extinction d’un incendie soient entravés.
- Si aucune formation périodique sur les fonctions d’urgence en mer n’est exigée, il y a un risque que les membres d’équipage ne maintiennent pas leurs compétences et ne soient pas au fait des connaissances et des pratiques actuelles en matière de gestion des urgences.
- Si la formation, les instructions et les exercices d’urgence relatifs à la lutte contre les incendies sont inadéquats ou insuffisants, il y a un risque que l’équipage ne soit pas en mesure de réagir efficacement à un incendie à bord du navire.
- Si des éléments clés d’un système de gestion de la sécurité, comme le signalement des non-conformités et l’évaluation des risques connexes, ne sont pas mis en œuvre par les entreprises et les équipages, il y a un risque que la sécurité de l’équipage, du navire et de l’environnement soit compromise.
- Si les services d’incendie à terre censés appuyer les efforts de lutte contre les incendies à bord ne reçoivent pas une formation adéquate et ne disposent pas de l’équipement approprié, ils seront limités dans leur capacité à soutenir les membres d’équipage qui combattent les incendies à bord, ce qui exposera l’équipage, le public, des biens et l’environnement à des risques.
- Si des données d’un enregistreur des données du voyage ne sont pas disponibles pour une enquête, il peut être impossible de cerner et de signaler des lacunes de sécurité en vue de promouvoir la sécurité des transports.
3.3 Autres faits établis
Ces éléments pourraient permettre d’améliorer la sécurité, de régler une controverse ou de fournir un point de données pour de futures études sur la sécurité.
- L’Organisation maritime internationale a publié une circulaire soulignant les mesures à prendre pour prévenir les incendies dans la salle des machines et l’a envoyée aux États membres afin qu’elle soit distribuée de façon généralisée auprès des intervenants du secteur maritime; toutefois, cette information n’a pas été distribuée au moyen du système de bulletins de la sécurité des navires de Transports Canada.
- Au cours de son enquête, le BST a relevé un certain nombre de lacunes à bord du Tecumseh qui n’avaient pas été consignées dans le rapport d’une inspection que l’organisme reconnu avait effectuée moins d’un mois avant l’événement.
4.0 Mesures de sécurité
4.1 Mesures de sécurité prises
4.1.1 Bureau de la sécurité des transports du Canada
Le 26 juin 2020, le BST a transmis l’Avis de sécurité maritime no 01/20, Capacités de lutte contre les incendies à bord de navires des services d’incendie voisins des ports canadiens, à l’Association des administrations portuaires canadiennes. La lettre soulignait le fait que peu de ports canadiens ont accès à des services d’incendies formés à la lutte contre les incendies de navires et que le manque de formation empêche les pompiers et pompières de monter à bord des navires pour aider à éteindre les incendies. La lettre indiquait également que peu de services d’incendie à terre connaissent l’existence des raccords internationaux de jonction avec la terre. Enfin, la lettre notait que peu d’administrations portuaires canadiennes disposent de plans de préparation aux situations d’urgence pour lutter contre les incendies à bord de navires amarrés aux ports.
4.1.2 Transports Canada
En juin 2022, Transports Canada a commencé à réviser la partie traitant des techniques avancées de lutte contre l’incendie du document actuel TP 4957, Cours de formation aux fonctions d’urgence en mer, afin d’inclure des exigences supplémentaires relatives aux connaissances obligatoires sur la façon d’exercer la surveillance avant d’entrer à nouveau un compartiment après un incendie.
4.1.3 Lower Lakes Towing Ltd.
Lower Lakes Towing Ltd. a pris les mesures de sécurité suivantes :
- Elle a discuté de l’incident avec les officiers supérieurs en mettant l’accent sur les leçons à en tirer.
- Elle a rappelé aux capitaines et aux officiers supérieurs qu’à moins de circonstances exceptionnelles (comme des membres d’équipage manquants que l’on croit être coincés à l’intérieur), une fois le CO2 libéré, aucune tentative de rentrer dans la salle des machines ou autre action susceptible de compromettre l’herméticité de la salle des machines ne doit être faite avant que la température ne descende sous le point d’auto-inflammation.
- Elle a prodigué une formation sur les incidents évités de justesse aux capitaines et aux officiers supérieurs et a insisté sur l’importance de signaler les incidents évités de justesse dans le système de gestion de la sécurité.
- Elle a fourni aux capitaines des données électroniques sur le signalement des incidents évités de justesse, à présenter aux équipages pendant l’armement.
- Elle a changé le logiciel utilisé pour assurer la planification et le suivi de la maintenance.
- Elle a mis en œuvre un nouveau logiciel pour signaler les exercices, les permis de travail, les inspections et les incidents évités de justesse, afin d’améliorer la gestion de la sécurité.
- Elle a nommé pour chaque navire un vérificateur tiers chargé d’examiner le système, les politiques et les procédures de planification de la maintenance, les procédures réglementaires et environnementales et les exigences en matière de formation.
- Elle a augmenté le nombre d’inspections internes et a révisé ses formulaires de vérification afin d’améliorer la qualité des vérifications.
4.2 Préoccupation liée à la sécurité
Le 15 décembre 2019, un incendie s’est déclaré dans la salle des machines du vraquier Tecumseh, alors qu’il naviguait sur la rivière Detroit au large de Windsor (Ontario). Au moment de l’événement, 16 membres d’équipage se trouvaient à bord. Les 2 ancres du navire ont été mouillées, et le système d’extinction d’incendie fixe a été utilisé pour éteindre le feu. L’incendie s’est par la suite rallumé, et le navire a été remorqué jusqu’au port de Windsor, où l’incendie a été éteint le 16 décembre avec l’aide de ressources à terre.
4.2.1 Capacités de lutte contre les incendies des ressources à terre
En 1996, après un incendie à bord du vraquier autodéchargeur Ambassador, le Bureau avait cerné des préoccupations quant à la formation des services d’incendie terrestres. En conséquence, le Bureau a recommandé que
le ministère des Transports, en collaboration avec les administrations locales des ports et havres, prenne des mesures afin de s’assurer que les services d’incendie externes qui peuvent être appelés à prêter assistance pour combattre un incendie à bord d’un navire reçoivent une formation appropriée.
Recommandation M96-07 du BSTNote de bas de page 63
À la suite de cette recommandation, l’Association canadienne des chefs de pompiers (ACCP), avec l’aide de Transports Canada (TC), a fait circuler un court questionnaire visant à évaluer les capacités des services d’incendie municipaux responsables de la lutte contre les incendies dans les ports canadiens.
En février 1998, à la lumière des informations préliminaires recueillies dans le cadre d’une enquête subséquente sur une explosion et un incendie à bord du pétrolier Petrolab, le BST a émis l’avis de sécurité maritime 03/98 à l’intention de TC et de l’ACCP. L’avis enjoignait TC et l’ACCP à accélérer leur vérification de sécurité et leur examen des risques et des mesures d’urgence dans les ports et les havres du Canada où il y a des terminaux pétroliers, et là où il y a des installations qui pourraient subir des dommages catastrophiques s’il y avait un incendie à bord d’un navire à quai.
En juillet 1998, l’ACCP n’avait reçu qu’un nombre limité de réponses au questionnaire du sondage. Cependant, l’ACCP a estimé que le questionnaire fournissait assez d’information pour soulever des inquiétudes quant au fait que les services d’incendie de municipalités dotées de ports publics ne seraient pas nécessairement en mesure de fournir les services nécessaires en cas d’incendie à bord d’un navire. L’ACCP a fait savoir qu’elle était intéressée à travailler de concert avec TC pour faire des recherches plus poussées dans ce domaine.
Après un incendie à bord du vraquier Windoc, en août 2001, ayant entraîné la perte totale du navire, le BST a déterminé que, entre autres facteurs, le manque de formation et d’expérience des services d’incendie municipaux en ce qui concerne la lutte contre les incendies de navire avait entravé la lutte contre l’incendie.
Lorsque la recommandation M96-07 a été émise en 1996, TC était l’organisme de réglementation de la plupart des ports du Canada, mais avait commencé à céder la propriété et l’exploitation des installations portuaires à des parties intéressées. En 1988, le contrôle de 18 ports a été transféré à des administrations portuaires canadiennes (APC) individuellesNote de bas de page 64, qui sont exploitées indépendamment du gouvernement fédéral. Même si les APC sont régies par la Loi maritime du Canada et sa réglementation, elles sont exploitées à titre d’entités commerciales autonomes sans financement fédéral. Depuis lors, la responsabilité de l’exploitation des ports, y compris la responsabilité des moyens terrestres de lutte contre les incendies, a été transférée aux administrations portuaires individuelles.
La recommandation M96-07 a été close en mars 2016, et l’évaluation finale par le Bureau de la réponse à la recommandation était « en partie satisfaisante ». Le Bureau a toutefois noté que la lacune de sécurité subsistait dans certains ports. Le Bureau a également noté que la responsabilité de la lutte contre les incendies incombe désormais à chaque administration portuaire et qu’il tiendrait compte, dans ses prochaines enquêtes, de l’efficacité des interventions des ports en cas d’incendie à bord d’un navire.
L’enquête sur le Tecumseh a révélé des enjeux semblables à ceux soulignés dans la recommandation M96-07, ce qui soulève encore une fois des préoccupations quant à l’état actuel de la formation des services d’incendie à terre. Par exemple, l’enquête a permis de confirmer que le service d’incendie de Windsor ne disposait pas de personnel spécialement formé pour la lutte contre les incendies à bord de navires, et que le service d’incendie de Windsor interviendrait lors d’un incendie à bord d’un navire à quai, mais que ses pompiers et pompières ne seraient pas autorisés à monter à bord du navire ou à y pénétrer. En outre, l’enquête a permis de déterminer que ni le service d’incendie de Windsor, ni l’administration portuaire de Windsor ne disposaient d’un raccord international de jonction avec la terre.
Le 26 juin 2020, le BST a envoyé l’Avis de sécurité maritime 01/20 à l’Association des administrations portuaires canadiennes et au port de Windsor au sujet de la nécessité pour les services d’incendie à terre locaux d’avoir la formation et l’équipement nécessaires pour appuyer les équipages dans la lutte contre les incendies à bord de navires. Dans sa réponse à cette lettre, le Port de Windsor a indiqué, entre autres, qu’il n’était pas tenu de disposer d’un raccord international de jonction avec la terre.
Le Bureau croit que des ressources à terre doivent avoir la formation et l’équipement nécessaires pour intervenir en cas d’incendie majeur sur un navire afin de minimiser les conséquences d’un incendie à l’intérieur d’un port ou d’un havre. Par conséquent, le Bureau s’inquiète du fait que certaines administrations de ports et de havres canadiens peuvent ne pas avoir l’équipement, la formation et les ressources nécessaires pour réagir efficacement à des incendies à bord de navires dans leur zone de compétence, ce qui pourrait se traduire par des incendies qui mettent en danger des équipages, le grand public, des biens et l’environnement. Le Bureau continuera de surveiller cet enjeu pour évaluer la nécessité de prendre d’autres mesures de sécurité.
Le présent rapport conclut l’enquête du Bureau de la sécurité des transports du Canada sur cet événement. Le Bureau a autorisé la publication de ce rapport le . Le rapport a été officiellement publié le .
Annexes
Annexe A – Lieu de l’événement
Source : Carte 14848 de la National Oceanic and Atmospheric Administration, avec annotations du BST; image en médaillon : Google Earth, avec annotations du BST
Annexe B – Texte de la feuille d’instructions plastifiée au poste de libération du CO2 à distance du Tecumseh, sur le pont C (en anglais seulement)
M.V. TECUMSEHCO2 RELEASE
ONCE AGAIN BE SURE ALL OF THE ABOVE ARE COVERED YOU WILL ONLY HAVE ONE SHOT TOPUT OUT THE FIRE
|
Source : Lower Lakes Towing Ltd.






