Rapport d'enquête maritime M17P0098

Bateau partiellement submergé avec pertes de vie
Bateau de pêche sportive à utilisation commerciale BC1329967 (Catatonic)
Tofino (Colombie-Britannique)

Le Bureau de la sécurité des transports du Canada (BST) a enquêté sur cet événement dans le but de promouvoir la sécurité des transports. Le Bureau n’est pas habilité à attribuer ni à déterminer les responsabilités civiles ou pénales. Le présent rapport n’est pas créé pour être utilisé dans le contexte d’une procédure judiciaire, disciplinaire ou autre. Voir Propriété et utilisation du contenu. Les pronoms et les titres de poste masculins peuvent être utilisés pour désigner tous les genres afin de respecter la Loi sur le Bureau canadien d’enquête sur les accidents de transport et de la sécurité des transports (L.C. 1989, ch. 3).

Table des matières

    Résumé

    Le 30 avril 2017, vers 13 h 14, heure avancée du Pacifique, le bateau de pêche sportive Catatonic a pris l'eau et a partiellement coulé près de Tofino (Colombie-Britannique). Le conducteur et les 4 passagers ont été secourus par 2 navires venus à leur aide, puis transportés dans un hôpital local. Le décès de 2 des occupants du bateau a été constaté par la suite. Plus tard, le bateau a été remorqué, vidé de son eau, puis amarré à un quai local à Tofino. Au moment de l'événement, il y avait environ 200 L d’essence à bord du bateau. L’incident a provoqué une pollution légère.

    1.0 Renseignements de base

    1.1 Fiche technique du navire

    Tableau 1. Fiche technique du navire
    Nom du navire Catatonic
    Numéro de permis d'embarcation de plaisance BC1329967
    Port d'immatriculation Nanaimo (Colombie-Britannique)
    Pavillon Canadien
    Type Embarcation de plaisance*
    Jauge brute – assignée 9,99
    Longueur 9,07 m
    Fabricant AussieCat Australia Private Limited (Australie)
    Numéro d'identification de coque (NIC) X0A 270 51. F1. 01
    Construction 2001
    Propulsion 2 moteurs hors-bord Mercury 225
    (2 × 167,9 kW) (2 × 225 HP)
    Membres d'équipage 1
    Passagers 4**
    Propriétaire 1026487 B.C. LTD.

    * Le bateau était immatriculé en tant qu'embarcation de plaisance, mais utilisé comme bateau de pêche sportive à utilisation commerciale.
    ** Le bateau pouvait transporter jusqu'à 6 passagers.

    1.2 Description du navire

    Le Catatonic est un catamaran à double coque en fibre de verre. Le propriétaire-exploitant l'avait acheté en janvier 2015 et l'utilisait pour des activités de pêche sportive (figure 1).

    Figure 1. Le Catatonic
    Image
    Bateau de pêche sportive à utilisation commerciale BC1329967 (Catatonic)

    Il y a un guindeau électrique à la proue. Le poste de conduite du bateau, situé du côté tribord du pont principal, comprend le volant, les commandes de moteur, les panneaux de commutation électrique et électronique, le compas magnétique, un appareil GPS (système de positionnement mondial) et 2 radiotéléphones à très haute fréquence (VHF), dont 1 avec capacité d'appel sélectif numérique (ASN)Note de bas de page 1 .

    Il y a 2 compartiments à la poupe, un de chaque côté (bâbord et tribord) de la porte dans le tableau arrière. Le compartiment de bâbord contient 2 batteries de 12 V, tandis que celui de tribord renferme l'unité de servodirection et un sélecteur à 4 positions pour le circuit de batteries.

    Sous le pont principal, il y a 2 compartiments de flottabilité à la proue et 2 autres à la poupe, à bâbord et à tribord; ils permettent au bateau de se maintenir à flot, à la ligne de flottaison, même lorsque remplis d'eau (annexe A)Note de bas de page 2 . Il y a également sous le pont principal, entre le tableau arrière et l'arrière des emménagements (à l'avant du bateau) 4 compartiments de coqueNote de bas de page 3  : tribord et bâbord avant, tribord et bâbord arrière. Une cloison étanche sépare les compartiments de coque arrière des compartiments de flottabilité arrière.

    La section centrale entre les 2 coques est surélevée. Les compartiments de coque bâbord et tribord sont reliés par un arc semi-circulaire à 0,46 m du fond des compartiments de coque arrière. Il y a un espace d'environ 25 cm de hauteur, du sommet de cet arc jusqu'à la paroi inférieure du pont principal, qui s'étend entre les 2 cloisons étanches et les compartiments de coque.

    Chacun des compartiments de coque arrière contient un vivierNote de bas de page 4 auquel on a accès depuis le pont principal par un panneau d'écoutille non étanche. Les viviers étaient conçus pour être remplis d'eau de mer au moyen d'un tuyau souple reliant le fond du vivier à un robinet d'isolement de prise d'eau de mer. Cela empêche de l'eau embarquant sur le pont d'entrer dans les fonds de cale des compartiments de coque en passant par les viviers. Une gouttière sur le pourtour du panneau d'écoutille, reliée à un tuyau souple, rejette l'eau à la mer par des orifices d'évacuation situés sur la ligne de flottaison à l'extérieur du bateau.

    Le bateau est doté de 2 orifices d'évacuation d'eau de cale, 2 orifices d'évacuation de gouttière de panneau d'écoutille de compartiment de coque à la ligne de flottaison, 2 orifices de prise d'eau de mer/d'évacuation de vivier (bâbord et tribord) et 1 prise d'eau de pompe de lavage du pont. Tous ces orifices étaient recouverts de déflecteurs en coquille, à l'exception de l'orifice de prise d'eau de mer/d'évacuation du vivier tribord situé dans le fonds de la coque (annexe B). La raison d'être exacte de ces déflecteurs est inconnue. Les déflecteurs n'étaient pas étanches.

    Deux câbles électriques passent par des trous percés dans la cloison étanche des compartiments de flottabilité arrière. Ces câbles sont reliés à des feux à diodes électroluminescentes (DEL) installés sur l'extérieur de la carène arrière, de chaque côté du bateau (annexe C).

    Deux réservoirs de carburant, chacun d'une contenance de 280 L, se trouvent dans les compartiments de coque avant, de chaque côté du bateau.

    1.2.1 Pompe de cale

    Le bateau est équipé de 2 pompes de cale, 1 dans chaque compartiment de coque arrière, chacune étant munie d'un interrupteur automatique à flotteur. Deux ensembles de sélecteurs à levier, situés dans le poste de conduite, permettent de faire fonctionner les pompes de cale en mode manuel ou automatique ou de les arrêterNote de bas de page 5 . En mode automatique, l'interrupteur à flotteur met la pompe en marche lorsque l'eau atteint son niveau dans le compartiment de coque, et déclenche une alarme. Lorsque l'eau baisse sous le niveau de l'interrupteur à flotteur, la pompe s'arrête. En mode manuel, la pompe de cale se met en marche et s'arrête lorsque le sélecteur est réglé à la position correspondante. Les 2 pompes ont un indicateur visuel de fonctionnement.

    1.3 Déroulement du voyage

    Le 30 avril 2017, vers 9 h30, heure avancée du PacifiquNote de bas de page 6 , le bateau de pêche sportive Catatonic est parti de Tofino (Colombie-Britannique) avec 1 conducteur et 4 passagers à bord pour se rendre à un lieu de pêche des environs. Peu après le départ, une alarme a retenti. Le conducteur a arrêté le bateau et vérifié les fonds de cale. Aucune anomalie n'a été constatée, et le voyage s'est poursuivi.

    Vers 10 h, le bateau a jeté l'ancre à environ 3 milles marins (nm) au large de Tofino, à un lieu de pêche que le conducteur utilisait fréquemment; le conducteur a coupé les 2 moteurs. Après un certain temps, le conducteur a démarré le moteur de bâbord et les 2 pompes de cale en mode manuel. Le conducteur a remarqué de l'eau sur le pont, provenant de la poupe qui était balayée par des paquets de merNote de bas de page 7 . Vers 11 h, le conducteur s'est rendu à un autre mouillage, à environ 5 nm au sud-sud-ouest, au large de l'île Bartlett (Colombie-Britannique).

    Le conducteur a alors arrêté les 2 moteurs et les pompes de cale. Pendant que le bateau était au mouillage, des paquets de mer ont encore une fois embarqué sur le pont à la poupe. Le conducteur vérifiait de temps à autre le niveau d'eau de cale dans les compartiments de coque.

    Vers 12 h 50, après environ 1 heure et demie de pêche, le conducteur et les passagers se sont préparés à retourner à quai. Le conducteur a démarré le moteur de bâbord, puis les 2 pompes de cale en mode manuel; il a ensuite remonté l'attirail de pêche avec les treuils à ligne lestée électriques et arrimé le tout.

    Vers 13 h 03, le conducteur a arrêté les 2 pompes de cale et tenté de démarrer le moteur de tribord pour remonter l'ancre. Le moteur de tribord n'a pas démarré. Le conducteur a alors remarqué un signal de batterie faible sur le moteur de tribord et s'est aperçu que le moteur de bâbord s'était arrêté. Les pompes de cale, l'équipement de navigation et l'équipement de communication avaient aussi cessé de fonctionner.

    Vers 13 h 04, le conducteur a utilisé un téléphone cellulaire personnel et appelé à l'aide un ami qui pêchait au premier mouillage au large de Tofino, pour qu'il vienne survolter les batteries à plat du bateau. L'ami du conducteur n'était pas en mesure de l'aider, car il était retourné à terre.

    Peu après, le conducteur et les passagers ont remarqué que la poupe du bateau était plus basse sur l'eau que d'habitude et que le bateau gîtait à bâbord. Ils ont vérifié les viviers et découvert que celui de bâbord était complètement rempli d'eau de mer. Le conducteur et les passagers se sont déplacés vers la poupe pour écoper le vivier bâbord avec 2 seaux de 10 litres et une pompe de cale à main.

    Entre 13 h 07 et 13 h 09, le conducteur a communiqué à plusieurs reprises avec un parent et l'a informé de la situation. À 13 h 12, le conducteur a rappelé son ami avec son téléphone cellulaire et lui a demandé une aide immédiate.

    À 13 h 15, le conducteur a utilisé le téléphone cellulaire pour appeler la station de bateaux de sauvetage de la Garde côtière canadienne (GCC) à Tofino afin de signaler la situation d'urgence. Le conducteur a indiqué qu'il se trouvait à 3 nm de l'île BartlettNote de bas de page 8 . La position réelle du bateau était 49°08.5' N, 126°08.0' W (annexe D).

    À 13 h 17, la station de bateaux de sauvetage de la GCC a informé le centre conjoint de coordination de sauvetage (CCCOS) à Victoria de la situation du Catatonic. Pendant ce temps, le conducteur et les passagers ont constaté que l'eau de mer, qui continuait de pénétrer par le dalot arrière et le tableau arrière, s'accumulait sur le pont. Remarquant que le niveau d'eau sur le pont montait rapidement, le conducteur et les passagers ont enfilé leur gilet de sauvetage. Un des passagers n'a pas réussi à attacher les sangles de son gilet de sauvetage.

    Immédiatement après avoir été prévenu par la GCC, le CCCOS a communiqué avec le conducteur par téléphone cellulaire. Le conducteur a fait savoir au CCCOS que le bateau coulait. Quelques instants plus tard, une grosse vague s'est abattue sur le pont, par-dessus le tableau arrière, et la poupe s'est retrouvée complètement submergée. La communication avec le CCCOS a été coupéeNote de bas de page 9 , puisque le conducteur et les passagers se sont retrouvés à l'eau. À 13 h 17, le CCCOS a affecté l'embarcation rapide de sauvetage Tofino 1, dont le port d'attache est la station de bateaux de sauvetage de la GCC à Tofino.

    À 13 h 19, le Tofino 1 est parti de la station de bateaux de sauvetage de Tofino pour participer à l'opération de recherche et sauvetage (SAR). Quelques minutes plus tard, le CCCOS a demandé aux Services de communication et de trafic maritimes de diffuser un appel de détresse qui indiquait comme lieu de l'événement l'île Bartlett, à l'ouest de l'île Vargas. Les navires aux environs ont répondu de leur gré à l'appel et commencé à rechercher le Catatonic. Comme l'appel de détresse n'indiquait pas la distance précise de l'île Bartlett, certains navires se sont rendus au nord de l'île Vargas et ont recherché le Catatonic plus près de la rive de l'île Bartlett. À 13 h 24, le bateau de sauvetage Cape Ann de la GCC est lui aussi parti de la station de bateaux de sauvetage de Tofino pour participer à l'opération SAR; il a mené des recherches à la position indiquée, puis s'est dérouté vers un endroit où l'on avait signalé des débris, au large de l'île Blunden; il s'est avéré que ces débris n'avaient pas de rapport avec l'événement.

    Peu après être entré dans l'eau à 13 h 20, un des passagers a aidé un autre à attacher les sangles de son gilet de sauvetage. Ils ont fini par réussir à attacher la sangle, mais le gilet de sauvetage n'avait pas été enfilé correctement.

    Après être entrés dans l'eau, le passager qui n'avait pas mis son gilet de sauvetage correctement et un autre passager ont perdu connaissance.

    Vers 14 h 40, un aéronef commercial qui aidait à l'opération SAR a repéré le bateau partiellement submergé à l'ouest de l'île Vargas et informé le CCCOS de sa position. Une pellicule d'huile entourait le bateau.

    À 14 h 45, des navires participant aux opérations SAR sont arrivés sur place. À 14 h 56, ils ont repêché les 5 personnes, dont 2 inconscientes, et les ont conduites à un hôpital local, où ils sont arrivés à 15 h 33. Toutes les personnes secourues avaient subi les effets de l'immersion dans l'eau froide (annexe E). Le coroner a constaté le décès des 2 personnes inconscientes.

    Le 1er mai 2017, le Catatonic à moitié submergé a été remorqué jusqu'à un quai à Tofino, vidé de son eau et amarré.

    1.4 Avaries au navire

    Les 2 moteurs hors-bord ont été endommagés, de même que l'équipement de navigation et de communication.

    1.5 Dommages à l'environnement

    Au moment de l'événement à l'étude, il y avait à bord environ 200 L d’essence (à indice d'octane intermédiaire de 89), qui a été rejeté dans l'environnement.

    1.6 Certification et expérience du personnel

    Le conducteur était titulaire d'un certificat de formation de conducteur de petits bâtiments (CFCPB) et d'un certificat de formation en sécurité de base des petits bâtiments autres que les embarcations de plaisance (FUM A3), tous deux délivrés par une école de navigation locale de Vancouver (Colombie-Britannique). Le conducteur détenait également un certificat restreint d'opérateur radio – service maritime avec annotation de qualification ASN, délivré en avril 2010. Le conducteur avait 12 ans d'expérience de navigation au total, dont 9 à titre de conducteur du Catatonic.

    Pour l'exploitation commerciale du Catatonic, le conducteur était tenu d'avoir un brevet de capitaine, avec restrictions, bâtiment d'une jauge brute de moins de 60. Cependant, il n'avait pas ce brevetNote de bas de page 10 .

    1.7 Certification et inspection du navire

    Le navire en cause dans cet événement était utilisé comme bateau de pêche sportive à utilisation commerciale; il devait par conséquent être immatriculé en tant que petit navire commercial et était assujetti à la partie 4 du Règlement sur les petits bâtiments. Cette partie du Règlement s'applique aux bâtiments à passagers d'une jauge brute d'au plus 15 qui transportent au plus 12 passagers. Les articles 408, 410, 411 et 420 de la partie 4 du Règlement sur les petits bâtiments fournissent aux exploitants de bateaux de pêche sportive à utilisation commerciale des directives et des indications sur l'équipement de sauvetage requis, notamment le type et la quantité à transporter à bord du navire (selon le voyage), ainsi que sur son emplacement, son état de préparation et ses procédures d'exploitation.

    Le Catatonic était immatriculé par Transports Canada (TC) en tant qu'embarcation de plaisanceNote de bas de page 11 . À titre d'embarcation de plaisance de plus de 9 m mais n'excédant pas 12 m de longueur, le bateau était équipé conformément à la partie 2 du Règlement sur les petits bâtimentsNote de bas de page 12 .

    Un expert local avait inspecté le bateau le 5 mars 2012 alors qu'il appartenait encore au propriétaire précédent. Le propriétaire actuel avait reçu une copie du rapport d'inspection en achetant le bateau. Dans ce rapport, l'expert a relevé des lacunes, notamment des fusées de signalisation périmées, et recommandait de corriger ces lacunes immédiatement. Au moment de l'événement à l'étude, les fusées de signalisation, dont la date de limite d'utilisation était le 1er janvier 2007, étaient toujours à bord.

    1.8 Conditions environnementales

    Au moment de l'événement, le temps était partiellement couvert et la visibilité était d'environ 24 nm. Les vents soufflaient de l'ouest-nord-ouest avec des rafales de 21 à 34 nœuds, et la houle du sud-est s'élevait à environ 1 m. La mer était croisée. La température de l'air était de 10,2 °C et celle de l'eau, d'environ 10 °C.

    1.9 Inspection et certification par Transports Canada

    1.9.1. Programme de conformité des petits bâtiments

    Une embarcation autre que de plaisance est un bâtiment utilisé pour le travail ou pour des activités commercialesNote de bas de page 13 . Les navires à utilisation commerciale d'une jauge brute d'au plus 15 qui transportent au plus 12 passagers, comme le Catatonic, sont définis comme des « petits bâtiments » par TC. Ces navires doivent être immatriculés auprès de TC, mais ne sont pas tenus d'être inspectés périodiquement par un inspecteur de la Sécurité maritime ni d'avoir un certificat d'inspection pour être exploités. Ils doivent toutefois respecter la Loi de 2001 sur la marine marchande du Canada (LMMC 2001) et ses règlements en tout temps.

    Le Programme de conformité des petits bâtiments (PCPB) est offert aux propriétaires de petits bâtiments commerciaux. Ce programme vise à aider les propriétaires et les exploitants de bâtiments à comprendre et à respecter leurs obligations en vertu de la loi.Note de bas de page 14 La participation au PCPB est facultative. Au cours du processus d'inscription, le propriétaire soumet un rapport de conformité détaillé, qui est examiné par un inspecteur de la Sécurité maritime. Ce rapport de conformité comprend une liste de vérification portant notamment sur les procédures de sécurité, l'exploitation, l'équipement, l'entretien et la préparation aux situations d'urgence. Toute lacune est signalée au propriétaire pour garantir que le navire respecte les exigences de la loi, ce qui incombe entièrement au propriétaire ou à son représentant autorisé (RA)Note de bas de page 15 .

    Avant qu'un navire soit inscrit au PCPB, le RA doit obtenir un certificat d'immatriculation du registraire en chef de TC; ce certificat est obligatoire pour tous les navires utilisés à des fins commercialesNote de bas de page 16 . Le RA soumet ensuite un rapport détailléNote de bas de page 17 au bureau régional de Sécurité et sûreté maritimes de Transports Canada (SSMTC). Le RA remplit ce document au mieux de ses connaissances, mais il peut demander l'aide de SSMTC ou d'un consultant maritime indépendant.

    Une fois que SSMTC a examiné le dossier soumis et conclu que son contenu est satisfaisant, il inscrit le navire au PCPB et envoie une lettre de confirmation à son RANote de bas de page 18 . De plus, une vignette est produite, que le RA doit apposer bien en vue sur le navire inscritNote de bas de page 19 . L'inscription est valide pendant 5 ans. Pendant cette période, le RA envoie un rapport annuelNote de bas de page 20 au SSMTC pour démontrer que le navire respecte toutes les exigences réglementaires.

    Selon les statistiques fournies par SSMTC au BST le 6 novembre 2017, il y a actuellement au Canada 26 094 navires commerciaux immatriculés d'une jauge brute de moins de 15 en exploitation. De ce nombre, 10 824 sont des navires à passagers et des bateaux de travail, dont seulement 3107 (soit environ 29 %) sont inscrits au PCPB.

    La Colombie-Britannique compte 7651 navires commerciaux immatriculés d'une jauge brute de moins de 15, dont 3481 sont des navires à passagers et des bateaux de travail. De ce nombre, seulement 1209 navires à passagers et bateaux de travail (soit environ 35 %) sont inscrits au PCPB.

    Le Catatonic n'était pas inscrit au PCPB au moment de l'événement à l'étude et ne l'avait jamais été. L'exploitant du Catatonic n'avait pas de plan de maintenance ou de conformité ni aucune procédure en prévision de situations d'urgence.

    1.10 Réglementation s'appliquant aux bateaux de pêche sportive à utilisation commerciale

    Selon le Règlement sur les petits bâtiments, un bâtiment à passagers de plus 8,5 m de longueur qui n'effectue pas des voyages en eaux abritées, comme le Catatonic, doit transporter un ou plusieurs radeaux de sauvetage d'une capacité totale suffisante pour recevoir toutes les personnes à bordNote de bas de page 21 . Le Catatonic n'avait pas de radeau de sauvetage.

    Le même règlement oblige également le conducteur d'un bateau de pêche sportive à utilisation commerciale à veiller à ce que :

    • les passagers reçoivent un exposé sur les mesures de sécurité et d'urgence approprié au type de bâtiment avant le départ;
    • les passagers connaissent l'emplacement et l'utilisation des engins de sauvetage individuels, des signaux visuels et de l'équipement de sécurité de bâtiment;
    • une personne désignée à terre soit informée du plan de navigation;
    • une démonstration soit faite sur la façon d'enfiler chaque type de gilet de sauvetageNote de bas de page 22 .

    Les passagers n'ont pas reçu d'exposé de sécurité avant le départ, et aucun plan de navigation n'avait été transmis à une personne désignée à terre.

    1.11 Engins de sauvetage

    Le Catatonic transportait de son gré une radiobalise individuelle de repérage (PLB) et une radiobalise de localisation des sinistres (RLS). Ces 2 dispositifs servent à transmettre un signal de détresse et à signaler périodiquement la position. Ils n'étaient pas enregistrés auprès du Registre canadien des balisesNote de bas de page 23 . La PLB était programmée pour émettre sur une fréquence de 406 MHz et était fonctionnelle, mais la RLS était programmée pour une fréquence de 121,5/243 MHzNote de bas de page 24 , et était inopérante en raison de connexions internes endommagées. Les instructions d'utilisation de la PLB du Catatonic ainsi que des renseignements sur l'enregistrement auprès du Registre canadien des balises étaient inscrits sur le boîtier de l'appareilNote de bas de page 25 .

    Selon le Règlement sur les petits bâtiments, le bateau devait avoir 12 signaux de détresse pyrotechniques, dont au plus 6 signaux fumigènesNote de bas de page 26 . Le bateau transportait le nombre et le type requis de fusées de signalisation, mais ils étaient périmés. Au moment de l'événement, les fusées de signalisation se trouvaient à l'intérieur des emménagements avant, chacune dans un sac scellé. Le bateau transportait en outre 9 gilets de sauvetage pour adulte, 3 gilets de sauvetage pour enfant et 2 survêtements protecteurs. Ces gilets de sauvetage et survêtements protecteurs étaient aussi rangés dans les emménagements.

    1.11.1 Registre canadien des balises

    Le Registre canadien des balises fait partie intégrante du système de satellites de SAR conçu pour fournir des données d'alerte et de localisation aux autorités de SAR. Le Registre canadien des balises partage les mêmes locaux que le Centre canadien de contrôle des missions (CCCM) à la Base des Forces canadiennes Trenton (Ontario), et ces installations sont utilisées par les intervenants SAR au cours d'opérationsNote de bas de page 27 .

    À la réception d'un signal de RLS ou de PLB, les autorités de SAR au CCCM peuvent récupérer l'information d'une base de données sur l'enregistrement, notamment les coordonnées du propriétaire et de la personne à contacter en cas d'urgence ainsi que les caractéristiques et l'équipement du navire. Ces renseignements permettent aux services de SAR d'intervenir adéquatementNote de bas de page 28 .

    Il est obligatoire pour toutes les RLSNote de bas de page 29 d'être enregistrées auprès du Registre canadien des balises. L'enregistrement des RLS et PLB et la mise à jour régulière de l'information facilitent les opérations SAR en cas de situation de détresse.

    Tous les propriétaires de radiobalise de détresse de 406 MHz ont accès en ligne au Registre canadien des balises pour enregistrer de nouvelles radiobalises de détresse ou pour mettre à jour leurs données.

    1.12 Construction d'origine du navire et aménagement actuel

    1.12.1 Construction d'origine

    À l'origine, le Catatonic comprenait 2 compartiments de batterie séparés. Chaque compartiment de batteries contenait une batterie de 12 V indépendante et un sélecteur de batterie à 4 positions avec les réglages suivants : batterie 1, batterie 2, batteries 1 et 2, et arrêt (figure 2). Selon le manuel de l'utilisateur, le conducteur devait régler le sélecteur à la position du groupe de batteries à utiliser pour l'alimentation généraleNote de bas de page 30 ou le démarrage des moteursNote de bas de page 31 .

    Figure 2. Disposition standard des groupes de batteries, approuvée par le constructeur, des 2 compartiments de batterie (Source : LeisureCat Australia, LeisureCat 8000 Sportsfisher Owners Manual)
    Image
    Disposition standard des groupes de batteries, approuvée par le constructeur, des 2 compartiments de batterie

    Selon la conception originale, un conducteur sélectionnerait la batterie 1 pour alimenter le moteur de bâbord et la batterie 2 pour alimenter le moteur de tribord (annexe F)Note de bas de page 32 . La conception comprenait une caractéristique de sécurité empêchant de décharger les 2 batteries simultanément, de façon à toujours disposer d'une source d'alimentation de secours.

    Le bateau était équipé à l'origine de 2 moteurs hors-bord Honda de 130 HP.

    1.12.2 Disposition modifiée

    1.12.2.1 Batteries

    L'exploitant avait acheté le bateau en janvier 2015. Le mois suivant, il avait chargé une entreprise locale de remplacer les moteurs du Catatonic par 2 moteurs hors-bord Mercury de 225 HP. Par la même occasion, l'entreprise a remplacé les batteries du bateau par des neuves, les a installées dans le compartiment de batteries de bâbord (figure 3) et les a reliées à un seul sélecteur de batterie à 4 positions situé à l'intérieur du compartiment de batteries de tribord.

    Figure 3. Installation modifiée et non standard des batteries dans le compartiment de batteries de bâbord
    Image
    Installation modifiée et non standard des batteries dans le compartiment de batteries de bâbord

    Le sélecteur de batterie à 4 positions pouvait être réglé à batterie 1, batterie 2, batteries 1 et 2, ou arrêt. Pour plus de commodité, le conducteur gardait habituellement le sélecteur à la position 1 et 2, de sorte que les 2 batteries agissaient en bloc. Au moment de l'événement à l'étude, le sélecteur était réglé à la position 1 et 2.

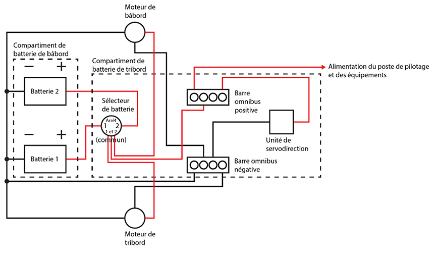
    Lorsqu'elles fonctionnent en bloc, les 2 batteries se déchargent et sont chargées simultanément, et constituent la source d'alimentation unique pour l'ensemble du bateau (figure 4).

    Figure 4. Circuit de distribution d'alimentation des batteries du bateau au moment de l'événement
    Image
    Circuit de distribution d'alimentation des batteries du bateau au moment de l'événement
    1.12.2.2 Circuit de batteries recommandé par le fabricant des moteurs

    Le fabricant des moteursNote de bas de page 33 recommandait, pour l'installation de 2 de ses moteurs hors-bord, que le bateau soit équipé comme suit :

    • 3 batteries et 3 sélecteurs comportant des options marche et arrêt;
    • 1 batterie et 1 sélecteur pour chaque moteur;
    • une troisième batterie séparée avec sélecteur pour l'alimentation générale (figure 5).
    Figure 5. Circuit de batterie recommandé par le fabricant des moteurs pour un système à 2 moteurs hors-bord Mercury de 225 HP
    Image
    Circuit de batterie recommandé par le fabricant des moteurs pour un système à 2 moteurs hors-bord Mercury de 225 HP
    1.12.2.3 Autres modifications

    Le bateau avait subi d'autres modifications : 6 déflecteurs en coquille avaient été installés sur les orifices d'évacuation à l'extérieur de la coque, et 3 trous avaient été percés dans le compartiment de flottabilité arrière pour permettre le passage de câbles électriques. De plus, les tubes souples qui reliaient à l'origine le fond de chaque vivier à un robinet d'isolement de prise d'eau de mer avaient été coupés pour permettre d'enlever les viviers (p. ex. pour les nettoyer).

    1.13 Inspection du navire après l'événement

    Peu après l'événement, le BST a examiné le bateau à Tofino, puis à nouveau aux installations du BST à Richmond (Colombie-Britannique). Ces examens ont révélé ce qui suit :

    • Le bateau avait des déflecteurs en coquille sur tous les orifices d'évacuation, à l'exception de l'orifice de prise d'eau de mer/d'évacuation du vivier tribord, situé au fonds de la coque. L'enquête n'a pas permis de préciser où, quand ni pourquoi ces déflecteurs avaient été installés.
    • Des déflecteurs en coquille avaient été installés sur 5 orifices d'évacuation et 1 orifice de prise d'eau de la coque extérieure, au poste de poupe du bateau. Chaque déflecteur était fixé par 3 vis, et toutes ces vis de fixation pénétraient la coque.
    • Le déflecteur en coquille dans la section bâbord arrière de la coque extérieure du bateau, sur la ligne de flottaison, manquait. Trois vis, d'environ 3 mm de diamètre, qui avaient servi à fixer le déflecteur, manquaient également. Ces 3 vis avaient été posées à 4 cm, 7 cm et 10 cm, respectivement, sous le niveau du pont principal, de part et d'autre de la ligne de flottaison. On a observé que la ligne de flottaison était à environ 7 cm sous le niveau du pontNote de bas de page 34 .
    • On a observé 3 trous sur la cloison étanche arrière séparant le compartiment de flottabilité arrière des compartiments de coque arrière : 2 trous (de 10 mm et 8 mm de diamètre) à bâbord et 1 trou (de 10 mm de diamètre) à tribord. Les 3 trous étaient situés à environ 53 cm au-dessus de la quille.
    • On avait passé des câbles électriques dans les 2 trous de 10 mm sans prendre aucune mesure pour maintenir l'étanchéité de la cloison. Le trou de 8 mm n'était pas utilisé.
    • Les batteries étaient connectées aux 2 moteurs à toutes les positions du sélecteur autres que celle d'arrêt.
    • Les 2 pompes de cale étaient fonctionnelles, et les 2 alarmes de cale étaient fonctionnelles, produisant un signal sonore.
    • L'alarme sonore des 2 moteurs était fonctionnelle.
    • Le tuyau d'évacuation à la mer de la gouttière du compartiment de coque à tribord était obstrué par des débris.

    1.14 Rapports de laboratoire du BST

    Le BST a produit les rapports de laboratoire suivants dans le cadre de la présente enquête :

    • LP127/2017 – Plotter Data Recovery [récupération de données de traceur]
    • LP129/2017 – EPIRB Analysis (includes PLB analysis) [analyse de RLS (y compris PLB)]
    • LP261/2017 – PCM Data Recovery [récupération des données de module de commande du groupe motopropulseur]

    2.0 Analyse

    L'enquête du BST sur cet événement a permis de déterminer que la poupe du Catatonic a été submergée principalement en raison de l'infiltration d'eau dans les compartiments de coque et les compartiments de flottabilité arrière du bateau. Le moteur de bâbord s'est arrêté et il y a eu une panne de courant à la grandeur du bateau. Les pompes de cale ont cessé de fonctionner, et le niveau de l'eau a continué à monter à l'intérieur des compartiments jusqu'à ce que le bateau ne puisse plus rester à l'horizontale.

    La présente analyse portera principalement sur les modifications non approuvées du bateau, l'importance de transmettre la position exacte d'un navire en cas d'urgence et l'importance du respect de la réglementation de Transports Canada (TC).

    2.1 Facteurs ayant mené au naufrage et aux décès

    2.1.1 Causes et facteurs contributifs du naufrage

    Lorsque les 3 vis servant à fixer le déflecteur de l'orifice d'évacuation du panneau d'écoutille de compartiment de coque de bâbord ont été perdues, l'étanchéité de la coque a été compromise et l'eau de mer pouvait pénétrer dans le compartiment de coque de bâbord du bateau. Le BST a déterminé que de l'eau de mer avait pénétré par un des trous de 3 mm que des vis de fixation auraient normalement bouchés. Cette infiltration s'est produite à raison de 1 L par minute environ, et ce débit a augmenté au fil du temps. Par ailleurs, l'enlèvement des tuyaux souples d'évacuation de vivier pour qu'il soit plus facile de sortir les viviers et d'inspecter les fonds de cale des compartiments de coque avait créé une brèche par où l'eau de mer embarquée sur le pont pouvait s'infiltrer. L'eau entrait donc dans les viviers de bâbord et de tribord par les panneaux d'écoutille des compartiments de coque, puis s'écoulait dans les 2 compartiments de coque en passant par les trous d'évacuation ouverts des viviers. Comme les pompes de cale étaient actionnées de temps à autre pour réduire le niveau d'eau de cale, la brèche dans la coque et l'infiltration d'eau résultante sont passées inaperçues.

    En se préparant à partir du deuxième mouillage, le conducteur a démarré le moteur de bâbord. Cependant, le moteur de bâbord s'est arrêté après un certain temps, à l'insu du conducteur. L'équipement électrique du bateau, y compris les pompes de cale, était toujours alimenté par les batteries, mais comme ni l'un ni l'autre moteur ne fonctionnait, les batteries n'étaient pas rechargées. Lorsque le conducteur a tenté de démarrer le moteur de tribord, cela n'a pas fonctionné, car la charge des batteries était faible. Comme les batteries se déchargeaient, la pompe de cale s'est arrêtée. Le niveau d'eau a alors pu monter constamment à l'intérieur du compartiment de coque de bâbord sans qu'on s'en aperçoive.

    Comme le niveau d'eau à l'intérieur du compartiment de coque de bâbord était initialement plus élevé que dans celui de tribord, l'eau qui se trouvait dans le compartiment de coque de bâbord est passée par-dessus la structure en arc au centre du bateau pour couler dans le compartiment de coque de tribord. Une fois les niveaux d'eau égaux, l'eau a monté simultanément dans les 2 compartiments de coque, enfonçant la poupe dans l'eau plus profondément que d'habitude. En continuant de monter, l'eau s'est infiltrée dans les 2 compartiments de flottabilité arrière du bateau par les 2 trous de 10 mm et le trou de 8 mm qui avaient été percés dans la cloison arrière pour le passage de câbles électriques. La poupe s'est alors enfoncée encore plus.

    Le conducteur et les passagers qui étaient à l'arrière pour écoper l'eau du vivier de bâbord ont encore ajouté du poids, ce qui a enfoncé la poupe jusqu'au niveau de l'eau. Avec les paquets de mer qui embarquaient, la situation a fait que le pont s'est rempli d'eau, et elle a contribué à l'immersion de la poupe (annexe H). Le bateau a fini par ne plus pouvoir demeurer à l'horizontale. Tous les occupants ont alors abandonné le bateau et se sont retrouvés à l'eau.

    2.1.2 Causes et facteurs contributifs ayant mené aux pertes de vie

    Connaître la position précise d'un navire en détresse est essentiel à l'efficacité d'une mission de recherche et sauvetage (SAR). L'enquête a établi qu'au moment de l'événement, la radiobalise de localisation des sinistres (RLS) manuelle du bateau était défectueuse et la radiobalise individuelle de repérage (PLB) du conducteur n'avait pas été actionnée, car le conducteur ne savait pas comment elle fonctionnait.

    De plus, comme il n'y avait plus d'électricité dans le bateau, les radiotéléphones à très haute fréquence (VHF) et l'appareil du système de positionnement mondial ne fonctionnaient pas; le conducteur n'a donc pas pu indiquer la position exacte du bateau au centre conjoint de coordination de sauvetage (CCCOS). L'équipe SAR a donc dû sillonner une région plus vaste en se basant sur la position approximative que le conducteur avait donnée par téléphone cellulaire.

    En raison de l'inexactitude de la position indiquée, il a fallu à l'équipe SAR environ 1,5 heure pour repérer le bateau et 10 minutes de plus pour arriver sur les lieux. Étant donné la longueur des recherches et l'absence de radeau de sauvetage à bord du Catatonic, les passagers et le conducteur ont passé environ 1 heure 40 minutes dans l'eau froide avant d'être secourus. Cette immersion en eau froide les a exposés au choc dû au froid.

    Un des passagers était entré dans l'eau alors que son gilet de sauvetage n'était pas attaché. Le gilet de sauvetage a été attaché par la suite, mais il n'avait pas été enfilé correctement; ce passager a fini par perdre connaissance. Après plus d'une heure d'exposition à l'eau froide, un autre passager a perdu connaissance peu avant d'être secouru. Le coroner constatera le décès des 2 passagers inconscients, concluant que la cause des 2 morts était la noyade.

    2.2 Modifications à la conception originale du navire

    Trois modifications ont été apportées à la conception originale du bateau, touchant la configuration des batteries, les tuyaux d'évacuation des viviers et la cloison étanche arrière.

    Dans la configuration d'origine des batteries, le bateau était équipé de 2 sélecteurs qui étaient connectés séparément à chaque batterie, et le circuit était établi de manière que les batteries ne pouvaient pas fonctionner en bloc. Lorsque le bateau a été remotorisé, il a été équipé de 2 batteries et d'un seul sélecteur. Ces modifications ont éliminé les caractéristiques de sécurité intégrées à l'origine par le constructeur : les 2 batteries pouvaient désormais fonctionner en bloc et être déchargées simultanément lorsque le sélecteur était réglé à la position 1 et 2. Par conséquent, si les 2 batteries fonctionnant en bloc se déchargeaient, l'équipement vital (comme les moteurs, les pompes de cale et les radiotéléphones VHF) ne serait plus alimenté.

    Le conducteur gardait habituellement le sélecteur à la position 1 et 2. Comme le sélecteur était à cette position au moment de l'événement à l'étude, les batteries se sont déchargées, laissant le bateau sans alimentation pour démarrer l'un ou l'autre moteur et sans moyen de recharger les batteries.

    La modification des tuyaux d'évacuation des viviers permettait à l'eau qui embarquait sur le pont d'entrer dans les viviers, puis de s'écouler dans les fonds de cale des compartiments de coque en passant par les trous d'évacuation ouverts des viviers, ce qui faisait monter le niveau d'eau de cale des compartiments de coque.

    Trois trous avaient été percés dans la cloison étanche arrière. Cette modification compromettait l'étanchéité des compartiments de flottabilité arrière : lorsque l'eau dans le compartiment de coque de bâbord a atteint les 3 trous, elle s'est infiltrée dans les compartiments de flottabilité arrière et a contribué à l'immersion de la poupe.

    À un moment donné, 6 déflecteurs en coquille avaient été installés sur 5 orifices d'évacuation et 1 orifice de prise d'eau de la coque extérieure au poste de poupe du bateau. Chaque déflecteur était fixé par 3 vis. Toutes ces vis de fixation pénétraient la coque. Le déflecteur de l'orifice d'évacuation de la gouttière du panneau d'écoutille de compartiment de coque de bâbord et ses vis de fixation manquaient. Comme le déflecteur était vis-à-vis des tangons, il est probable qu'il ait été arraché avec le temps par les lignes de pêche.

    Si des modifications à un navire compromettent les caractéristiques de sécurité de la conception d'origine, il y a un risque accru que ce navire ne soit pas adéquat pour le voyage auquel il est destiné.

    2.3 Exigences et programmes de Transports Canada

    Les bateaux de pêche sportive à utilisation commerciale comme le Catatonic doivent se conformer à toute la réglementation pertinente, y compris celle sur les engins de sauvetage. Les articles 408, 410, 411 et 420 du Règlement sur les petits bâtiments fournissent aux exploitants de bateaux de pêche sportive à utilisation commerciale des directives et des indications sur l'équipement de sauvetage requis, notamment le type et la quantité à transporter à bord du navire (selon le voyage), ainsi que sur son emplacement, son état de préparation et ses procédures d'utilisation.

    Au moment de l'événement à l'étude, le bateau ne se trouvait pas en eaux abritées. Par conséquent, il devait être muni de l'équipement de sauvetage adéquat, dont un radeau de sauvetage. Cependant, le bateau n'avait pas de radeau de sauvetage. Cette lacune et d'autres (comme les fusées de signalisation périmées) n'avaient pas été constatées avant le voyage à l'étude.

    Même s'il avait reçu une copie du rapport d'inspection en achetant le Catatonic, l'exploitant n'était pas conscient de l'importance de corriger ces lacunes et des conséquences d'utiliser le bateau tandis que ces lacunes persistaient. Des vérifications menées par des autorités réglementaires ou agréées auraient pu relever ces lacunes critiques et fournir à l'exploitant des directives et des conseils qui auraient pu faire en sorte qu'elles soient corrigées avant le voyage en cause.

    En outre, le bateau n'avait jamais été inscrit au Programme de conformité des petits bâtiments. L'inscription aurait aussi pu permettre de détecter les lacunes, au moyen d'auto-vérifications de l'équipement vital et des procédures du bateau. Le conducteur n'avait pas non plus demandé l'aide de Sécurité et sûreté maritimes de Transports Canada. Par conséquent, les lacunes de l'équipement et des procédures – comme les fusées de signalisation périmées, l'omission de transmettre un plan de navigation à une personne désignée à terre et l'omission de donner un exposé de sécurité avant le départ avec démonstration de la façon d'enfiler un gilet de sauvetage – n'ont pas été constatées.

    Si les exploitants de petits navires commerciaux ne respectent pas le Règlement sur les petits bâtiments, il y a un risque que des lacunes de l'équipement de sauvetage et des procédures passent inaperçues, ce qui compromet la sécurité du navire.

    2.4 Signalisation de détresse

    La réussite d'une mission SAR repose souvent sur la communication rapide de la position exacte du navire aux autorités SAR et sur d'autres moyens d'alerte, comme les fusées de signalisation, les colorants ou d'autres dispositifs.

    Dans ce cas-ci, le Catatonic était volontairement équipé d'une RLS et d'une PLB; toutefois, la RLS était inopérante et la PLB n'a pas été utilisée pour envoyer un signal de détresse. La PLB n'a pas été utilisée parce que le conducteur ne connaissait pas son fonctionnement. Le conducteur a plutôt utilisé son téléphone cellulaire pour donner la position approximative du bateau à la Garde côtière canadienne. Toutefois, en raison de la panne de courant, il n'a pas pu utiliser l'équipement de navigation pour obtenir ses coordonnées exactes.

    Une RLS et une PLB, si elles fonctionnent comme prévu, peuvent toutes deux transmettre les coordonnées exactes de façon continue. De plus, lorsqu'ils sont enregistrés et que les données à propos du navire sont mises à jour, les 2 dispositifs fournissent aux ressources SAR des données précieuses qui peuvent accélérer l'intervention d'urgence.

    Il y avait des fusées de signalisation à bord du bateau, mais elles étaient périmées. De plus, elles sont restées rangées à bord lorsque les occupants se sont retrouvés à l'eau.

    Si des données de position précises ne sont pas fournies en situation d'urgence, il y a un risque que les ressources SAR perdent un temps précieux à repérer un navire.

    3.0 Faits établis

    3.1 Faits établis quant aux causes et aux facteurs contributifs

    1. Trois vis de fixation avaient compromis l'étanchéité du bateau. Lorsque ces vis ont été perdues, les trous résultants ont permis à l'eau de mer de pénétrer dans le compartiment de coque de bâbord du bateau.
    2. L'eau qui avait embarqué sur le pont en raison des paquets de mer est entrée dans les viviers de bâbord et de tribord par les panneaux d'écoutille des compartiments de coque, puis s'est écoulée dans les 2 compartiments de coque en passant par les trous d'évacuation de vivier ouverts.
    3. Comme ni l'un ni l'autre des moteurs ne rechargeait les batteries, celles-ci se sont déchargées en alimentant l'équipement électrique du bateau, jusqu'à ne plus pouvoir faire fonctionner les pompes de cale. Le niveau d'eau a alors monté constamment dans le compartiment de coque de bâbord.
    4. L'eau que contenait le compartiment de coque de bâbord s'est écoulée dans le compartiment de coque de tribord en passant par la structure en arc au centre de la coque. Une fois les niveaux d'eau égaux, l'eau a monté simultanément dans les 2 compartiments de coque et a enfoncé la poupe dans l'eau.
    5. L'eau a continué de monter et s'est infiltrée dans les 2 compartiments de flottabilité arrière du bateau par les 2 trous de 10 mm dans la cloison arrière. La poupe s'est alors enfoncée encore plus.
    6. Le poids additionnel du conducteur et des passagers qui se trouvaient à l'arrière du bateau a enfoncé la poupe jusqu'à la ligne de flottaison, et des paquets de mer ont rempli le pont d'eau.
    7. Le bateau ne pouvait plus demeurer à l'horizontale. Tous les occupants ont alors abandonné le bateau et se sont retrouvés à l'eau.
    8. Comme la position exacte du bateau ne pouvait pas être communiquée aux autorités SAR, il a fallu 1 heure 40 minutes pour que tous les occupants soient secourus après que la poupe a été submergée.
    9. Les 5 personnes dans l'eau ont été exposées au choc dû au froid et à l'immersion en eau froide, et 2 passagers ont perdu connaissance et se sont noyés.

    3.2 Faits établis quant aux risques

    1. Si des modifications à un navire compromettent les caractéristiques de sécurité de la conception d'origine, il y a un risque accru que ce navire ne soit pas adéquat pour le voyage auquel il est destiné.
    2. Si les exploitants de petits navires commerciaux ne respectent pas le Règlement sur les petits bâtiments, il y a un risque que des lacunes de l'équipement de sauvetage et des procédures passent inaperçues, ce qui compromet la sécurité du navire.
    3. Si des données de position précises ne sont pas fournies en situation d'urgence, il y a un risque que les ressources de recherche et sauvetage perdent un temps précieux à repérer un navire.

    3.3 Autres faits établis

    1. Les fusées de signalisation (périmées) du bateau se trouvaient dans les emménagements et n'étaient pas facilement accessibles.
    2. Comme l'appel de détresse n'indiquait pas à quelle distance de l'île Bartlett le bateau se trouvait, certains bateaux qui y ont répondu ont cherché plus près de la rive.

    4.0 Mesures de sécurité

    Le Bureau n'est pas au courant de mesures de sécurité prises à la suite de l'événement à l'étude.

    Le présent rapport conclut l’enquête du Bureau de la sécurité des transports du Canada sur cet événement. Le Bureau a autorisé la publication de ce rapport le . Le rapport a été publié en premier lieu le .

    Correction

    Le résumé du rapport a été modifié pour indiquer qu’au moment de l’événement, il y avait environ 200 L d’essence à bord du bateau. Dans la version initiale du rapport publiée, on indiquait qu’il s’agissait de diesel marin.

    La section 1.1, Fiche technique du navire, a été modifiée pour corriger 2 chiffres dans le tableau 1, Fiche technique du navire. La jauge brute – assignée du navire a été changée de 14,99 à 9,99, et sa longueur, de 10,06 m à 9,07 m.

    La section 1.5, Dommages à l’environnement, a été modifiée pour indiquer qu’au moment de l’événement à l’étude, il y avait à bord environ 200 L d’essence (à indice d’octane intermédiaire de 89), qui a été rejeté dans l’environnement. Dans la version initiale du rapport publiée, on indiquait qu’il s’agissait de diesel marin.

    Le Bureau a autorisé la présente correction le , et la version corrigée du rapport a été publiée le .

    Annexes

    Annexe A – Plan d'ensemble du navire (vues de côté et en plan)

    Annexe B – Emplacement des déflecteurs en coquille

    Image
    Emplacement des déflecteurs en coquille
    1. Orifice d'évacuation de la pompe de cale de tribord
    2. Orifice d'évacuation de la gouttière du panneau d'écoutille de compartiment de coque de tribord
    3. Prise d'eau de pompe de lavage du pont
    4. Orifice de prise d'eau de mer/d'évacuation du vivier de tribord (dans le fond de la coque)
    5. Orifice d'évacuation de pompe de cale de bâbord
    6. Orifice d'évacuation de la gouttière du panneau d'écoutille de compartiment de coque de bâbord
    7. Orifice de prise d'eau de mer/d'évacuation du vivier de bâbord (sur le côté extérieur de la coque)

    Annexe C – Position des trous et des compartiments sous le pont principal

    Annexe D – Lieu de l'événement

    Source : Service hydrographique du Canada et Google Earth, avec annotations du BST
    Image
    Lieu de l'événement

    Annexe E – Réactions physiques à l'immersion en eau froid

    L'eau évacue la chaleur du corps beaucoup plus vite que ne le fait l'air à la même température. Par conséquent, l'exposition prolongée d'un corps non protégé dans de l'eau à température inférieure à la sienne fait que la chaleur corporelle sera transférée à l'eau. La perte de chaleur corporelle dans l'eau est beaucoup plus rapide lorsque la température de l'eau est de 15 °C ou moinsNote de bas de page 35 Note de bas de page 36 Note de bas de page 37 .

    Les 3 stades de réaction initiale à une immersion soudaine dans l'eau froide sont le choc dû au froid, l'incapacité due au froid et l'hypothermieNote de bas de page 38 Note de bas de page 39 Note de bas de page 40 .

    Stade 1 : Choc dû au froid (0 à 2 minutes)

    L'immersion est immédiatement suivie de l'inspiration d'une profonde bouffée d'air, puis d'une hyperventilation entraînant de légers spasmes musculaires. Si la bouche de la personne est sous l'eau ou si elle est éclaboussée par des vagues, de l'eau pénétrera dans les poumons, entraînant la noyade. Dans certains cas, toutefois, des spasmes des voies respiratoires supérieures empêchent l'eau et l'air de pénétrer dans les poumons, et la personne suffoque, ce qui est un autre type de noyade. Le délai dans lequel survient la noyade dépend de facteurs tels que l'âge, l'état de santé, la capacité de retenir sa respiration et la température de l'eau, mais la perte de conscience survient habituellement dans les 3 minutes qui suivent l'immersion.

    Il est possible de survivre à ce stade à condition de parvenir à garder les voies respiratoires hors de l'eau jusqu'à ce que le halètement, l'hyperventilation, l'hypertension et le rythme cardiaque accéléré commencent à s'atténuer.

    Stade 2 : Incapacité due au froid (5 à 30 minutes)

    Ce stade survient avant que la température centrale du corps baisse nettement. Les muscles fins de la main peuvent être les premiers touchés, ce qui réduit la capacité de la personne à enfiler, à attacher ou à agripper un dispositif de flottaison. Il est possible de survivre à ce stade à condition d'avoir enfilé un dispositif de flottaison et de ne pas avoir à effectuer de tâches nécessitant de la dextérité, par exemple attacher les sangles d'un gilet de sauvetage. Les premiers signes de perte de capacités cognitives apparaissent également à ce stade.

    Stade 3 : Hypothermie (après 30 minutes)

    Il y a un risque considérable d'hypothermie dans l'eau dont la température est de 25 °C ou moins. Ce risque est particulièrement élevé si l'eau est à moins de 15 °C. Le corps commence à se refroidir dès que la personne est immergée dans l'eau, mais le plein effet de l'hypothermie ne se manifeste habituellement qu'au bout de 30 minutes. Les effets incluent la perte de conscience et la défaillance cardiaque. À mesure que la température du corps baisse, la volonté de survivre de la personne faiblit. La personne perd des forces et la capacité de maintenir sa tête hors de l'eau.

    Sans dispositif de flottaison, comme un gilet de sauvetage, porté correctement pour maintenir sa tête hors de l'eau, les causes les plus probables de décès sont les stades 1 (choc dû au froid) et 2 (incapacité). Avec un dispositif de flottaison porté correctement, la cause la plus probable de décès est le stade 3 (hypothermie).

    Annexe F – Circuit de batteries recommandé par le constructeur du bateau pour un système à 2 moteurs hors-bord (Suzuki ou Honda)

    Source : LeisureCat
    Image
    Circuit de batteries recommandé par le constructeur du bateau pour un système à 2 moteurs hors-bord

    Annexe G – Vitesse d'envahissement d'un navire en litres par minute

      Diamètre de l'ouverture ou du trou
    Profondeur du trou sous la ligne de flottaison 3 mm 6 mm 12 mm 25 mm 38 mm 50 mm 63 mm 76 mm 89 mm 100 mm
    0,15 m 0,8 3,2 13 52,4 118,5 210,5 328,9 645 645,03 842,6
    0,31 m 1,1 4,5 18,3 73,4 165,8 294,9 460,7 903,2 903,2 1179,5
    0,61 m 1,6 6,4 25,7 105,2 236,6 420,6 657,1 1287,8 1287,8 1682,3
    0,92 m 2,2 9 36,3 128,3 288,8 513,9 802,5 1573,2 1573,2 2054,7
    1,22 m 3,1 12,5 49,9 148,7 334,6 594,7 928,6 1821,5 1821,5 2378,7

    Remarque : Le volume d'eau qui peut s'infiltrer dans un navire est proportionnel à la racine carrée de la profondeur du trou et au carré du rayon du trou. C'est donc dire qu'un trou 2 fois plus profond laisse passer 1,4 fois plus d'eau, et qu'un trou dont le diamètre est 2 fois plus grand laisse passer 4 fois plus d'eau. Un trou profond, mais petit, est moins dangereux qu'un gros trou peu profond.

    Un trou de 3 mm à environ 31 cm sous la ligne de flottaison peut laisser entrer environ 1,1 L d'eau en 1 minute.

    Source : William H. Seward Yacht Club

    Annexe H – Effet de l'infiltration d'eau et du poids des occupants se tenant à la poupe du bateau