Rapport d'enquête aéronautique A16W0126

Perte de puissance et collision avec des arbres
Ridge Rotors Inc.
Bell 206B (hélicoptère) (C-GHHU)
Aéroport de Fox Creek (Alberta), 12 nm SW

Le Bureau de la sécurité des transports du Canada (BST) a enquêté sur cet événement dans le but de promouvoir la sécurité des transports. Le Bureau n’est pas habilité à attribuer ni à déterminer les responsabilités civiles ou pénales. Le présent rapport n’est pas créé pour être utilisé dans le contexte d’une procédure judiciaire, disciplinaire ou autre. Voir Propriété et utilisation du contenu. Les pronoms et les titres de poste masculins peuvent être utilisés pour désigner tous les genres afin de respecter la Loi sur le Bureau canadien d’enquête sur les accidents de transport et de la sécurité des transports (L.C. 1989, ch. 3).

Table des matières

    Résumé

    Le 5 septembre 2016, un hélicoptère Bell 206B Jet Ranger (immatriculé C‑GHHU, numéro de série 2196) exploité par Ridge Rotors Inc. effectuait un recensement aérien pour détecter le dendroctone du pin ponderosa à partir de l’aéroport de Whitecourt (CYZU) (Alberta), durant les heures de clarté, avec le pilote et 2 recenseurs à bord. À 15 h 20, heure avancée des Rocheuses, à environ 12 milles marins au sud-ouest de l’aérodrome de Fox Creek (CED4) (Alberta), l’hélicoptère a subi une perte de puissance totale alors qu’il volait à environ 160 pieds au-dessus du niveau du sol. L’aéronef a perdu de l’altitude et a percuté des arbres. Le pilote a été grièvement blessé. Un recenseur a subi des blessures mineures et l’autre a été mortellement blessé. L’hélicoptère a été considérablement endommagé. Il n’y a eu aucun incendie après impact, et aucune marchandise dangereuse ne se trouvait à bord. Le recenseur survivant a évacué l’épave et a appelé les services d’urgence (9-1-1) avec son téléphone cellulaire personnel. Le pilote a été évacué par ambulance aérienne. La radiobalise de repérage d’urgence de 406 mégahertz s’est déclenchée, et le signal a été capté par le système de recherche et sauvetage par satellite Cospas-Sarsat.

    1.0 Renseignements de base

    1.1 Déroulement du vol

    Le 4 septembre 2016, un hélicoptère Bell 206B Jet Ranger (immatriculé C‑GHHU, numéro de série 2196) exploité par Ridge Rotors Inc. a effectué un recensement aérien pour détecter le dendroctone du pin ponderosa à partir de l’aéroport de Whitecourt (CYZU) (Alberta). Vers 20 hNote de bas de page 1, le C-GHHU s’est posé à l’héliplateforme de Ridge Rotors, située à CYZU, ayant achevé ses recensements aériens pour la journée. Le pilote dans l’événement à l’étude a effectué la séquence d’arrêt moteur conformément à la liste de vérifications de Ridge Rotors, y compris la vérification de bas régime moteur (tr/m). D’après cette procédure, on doit relever le levier de collectif de sa position complètement abaissée afin que retentisse le klaxon de bas régime moteur. Le klaxon de panne moteur a retenti lorsque N1Note de bas de page 2 est tombé sous 55 %. Après avoir vérifié le fonctionnement du klaxon de panne moteur, le pilote a tiré sur le disjoncteur d’avertissementNote de bas de page 3, conformément à la liste de vérifications de la compagnie, pour couper le klaxon.

    Une fois que l’hélicoptère a été arrêté et immobilisé, le directeur des opérations l’a avitaillé à partir des remorques d’avitaillement de Ridge Rotors. La quantité totale de carburant à bord après l’avitaillement était d’environ 86 gallons américains. Cette tâche achevée, le pilote a quitté l’aéroport, mettant ainsi fin à son temps de service.

    Le 5 septembre 2016, jour de l’accident, le pilote du C-GHHU s’est présenté à l’héliplateforme vers 7 h et a établi le plan de vol. Au cours de cette période, le pilote a installé les commandes de vol doubles pour permettre aux recenseurs de tenir les commandes et ainsi suivre ses manipulations. La zone de recensement se trouvait à 44 milles marins (nm) de CYZU, soit à 30 minutes de temps de vol (figure 1).

    Figure 1. Carte indiquant le point de départ, la zone de recensement et le lieu de l’accident
    Image
    Carte indiquant le point de départ, la zone de recensement et le lieu de l’accident

    Vers 12 h 22, après un retard de plusieurs heures à cause du mauvais temps, le pilote du C‑GHHU a amorcé la séquence de démarrage moteur. La liste de vérifications de démarrage moteur de la compagnie exige la réinitialisation du disjoncteur d’avertissement une fois que le moteur est stabilisé à 60 % à 62 % N1. Il est probable que le disjoncteur n’ait pas été réinitialisé à ce moment. En outre, la liste de vérifications exigeait la vérification de tous les disjoncteurs après les vérifications des commandes de vol et du moteur à 70 % N1. Il est probable que le disjoncteur d’avertissement n’ait pas été réinitialisé à ce moment-là non plus.

    À 12 h 28, le C-GHHU a décollé de CYZU et s’est rendu à la zone de recensement. Le pilote occupait le siège avant droit, 1 recenseur occupait le siège avant gauche, et l’autre recenseur occupait le siège arrière faisant face à l’avant. Le C-GHHU était muni de commandes de vol doubles. Durant le vol en transit, même si le pilote aux commandes de l’hélicoptère en assurait le contrôle, il a permis au recenseur qui occupait le siège avant gauche de suivre ses manipulations des commandes de vol. On ne sait pas combien de temps a duré cette pratique. Ni le manuel de vol du giravion (MVG), ni le Règlement de l’aviation canadien (RAC), ni le manuel d’exploitation de la compagnie (MEC) ne comprend d’exigence relative au retrait des commandes de vol doubles durant les vols ne servant pas à la formation.

    À 13 h, le C-GHHU est arrivé à la zone de recensement et a commencé le recensement aérien prévu. Un autre hélicoptère Bell 206B de Ridge Rotors, le C-GKMS, effectuait lui aussi des opérations de recensement dans le même secteur. Les 2 hélicoptères effectuaient des trajets nord-sud.

    Le relevé devait suivre des lignes orientées nord-sud au-dessus d’une zone boisée. Ces lignes étaient longues de 32 nm et séparées de 800 m les unes des autres. L’hélicoptère devait suivre une ligne de 120 à 180 pieds au-dessus des cimes des arbres et à 60 mi/h; chacun des recenseurs devait observer une zone de 400 m de part et d’autre de l’hélicoptère.

    À 14 h 48, après 2 heures et 20 minutes de recensement, le C-GHHU s’est posé sur un banc de gravierNote de bas de page 4 au bord de la rivière Little Smoky pour que l’équipage puisse faire une pause. Le pilote a réduit la puissance moteur au ralenti de vol et est demeuré aux commandes. Le pilote et le recenseur qui occupait le siège avant gauche ont discuté de la quantité restante de carburant. Le pilote a indiqué qu’il restait 30 gallons américains de carburant, assez pour environ 1 heure de vol, en comptant le carburant de réserve. Depuis son siège, le recenseur a estimé que la jauge de carburant indiquait environ 24 gallons américains. Le pilote a décidé de poursuivre les activités de recensement avant de se rendre à la cache à carburant de la compagnie à l’aérodrome de Fox Creek (CED4) (Alberta), situé à environ 12 nm au nord-est de la zone de recensement.

    Après 20 minutes au solNote de bas de page 5, les recenseurs ont changé de place, et le pilote a augmenté le régime du rotor principal à 100 % (NR). À 15 h 8, le C-GHHU a quitté l’aire de pause.

    Le pilote a alors commencé à suivre une ligne vers le nord qui suivait la dernière ligne de relevé qu’il avait suivie. Durant cette période, le pilote a de nouveau permis au recenseur qui occupait le siège avant gauche de suivre ses manipulations des commandes de vol.

    Alors que l’hélicoptère volait vers le nord, 1 des recenseurs a constaté que le pilote suivait la mauvaise ligne et a dit qu’il fallait repositionner l’hélicoptère 1 ligne à l’ouest. Le pilote a fait demi-tour en virant à droite pour revenir environ 4 nm au sud. Le pilote a ensuite exécuté un autre virage à droite pour intercepter la bonne ligne de relevé (figure 2). Quelques instants plus tard, à 15 h 20, alors qu’il volait à environ 58 mi/h en virage à gauche descendant, à environ 160 pieds au-dessus du niveau du sol (agl), le C-GHHU a subi une perte de puissance totale. Cette défaillance a été immédiatement suivie d’une diminution du régime NR et d’une descente. Les klaxons de panne moteur et de bas régime moteur n’ont pas retenti, et aucun voyant d’alarme ne s’est allumé sur le panneau annonciateurNote de bas de page 6. En 2 ou 3 secondes à peine, l’aéronef est descendu et a percuté des arbres. Au moment de l’impact, l’aéronef suivait un cap de 246° magnétique. L’hélicoptère s’est immobilisé en suspension dans les arbres parmi lesquels il était tombé, dans une position nez relevé, incliné d’environ 60° à gauche et avec sa partie avant environ 7 pieds au-dessus du sol; il n’a pas percuté le relief, mais sa partie arrière reposait au sol.

    Figure 2. Trajectoire de vol du C-GHHU depuis l’aire de pause au bord de la rivière Little Smoky jusqu’au lieu de l’accident
    Image
    Trajectoire de vol du C-GHHU depuis l’aire de pause au bord de la rivière Little Smoky jusqu’au lieu de l’accident

    La radiobalise de repérage d’urgence de 406 mégahertz s’est déclenchée à l’impact, et le signal a été capté par le système de recherche et sauvetage par satellite Cospas-Sarsat. Le Centre conjoint de coordination de sauvetage (JRCC) à Trenton (Ontario) a communiqué avec Ridge Rotors dans les 10 minutes qui ont suivi le déclenchement de l’ELT. La compagnie a pu repérer le C‑GHHU grâce aux données de suivi des vols par satellite.

    Le pilote a pu évacuer l’épave en débouclant sa ceinture de sécurité et en se laissant tomber au sol. Le recenseur qui occupait le siège arrière droit a pu évacuer l’épave par la porte de cabine arrière droite, marcher du lieu de l’accident à une route de desserte près de là, et appeler le service 9-1-1 avec son téléphone cellulaire.

    Au moment de l’accident, le C-GKMS était à CED4 pour s’y avitailler. Vers 15 h 35, le C‑GKMS a été dépêché pour repérer le lieu de l’accident; il est arrivé sur place à 15 h 57. Le pilote du C-GKMS a atterri dans une clairière près du lieu de l’accident. Avec l’aide du recenseur qui avait occupé le siège arrière droit, il a commencé à donner les premiers soins au pilote du C‑GHHU en attendant l’arrivée des premiers intervenants.

    À 17 h, la Gendarmerie royale du Canada est arrivée sur les lieux avec les premiers intervenants. Vers 19 h, un hélicoptère de la Shock Trauma Air Rescue Society est arrivé sur les lieux pour évacuer le pilote blessé vers Grande Prairie (Alberta).

    1.2 Victimes

    Le pilote a subi de graves traumatismes contondants à la poitrine et aux membres inférieurs.

    Le recenseur qui avait occupé le siège arrière droit a subi des blessures mineures à la tête, mais il était mobile et conscient durant tout l’événement.

    Le recenseur qui avait occupé le siège avant gauche a été mortellement blessé durant l’impact, par des arbres qui ont pénétré le côté avant gauche de l’hélicoptère.

    Tableau 1. Tués et blessés
      Équipage Passagers Autres Total
    Tués 0 1 1
    Blessés graves 1 0 1
    Légèrement blessés 0 1 1
    Indemnes 0 0 - 0
    Total 1 2 3

    1.3 Dommages à l’aéronef

    L’hélicoptère a été lourdement endommagé par les forces d’impact.

    1.4 Autres dommages

    Sans objet.

    1.5 Renseignements sur le personnel

    Les dossiers indiquent que le pilote avait la licence et les qualifications nécessaires pour effectuer le vol, conformément à la réglementation en vigueur.

    Tableau 2. Renseignements sur le personnel
    Licence de pilote Licence de pilote professionnel (hélicoptère)
    Date d’expiration du certificat médical 1er octobre 2016
    Heures de vol total 1413
    Heures de vol sur type 737
    Heures de vol au cours des 7 derniers jours 53
    Heures de vol au cours des 30 derniers jours 176*
    Heures de vol au cours des 90 derniers jours 230
    Heures de vol sur type au cours des 90 derniers jours 190
    Heures de service avant l’événement 8,83
    Heures hors service avant la période de travail 9,5

    * Le temps de vol du pilote au cours des 30 jours consécutifs précédents était conforme à l’article 720.15 des Normes de service aérien commercial (NSAC) du Règlement de l’aviation canadien. Cette norme permet de ramener à zéro le temps de vol maximal par période de 30 jours consécutifs (soit 150 heures) « si le membre d’équipage de conduite [a] jouit d’une période de repos d’au moins 5 jours consécutifs » au cours des 30 jours consécutifs précédents [alinéa 720.15 (1)g) des NSAC], ce qui était le cas du pilote en cause.

    1.6 Renseignements sur l’aéronef

    1.6.1 Généralités

    L’hélicoptère Bell 206B a été conçu et fabriqué par Bell Helicopter Textron Inc. Sa masse maximale au décollage est de 1451,5 kg (3200 livres) et sa vitesse de croisière maximale est de 150 mi/h. Le C-GHHU était équipé pour effectuer des vols de jour selon les règles de vol à vue (VFR) et pour l’exploitation monopilote. Des commandes de vol doubles avaient été installées.

    Les dossiers indiquent que l’appareil était certifié, équipé et entretenu conformément aux règlements en vigueur et aux procédures approuvées. Le 2 mai 2013, il avait été immatriculé comme hélicoptère commercial pour Ridge Rotors. Au moment de l’événement à l’étude, le C-GHHU comptait environ 17 061 heures dans les airs et 21 279 démarrages. L’hélicoptère ne présentait aucune anomalie connue avant le vol à l’étude et il était exploité dans les limites prescrites de masse et de centrage. Rien n’indique qu’il y a eu mauvais fonctionnement d’un système durant le vol.

    Tableau 3. Renseignements sur l’aéronef
    Constructeur Bell Helicopter Textron Inc.
    Type, modèle et enregistrement BH06, 206B, C-GHHU
    Année de construction 1978
    Numéro de série 2196
    Date d’émission du certificat de navigabilité/permis de vol 11 août 1978
    Total des heures de la cellule (dernière inscription au carnet de bord) 17 061,2 heures
    Type de moteur (nombre) Rolls-Royce 250-C20B (1)
    Type de rotor (nombre de pales) Semi-rigide (2)
    Masse maximale autorisée au décollage 1451,5 kg
    Types de carburant recommandés Jet A, Jet A-1, Jet B
    Type de carburant utilisé Jet A

    1.6.2 Liste de vérifications de l’aéronef

    1.6.2.1 Liste de vérifications avant démarrage du manuel de vol du giravion

    Dans le cas du Bell 206B, quand on place l’interrupteur de batterie à « ON » durant les procédures avant démarrage, les klaxons de bas régime moteur et de panne moteur retentissent. Lorsque le régime N1 dépasse 55 %, le klaxon de panne moteur s’éteint, et à plus de 90 % NR, le klaxon de bas régime moteur s’éteint à son tour.

    D’après la liste de vérifications avant démarrage du MVG du Bell 206B, on peut appuyer sur le commutateur de mise en sourdine du klaxon (le cas échéant) pour arrêter le klaxon de panne moteur. Le C-GHHU n’était muni d’aucun commutateur de mise en sourdine du klaxon. On peut mettre en sourdine les klaxons de l’aéronef en tirant sur le disjoncteur d’avertissement; toutefois, le MVG du Bell 206B ne comprend aucune instruction de la sorte.

    Selon la procédure de vérification de bas régime moteur, le disjoncteur d’avertissement doit être enfoncé de manière à ce que le klaxon de bas régime moteur retentisse quand on relève le levier de collectif.

    Un rapport d’enquête antérieur du BST (A94C0141) avait cerné les risques liés à la désactivation des systèmes d’alarmes et de voyants en tirant sur le disjoncteur.

    1.6.2.2 Liste de vérifications de Ridge Rotors Inc.

    Dans ce secteur d’activité, les compagnies modifient couramment les listes de vérifications de giravion pour réduire la distraction que cause le klaxon de bas régime moteur durant le démarrage ou l’arrêt du moteur, lorsqu’un hélicoptère n’est pas muni d’un commutateur de mise en sourdine des klaxons. Comme le C-GHHU n’était pas muni d’un tel commutateur, Ridge Rotors avait adopté une procédure pour couper le klaxon de bas régime moteur durant le démarrage et l’arrêt du moteur. Cette procédure consistait à tirer sur le disjoncteur d’avertissement.

    La liste de vérifications d’arrêt moteur de Ridge Rotors diffère des procédures d’utilisation normalisées dans le MVG du Bell 206B. En effet, la compagnie a déplacé la procédure de vérification de bas régime moteur de la liste de vérifications de démarrage moteur à la liste de vérifications d’arrêt moteur. En outre, d’après la liste de vérifications d’arrêt moteur, on doit tirer sur le disjoncteur d’avertissement après le test de fonctionnement des klaxons de bas régime moteur et de panne moteur.

    Cette modification avait été apportée pour cerner toute anomalie du système de bas régime moteur et pour permettre au personnel de maintenance de corriger tout défaut avant le vol suivant. Selon la liste de vérifications de démarrage moteur de la compagnie, il faut réarmer le disjoncteur d’avertissement une fois que le moteur est stabilisé à 60 % à 62 % N1, et vérifier tous les disjoncteurs après les vérifications des commandes de vol et du moteur à 70 % N1.

    Ridge Rotors n’a pas consulté Bell Helicopter Textron Inc. à propos des modifications apportées à la liste de vérifications, et la réglementation en vigueur n’exigeait pas qu’elle le fasse. Ridge Rotors n’a effectué aucune évaluation des risques avant de mettre en œuvre les modifications à la liste de vérifications.

    1.6.2.3 Modifications aux listes de vérifications

    Les listes de vérifications sont conçues par les avionneurs et approuvées par les organismes de réglementation dans le cadre de l’évaluation et l’approbation originelles des données de conception d’un type d’aéronef. Les exploitants d’aéronefs peuvent modifier les listes de vérifications en fonction de l’évolution des exigences en matière d’exploitation. Il est important que ces listes modifiées conservent toutes les restrictions d’origine. Elles doivent également respecter les principes de conception d’origine dans le manuel de vol approuvé ou d’autres documents liés au certificat de navigabilité.

    Dans son rapport d’enquête aéronautique A98H0003, le Bureau se disait préoccupé du fait que compte tenu de l’absence d’uniformisation relative à la modification et l’approbation des listes de vérifications au sein de l’industrie de l’aviation, les exploitants de ligne aérienne pourraient introduire à leur insu des conditions dangereuses latentes, surtout dans les listes de vérifications en cas d’urgence.

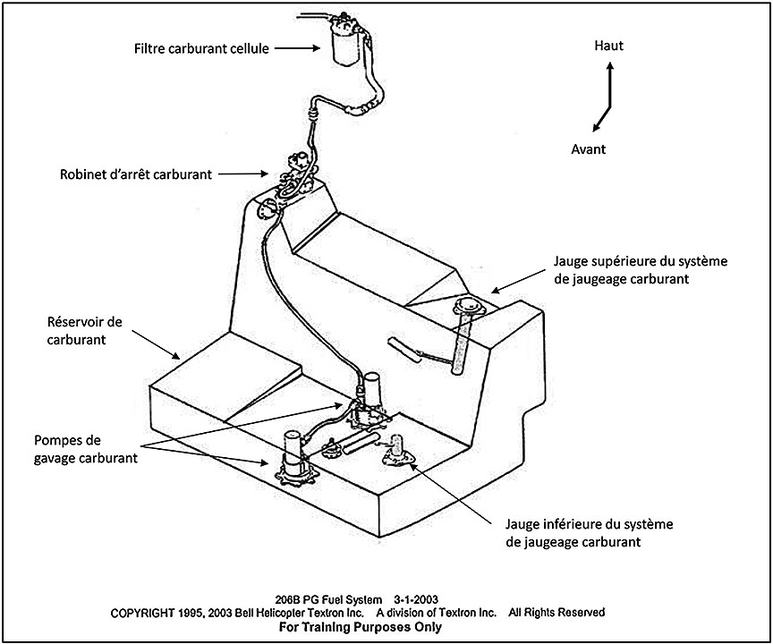
    1.6.3 Circuit carburant

    Le circuit carburant comprend un seul réservoir de carburant souple situé sous et derrière les sièges arrière de passagers. Le réservoir compte 2 pompes de gavage carburant électriques installées dans sa surface inférieure, des systèmes de jaugeage supérieur et inférieur et un robinet de purge électrique au puisard.

    Les pompes de gavage carburant sont raccordées l’une à l’autre et alimentent en carburant le robinet d’arrêt carburant par une conduite souple unique. À partir du robinet d’arrêt, le carburant circule vers le filtre carburant cellule et le circuit carburant du moteur.

    On remplit le réservoir de carburant par le côté droit. Le C-GHHU était doté d’un tube de surremplissageNote de bas de page 7 qui portait la capacité du réservoir carburant de 77.06 à 96,7 gallons américains. La quantité de carburant inutilisable est de 1,06 gallon américainNote de bas de page 8.

    1.6.3.1 Pompes de gavage carburant et possibilité d’extinction du moteur

    La stabilité de combustion d’un moteur repose sur une combustion uniforme et sur la capacité de la flamme de combustion à demeurer allumée sur une plage d’exploitation étendueNote de bas de page 9. Une extinction de moteur est

    [traduction] un état, durant le fonctionnement d’une turbine à gaz, où la flamme à l’intérieur du moteur s’éteint à cause d’une vaporisation excessive ou insuffisante de carburant dans les chambres à combustionNote de bas de page 10.

    D’après le MVG du Bell 206B, les [traduction] « pompes de gavage carburant doivent être en marche (« ON ») en tout temps lorsque le moteur est en marcheNote de bas de page 11 ». Toujours d’après ce manuel :

    [traduction] Le moteur peut fonctionner sans pression de la pompe de gavage carburant à une altitude-pression de moins de 6000 piedsNote de bas de page 12, et une seule pompe de gavage carburant peut procurer une alimentation en carburant suffisante pour assurer le fonctionnement normal du moteur dans tous les états de puissance et à toutes les altitudesNote de bas de page 13.

    Le fabricant interdit d’utiliser le moteur lorsque les 2 pompes de gavage carburant sont inopérantes, étant donné le potentiel de ballottement du carburant en cas d’assiettes inhabituelles ou de conditions non compenséesNote de bas de page 14, ce qui pourrait entraîner l’extinction du moteur.


    Il est interdit de voler lorsque les 2 pompes de gavage sont inopérantes. Le fabricant précise que, si 1 pompe de gavage carburant ou les 2 deviennent inopérantes durant le vol, la quantité de carburant inutilisableNote de bas de page 15 est de 10 gallons américainsNote de bas de page 16. Avec une quantité de 10 gallons, il est possible qu’il y ait ballottement du carburant. Ce ballottement peut être causé par un vol non coordonnéNote de bas de page 17 ou durant l’accélération ou la décélération de l’aéronef. Un vol non coordonné peut être le résultat d’une exposition à la turbulence atmosphérique ou à des manipulations des commandes de vol par le pilote. Le ballottement peut momentanément mettre à découvert 1 des pompes de gavage carburant ou les 2. Le fabricant a confirmé que si le niveau de carburant est suffisamment bas, une mise à découvert est possible, même avec 2 pompes de gavage fonctionnelles durant un vol non coordonné ou dans des conditions non compensées. 

    Au cours de l’enquête, le fabricant a confirmé que [traduction] « le circuit carburant du 206B ne comprend aucune capacité pour purger l’air, et en cas d’ingestion d’air, [cela] pourrait entraîner une extinction du moteurNote de bas de page 18 ».

    Après la publication initiale du présent rapport, et en réponse à des questions du secteur des hélicoptères, le laboratoire du BST a approfondi son analyse de la mise à découvert potentielle à divers niveaux de carburant. Le tableau 4 résume les forces d’accélération nécessaires à 3 niveaux de carburant pour mettre à découvert une prise de carburant. D’autres calculs ont été faits pour déterminer ce qu’indiquerait la bille de l’indicateur de virage et de dérapage à de tels niveaux d’accélération latérale.

    Tableau 4. Forces d’accélération nécessaires pour mettre à découvert une prise de carburant
    Quantité de carburant dans le réservoir (gal. am.) Accélération latérale nécessaire pour mise à découverte complète d’une prise Représentation sur l’indicateur de virage et de dérapage
    Vers la gauche de l’hélicoptère (ballottement du carburant vers la droite) Vers la droite de l’hélicoptère (ballottement du carburant vers la gauche)
    10 0,18 g 0,12 g Bille à mi-chemin entre le centre et la limite extérieure
    15 0,32 g 0,21 g Limite extérieure
    20 0,49 g 0,32 g Limite extérieure
    1.6.3.2 Système de jaugeage de carburant

    La jauge de carburant est installée sur le tableau de bord du pilote. Cette jauge est étalonnée en gallons américains, de 0 à 76 gallons. Le tube de surremplissage comprend une jauge visuelle qui permet au pilote d’observer le niveau de carburant dans le réservoir, de 76 gallons à la pleine capacité du réservoir.

    Deux systèmes de jaugeage de carburant à flotteur sont installés dans le réservoir de carburant (annexe A). Ces 2 systèmes sont reliés à un indicateur de quantité commun. Le système inférieur est installé dans le fond du réservoir, tandis que le système supérieur est installé dans la partie supérieure du réservoir. Ensemble, ils transmettent la quantité totale de carburant.


    On étalonne la jauge de carburant lorsque l’hélicoptère est posé à 1° ou 2° en piqué et au niveau dans l’axe latéralNote de bas de page 19. L’enquête n’a pas permis de déterminer la pente du banc de gravier dans la rivière Little Smoky, où le C-GHHU s’est posé, ni de calculer l’ampleur de toute erreur d’indication causée par l’assiette de l’hélicoptère.

    1.6.3.3 Voyant d’avertissement FUEL LOW

    Les exploitants de Bell 206B peuvent installer un voyant d’avertissement FUEL LOW (bas niveau de carburant) en exécutant le bulletin technique 206-84-94 de Bell Helicopter Textron Inc. Le système de jaugeage avec voyant d’avertissement FUEL LOW munit l’hélicoptère d’un interrupteur de bas niveau à flotteur installé dans la partie inférieure du réservoir de carburant. Ce dispositif allume un voyant d’avertissement jaune « FUEL LOW » sur le tableau des voyants d’avertissement lorsque le réservoir ne contient plus qu’environ 20 gallons américains.

    Le MVG du Bell 206BNote de bas de page 20 stipule que lorsque le voyant d’avertissement « FUEL LOW » est allumé, le pilote devrait [traduction] « atterrir dès que possibleNote de bas de page 21 », ce que le MVG décrit ainsi :

    [traduction] Le choix du site d’atterrissage et la durée du vol sont à la discrétion du pilote. Il n’est pas recommandé de prolonger le vol au-delà du site d’atterrissage approuvé le plus procheNote de bas de page 22.

    Le C-GHHU n’était muni d’aucun voyant d’avertissement « FUEL LOW ».

    1.6.4 Performances de l’aéronef

    Les performances du moteur Rolls-Royce modèle 250-C20B dans les conditions d’atmosphère type au niveau de la mer s’appliquent à tout hélicoptère de base avec toutes les portes installées et sans équipement facultatif (qui influerait sensiblement sur la portance, la traînée et la puissance disponible). Les données ne comprennent pas les effets de la marche du réchauffeur à air de prélèvement et de l’antigivrage du moteur sur la consommation de carburant. Le réchauffeur à air de prélèvement et l’antigivrage du C-GHHU n’étaient pas en marche (tableau 5).

    Tableau 5. Performances du moteur Rolls-Royce modèle 250-C20B
      Consommation spécifique maximale de carburant
    (livres/puissance à l’arbre heure)
    Débit maximal de carburant
    (livres/heure) (gal. am./heure)
    Décollage (5 min) 0,650 273 39
    Vitesse de croisière normale 0,650 240 34
    Vitesse de croisière A (90 %)* 0,665 221 31
    Vitesse de croisière B (75 %)** 0,709 197 28
    Ralenti sol 70 10

    Source : Rolls-Royce Corporation, M250-C20 Series Operation and Maintenance Manual, publication 10W2, sixième édition, révision 21 (1er juin 2016), section 72-00-00, tableau 2, p. 40.
    * La vitesse de croisière A correspond au niveau de puissance équivalent à 90 % de la puissance nominale pour la vitesse de croisière normale dans les conditions d’atmosphère type au niveau de la mer.
    ** La vitesse de croisière B correspond au niveau de puissance équivalent à 75 % de la puissance nominale pour la vitesse de croisière normale dans les conditions d’atmosphère type au niveau de la mer.

    Rolls-Royce a fourni les valeurs spécifiques de consommation de carburant pour des conditions de vol à une altitude-densité de 3900 pieds au-dessus du niveau de la mer aux réglages de puissance indiqués au tableau 5. Pour le réglage de puissance à la vitesse de croisière B (75 %), cela équivaut à une consommation de carburant de 27,2 gallons américains l’heure.

    1.6.5 Exigences du Règlement de l’aviation canadien relatives au carburant

    L’alinéa 602.88(3)b) du RAC stipule les exigences en matière de carburant pour les hélicoptères qui effectuent des vols VFR de jour; ces hélicoptères doivent transporter suffisamment de carburant pour permettre, « dans le cas d’un hélicoptère, d’effectuer le vol jusqu’à l’aérodrome de destination, et de poursuivre le vol pendant 20 minutes à la vitesse de croisière normaleNote de bas de page 23 ».

    1.6.6 Établissement du plan de vol et consommation de carburant

    Le pilote avait déposé un itinéraire de vol auprès du préposé au suivi des vols de la compagnie. D’après cet itinéraire, le C-GHHU transportait 40 gallons américains de carburant, et l’indicateur d’autonomie indiquait 1 heure et 32 minutes. Ces valeurs équivalent à une consommation de carburant de 26 gallons à l’heure. Une note manuscrite, ajoutée par le préposé au suivi des vols au bas de cet itinéraire, indiquait que la quantité de 40 gallons était fausse et qu’en réalité, l’hélicoptère transportait 90 gallons américains de carburant (tableau 6).

    Tableau 6. Carburant consommé par le C-GHHU, par phase du vol à l’étude
      Heure Temps dans les airs de l’étape de vol
    (h min)
    Temps total dans les airs
    (min)
    Carburant consommé durant l’étape de vol*
    (gal. am.)
    Total carburant consommé*
    (gal. am.)
    Carburant restant*
    (gal. am.)
    Carburant consommé durant l’étape de vol**
    (gal. am.)
    Total carburant consommé**
    (gal. am.)
    Carburant restant**
    (gal. am.)
    Décollage 12 h 28 0 0 0 0 86 0 0 90
    Atterrissage (rivière) 14 h 48 2 h 20 min 140 64 64 22 61 61 29
    Décollage (rivière) 15 h 8 20 min 140 3 67 19 3 64 26
    Accident 15 h 20 12 min 152 5 72 14 5 69 21

    Notes :
    Les heures proviennent des données du système mondial de positionnement pour navigation satellite (GPS) récupéré du C-GHHU.
    *    En fonction de 86 gallons américains au départ et d’une consommation de 27,2 gallons/heure, selon les données de performance à la vitesse de croisière B (75 %) de Rolls-Royce.
    **   En fonction de 90 gallons américains au départ et d’une consommation de 26 gallons/heure, selon la quantité de carburant inscrite sur l’itinéraire de vol.

    1.6.7 Diagramme hauteur/vitesse

    Le diagramme hauteur/vitesse (annexe B) est un graphique qui montre les profils de vol sécuritaires et non sécuritaires pour hélicoptères. On y trouve les combinaisons d’altitude et de vitesse anémométrique qui pourraient ne pas accorder suffisamment de temps ou d’altitude pour exécuter une descente stabilisée en autorotationNote de bas de page 24. Ce diagramme indique les combinaisons d’altitude et de vitesse anémométrique auxquelles l’exploitation de l’hélicoptère devrait être évitée, étant donné la faible probabilité de pouvoir réussir une descente et un atterrissage en autorotation.

    L’enquête a permis de déterminer qu’en fonction de la masse de l’aéronef et de l’altitude-densité durant le vol à l’étude, l’aéronef volait autant dans les zones à éviter qu’en dehors de ces dernières durant les opérations de recensement.

    Durant un recensement, quand les recenseurs cernent une zone à inspecter de plus près, l’hélicoptère quitte la ligne de relevé et survole les arbres sujets. L’hélicoptère descend à 60 pieds au‑dessus des cimes et effectue un lent trajet (à moins de 15 mi/h) au-dessus des arbres touchés afin de permettre aux recenseurs de relever l’endroit au moyen d’un ordinateur doté d’un GPS. Ce lent trajet est nécessaire pour obtenir des coordonnées GPS exactes, qui doivent indiquer un point à moins de 30 m des arbres sujets.

    Durant le vol à l’étude, le C-GHHU a passé 1 heure et 48 minutesNote de bas de page 25 dans la zone de recensement. Au total, l’hélicoptère a passé 34 minutes, soit 32 % du temps de vol, dans la zone « à éviter » du diagramme hauteur/vitesseNote de bas de page 26.

    Au départ de CYZU, le C-GHHU pesait 3101 livres, et l’altitude-densitéNote de bas de page 27 était de 2600 pieds au-dessus du niveau de la mer. Au moment de l’accident, le C-GHHU pesait 2583 livres, et l’altitude-densité était de 3900 pieds au-dessus du niveau de la mer. Au moment de l’événement à l’étude, l’hélicoptère volait hors des zones « à éviter » du diagramme de hauteur/vitesse (annexe B).

    Par le passé, le BST a cerné les risques liés à l’exploitation d’hélicoptères dans les zones « à éviter » du profil hauteur/vitesseNote de bas de page 28.

    1.6.8 Système de rallumage du moteur

    Le C-GHHU était muni d’un système de rallumage du moteurNote de bas de page 29 installé après fabrication. Ce système comprenait un boîtier de commande électrique (situé dans le compartiment moteur), un disjoncteur et un commutateur (situé sur le tableau de bord). Un commutateur OFF–ARM [arrêt-armé] commande ce système. En position d’arrêt (OFF), le système de rallumage du moteur est éteint. En position armée (ARM), ce système active automatiquement le relais de l’inducteur/démarreur lorsque le générateur tachymétrique de régime de la turbine de puissance (N2) baisse à 96 % ou moins. L’activation du relais de l’inducteur/démarreur permet à l’allumeur de produire une étincelle pour tenter de rallumer le moteur. Le système de rallumage se désactive automatiquement lorsque le régime du générateur de gaz (N1) baisse sous 55 %.

    D’après le supplément au MVG du Bell 206B pour le système de rallumage du moteur, ce système doit être dans la position « ARM » avant que l’on exploite l’hélicoptère dans des conditions de chute de neige ou de poudrerie. On peut armer ce système pour toutes les opérations aériennes, sans aucune limite.

    Ridge Rotors employait le système de rallumage du moteur uniquement durant les opérations dans les chutes de neige ou la poudrerie. L’entreprise n’a jamais envisagé l’activation de ce système durant les opérations de recensement à basse altitude. Le système de rallumage du moteur à bord du C-GHHU était dans la position « OFF » au moment de l’extinction du moteur.

    1.7 Renseignements météorologiques

    Le temps à 7 h était couvert et brumeux, accompagné de visibilités aussi réduites que ⅛ mille terrestre (sm). Le temps est demeuré en deçà des exigences minimales de vol VFR jusqu’à midi, lorsque la visibilité a augmenté à 15 sm, sous des nuages épars et des vents légers.

    Les messages d’observation météorologique régulière pour l’aviation (METAR) sont diffusés toutes les heures. Celui de 15 h pour CYZU, à 44 nm à l’est du lieu de l’accident, faisait état de vents soufflant du 100° vrai (V) à 8 nœuds et variant de 50° à 150°. La visibilité était de 15 sm. Il y avait quelques nuages à 2500 pieds agl dans la région ainsi que des cumulonimbus (CB). La seconde couche nuageuse, à 10 000 pieds agl, se composait de nuages épars. La température était de 14 °C, le point de rosée était à 7 °C, et la pression barométrique était de 29,85 pouces de mercure, ce qui donnait une altitude-densité de 3900 pieds asl. La section des commentaires du METAR indiquait que les CB se trouvaient dans le quadrant sud-ouest.

    Comme il n’y avait aucun CB dans le secteur de l’accident et aucune turbulence associée, les conditions météorologiques n’ont pas été considérées comme un facteur dans cet accident.

    1.8 Aides à la navigation

    Rien n’indiquait que les aides à la navigation offertes présentaient des problèmes.

    1.9 Communications

    Les enquêteurs ont reçu des renseignements selon lesquels, avant l’accident, les 3 occupants auraient entendu des bruits dans leurs casques d’écoute, comme une rétroaction acoustique ou une tonalité, qui n’a pas empêché la communication entre le pilote et les recenseurs. Même s’il y a bien eu une certaine tonalité ou rétroaction acoustique dans l’interphone de bord, l’enquête a permis de déterminer qu’elle n’avait contribué en rien à l’accident.

    1.10 Renseignements sur l’aérodrome

    Sans objet.

    1.11 Enregistreurs de bord

    Le C-GHHU était dépourvu d’enregistreur de données de vol et d’enregistreur de conversations de poste de pilotage, et il n’y avait aucune exigence réglementaire à cet égard.

    L’aéronef était muni d’un dispositif de suivi GPS Blue Sky Network D1000C Iridium SATCOM. Ce dispositif permettait d’effectuer un suivi en temps quasi réel par GPS de l’hélicoptère.

    L’hélicoptère était muni de 2 dispositifs GPS : un GPS Garmin aera 796, et un GPS Garmin GPSMAP 296. Le laboratoire du BST a pu télécharger les renseignements de suivi et de point de cheminement des 2 dispositifs.

    1.12 Renseignements sur l’épave et sur l’impact

    1.12.1 Généralités

    L’épave a été retrouvée dans une forêt de conifères densément boisée. La hauteur moyenne des arbres était de 80 pieds, et leur diamètre moyen était de 12 pouces. Les arbres proches du lieu de l’accident présentaient très peu de dommages occasionnés par la chute de l’hélicoptère, même si 2 arbres avaient été renversés.

    On a retrouvé et identifié tous les composants de l’hélicoptère à l’intérieur d’un rayon de 50 pieds de l’épave (figures 3 et 4). La partie avant de l’hélicoptère et le poste de pilotage ont été détruits. La cabine a subi d’importants dommages causés par l’impact, en particulier sur le côté gauche de la cellule. Le réservoir de carburant a été perforé au cours de l’impact et fuyait. La tête de rotor principal était intacte, et les 2 pales y étaient toujours attachées. Les 2 pales de rotor principal ont subi de légers dommages caractéristiques d’un faible régime NR, ce qui indique que le moteur ne développait pas de puissance au moment de l’impact.

    Le rotor de queue était intact. Une de ses pales était droite, et son revêtement était intact. L’autre pale avait été endommagée lors de l’impact et était pliée à 2 endroits. Les dommages constatés sur les 2 pales de rotor de queue étaient caractéristiques d’un régime faible du rotor de queue, ce qui indique que le moteur ne développait pas de puissance au moment de l’impact.

    On a vérifié la continuité des ensembles moteur, transmission et rotor de queue. L’enquête a permis de déterminer qu’il y avait continuité des commandes de vol avant l’accident.

    Il n’y avait aucune marque visible au sol.

    Figure 3. Vue du C-GHHU depuis l’arrière gauche (on aperçoit le plan fixe vertical sectionné à gauche de la poutre de queue)
    Image
    Vue du C-GHHU depuis l’arrière gauche (on aperçoit le plan fixe vertical sectionné à gauche de la poutre de queue)
    Figure 4. Vue du C-GHHU depuis l’avant droit (on aperçoit le ventre de l’hélicoptère)
    Image
    Vue du C-GHHU depuis l’avant droit (on aperçoit le ventre de l’hélicoptère)

    1.12.2 Essais du circuit carburant et des composants du moteur

    Durant l’examen de l’hélicoptère par le BST après l’accident, 10 gallons américains de carburant non contaminé, qui correspondait à du carburant de type Jet A, ont été récupérés du réservoir.

    Après l’événement à l’étude, le BST a mis à l’essai les pompes de gavage carburant et les systèmes de jaugeage. On a constaté que les 2 systèmes fonctionnaient correctement; aucune anomalie n’a été relevée.

    Le BST a également mis à l’essai le générateur-démarreur et le régulateur de tension. On a constaté que ces 2 systèmes fonctionnaient correctement, et aucune anomalie n’a été relevée qui aurait pu rendre inopérant le circuit électrique.

    Un examen après accident du moteur n’a relevé aucun problème mécanique qui aurait entraîné la décélération. Du carburant était présent d’un bout à l’autre du circuit carburant. Tous les composants mis à l’essai étaient conformes aux spécifications requises; aucune anomalie n’a été relevée.

    Le tableau avertisseur du système d’avertissement a été envoyé au Laboratoire d’ingénierie du BST aux fins d’analyse des filaments des ampoules. On a conclu que les voyants d’alarme de bas régime moteur et de la pompe à carburant n’étaient probablement pas allumés au moment de l’impact. Il n’a pas été possible de déterminer de façon concluante si les voyants d’alarme de panne moteur étaient allumés ou non.

    Le disjoncteur d’avertissement a été lourdement endommagé lors de la séquence d’impact. Il n’a pas été possible de déterminer dans quelle position se trouvait le disjoncteur ou s’il était fonctionnel.

    1.13 Renseignements médicaux et pathologiques

    Selon l’enquête, rien ne donnait à croire que des facteurs physiologiques aient pu nuire au rendement du pilote. Une analyse du service de vol du pilote a été faite, et on a déterminé que la fatigue n’avait pas été un facteur dans l’événement à l’étude.

    1.14 Incendie

    Aucun incendie ne s’est déclaré après l’impact.

    1.15 Questions relatives à la survie des occupants

    1.15.1 Casques

    Lors de l’événement à l’étude, seul le pilote portait un casque d’aviation, qui présentait de profondes égratignures caractéristiques de chocs contre des arbres et la structure de l’hélicoptère. Les recenseurs ne portaient pas de casque, et la réglementation ne l’exigeait pas.

    1.15.2 Ceintures de sécurité et harnais de l’équipage

    Le pilote et les recenseurs étaient retenus par les harnais 4 points dont était muni l’hélicoptère. Il n’y a eu aucune défaillance des harnais de retenue des occupants. Toutefois, la ferrure de fixation et le point d’ancrage intérieurs de la ceinture abdominale du recenseur qui occupait le siège avant gauche se sont séparés de la structure de montage durant la séquence d’impact et de dislocation de l’aéronef.

    1.15.3 Radiobalise de repérage d’urgence

    La radiobalise de repérage d’urgence (ELT) de 406 MHz du C-GHHU s’est déclenchée au moment de l’impact. L’ELT était fixée à la cellule du C-GHHU par une sangle à ruban autoagrippant. La radiobalise est demeurée intacte et fixée à son support durant l’impact, et en état de service; un signal de détresse a bel et bien été transmis au JRCC.

    Toutefois, il y a eu de nombreux événements où des ELT ne sont pas demeurées intactes et fixées à leurs supports. Ces événements ont mené à la Recommandation A16-07 du BSTNote de bas de page 30.

    1.15.4 Dispositif de suivi par système mondial de positionnement pour navigation satellite

    Le dispositif de suivi GPS SATCOM qui servait au suivi des vols a bel et bien transmis les coordonnées du lieu de l’accident à Ridge Rotors. La compagnie a ainsi pu rapidement dépêcher le C-GKMS sur les lieux de l’écrasement du C-GHHU.

    1.16 Essais et recherches

    1.16.1 Rapports de laboratoire du BST

    Le BST a produit les rapports de laboratoire suivants dans le cadre de la présente enquête :

    • LP215/2016 – Annunciator Panel Analysis [analyse du panneau annonciateur]
    • LP310/2016 – Fuel Quantity Indicator Analysis [analyse de l’indicateur de quantité carburant]
    • LP272/2017 – Fuel Tank Unporting Analysis [analyse de la mise à découvert de la prise de carburant]

    1.17 Renseignements sur l’entreprise et la gestion

    1.17.1 Généralités

    Ridge Rotors, un exploitant aérien commercial approuvé par Transports Canada, mène ses activités depuis 2004. L’entreprise effectue des opérations aériennes assujetties aux sous‑parties 702 (Travaux aériens) et 703 (Exploitation d’un taxi aérien) du RAC. La compagnie exerce ses activités à partir de Blue Ridge (Alberta), là où se trouve son siège social. Sa base d’exploitation se trouve à Tumbler Ridge (Colombie-Britannique), et une base satellite se trouve au lac Charlie (Colombie-Britannique).

    Au moment de l’événement à l’étude, Ridge Rotors exploitait 1 hélicoptère Aerospatiale AS 350 B-2, 3 hélicoptères Robinson R44 et 4 hélicoptères Bell 206B, dont l’aéronef en cause dans l’événement à l’étude. Un 5e Bell 206B était immatriculé, mais n’était pas encore exploité. Des organismes de maintenance agréés approuvés par TC effectuent à forfait la maintenance des hélicoptères.

    1.17.1.1 Travail aérien

    Ridge Rotors effectuait des travaux de recensement aérien du dendroctone du pin ponderosa assujettis à la sous-partie 702 (travail aérien) du RAC. La nature du travail aérien comprend diverses opérations à basse altitude que permettent les capacités opérationnelles des hélicoptères.

    La sous-partie 702 du RAC ne stipule aucune altitude minimale d’exploitation lorsque ces aéronefs volent à l’extérieur de zones bâties ou lorsqu’ils transportent une charge externe. Par conséquent, d’après la réglementation en vigueur, les aéronefs qui effectuent des opérations visées par la sous-partie 702 peuvent voler aussi bas que cela est jugé nécessaire pour accomplir les travaux en coursNote de bas de page 31.

    Les opérations à basse altitude que menait Ridge Rotors étaient conformes au RAC ainsi qu’au manuel d’exploitation de la compagnie (MEC). Les recenseurs devaient se trouver à bord; ils remplissaient une fonction essentielle aux travaux de recensement aérien.

    1.17.1.2 Planification du carburant et tenue des dossiers par Ridge Rotors Inc.

    Un examen de la documentation de la compagnie a révélé qu’il était courant d’effectuer des vols de recensement de plus de 3 heures entre les pauses d’avitaillement. Il arrivait souvent que des aéronefs affectés au recensement se posent alors qu’il ne restait que 10 gallons américains de carburant dans le réservoir. D’après le carnet de route d’aéronef du C-GHHU, au cours des 3 semaines qui ont précédé l’accident, l’hélicoptère avait à 10 reprises effectué des vols comprenant plusieurs étapes d’une durée de plus de 3 heures.

    L’enquête a permis de déterminer que, pour les opérations aériennes, les pilotes de la compagnie employaient diverses estimations du taux de consommation de carburant qui variaient de 23 à 30 gallons à l’heure (gal/h). Comme il a été indiqué précédemment, le formulaire de plan de vol qui avait été rempli pour le vol à l’étude indiquait un taux de consommation de 26 gal/h.

    Le manuel d’exploitation de Ridge Rotors décrit les procédures générales d’avitaillement de la compagnie. Ces procédures stipulent que le pilote doit confirmer que l’on a comparé la jauge de carburant et le niveau de carburant dans le réservoir au volucompteur de la pompe à carburant, pour s’assurer que la bonne quantité de carburant a été chargée. Ce manuel ne comprend aucune procédure de consignation de la charge de carburant de chaque hélicoptère.

    L’enquête n’a pas permis de déterminer la quantité réelle de carburant à bord du C-GHHU avant son départ ni son taux de consommation. En effet, plusieurs chargements de carburant étaient consignés en tant qu’inscriptions individuelles dans les fiches carburant, conservées aux sites de cache à carburant de Ridge Rotors. La pratique chez Ridge Rotors consistait à consigner plusieurs vols sous 1 seule inscription dans 1 carnet de bord. Les données d’avitaillement en carburant n’étaient pas consignées dans les carnets de route des aéronefs. Cette pratique était conforme à l’article 605.94 du RAC.

    1.17.1.3 Gestion de la sécurité à Ridge Rotors Inc.

    Lorsqu’il est correctement mis en œuvre, un système de gestion de la sécurité (SGS) fournit aux entreprises un cadre efficace de gestion du risque qui rend leurs activités plus sûres. Comme Ridge Rotors est un exploitant assujetti aux sous-parties 702 et 703 du RAC, la compagnie n’était pas tenue d’avoir un SGS approuvé par TC. Néanmoins, la compagnie a un système en place pour gérer la sécurité, de même qu’une politique de santé et sécurité.

    Le manuel de gestion de la sécurité de Ridge Rotors décrit 2 processus officieux d’identification des dangers et risques. Le premier est un processus officieux de détection des dangers et risques. Ce processus n’est pas établi comme procédure spécifique; il est plutôt informel et dure depuis longtemps. Il consiste en l’examen des activités, des procédures et des comportements pertinents à la sécurité. Le second est un processus formel d’identification des risques et dangers. On le documente en remplissant des feuilles de travail sur la gestion des risques. On le met en œuvre lorsque l’on apporte des changements à la structure, aux procédures ou au personnel clé de la compagnie, ou lorsque l’on cerne des tendances négatives en sécuritéNote de bas de page 32.

    Ce processus formel d’identification des risques et dangers abordait les dangers liés aux manœuvres de vol à basse altitude durant le recensement aérien et aux pannes moteur en vol. On y présentait les causes de ces dangers et des stratégies de maîtrise et de rétablissement, leur mise en œuvre et leur efficacité.

    La politique de santé et sécurité stipule notamment que pour maintenir la sécurité de vol, on doit

    [traduction] signaler les incidents et les analyser pour prévenir toute répétition. La compagnie encourage tous les employés à aborder la sécurité de façon proactive et à communiquer leurs idées et suggestions pour améliorer la sécuritéNote de bas de page 33.

    Or, malgré sa politique de santé et sécurité, la compagnie n’a aucun processus officiel pour consigner et analyser les préoccupations relatives à la sécurité et mettre en œuvre des mesures pour les atténuer. L’enquête n’a pas permis de déterminer si des employés avaient exprimé une quelconque préoccupation concernant les vols à basse altitude avant l’accident.

    La dernière inspection de validation de programme (IVP) par TC de cette compagnie remontait au 25 janvier 2011. TC avait alors relevé 2 constatations administratives mineures. Lorsque cette IVP avait été effectuée, la flotte d’hélicoptères de Ridge Rotors comptait 5 aéronefs de 3 types différents. Dans l’intervalle entre cette IVP et l’accident, la taille de cette flotte a augmenté à 8 hélicoptères.

    TC avait prévu de faire une IVP à Ridge Rotors durant l’exercice 2016–2017. Toutefois, au moment de l’événement à l’étude, cette IVP n’avait pas encore eu lieu.

    1.17.2 Liste de surveillance du BST

    La gestion de la sécurité et la surveillance resteront sur la Liste de surveillance du BST jusqu’à ce que :

    • Transports Canada mette en œuvre des règlements obligeant tous les exploitants des secteurs du transport commercial aérien et maritime à adopter des processus de gestion de la sécurité officiels et supervise efficacement ces processus;
    • les entreprises de transport qui possèdent un système de gestion de la sécurité démontrent qu’il fonctionne bien, c’est-à-dire qu’il permet de déceler les risques et que des mesures de réduction des risques efficaces sont mises en œuvre;
    • Transports Canada intervienne lorsque des entreprises de transport ne peuvent assurer efficacement la gestion de la sécurité et le fasse de façon à corriger les pratiques d’exploitation jugées non sécuritaires.

    La Liste de surveillance du BST énumère les principaux enjeux de sécurité qu’il faut s’employer à régler pour rendre le système de transport canadien encore plus sûr.

    La gestion de la sécurité et la surveillance figurent sur la Liste de surveillance 2016. Comme l’événement à l’étude l’a démontré, certaines entreprises de transport ne gèrent pas leurs risques en matière de sécurité de façon efficace, et bon nombre d’entre elles ne sont pas tenues d’avoir des processus de gestion de la sécurité officiels en place. La surveillance et l’intervention de Transports Canada ne se sont pas toujours avérées efficaces pour provoquer des changements dans les pratiques d’exploitation non sécuritaires des entreprises.

    Toutes les entreprises de transport sont responsables de la gestion des risques pour la sécurité de leur exploitation. Certaines estiment que le niveau de sécurité est adéquat tant qu’elles se conforment à la réglementation, mais cette dernière ne peut, à elle seule, prévoir tous les risques spécifiques d’une activité. C’est la raison pour laquelle le BST a maintes fois souligné les avantages des SGS, qui sont des cadres reconnus à l’échelle internationale qui permettent aux entreprises de gérer efficacement les risques et de rendre leur exploitation plus sécuritaire.

    De nombreuses enquêtes récentesNote de bas de page 34 ont révélé des entreprises qui ne géraient pas les risques en matière de sécurité de façon efficace, soit parce ces entreprises n’étaient pas tenues d’avoir un SGS, soit parce que leur SGS n’était pas correctement mis en œuvre. Le BST a également émis plusieurs recommandations concernant les SGS et la supervisionNote de bas de page 35.

    1.17.3 Recommandation A16-12 du BST

    Ridge Rotors est un exploitant assujetti aux sous-parties 702 et 703 du RAC. Par conséquent, la compagnie n’était pas tenue d’avoir un SGS approuvé par TC. Par contre, il incombe aux entreprises de transport de gérer les risques pour la sécurité liés à leurs activités. La conformité à la réglementation n’offre qu’un niveau de sécurité de base à tous les exploitants d’un secteur donné. Puisque les exigences réglementaires ne peuvent prévoir tous les risques liés à une activité particulière, les entreprises doivent pouvoir cerner et atténuer les dangers propres à leurs activités.

    Les enquêtes du BST sur les accidents de transport ont fait ressortir la nécessité pour les exploitants de pouvoir gérer efficacement la sécurité. Plus de 10 ans après la mise en place de la première réglementation sur les SGS des exploitants assujettis à la sous-partie 705 du RAC et des entreprises qui font la maintenance de ces types d’aéronefs, voilà que la mise en œuvre des SGS stagne. De nombreuses entreprises ont reconnu les avantages d’avoir un SGS et en ont volontairement amorcé la mise en œuvre au sein de leur organisation. Or, les exploitants assujettis aux sous-parties 702, 703 et 704 du RAC, soit environ 90 % de tous les titulaires d’un certificat d’aviation canadien, ne sont toujours pas tenus d’avoir un SGS, selon la réglementation. Par conséquent, TC n’a aucune assurance quant à la capacité de ces exploitants de gérer efficacement la sécurité.

    Par conséquent, le Bureau a recommandé que :

    le ministère des Transports exige que tous les exploitants d’aviation commerciale au Canada mettent en œuvre un système de gestion de la sécurité en bonne et due forme.
    Recommandation A16-12 du BST

    La réponse de TC à la recommandation A16-12 (septembre 2016) a été la suivante :

    Transports Canada donne son accord de principe à cette recommandation.

    […]

    TC entend donner suite à cette recommandation de deux manières. Premièrement, en continuant à promouvoir l’adoption volontaire d’un système de gestion de la sécurité chez le reste des transporteurs aériens commerciaux. Pour y arriver, le Ministère entend publier des documents d’orientation mis à jour qui visent les entreprises de plus petite taille cette année. Deuxièmement, au cours des 18 prochains mois, le Ministère réexaminera la politique, les règlements et les programmes relatifs aux systèmes de gestion de la sécurité dans l’aviation civile. Le résultat escompté de cet examen est une détermination de la portée, de l’instrument de réglementation, de l’applicabilité et du modèle de surveillance.

    En réponse à la recommandation A16-12, TC a publié l’édition no 02 de la Circulaire d’information 107-002, Guide sur le développement des systèmes de gestion de la sécurité à l’intention des plus petits organismes de l’aviation, le 2 septembre 2016. Ce document a pour objet d’aider les petites compagnies d’aviation à mettre en œuvre un SGS. Toutefois, le Bureau n’a pu évaluer la réponse de TC à la recommandation A16-12 (novembre 2016), car elle n’offrait aucune indication claire relativement aux mesures que prendra TC une fois que son examen sera achevé. TC n’a donné aucune indication quant à son intention d’amorcer un processus de modification de la réglementation pour exiger que tous les exploitants aériens commerciaux mettent en œuvre un SGS officiel.

    1.18 Renseignements supplémentaires

    Sans objet.

    1.19 Techniques d’enquête utiles ou indiquées

    Sans objet.

    2.0 Analyse

    2.1 Introduction

    L’examen de l’hélicoptère et des données recueillies durant l’enquête a indiqué qu’il n’y avait aucun problème mécanique qui aurait pu entraîner l’extinction du moteur et l’écrasement subséquent. Il n’y avait aucune indication que des facteurs physiologiques, y compris la fatigue, étaient en cause dans l’accident. Par conséquent, la présente analyse portera principalement sur les facteurs organisationnels et liés à l’exploitation qui ont contribué à l’accident.

    2.2 Quantité de carburant

    La quantité exacte de carburant à bord du C-GHHU au moment de l’événement n’a pu être déterminée, car le réservoir de carburant a été percé au cours de l’impact, et parce qu’il n’y avait pas de dossiers d’avitaillement détaillés tenus à jour par Ridge Rotors Inc. (Ridge Rotors).

    Il est probable que le C-GHHU ait quitté l’aéroport de Whitecourt (CYZU) (Alberta) avec 86 gallons américains de carburant à bord et que, d’après les performances des moteurs Rolls‑Royce (voir le tableau 5, section 1.6.4), adjustées en fonction des conditions de vol à une altitude-densité de 3900 pieds au-dessus du niveau de la mer, l’aéronef ait consommé 27,2 gallons à l’heure. Selon cette hypothèse, cela donnerait une quantité de 14 à 21 gallons américains au moment de l’accident (voir le tableau 6, section 1.6.6).

    2.2.1 Politiques et procédures de Ridge Rotors Inc. relatives au carburant

    Ridge Rotors n’avait en place aucune politique selon laquelle, au poser d’un hélicoptère, il devait rester une quantité minimale spécifique de carburant afin de maintenir des marges de sécurité suffisantes et empêcher la mise à découvert des prises de carburant des pompes de gavage carburant. Il était de pratique courante à Ridge Rotors que les hélicoptères se posent alors qu’il ne restait que 10 gallons américains de carburant dans leur réservoir. Cette quantité de carburant est conforme au minimum requis par le Règlement de l’aviation canadien (RAC); toutefois, elle est inférieure aux quantités minimales recommandées par Bell Helicopter Textron Inc. pour l’exploitation.

    Le manuel de vol du giravion (MVG) stipule que le pilote doit se poser dès que possible lorsque s’allume le voyant de bas niveau de carburant (lorsqu’il ne reste plus que 20 gallons américains). Même si le C-GHHU n’était pas muni de ce système, la mise en garde demeure valide. Ridge Rotors n’a pas tenu compte de cette mise en garde, car le C-GHHU n’était pas muni d’un voyant de bas niveau de carburant. Le MVG stipule en outre que la quantité de carburant inutilisable passe à 10 gallons américains si l’une des pompes de gavage est inopérante ou les 2 pompes sont inopérantesNote de bas de page 36.

    S’il y a incohérence entre les mises en garde sur les quantités de carburant dans le MVG, il y a un risque que l’hélicoptère soit exploité avec un niveau de carburant qui pourrait favoriser une extinction du moteur.

    Ridge Rotors n’avait aucune méthode détaillée pour consigner les quantités de carburant que l’on chargeait à bord des hélicoptères. Souvent, on avitaillait plus d’un hélicoptère à la fois, et seule la quantité totale de carburant dispensée était consignée au moyen d’une seule inscription. Pour aggraver la situation, on consignait plusieurs secteurs de vol quotidiens sous 1 seule inscription dans le carnet de route d’aéronef.

    En raison des limites de cette pratique, il n’a pas été possible de déterminer exactement la durée de chaque vol et la quantité de carburant consommée. Si les exploitants ne tiennent pas des dossiers détaillés d’avitaillement et de temps de vol, il y a un risque que les vols se poursuivent malgré le bas niveau de carburant dans le réservoir, ce qui augmente les risques d’accident.

    2.3 Prise de décisions du pilote

    Lorsque le C-GHHU est arrivé au lieu de la pause, le réservoir contenait probablement de 21 à 29 gallons américains de carburant (voir tableau 6, section 1.6.6). L’hélicoptère a passé 20 minutes au sol, après quoi le niveau de carburant devait se situer entre 18 et 26 gallons. Le pilote a poursuivi le recensement plutôt que de se rendre directement à la cache à carburant, à l’aérodrome de Fox Creek (CED4). Il est probable que la pratique courante à Ridge Rotors Inc. de voler alors qu’il reste moins de 20 gallons de carburant à bord ait incité le pilote à poursuivre le vol plutôt que se rendre au site d’avitaillement.

    2.4 Extinction du moteur

    Le circuit carburant du Bell 206B peut être susceptible à la mise à découvert lorsque le réservoir contient moins de 20 gallons de carburant et que l’hélicoptère subit des forces d’accélération. Le laboratoire du BST a approfondi son analyse de la mise à découvert potentielle à divers niveaux de carburant. Avec 10, 15 et 20 gallons américains de carburant dans le réservoir, les forces d’accélération latérale minimales nécessaires pour que le ballottement du carburant mette à découvert des prises de carburant seraient de 0,12 g, 0,21 g et 0,32 g respectivement. Ces forces peuvent être attribuables à la turbulence ou aux manipulations des commandes de vol par le pilote. La plus grande susceptibilité survient quand 1 des pompes de gavage carburant ou les 2 sont inopérantes. D’après le fabricant, dans de telles circonstances, 10 gallons américains est la quantité de carburant inutilisable.

    Dans l’événement à l’étude, il est probable que les forces d’accélération pendant le virage qui a entraîné l’interruption de l’alimentation en carburant ont été de courte durée. En effet, à l’examen après accident, on a constaté la présence de carburant d’un bout à l’autre du circuit carburant.

    Pendant que l’hélicoptère effectuait un virage à gauche, il est probable que les forces d’accélération aient mis à découvert 1 pompe de gavage carburant ou les 2. L’introduction d’air dans la chambre de combustion a interrompu l’alimentation de carburant et a entraîné l’extinction du moteur.

    Le système de rallumage du moteur installé à bord du C-GHHU était conçu pour s’activer lorsque N2 baissait sous 96 %. Au moment de l’extinction du moteur, N2 aurait baissé et entraîné les conditions permettant l’activation du système de rallumage du moteur. Le système de rallumage du moteur à bord du C-GHHU n’était pas armé au moment de l’extinction du moteur. Le commutateur de commande de ce système était à la position « OFF »; par conséquent, le circuit de rallumage du moteur n’a pu fonctionner.

    Le système de rallumage du moteur n’était pas armé au moment de l’événement à l’étude, ce qui a empêché le rallumage automatique du moteur après son extinction.

    2.5 Listes de vérifications

    2.5.1 Modification de la liste de vérifications

    Ridge Rotors avait modifié la liste de vérifications du Bell 206B sans consulter Bell Helicopter Textron Inc., et la compagnie n’était pas tenue de le faire, selon la réglementation en vigueur. Contrairement au commutateur facultatif de mise en sourdine du klaxon, la présence d’un disjoncteur d’avertissement ajoute une étape de plus à la liste de vérifications que doit exécuter le pilote (réinitialiser le système avant le décollage). Il peut toujours arriver que l’on rate un élément d’une liste de vérifications, ce qui peut entraîner un danger. Dans l’événement à l’étude, il est probable que le disjoncteur n’ait pas été réinitialisé avant le décollage, malgré l’exigence de la liste de vérifications d’enfoncer les disjoncteurs. Si les exploitants modifient les listes de vérifications sans consulter le fabricant, il y a un risque d’introduire par inadvertance des dangers dans les opérations aériennes.

    Comme l’hélicoptère n’était pas muni d’un commutateur de mise en sourdine, la compagnie avait adopté une procédure pour couper le klaxon de bas régime moteur durant le démarrage et l’arrêt du moteur. Cette procédure consistait à tirer sur le disjoncteur d’avertissement durant l’arrêt moteur.

    2.5.2 Utilisation de la liste de vérifications

    Avant le départ de CYZU, le pilote avait eu 2 occasions de confirmer que les disjoncteurs étaient enfoncés et fermés. La première s’est présentée durant la procédure de démarrage, et la seconde s’est présentée durant les vérifications des commandes de vol et du moteur. Par conséquent, le pilote ne pouvait pas disposer de l’information transmise par les voyants d’avertissement de bas régime moteur et de panne moteur, puisqu’ils étaient inopérants. On n’a pu déterminer si cette situation a influé sur la réaction du pilote à la panne moteur.

    2.6 Atténuation des risques pour les opérations à basse altitude

    La technique de recensement du dendroctone du pin ponderosa exige que l’hélicoptère vole pendant de longues périodes à basse altitude et à des vitesses réduites. Si l’on exploite un hélicoptère à l’extérieur des zones sûres indiquées dans le diagramme hauteur/vitesse, il y a un risque que les pilotes ne puissent réussir à effectuer un atterrissage d’urgence.

    Ridge Rotors n’était pas tenue d’avoir un système de gestion de la sécurité approuvé par Transports Canada. Néanmoins, la compagnie avait un système en place pour gérer la sécurité, de même qu’une politique de santé et sécurité. Son système pour gérer la sécurité comprenait un processus officiel de gestion du risque, que la compagnie appliquait aux dangers qu’elle avait cernés. Aucun renseignement n’a été fourni aux enquêteurs pour établir les dates de mise en œuvre et de suivi des évaluations des risques. La gestion de la sécurité à Ridge Rotors ne se fondait sur aucun processus rigoureux d’analyse du risque pour atténuer les risques et les dangers associés à ce type de vol. Par conséquent, la compagnie a omis d’employer certains mécanismes de défense disponibles, par exemple :

    • la modification des techniques d’observation pour permettre des altitudes plus élevées;
    • l’utilisation d’un système de rallumage du moteur;
    • la sensibilisation du personnel d’opérations aériennes au risque accru d’extinction du moteur lorsque le réservoir de carburant contient moins de 20 gallons.

    Si les compagnies n’emploient aucun processus d’analyse rigoureux, il y a un risque que l’on néglige les stratégies d’atténuation des risques liés à l’exploitation.

    2.7 Commandes de vol doubles

    Le vol s’est déroulé avec un 2e jeu de commandes de vol (commandes de vol doubles) installé au siège avant gauche. Le pilote a permis au recenseur qui occupait le siège avant gauche de suivre ses manipulations des commandes de vol pendant que l’aéronef faisait route vers la zone de recensement. Lorsque le C-GHHU a décollé du lieu de la pause, après que les recenseurs ont changé de siège, le second recenseur a lui aussi suivi les manipulations des commandes de vol par le pilote jusqu’au début du recensement.

    2.8 Possibilités de survie

    Les blessures des occupants indiquent que les forces de décélération offraient de bonnes chances de survie. Les blessures mortelles qu’a subies le recenseur assis dans le siège avant gauche ont été causées par des arbres qui ont pénétré le poste de pilotage de l’hélicoptère durant l’impact.

    Il est probable que le casque que portait le pilote ait prévenu une blessure grave ou mortelle à la tête. L’utilisation de harnais 4 points a également prévenu des blessures.

    Le recenseur qui occupait le siège arrière a pu joindre les services d’urgence par téléphone cellulaire, ce qui a permis un sauvetage rapide. Le service de surveillance par satellite qu’employait la compagnie a également été utile aux efforts de sauvetage.

    De plus, la radiobalise de repérage d’urgence s’est déclenchée lors de l’impact, ce qui a averti le centre conjoint de coordination de sauvetage et facilité la localisation du lieu de l’accident. Malgré son système de retenue par ruban autoagrippant, la radiobalise de repérage d’urgence est demeurée fixée à son support et a pu se déclencher.

    3.0 Faits établis

    3.1 Faits établis quant aux causes et aux facteurs contributifs

    1. Ridge Rotors Inc. n’avait en place aucune politique selon laquelle, au poser d’un hélicoptère, il devait rester une quantité minimale précise de carburant dans le réservoir afin de maintenir des marges de sécurité suffisantes et empêcher la mise à découvert des prises de carburant des pompes de gavage carburant.
    2. Il est probable que la pratique courante à Ridge Rotors Inc. d’effectuer des vols alors qu’il reste moins de 20 gallons américains de carburant à bord ait incité le pilote à poursuivre le vol plutôt qu’à se rendre au site d’avitaillement.
    3. Pendant que l’hélicoptère effectuait un virage à gauche, il est probable que les forces d’accélération aient mis à découvert 1 pompe de gavage carburant ou les 2. L’introduction d’air dans la chambre de combustion a interrompu l’alimentation de carburant et a entraîné l’extinction du moteur.
    4. Le système de rallumage du moteur n’était pas armé au moment de l’événement à l’étude, ce qui a empêché le rallumage automatique du moteur après son extinction.

    3.2 Faits établis quant aux risques

    1. S’il y a incohérence entre les mises en garde sur les quantités de carburant dans le manuel de vol du giravion, il y a un risque que l’hélicoptère soit exploité avec un niveau de carburant qui pourrait favoriser l’extinction du moteur.
    2. Si les exploitants ne tiennent pas des dossiers détaillés d’avitaillement et de temps de vol, il y a un risque que les vols se poursuivent malgré le bas niveau de carburant dans le réservoir, ce qui augmente les risques d’accident.
    3. Si les exploitants modifient les listes de vérifications sans consulter le fabricant, il y a un risque d’introduire par inadvertance des dangers dans les opérations aériennes.
    4. Si l’on exploite un hélicoptère à l’extérieur des zones sûres indiquées dans le diagramme hauteur/vitesse, il y a un risque que les pilotes ne soient pas en mesure de réussir un atterrissage d’urgence.
    5. Si les compagnies n’emploient aucun processus d’analyse rigoureux, il y a un risque que l’on néglige les stratégies d’atténuation des risques liés à l’exploitation.

    3.3 Autres faits établis

    1. Il est probable que le casque que portait le pilote ait prévenu une blessure grave ou mortelle à la tête.

    4.0 Mesures de sécurité

    4.1 Mesures de sécurité prises

    4.1.1 Processus d’inspection par Transports Canada de Ridge Rotors Inc.

    Après l’accident, Transports Canada (TC) a mené une inspection de processus (IP) réactive de Ridge Rotors Inc. (Ridge Rotors) en septembre et octobre 2016. TC a relevé 6 constatations mineures de non-conformité dans les domaines suivants :

    • programme de formation de pilote
    • programme de masse et centrage
    • système de contrôle de la maintenance
    • programme d’assurance qualité et formation.

    Le 27 octobre 2016, des plans de mesures correctives (PMC) ont été présentés pour remédier aux constatations de non-conformité. TC a approuvé tous ces PMC. Une inspection sur place pour vérifier qu’on applique tous les PMC est prévue à l’automne 2017, et une inspection de validation de programme doit avoir lieu en mars 2018.

    4.1.2 Ridge Rotors Inc.

    Ridge Rotors exige désormais que le système de rallumage automatique demeure armé durant toutes les phases de vol. Ce changement a été incorporé dans les procédures d’utilisation normalisées de la compagnie, et les pilotes ont reçu de la formation en conséquence.

    4.1.3 Bureau de la sécurité des transports du Canada

    Le 31 janvier 2018, le BST a envoyé un avis de sécuritéNote de bas de page 37 à Bell Helicopter Textron Inc. Cet avis indiquait, en partie, que :

    [traduction] un MVG (manuel de vol du giravion) sans directives cohérentes sur l’exploitation avec 20 gallons américains ou moins augmente le risque que les pilotes poursuivent leur vol avec moins de 20 gallons américains, sans se rendre compte du risque accru de mise à découvert des prises de carburant à mesure que baisse le niveau de carburant. Ainsi, Bell Helicopter pourrait envisager la révision de son manuel de vol du giravion par l’ajout d’une mise en garde sur les 20 gallons américains, peu importe si un voyant d’avertissement « FUEL LOW » est installé.

    Le présent rapport conclut l’enquête du Bureau de la sécurité des transports du Canada sur cet événement. Le Bureau a autorisé la publication de ce rapport le . Le rapport a été publié en premier lieu le .

    Correction

    La section Renseignements de base du présent rapport a été modifiée comme suit :

    • Le dernier paragraphe de la section 1.6.3, Circuit carburant, a été modifié par l’ajout de la quantité de carburant inutilisable de 1,06 gallon américain.
    • Le quatrième paragraphe de la section 1.6.3.1, Pompes de gavage carburant et possibilité d’extinction du moteur, a été modifié pour clarifier qu’il est interdit de voler lorsque les 2 pompes de gavage sont inopérantes. Le fabricant précise que si 1 des 2 pompes de gavage, ou les 2, deviennent inopérantes durant le vol, la quantité de carburant inutilisable augmente à 10 gallons américains.
    • La fin du quatrième paragraphe de la section 1.6.3.1, Pompes de gavage carburant et possibilité d’extinction du moteur, a été modifiée par l’ajout d’une confirmation par le fabricant que, si le niveau de carburant est suffisamment bas, une mise à découvert est possible même avec 2 pompes de gavage fonctionnelles, en cas de vol non coordonné ou de conditions non compensées.
    • Un nouveau paragraphe a été ajouté à la fin de la section 1.6.3.1, Pompes de gavage carburant et possibilité d’extinction du moteur, pour indiquer que le laboratoire du BST a approfondi son analyse de la mise à découvert potentielle des prises de carburant à différents niveaux de carburant. On a ajouté le tableau 4 pour montrer les résultats.
    • Un nouveau paragraphe a été ajouté à la fin de la section 1.6.4, Performances de l’aéronef, pour clarifier les valeurs spécifiques de consommation de carburant pour des conditions de vol à une altitude-densité de 3900 pieds au-dessus du niveau de la mer (ASL).
    • Le tableau 5 (tableau 4 dans la version initiale du rapport) indiquait une consommation de carburant en vol de croisière B (75 %) de 28 gallons américains l’heure. Ce tableau a été corrigé pour indiquer les valeurs spécifiques de consommation de carburant pour des conditions de vol à une altitude-densité de 3900 pieds ASL, soit une consommation de 27,2 gallons américains l’heure.
    • La section 1.16.1, Rapports de laboratoire du BST, a été modifié par l’ajout du rapport de laboratoire LP272/2017 – Fuel Tank Unporting Analysis [analyse de la mise à découvert de la prise de carburant].
    • Dans la version initiale publiée du rapport, le second paragraphe de la section 1.17.1.3, Gestion de la sécurité à Ridge Rotors Inc., indiquait que le manuel du système de gestion de la sécurité de Ridge Rotors décrivait un processus informel d’identification des risques et dangers. Le rapport a été modifié pour clarifier que la compagnie a 2 processus d’identification des risques et dangers.

    La section Analyse du présent rapport a été modifiée comme suit :

    • Dans la version initiale publiée du rapport, le second paragraphe de la section 2.2, Quantité de carburant, indiquait qu’au moment de l’accident, la quantité de carburant à bord du C-GHHU était de 12 à 21 gallons américains. Le rapport a été modifié pour montrer les changements apportés au tableau 5 (tableau 4 dans la version initiale du rapport). Ce tableau a été corrigé pour indiquer les valeurs spécifiques de consommation de carburant pour des conditions de vol à une altitude-densité de 3900 pieds ASL, ce qui donne une quantité de carburant à bord du C-GHHU de 14 à 21 gallons américains au moment de l’accident.
    • Dans la version initiale publiée du rapport, le second paragraphe de la section 2.2.1, Politiques et procédures de Ridge Rotors Inc. relatives au carburant, indiquait que, même si le C-GHHU n’était pas muni d’un voyant d’alarme de bas niveau de carburant, la mise en garde d’atterrir le plus tôt possible demeurait valide. Le rapport a été corrigé pour montrer que cette mise en garde s’appliquait.
    • Dans la version initiale publiée du rapport, le troisième paragraphe de la section 2.2.1, Politiques et procédures de Ridge Rotors Inc. relatives au carburant, indiquait l’importance pour les exploitants de comprendre les limites du circuit carburant de l’hélicoptère Bell 206B et les risques associés aux vols avec moins de 20 gallons américains de carburant dans le réservoir. En cas d’incohérence entre les mises en garde sur les quantités de carburant dans le manuel de vol du giravion (MVG), il y a un risque que l’hélicoptère soit exploité avec un niveau de carburant qui pourrait favoriser l’extinction du moteur.
    • La section 2.4, Extinction du moteur, a été modifié pour indiquer que le laboratoire du BST a approfondi son analyse de la mise à découvert potentielle à divers niveaux de carburant.
    • Dans la version initiale publiée du rapport, le second paragraphe de la section 2.6, Atténuation des risques pour les opérations à basse altitude, indiquait que Ridge Rotors n’avait fourni aucun renseignement pour établir les dates de mise en œuvre et de suivi des évaluations des risques. Le rapport a été corrigé pour indiquer qu’aucun renseignement n’avait été fourni aux enquêteurs pour établir des dates de mise en œuvre et de suivi des évaluations des risques.

    La section Faits établis du présent rapport a été modifié comme suit :

    • Dans la version initiale publiée du rapport, le fait établi quant aux risques no 1 indiquait que si les exploitants ne respectent pas les quantités minimales de carburant que recommande le MVG, il y a un risque qu’ils exploitent l’hélicoptère avec un niveau de carburant qui favorise l’extinction du moteur. En cas d’incohérence entre les mises en garde sur les quantités de carburant dans le MVG, il y a un risque que l’hélicoptère soit exploité avec un niveau de carburant qui pourrait favoriser l’extinction du moteur.

    La section Mesures de sécurité du présent rapport a été modifié comme suit :

    • La section 4.1.3, Bureau de la sécurité des transports du Canada, a été ajouté pour indiquer que le 31 janvier 2018, le BST a envoyé un avis de sécurité à Bell Helicopter Textron Inc.

    Le Bureau a autorisé la présente correction le et la version corrigée du rapport a été publiée le .

    Annexes

    Annexe A – Circuit carburant du Bell 206B

    Annexe A - Circuit carburant du Bell 206B
    Image
    Annexe A - Circuit carburant du Bell 206B

    Source : Bell Helicopter Textron Inc., 206B Pilot Ground and Flight Procedures, révision 3‑1‑2003, p. 5‑1, avec annotations du Bureau de la sécurité des transports du Canada

    Annexe B – Diagramme hauteur/vitesse

    Annexe B - Diagramme hauteur/vitesse
    Image
    Annexe B - Diagramme hauteur/vitesse

    Source : Bell Helicopter Textron Inc., Bell Model 206B Rotorcraft Flight Manual, BHT-206B-FM-1, révision B‑51 (2 juillet 2009), p. 3‑4, avec annotations du Bureau de la sécurité des transports du Canada