Marine transportation safety investigation report M19C0403

Engine room fire
Bulk carrier Tecumseh
Detroit River
Windsor, Ontario

The Transportation Safety Board of Canada (TSB) investigated this occurrence for the purpose of advancing transportation safety. It is not the function of the Board to assign fault or determine civil or criminal liability. This report is not created for use in the context of legal, disciplinary or other proceedings. See Ownership and use of content. Masculine pronouns and position titles may be used to signify all genders to comply with the Canadian Transportation Accident Investigation and Safety Board Act (S.C. 1989, c. 3).

Table of contents

    Summary

    On 15 December 2019, the bulk carrier Tecumseh had a fire in the engine room while transiting the Detroit River off Windsor, Ontario. There were 16 crew members on board at the time. The vessel dropped both anchors, and the fixed fire suppression system was used to extinguish the fire. The fire later re-ignited, and the vessel was towed to the Port of Windsor, where the fire was extinguished on 16 December with the assistance of shore-based resources.

    1.0 Factual information

    1.1 Particulars of the vessel

    Table 1. Particulars of the vessel
    Name of the vessel Tecumseh
    International Maritime Organization number 7225855
    Official number 836045
    Port of registry Port Dover, Ontario
    Flag Canada
    Type Bulk carrier
    Gross tonnage 18 049
    Length overall 195.38 m
    Breadth extreme 23.72 m
    Draft at time of occurrence Forward: 7.8 m / Aft: 8.4 m
    Built 1972, Seattle, WA, U.S.
    Propulsion Two 4-stroke, single-acting, medium-speed diesel engines generating a total of 8826 kW, driving 1 controllable-pitch propeller via 1 main reduction gearbox
    Bow thruster One tunnel-type diesel engine thruster generating a maximum of 746 kW
    Crew 16
    Registered owner / technical manager Lower Lakes Towing Ltd.
    Classification society Lloyd’s Register
    Issuing authority for the international safety management certification American Bureau of Shipping

    1.2 Description of the vessel

    The Tecumseh is a bulk carrier with the superstructure located aft (Figure 1). The superstructure consists of the navigation bridge deck, the accommodations, the machinery casing, and the funnel. The navigation bridge is equipped with all required navigation and communications equipment in accordance with Canadian regulations. The vessel’s cargo space is divided into 6 holds forward of the superstructure.

    Figure 1. The Tecumseh (Source: TSB)
    Image
    The Tecumseh (Source: TSB)

    The accommodations span 6 deck levels: the main deck, decks A to D, and the navigation bridge (Figure 2). They include the crew cabins, mess rooms, the galley, multiple store rooms, and the ship’s office. The emergency generator compartment is located on deck B and includes the emergency generator, its fuel tank, and the emergency switchboard. The carbon dioxide (CO2) room is located on the main deck. The emergency fire pump compartment has a dedicated access point in the accommodation passageway on the port side of deck A. There is a safety locker in the accommodations, on the main deck.

    Figure 2. Starboard-side cross-section view of the aft part of the vessel, including superstructure (Source: TSB, based on American Bureau of Shipping drawings)
    Image
    Starboard-side cross-section view of the aft part of the vessel, including superstructure (Source: TSB, based on American Bureau of Shipping drawings)

    The engine room is located below the accommodation decks and its primary access point is on the main deck. The engine room is divided into 3 decks (Figure 2). The uppermost deck, called the 35-foot flat (Figure 3), includes 2 workshops and provides access to the steering gear flat through an A-class door.Footnote 1 The steering gear flat can also be accessed via the steering gear access hatch on the main deck.

    Figure 3. Plan view of the 35-foot flat, showing the outline of the access hatch for the steering gear flat on the main deck and the access door to the engine room (Source: TSB, based on Lower Lakes Towing Ltd. fire control plan)
    Image
    Plan view of the 35-foot flat, showing the outline of the access hatch for the steering gear flat on the main deck and the access door to the engine room (Source: TSB, based on Lower Lakes Towing Ltd. fire control plan)

    The middle deck, called the 24-foot flat (Figure 4), provides access to the auxiliary engines, various ancillary equipment, the purifier room, the engine control room (ECR), and the top part of the main engines. The lower deck, called the tank top, provides access to the lower part of the main engines and to other ancillary machinery. It also includes a maintenance opening for the emergency fire pump compartment.Footnote 2

    The ECR, located aft and athwartship of the engine room on the 24-foot flat, contains the main switchboard, as well as controls for the main engines, auxiliary engines, and ancillary machinery. The ECR bulkheads and their 3 associated doors are rated as A-class divisions. Deck penetrations in the 24-foot flat allow electrical cables to pass between the ECR and the engine room.

    Figure 4. Plan view of the 24-foot flat, showing the engine control room, A-class divisions, and the locations of the fire extinguishers (Source: TSB, based on Lower Lakes Towing Ltd. fire plan)
    Image
    Plan view of the 24-foot flat, showing the engine control room, A-class divisions, and the locations of the fire extinguishers (Source: TSB, based on Lower Lakes Towing Ltd. fire plan)

    The machinery casing is housed in the superstructure and passes through the accommodations.The bulkheads between the accommodations and the machinery casing are rated as A-class divisions. Four doors lead to the machinery casing from the accommodations: 1 door on the port side of deck B, 1 door on the starboard side of deck C, 1 door on the starboard side of deck D, and 1 door at the front of the machinery casing, on the starboard side of the main deck. The machinery casing terminates in the funnel and contains exhaust pipes from the engines and auxiliary boiler.

    The engine room has both supply and exhaust ventilation. The supply ventilation provides fresh air to the engine room and has intakes on the aft exterior side of the superstructure on deck B. The exhaust ventilation dispels heat and fumes from the engine room and has exhaust openings on the aft exterior side of the superstructure on deck D. The supply and exhaust ventilation openings are fitted with fire dampers (Figure 5) to isolate the engine room in case of a fire.

    Figure 5. Stern view of vessel’s superstructure, showing location of engine room ventilation fire dampers (Source: T&T Marine Salvage Inc., with TSB annotations)
    Image
    Stern view of vessel’s superstructure, showing location of engine room ventilation fire dampers (Source: T&T Marine Salvage Inc., with TSB annotations)

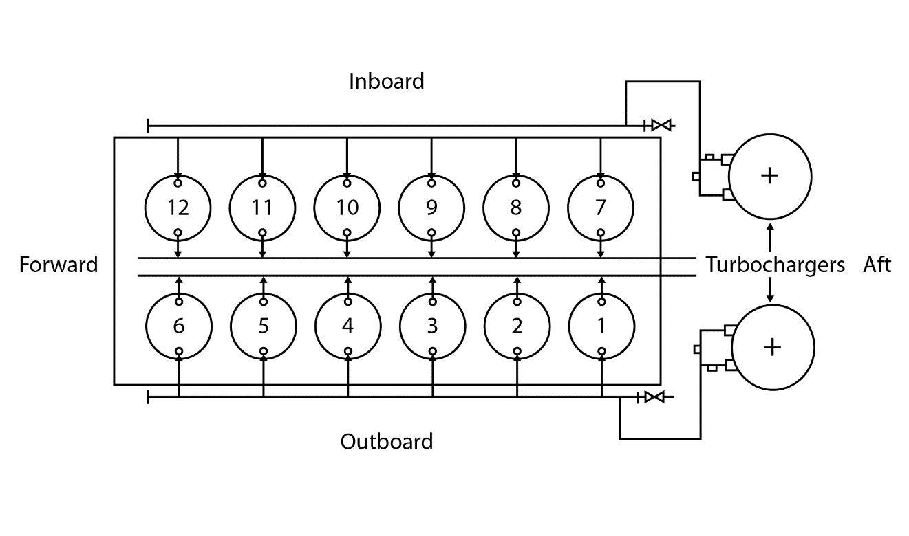
    The Tecumsehs propulsion is provided by two 12-cylinder V-type unidirectional trunk–piston type diesel engines, each with twin turbochargers. One engine is located on the port side of the engine room, and the other is located on the starboard side. On the port main engine, cylinder units No. 1 to No. 6 are located on the outboard cylinder bank, while cylinder units No. 7 to No. 12 are on the inboard bank (Figure 6).

    Figure 6. Layout of the Tecumseh’s port main engine cylinder units and turbochargers (Source: TSB, based on engine manufacturer diagram)
    Image
    Layout of the Tecumseh’s port main engine cylinder units and turbochargers (Source: TSB, based on engine manufacturer diagram)

    The main engines can be operated on either marine diesel oil or intermediate fuel oil.Footnote 3 The fuel supply system feeds both main engines and is fitted with an automatic back‑pressure regulating valve that is designed to maintain a constant fuel oil pressure of 25 to 35 psi in the system. The fuel supply system (Figure 7) consists primarily of hard piping, except where it connects to the engines. At these locations, there are flexible fuel hose assemblies. Each assembly is made up of a short flexible fuel hose with threaded-crimp fittings at either end. The threaded-crimp fittings attach the flexible hose to the hard piping (Figure 8).

    Figure 7. Fuel oil supply system for the port and starboard main engines (Source: TSB, based on engine manufacturer diagram)
    Image
    Fuel oil supply system for the port and starboard main engines (Source: TSB, based on engine manufacturer diagram)
    Figure 8. Flexible fuel hose assembly on the inboard side of the starboard main engine (Source: TSB)
    Image
    Flexible fuel hose assembly on the inboard side of the starboard main engine (Source: TSB)

    The Tecumseh’s electrical power plant comprises 2 diesel-driven auxiliary generators and 1 shaft generator. The 2 auxiliary generators had been replaced in 2005 by the previous owners.

    1.3 History of the occurrence

    On 13 December 2019, the Tecumseh departed Thunder Bay, Ontario, for Windsor, Ontario, loaded with 19 667 tonnes of canola seed in bulk. By 15 December at 1343,Footnote 4 the Tecumseh was downbound in the Detroit River, passing the Ambassador Bridge, which connects Detroit, Michigan, U.S., with Windsor (Appendix A). The bridge team consisted of the master, a helmsman, and the second officer. The engine room team consisted of the third engineer and an engineering assistant.

    At 1406, the engineering assistant was carrying out a routine round of the engine room and the third engineer was re-entering the engine room from the steering gear flat when they both observed that a fire had ignited near the port main engine. They immediately proceeded to the ECR, where the third engineer called the bridge and reported the fire to the master. At the same time, the fire detection system sounded in the engine room and on the bridge panels. Thick smoke rapidly developed in the engine room, and the third engineer and the engineering assistant evacuated the engine room.

    The master immediately sounded the general alarm, used the vessel’s public address system to instruct all crew members to muster, and ordered the helmsman to alter the Tecumseh’s course toward the Canadian side of the river. As none of the crew assigned to muster in the ECR could proceed to the engine room due to the dense smoke, all crew, with the exception of the bridge team, proceeded to the muster station on the main deck aft of the superstructure.

    Concurrently, the master used the vessel’s very high frequency (VHF) radiotelephone to report the emergency to Marine Communications and Traffic Services (MCTS) in Sarnia, Ontario. The Canadian Coast Guard (CCG) vessel Limnos was put on stand-by through the Joint Rescue Coordination Centre (JRCC) in Trenton, Ontario. At 1411, the Tecumseh anchored near the Morterm Ltd. terminal in the Port of Windsor (Appendix A). The master then shut down both main engines from the bridge.

    At 1412, crew members had mustered on the main deck with their lifejackets and survival suits. All 16 crew members were accounted for. The master ordered the crew to proceed with their assigned duties per the vessel’s muster list. Two of the deckhands went to retrieve the firefighter outfits, and other crew members began closing the engine room’s ventilation fire dampers.

    The master and the chief engineer conferred, using the internal telephone system, and decided to use the engine room’s carbon dioxide (CO2) fixed fire suppression system. The chief engineer proceeded to the system’s remote release station, located on the main deck adjacent to the engine room door, and immediately activated the release of the CO2 in the engine room. The chief engineer then went to the emergency control station on deck C, where he used the engine room’s remote controls to activate the quick-closing valves on the fuel oil supply, stop the ventilation fans, and stop all the oil-handling equipment. He also started the emergency generator and the emergency fire pump. A few minutes later, the vessel’s auxiliary generators stopped, and only essential equipment powered by the emergency generator was available.

    At 1423, the master called Lower Lakes Towing Ltd. (LLT), the company that owns and manages the Tecumseh, and reported the situation. At 1429, the master reported to MCTS that the fire was under control and contained in the engine room, and that no assistance was required. Shortly afterward, the Limnos was stood down by JRCC Trenton.

    At 1430, some of the crew were tasked to rig fire hoses to prepare for boundary cooling. The 2 deckhands who had retrieved the firefighter outfits were asked to don them. The deckhands stated that they had not taken Marine Emergency Duties (MED) training and therefore could not act as firefighters.Footnote 5 The crew attempted to start boundary cooling, but the emergency fire pump was not delivering water to the fire main line. The chief engineer attempted to enter the emergency fire pump compartment from the deck A access point to assess the situation, but dense smoke prevented him from doing so.

    At 1500, the crew started fire patrols in the accommodations at 15- to 20-minute intervals. At 1520, the crew observed a significant reduction in the smoke coming out of the engine room funnel and ventilation flaps. At 1556, a U.S. Coast Guard (USCG) vessel, RB-M 45626, arrived alongside the Tecumseh, and a Canadian tug, the Stormont, was proceeding towards the vessel’s position to assist. Once the USGC vessel arrived alongside, the USCG asked the master to provide regular status reports and to conduct mandatory drug and alcohol testingFootnote 6 of all crew members within 2 hours,Footnote 7 even though the the vessel was in Canadian waters. The master complied with both of these requests while continuing to attend to the situation on board. At 1630, the emergency fire pump started to deliver water to the fire main line, and 3 crew members commenced boundary cooling.

    Approximately 2 hours after the CO2 had been released, the crew noticed that the amount of smoke still escaping from the engine room’s closed flaps had increased. The chief engineer was also concerned about oily residue in the engine room bilges and requested permission from the master a few times to enter the engine room to apply firefighting foam in the bilges. At 1700, the master and the chief engineer conferred again and, after approval from LLT, a decision was made to enter the engine room to check if the fire was still spreading and determine where the smoke was coming from. The third engineer and the engineering assistant were ordered to don firefighter outfits and self-contained breathing apparatus (SCBA) to enter the engine room and carry out this task. Both refused and spoke with the chief engineer to raise concerns, which were based on the MED training they had received, regarding the safety of re-entering the engine room and possibly compromising the effectiveness of the CO2 fire suppression.

    The chief engineer and a helmsperson donned firefighter outfits and SCBA. At 1708 they climbed through the provision hatch on the main deck into the steering gear flat and then entered the engine room, leaving open the hatch and the door between the steering gear flat and engine room to pass through the fire hose, which was used as a lifeline. Both the chief engineer and the helmsperson became disoriented in the dense smoke, became separated, and exited the engine room approximately 20 minutes later because they were running out of breathing air from their SCBA.

    Shortly after they exited the engine room, black smoke started coming out of the engine room funnel and ventilation fire dampers again, and the temperature of the main deck started to increase. At 1735, black smoke was reported coming from around the engine room access doors in the accommodations and began spreading in the accommodations on decks B, C, and D. The master suspended the fire patrols and informed the USCG, whose vessel was still on site. The USCG informed JRCC Trenton that the fire on board had restarted.

    At 1745, the designated person ashore for LLT contacted T&T Marine Salvage Inc. (T&T),Footnote 8 which started to deploy 2 shore-based teams to the Tecumseh. The master, LLT, and T&T conferred and decided to tow the Tecumseh to the Morterm Ltd. terminal to have access to shore-based firefighting resources.

    At 1830, the tug Stormont arrived alongside the Tecumseh, and the 2 crews attempted to connect the Tecumseh’s fire hoses to the Stormont’s fire main line but were unable to do so because the equipment was incompatible. At that time, steam was coming out of the fuel oil settling tank via the sounding pipe in the galley and the vent pipe outside on the main deck. The master had concerns about the risk this posed to the safety of the crew and therefore ordered the crew members who were not involved in firefighting to muster forward of the accommodations.

    At 2000, the level of fuel oil in the emergency generator tank had become low, and the crew began manually transferring fuel oil from the bow thruster tank in the forecastle of the vessel to the emergency generator tank using plastic pails (a round trip of approximately 350 m). At 2032, following JRCC Trenton’s unsuccessful attempts to task marine firefighting assetsFootnote 9 from Windsor and Detroit, the CCG vessel Limnos was tasked from Sarnia to assist. The USCG vessel was stood down and returned to its base.

    At 2115, the tugs Nebraska and Cleveland arrived and made fast to the Tecumseh. At 2145, a T&T team boarded the Tecumseh. A salvage plan to bring the vessel alongside the dock was discussed with the master and subsequently approved by LLT at 2320. At 2343, the master was informed that Windsor Fire and Rescue Services would provide shore-based logistical support and boundary cooling but would not board the Tecumseh, as they are not trained in marine firefighting. At 0019 on 16 December, Windsor Fire and Rescue Services, emergency medical services, and the harbour master arrived at the Morterm Ltd. terminal.

    At 0040, because no electrical power was available to the windlass, both of the Tecumseh’s anchor chains were cut and the towing operations began. The 3 tugs brought the Tecumseh alongside at 0133. At 0244, the Limnos arrived on scene and stood by to provide boundary cooling on the port side of the vessel as required. At 0320, the Tecumseh’s manual mooring was completed, and Windsor Fire and Rescue Services began boundary cooling from shore.

    Around 0435, all Tecumseh crew members disembarked and were examined by emergency medical services. Only the chief engineer remained on site to assist the firefighting effort. At 0500, a second T&T team from Texas arrived on the vessel, and the 2 T&T teams entered the engine room at 0615. The fire was declared extinguished at 0700. The fire ignited again 30 minutes later, and firefighting efforts continued until 1350, when the fire was finally extinguished.

    A salvage party recovered the Tecumseh’s anchors and anchor chains from the Detroit River, and the vessel was towed in deadship condition to Ashtabula, Ohio, U.S., where it was laid up.

    1.4 Damage to the vessel

    The Tecumseh’s engine room and associated machinery sustained heat, smoke, and soot damage from the fire. The port main engine (Figure 9) and various electrical cables and equipment (Figure 10) sustained moderate to severe fire damage, while the ECR, including the main switchboard and control consoles, was completely destroyed (Figure 11).

    Figure 9. Damage to the port main engine’s No. 5 and No. 6 cylinder units and surrounding areas. The No. 6 cylinder unit cover was destroyed during the fire. (Source: TSB)
    Image
    Damage to the port main engine’s No. 5 and No. 6 cylinder units and surrounding areas. The No. 6 cylinder unit cover was destroyed during the fire. (Source: TSB)
    Figure 10. Burned electrical cables running along the underside of the 24-foot flat (Source: TSB)
    Image
    Burned electrical cables running along the underside of the 24-foot flat (Source: TSB)
    Figure 11. Engine control room consoles, showing fire damage (Source: TSB)
    Image
    Engine control room consoles, showing fire damage (Source: TSB)

    1.5 Injuries

    All 16 crew members were examined on shore by Windsor Emergency Medical Services. Some showed signs of minor smoke inhalation that did not require hospitalization. One crew member sustained minor injuries to his elbow during the fire response.

    1.6 Environmental conditions

    At the time of the occurrence, the sky was partly cloudy and the visibility was about 18 nautical miles. The wind was from the west at 15 knots. The air temperature was 1 °C.

    1.7 Personnel certification and experience

    The master held a Master, Near Coastal certificate of competency and had been master on the Tecumseh since 2018. He had first joined the company’s fleet in 2001 and had been master on various vessels since 2004. He held valid MED training certificates issued by Transport Canada (TC) in 1990.

    The chief engineer held a First-class Engineer, Motor Ship certificate of competency and had been chief engineer on the Tecumseh since 2012. He held valid MED training certificates issued by TC in 1996. The chief engineer had previously experienced an engine room fire on another vessel, during which the crew had safely re-entered the engine room about 3 hours after having flooded the compartment with the CO2 fixed fire extinguishing system.

    The third engineer held a Fourth-class Engineer, Motor Ship certificate of competency. He held valid MED training certificates issued by TC in 2015.

    All of the remaining crew on the Tecumseh held the required certificates for their positions on board. The vessel’s Safe Manning Document indicated the minimum number of crew requiring MED certification: the master, chief mate, watchkeeping mate, chief engineer, second engineer, 2 ratings, and 4 additional persons. This requirement was met at the time of the occurrence, and 2 additional crew members had MED certification.

    1.8 Vessel certification

    The Tecumseh carried all of the required certificates for a vessel of its class and for the intended voyage. The vessel was originally built and certified in compliance with the International Convention for the Safety of Life at Sea (SOLAS) and had sailed internationally. In 2011, it was purchased by LLT and became a non-Convention vessel. Its certificate of inspection was limited to trading in the Great Lakes and St. Lawrence River basin (Near Coastal Voyage Class 1, limited to inland waters Class 1 [LIM IW1]Footnote 10). The vessel had been classed by Lloyd’s Register since 21 October 2011, when it was imported into Canada.

    The Tecumseh was issued a voluntary safety management certificate, and LLT held a  voluntary document of compliance for this type of vessel issued by the American Bureau of Shipping.

    1.9 Shipboard fire protection systems

    Vessel operators must ensure that the integrity of a vessel’s structural fire protection is maintained and that firefighting equipment is ready to use at all times.Footnote 11 The Tecumseh was fitted with a single fire main line, CO2 fixed fire suppression systems for the engine room and emergency generator room, and a fire detection system. The Tecumseh also carried international shore connections, firefighter outfits, and other firefighting equipment.

    All detection systems, suppression systems, and shipboard firefighting appliances were inspected and certified annually by a shore technician approved by a classification society. The crew carried out monthly maintenance on these systems and the firefighting appliances.

    1.9.1 Structural fire protection

    Fire can spread by the transfer of heat, either by conduction (directly through the material), convection (the motion of gas), or radiation. Marine regulations require that vessels be constructed with structural boundaries to prevent fire from spreading from one compartment to another. This is achieved by creating boundaries between zones within the vessel, and then providing ways to seal any openings (fire doors, cable seals) and to control and isolate ventilation (remote ventilation fans, fire dampers, exhaust ducts). Thermal insulation on decks and bulkheads (A-class, B-class, and C-class divisions)Footnote 12 is also fitted where required.

    The Tecumseh was built to the standards of the 1960 SOLAS Convention,Footnote 13 which included the use of A-class division bulkheads and decks. Additionally, all doors and other pipe or cable penetrations in A-class divisions must provide resistance to the passage of fire and smoke equivalent to that of the bulkheads. Although the vessel is no longer a Convention vessel and is now covered by Canadian regulations,Footnote 14 these regulations require the same level of structural integrity as the SOLAS Convention.

    The auxiliary generators had been replaced in 2005. At that time, the cables that passed between the engine room and ECR were also replaced, which would have required any sealant in place to be removed. Once the new cables were installed, the sealant should have been replaced. There were no records that any work had been done with respect to the cables after 2005. Following the occurrence, only traces of sealant were found at the deck penetrations between the engine room and the ECR.

    1.9.2 Water supply to the fire main line

    The Tecumseh’s fire main line could be supplied water by the fire pump, the bilge pump, or the emergency fire pump. Both the fire pump and the bilge pump were in the engine room. The emergency fire pump was in a dedicated compartment outside of the engine room, as required by regulation, to ensure that the vessel had at least 1 pump available to supply the fire main line regardless of the location of the fire.

    The emergency fire pump was a centrifugal pump driven by an electrical induction motor powered by the emergency switchboard. It was not self-priming or fitted with a priming device, as it was installed below the vessel’s light-load waterline.Footnote 15 The pump could be started locally or remotely. The emergency fire pump’s controls on deck C consisted only of push buttons to open the valves (suction and discharge) and to start the pump. There were no position feedback or status indicators.

    The vessel’s maintenance schedule required that the emergency fire pump be tested monthly. This involved starting the emergency fire pump and producing 2 water jets of at least 30 m simultaneously, 1 aft of the vessel and 1 near the bridge. During the warmer months, the crew tested the emergency fire pump weekly during safety equipment checks. During colder months, the crew did a monthly check on the pump that was limited to rotating the pump by hand; the pump was not started, to prevent freezing up the fire main line.

    An operational test of the emergency fire pump had been carried out 24 days before the occurrence, while the vessel was undergoing a Canadian safety inspection. At that time, there had been a delay of about 3 minutes before the pump could build up water pressure to supply the fire main line. Such a delay was normal for this system. In the past, the crew had also encountered starting issues with the emergency fire pump due to a faulty contactor in the pump’s electrical starter. It was reported that the Tecumseh’s shore-based management had been notified of the problem but at the time of occurrence, the issue had not been addressed.

    In addition to its primary access point on deck A, the emergency fire pump compartment also had a maintenance opening providing access to the compartment from inside the engine room for maintenance purposes. This opening was intended to be secured shut using bolts to maintain structural fire integrity and was not intended for routine use.Footnote 16 At the time of the occurrence, the maintenance opening was not secured using the required bolts. Instead, it was pinned shut by a steel wrench (Figure 12), allowing ongoing access to the emergency fire pump compartment. Since the vessel was acquired in 2011, the crew had routinely used the maintenance opening compartment from the engine room, because this was faster than exiting the engine room to use the compartment’s dedicated access point on deck A. The maintenance opening was represented inaccurately as a door on the fire control plan.

    Figure 12. Diagram showing the location of the maintenance opening of the emergency fire pump compartment from the engine room, and photo of the opening without bolts and pinned shut by a wrench (circled) (Source of diagram: TSB, based on Lower Lakes Towing Ltd. fire control plan. Source of photo: TSB)
    Image
    Diagram showing the location of the maintenance opening of the emergency fire pump compartment from the engine room, and photo of the opening without bolts and pinned shut by a wrench (circled) (Source of diagram: TSB, based on Lower Lakes Towing Ltd. fire control plan. Source of photo: TSB)

    1.9.3 Carbon dioxide fixed fire suppression system

    A fire needs oxygen, an ignition source, and combustible materials. CO2 fixed fire suppression systems work by reducing the level of oxygen (in air) in a confined space below that which is required to support combustion. As liquid CO2 is released, it expands quickly into a gas and displaces oxygen in the air. Because it is heavier than air, it then settles to the bottom of the space and builds up until the space is filled; as long as the concentration of oxygen is below 16% by volume, a fire cannot burn. A typical system releases a total volume of CO2 equivalent to 30% of the space being protected.

    When it is released as a liquid from the storage cylinder, CO2 does have a local cooling effect. However, unlike water, CO2 will not have a noticeable cooling effect in a space the size these systems are used for. Because the combustible materials are unlikely to be removeable, the space must remain sealed to prevent any air getting in until all of the ignition sources are extinguished and the space has cooled.

    After the decision to use a CO2 fixed fire suppression system is made and confirmed, a number of preparatory steps are carried out to ensure the crew is safe and the CO2 release is effective. Using the engine room as an example: confirm all personnel are present and out of the engine room, seal the engine room (vents, fire dampers, flaps, and access points are closed), close any quick-closing oil and fuel valves, confirm that all machinery except the emergency generator is stopped, and then activate the release of CO2. When the system is activated, a warning alarm sounds, there is a delay of 20 to 60 seconds, then all of the CO2 is released within a few minutes. Most systems can only be used once and must be reset or refilled on shore.

    According to the applicable regulations, for vessels that are fitted with a CO2 fixed fire suppression system, “instructions on operating the smothering installation shall be displayed near the distribution control valves and also near the gas cylinders.”Footnote 17

    The International Fire Service Training Association’s publication Marine Fire Fighting for Land-Based Firefighters notes that “[f]ixed fire suppression systems are only effective if the fire compartment is sealed, allowing the oxygen level to reduce below the point that supports combustion.”Footnote 18 In Marine Emergency Duties (MED) training, participants are taught to wait for the temperature to drop below the auto-ignition point (often 12 to 24 hours). Once the CO2 has been released, the crew or firefighters must continue to monitor the fire and confine it to the affected compartment by keeping all openings sealed and by performing boundary cooling using fire hoses. A minimum “soaking time” is required to ensure that all combustible materials have been completely extinguished and that any materials that could re-ignite the fire have been allowed to cool.Footnote 19 When a CO2 fixed fire suppression system is ineffective at controlling or smothering a fire, it is usually because the system is being used incorrectly or by someone unfamiliar with how the system works.Footnote 20

    The U.S. Maritime Training Advisory Board has cautioned that re-ignition is possible with CO2 systems, noting that

    CO2 works well in confined spaces, but it works slowly; patience is the watchword.

    If a flooded space is opened before the fire is completely extinguished, air entering the space may cause re-ignition. Re-ignition requires a second attack, at a time when less CO2 is available.Footnote 21

    The Tecumseh had a CO2 fixed fire suppression system for the engine room, consisting of 3 CO2 release stations and a CO2 room, which contained a battery of 85 cylinders, each holding 34.1 kg (75 pounds) of liquid CO2. One release station was located on the main deck beside the entry to the engine room. Another was located on deck C near a control panel that also had remote start controls for the emergency fire pump and controls to trigger the quick-closing valves, stop the fuel and lubricating oil-handling equipment, and stop the ventilation fans. The third release station was located in the CO2 room itself.

    At all 3 release stations, there was a placard providing instructions about the release of CO2. At the remote release station on deck C, the placard instructions were supplemented with laminated instructions, which contained details about the process for the remote release of CO2. The laminated instructions (Appendix B) and the placard (Figure 13) showed different time delays between the activation of the remote release controls and the release of the CO2 in the engine room (25 seconds versus 60 seconds).

    In this occurrence, the CO2 was released before the fuel supply was stopped and the steps to seal the engine room were completed.

    Figure 13. Tecumseh’s CO2 remote release station on deck C (Source: TSB)
    Image
    Tecumseh’s CO2 remote release station on deck C (Source: TSB)

    1.9.4 Fire detection system and other firefighting appliances

    The Tecumseh had a fire detection system that consisted of 132 smoke detectors and 11 heat detectors. Thirty-three of the smoke detectors and 8 of the heat detectors were located in the engine room. The system had 3 control panels: 1 on the bridge, 1 on deck C, and 1 in the ECR.

    The Tecumseh carried the following firefighting appliances:

    • One 150-pound wheeled ABC-class fire extinguisher that was located outside, on the main deck
    • Two fixed 50-pound CO2 fire extinguishers with reeled hoses, located on the 24-foot flat in the engine room
    • Two fixed dual-75-pound-cylinder CO2 fire extinguishers with reeled hoses, located on the 35-foot flat in the engine room

    The vessel also carried the portable firefighting extinguishers and related equipment required by the Canadian regulationsFootnote 22 applicable to the vessel.

    1.9.5 International shore connections

    An international shore connection is a standardized hose connection to allow vessels to access water from other vessels or from shore-based water supplies to fight fire. One side of the connection is the international standard flange, and the other side is compatible with the fittings on the fire main line of the vessel or the shore-based water supply.

    Canadian cargo vessels of 500 gross tonnage (GT) or more built after February 2017 are required to carry an international shore connection.Footnote 23 It is also recommended that ports or local fire brigades carry this connection as part of the standard equipment for marine firefighting,Footnote 24 but there are currently no requirements in Canada for them to do so.

    The Tecumseh carried 2 international shore connections. Neither the Port of Windsor Authority nor the Windsor Fire and Rescue Services carried an international shore connection as part of their standard firefighting equipment. The Stormont did not carry an international shore connection, nor was it required to, as a vessel of less than 500 GT.

    1.9.6 Firefighter outfits

    The Tecumseh had 2 sets of firefighter personal protective equipment. Each set consisted of a firefighter outfit, an SCBA with spare cylinders, a safety harness, and a lifeline. They were stored in a safety locker located aft on the main deck.

    Both SCBAs were of the same type and model. The vessel had 8 aluminum breathing air cylinders for the SCBAs, each providing 20 minutes of air.

    The fire control plan indicated that there were 2 additional firefighter outfits in the emergency locker in the forecastle, but the investigation found that they had been removed from the vessel in 2018 as they had become obsolete. At that time, the fire control plan was not updated because it was not clear whether LLT intended to replace the outfits or remove them permanently.  

    1.10 International guidance on preventing engine room fires

    In 2009, the International Maritime Organization (IMO) published a circularFootnote 25 that highlighted measures to prevent engine room fires and provided guidance on the maintenance and design of engine rooms with respect to fire prevention. IMO distributed the circular to flag state administrations, including Canada, with the intention that the information would be distributed widely to vessel owners, operators, builders, designers, and other parties.

    Chapter 2 of the circular provides information about the installation and in-service use of flexible pipes, hoses, and hose assemblies carrying flammable liquids. It notes that flexible hoses are intended to be used only where necessary to accommodate relative movement between fixed piping and machinery parts. It further indicates that hoses should be constructed to a recognized standard and be suitable for their intended use, and that the hose assemblies (hose and associated end fittings) should be provided with a certificate of hydrostatic pressure testing and conformity of production. Examples of correct and incorrect installation methods are provided, and the circular indicates that flexible hoses may need to be replaced several times over the life of the vessel and should be inspected regularly. It also states that test reports for flexible hoses should be kept on board to ensure that replacement hoses used during repairs are adequate.Footnote 26

    The International Association of Classification Societies has provided guidance to classification societies indicating that flexible hoses are to be permanently marked by the manufacturer with the manufacturer’s name, the date of manufacture, and the pressure rating, among other things. Further, if a flexible hose assembly is made up of items from different manufacturers, the components are to be clearly identified and traceable to evidence of prototype testing.Footnote 27 Lloyd’s Register has incorporated this guidance into its classification rules.Footnote 28

    The Canada Shipping Act, 2001 and the Marine Machinery Regulations contain regulatory requirements for short flexible hoses used to carry fuel. Flexible hoses must be suitable for their intended use, but the regulatory requirements provide little guidance on their use. The regulations do not make reference to the IMO’s 2009 circular, and TC had not distributed this circular through its ship safety bulletin system.Footnote 29

    Finding: Other

    The IMO published a circular highlighting measures to prevent engine room fires and issued it to member states with the intention that it be widely distributed among marine stakeholders; however, this information was not distributed through TC’s ship safety bulletin system.

    1.11 Main engine fuel supply system

    On each of the Tecumseh’s main engines, the amount of fuel being delivered to the cylinders was regulated by a hydro-mechanical speed governor. The governor automatically adjusted the position of 2 control shafts that connected to the fuel racks on the fuel injection pumps. These automatic adjustments regulated the amount of fuel delivered to all cylinders in unison, based on the engine load requirements.

    The fuel racks had indexes that indicated their positions in millimetres (Figure 14). With such indexes, the datum positions of individual fuel racks are adjusted by manually altering 2 nuts on each control linkage connected to the governor’s control shafts (Figure 15). Manually altering the datum positions increases or decreases the quantity of fuel delivered, thus adjusting the load of each individual cylinder unit.

    Figure 14. Diagram of fuel injection pump on the Tecumseh, showing the fuel rack index (Source: TSB, based on the engine manufacturer’s diagram)
    Image
    Diagram of fuel injection pump on the Tecumseh, showing the fuel rack index (Source: TSB, based on the engine manufacturer’s diagram)
    Figure 15. The fuel rack index and manual adjustment nuts of one of the Tecumseh’s fuel injection pumps (Source: TSB)
    Image
    The fuel rack index and manual adjustment nuts of one of the Tecumseh’s fuel injection pumps (Source: TSB)

    The engine manufacturer’s manual for the Tecumseh’s main engines specified that all of the fuel rack index settings should remain within 2 mm of each other at all times. The Tecumseh had a copy of the manual on board. Documentation from the manufacturer obtained by the TSB indicated that adjustments outside of this range may be a sign of underlying issues with the engine performance itself.

    Under the company’s safety management system (SMS), the Tecumseh’s main engine control systems and monitoring systems were required to undergo monthly checks. The Tecumseh had a computerized planned maintenance system to keep track of maintenance schedules and monitor equipment performance. This system was not approved by the classification society, nor was it required to be by regulations.

    1.12 Previous issues with the main engines

    When the Tecumseh was built in 1973, it was fitted with two Colt-Pielstick V12 engines. These engines were constructed without a flywheel and always had a baseline amount of vibration that caused short gear train life, engine leaks, and component fatigue.Footnote 30 In their first few years of service, the engines on the Tecumseh experienced numerous failures in the high pressure, low pressure, and fuel manifold systems, and the manufacturer redesigned the system. In 1976, redesigned fuel lines were retrofitted on the Tecumseh and the failure rate decreased.

    The investigation determined that, in 2019, both main engines on the Tecumseh had ongoing issues with rocker arm bushings, leaking fuel oil fittings, cooling water leaks on the engine blocks, leaks and failures of the fuel oil supply and return hoses, turbocharger efficiency, and failures of the hard piping for the fuel oil system. Leaks involving both the flexible hoses and the hard piping of the main engine fuel system had also been frequently reported. The engine room crew recorded frequent comments in shipboard documentation about the difficulties in getting spare parts, such as exhaust valves. The back pressure regulating valve on the fuel supply system was no longer operating automatically and parts had been on order for many months.

    In the 6 months leading up to the occurrence, the Tecumseh had a number of localized mechanical failures on the outboard cylinder bank of its port main engine. On 27 July, 18 November, and 25 November, cylinder units Nos. 2, 3, and 1, respectively, failed as a result of burned exhaust valves. On 13 December, the outboard bank’s fuel oil supply rail had failed, and fuel oil remained on the engine, in the bilges, and in the surrounding areas.

    After the 25 November breakdown, while the Tecumseh was in U.S. waters, the USCG ordered an inspection to be carried out by the engine manufacturer’s representative to determine the causes of the repeated failures and prevent a recurrence. A manufacturer’s representative visited the vessel on 27 November and conducted a static mechanical inspection of the port main engine. The representative inspected various parts and deemed the engine suitable for continued operations. However, a more detailed inspection was recommended to be carried out during the vessel’s winter layup period. The Tecumseh, like other vessels in Lower Lakes Towing’s fleet, was laid up every winter, during which time overhaul work and larger maintenance projects were carried out.

    1.13 Emergency generator and fuel supply arrangement

    The Tecumseh had an emergency generator that, in case of a blackout, powered the emergency switchboard, which in turn supplied power to essential equipment, such as emergency lighting, the emergency fire pump, 1 of the steering gear pumps, and navigational and communication equipment. The emergency generator was installed in a dedicated compartment, outside of the engine room, and had a fuel oil tank with a capacity of 200 U.S. gallons. The compartment was protected from fire by its own CO2 fixed fire suppression system and ventilation fire dampers. The fuel oil tank had a hard pipe connection to one of the fuel oil storage tanks in the engine room and could be refilled by transferring oil from the storage tank. The fuel oil tank was not fitted with a low-level alarm.

    It had become the standard practice on board the Tecumseh to keep the emergency generator fuel oil tank ½ to ⅔ full because, when the vessel was sailing in stormy weather, fuel could spill from the sounding pipe, which was left open because access was difficult. Before the occurrence, the tank had last been sounded on 14 November and the level was at 15 inches, corresponding to a fuel quantity of 112.5 U.S. gallons (just over ½ full). By regulation, the Tecumseh was required to have fuel arrangements that would ensure the emergency fire pump had at least a 12-hour supply of fuel.Footnote 31 After the generator had run for approximately 6 hours, the crew became concerned about the level of fuel in the tank and began manually transferring fuel oil from the forecastle in pails to ensure that the generator would have enough fuel to keep running for an extended period of time.

    1.14 Post-occurrence examination and engineering analysis

    Following the occurrence, TSB investigators boarded the Tecumseh and examined the engine room and its equipment. A fire pattern analysis was conducted, and a number of components were sent to the TSB Engineering Laboratory for further examination. The following observations and conclusions were made.

    At the time of the occurrence, the port main engine was in poor overall condition and had various ongoing mechanical issues, such as leakages of lubricating oil and cooling water, missing fasteners on the intake manifold, and the turbochargers running in fouled condition.

    The datum positions of the fuel rack indexes varied in excess of the manufacturer-recommended 2 mm. The adjustment nuts for the fuel rack indexes were all properly secured, and there was no indication that they had come loose on their own over time. The datum positions of the fuel rack indexes had been manually adjusted in order to minimize the impact of differences in peak cylinder pressures and exhaust gas temperatures.

    The TSB laboratory examined the port side fuel line on the port main engine and found that one of the flexible fuel hose assemblies had separated (Figure 16). The assembly consisted of a portion of flexible hose approximately 76 cm long and 2 threaded-crimp fittings that attached the flexible hose to the hard piping. The separated fuel hose assembly was located on the forward part of the outboard bank of cylinders, close to cylinder unit No. 6. The assembly had separated at the point where a threaded-crimp fitting connected the flexible fuel hose to the hard piping (Figure 17).

    Figure 16. Separated fuel hose assembly (Source: TSB)
    Image
    Separated fuel hose assembly (Source: TSB)
    Figure 17. Fuel line aligned to show separation at crimp (Source: TSB)
    Image
    Fuel line aligned to show separation at crimp (Source: TSB)

    Examination of the crimp fitting showed that no portion of hose remained inside the crimp fitting, and examination of the end of the hose showed that the full hose cross-section was present (Figure 18). This suggests that the crimp fitting itself failed in service.

    Figure 18. Crimp side of separation (left) and flexible hose side of separation (right) (Source: TSB)
    Image
    Crimp side of separation (left) and flexible hose side of separation (right) (Source: TSB)

    The investigation could not identify who manufactured the fuel hose assemblies that were in use on the Tecumseh or determine when they were last inspected. There was no information available as to the pressure rating or burst pressure of the separated fuel hose assembly.

    A number of potential ignition sources, both thermal and electrical, were noted in the vicinity of the separated flexible fuel hose assembly. Thermal sources included exposed engine exhaust components, cylinder heads, and indicator cocks.Footnote 32 Electrical sources included outlets, connectors, and connection boxes, as well as light fixtures. The burn pattern observed on the forward outboard bank of the port main engine was consistent with sustained exposure to burning fuel spray.

    Cylinder heads No. 6 and No. 7 on the port main engine and the scavenge manifold had signs of carbon/oil residue buildup, consistent with the long-term ingestion of lubricating oil. Cylinder No. 7 was immediately adjacent to the turbocharger, and the oil buildup in the intake port strongly suggested that a long term oil leak from the turbocharger had been allowing lubrication oil to enter the intake tract. The No. 6 crankcase inspection door had separated from the crankcase at some point during the occurrence, but there was no indication of a crankcase explosion. The port main engine showed no indication of catastrophic mechanical failure.

    There were unsealed deck penetrations in the A-class division separating the ECR and the engine room, to allow the connection of various electrical cables between the generators, the main switchboard, and the vessel’s power distribution systems and electrical consumers (Figure 19). Fire pattern analysis indicated that the fire originated in the port-forward area of the lower platform around the engine. The fire then spread aft along the electrical cable trays, finally entering the ECR via the unsealed deck penetrations.

    Figure 19. Unsealed deck penetration (circled) (Source: TSB)
    Image
    Unsealed deck penetration (circled) (Source: TSB)

    Some of the seals around the engine room ventilation intakes and exhaust were degraded, and the flaps used to cover them were not sealing properly. Some of the securing arrangements to close the flaps over the ventilation intakes and exhaust were seized, and others were broken.

    The 4 A-class doors leading from the machinery casing to the accommodations did not form airtight seals when closed, and there were indications that smoke had spread from the engine room into the accommodations during the occurrence.

    There were various leaks of hydraulic oil in the emergency generator compartment. As well, the rear protection panels for the emergency switchboard had been removed, leaving the bus bars and other electrical components exposed.

    1.15 Marine firefighting training for shore-based resources

    Canadian fire brigades may have a number of specialized rescue disciplines, one of which is marine firefighting. Footnote 33 TC-approved training courses on marine firefighting are available across Canada. These courses are typically aimed at mariners and provide general firefighting training. They also cover marine-specific topics, such as types and sources of ignition on vessels, flammable materials on board, location of firefighting equipment and emergency escape routes on vessels, and fire spread in various parts of a ship. At present, there is no requirement for shore-based firefighters to take marine firefighting training.

    Occupational health and safety regulations require every employer to take every precaution reasonable in the circumstances for the protection of a worker. Footnote 34 At the time of the occurrence, responders from Windsor Fire and Rescue Services had not taken marine firefighting training. Without this training, they were unable to board the Tecumseh to provide firefighting support. As a consequence, responders with the Windsor Fire and Rescue Services remained on shore and assisted in other ways, providing shore-based boundary cooling and logistical and medical coordination. They also replenished the SCBA air cylinders used by the T&T personnel.

    The Windsor Port Authority does not have its own firefighting resources and collaborates with Windsor Fire and Rescue Services for shore-based and on-board firefighting services. The Windsor Port Authority does not have a contingency plan in case of emergencies on board vessels in port for cargo operations or winter layup.

    Vessels sailing in U.S. waters are required Footnote 35 to have a marine firefighting pre-fire plan. The plan must identify a marine firefighting resource provider that is under contract to respond as required. There is no such requirement under current Canadian regulations.

    1.16 Memory, learning, and adaptation

    Learning is a dynamic process that involves storing information for the long term and retrieving that information when required. The longer one waits to retrieve the information after it is learned, the more difficult it is to retrieve that information. Footnote 36The stored information is also more susceptible to interference, where similar but distinct information learned later replaces the information learned previously.

    The chief engineer in this occurrence had experienced an engine room fire on another vessel, during which the crew had re-entered the engine room about 3 hours after having flooded the compartment with the CO2 fixed fire extinguishing system, without any adverse consequences. This experience likely interfered with the information he learned previously in his MED training many years ago.

    The inability to remember information may also be the result of the fading of the memory trace: increase in time results in lower recall performance. Refresher training protects against both of these memory limitations.

    Frequent practice, such as found in fire drills, makes it easier to retrieve procedural knowledge and supports decision making, especially in emergency situations where stress and time pressure reduce the amount of cognitive resources available. In emergency situations, crew members are more likely to rely on past experience to make rapid decisions; this is known as recognition-primed decision making. Frequent practice, especially when encompassing a wide range of scenarios, provides a pool of experience on which to rely. Additionally, when practice sessions include a mixture of procedural (how to do something) and conceptual (why it is being done) knowledge, retention and transfer of skills and knowledge to other situations are increased.

    1.16.1 Adaptation

    An adaptation is a modification to work procedures aimed at making the work more efficient or adjusting procedures that do not apply to a particular situation. Footnote 37 Adaptations also occur in non-emergency situations.

    In this occurrence, there were adaptations that involved leaving the emergency generator fuel oil tank sounding pipe unsealed because access to the sounding pipe was difficult, and keeping the fuel oil tank half full to avoid fuel spilling in stormy weather.

    1.17 Safety management systems

    The International Safety Management (ISM) Code provides an international standard for the safe management and operation of vessels and for the prevention of pollution. Footnote 38 Its objectives are to ensure safety at sea, prevent human injury or loss of life, and avoid damage to the environment and to property.

    The ISM Code is a framework for companies and vessels to develop and implement an SMS that establishes safeguards against all identified risks. This involves establishing procedures, plans, instructions, and checklists for shipboard operations and emergency situations that concern the safety of personnel, the vessel, and the environment. The ISM Code specifies that the various tasks should be defined and assigned to qualified personnel. A vessel operator identifies existing hazards and assesses their risks, establishes safety policies and procedures to mitigate those risks, and provides a means of continuously gauging effectiveness to improve organizational safety, where necessary. The SMS should be continually improved, based on reviews by the master and management, reports of deficiencies, lessons learned, and audits. This ongoing process ensures that crew members have the necessary skills, qualifications, and knowledge.

    A documented, systematic approach to safety management is one means of ensuring that individuals at all levels of an organization have the information specific to the vessel; a clear understanding of their duties and tasks; and the tools, familiarization, and drills needed to make sound decisions in routine and emergency operations.

    Vessel operators that are required to have an SMS must go through an auditing process by a third party RO to ensure that their SMS meets the requirements of the ISM Code and that the company and the vessel are operating in accordance with the SMS. Both the company and its vessels must obtain certificates to indicate compliance (the company is issued a document of compliance, and the vessel is issued a safety management certificate).

    As a non-Convention vessel, the Tecumseh was not required to comply with the ISM Code. However, LLT had voluntarily implemented an SMS on the vessel. In 2016, LLT was issued a voluntary document of compliance, and, in 2019, the Tecumseh was issued a voluntary safety management certificate by the American Bureau of Shipping. These certificates indicated that the company and the vessel complied with the requirements of the ISM Code, documented in a manual entitled Safety Management System: Policies and Procedures. The company last revised the manual in March 2019.

    TC is in the process of amending Canada’s Safety Management Regulations. When the proposed amendments come into force as the Marine Safety Management System Regulations, Canadian vessels of 500 GT or more, and the companies that operate them, will be required to develop, implement, and maintain an SMS in compliance with the ISM Code.

    1.17.1 Fire emergency procedures

    As well as routine operations, an SMS defines procedures for addressing emergencies. The emergency preparedness section of the LLT safety management manual referred to the shipboard oil pollution emergency plan and the marine emergency response plan (MERP). The MERP manual contained a checklist for fires and explosions. The checklist prompted the crew to collect relevant information to convey to authorities in the event of a fire and indicated to which authorities the information should be conveyed. The checklist did not provide steps to follow in the event of a fire. The MERP was last updated in June 2019.

    With respect to the emergency fire pump and the release of CO2 in the engine room, the safety management manual contained generic information. Ship-specific instructions for the release of CO2 in the engine room were posted in some parts of the ship. During monthly training, the crew were made aware of how the CO2 remote pull stations worked and what would happen when CO2 was released. It was also reinforced that the remote pull stations were to be operated by only the chief engineer after obtaining authorization from the master, and that under no circumstances were the remote pull stations to be operated by anyone else.

    1.17.1.1 Emergency preparedness plan

    In case of a fire, a vessel would typically have an emergency preparedness plan that sets out fire containment measures for fires in various areas of the vessel. Footnote 39 This plan would also normally identify fire hazards and provide specified tasks to be carried out during firefighting activities (for example, how to isolate power to a given space without blacking out the vessel completely, the steps involved in releasing the fixed fire suppression system, and recovery and rescue procedures). The Tecumseh did not have such a plan on board.

    1.17.1.2 Firefighting equipment, training manual, and fire control plan

    The crew on the Tecumseh had been provided with a manual Footnote 40 that contained general information about emergency equipment available on vessels and associated regulations. The manual was last revised in March 2018. Section 4 of the manual provided information on the use and operation of CO2 fixed fire suppression systems in general. The manual described the components of a typical system and stated, “Many variations exist in the activation procedures from one system to another. It is important that the crew members know their protected spaces, systems, and activation procedures.” Footnote 41

    Section 6 of the manual covered personal protective gear for firefighting. It contained regulations regarding the firefighter outfits, but did not include information about when and how the firefighter outfits should be donned and doffed.

    Section 5 of the manual referred to the Tecumseh’s fire control plan to identify the locations of the SCBAs. The fire control plan was last reviewed in 2012. At the time of the occurrence, the location of the firefighting equipment on the plan did not accurately reflect what was on board. For example, there were 2 SCBAs on board, versus 4 on the fire control plan. Also, the locations of the foam canisters and applicator was not shown on the fire control plan.

    1.17.1.3 Muster list

    The Fire and Boat Drills Regulations Footnote 42 specify what information must be contained on a vessel’s muster list. Among other things, the muster list must include a description of the specific duties (e.g., firefighting equipment and installations, closing watertight doors, fire doors, valves, etc) to be performed by each crew member when a general emergency alarm or fire alarm signal is sounded. The muster list must also specify substitutes for key personnel.

    The Tecumseh’s muster list set out the vessel’s general emergency rules, emergency signals, muster stations, and emergency teams (Appendix C). The muster list included a general statement indicating that the team leader would assign duties to team members according to their capabilities and would be responsible for the performance of team duties. The muster list was intentionally vague to allow the master and first officer to assign duties to crew members according to their experience and familiarity with the areas of the vessel affected by a given emergency. However, this meant that the muster list did not state which crew members should perform certain duties: for example, no specific crew members were assigned to close the ventilation fire dampers and other openings in event of a fire.

    The muster list also did not indicate alternative muster stations or substitutes if key personnel were incapacitated. The engineering assistant, the engineer cadet, and the deck cadet were listed under 2 different teams, and the cadets were each assigned to 2 muster stations. According to the muster list, 2 of the deckhands were assigned to bring the fireman’s outfits, but the list did not state who was to don them.

    In addition, the deckhands were assigned to an emergency team but did not hold MED training certificates. According to Canadian regulations, every person assigned to a fire team must hold a MED training certificate. Footnote 43

    1.17.3 Crew firefighting readiness

    Firefighting readiness requires appropriate training for the crew as well as regular and realistic drills.

    The skills and knowledge that individuals acquire, in addition to education and training, are factors that influence situational awareness. Situational awareness refers to an individual’s ability to know and understand what is around them. It is the framework for an individual’s understanding of a situation as it is unfolding. This understanding directly affects decision making, so  if this understanding is based on erroneous or incomplete information and knowledge, the decisions made later may not be appropriate for the situation at hand.

    1.17.2.1 Marine Emergency Duties training

    All crew members who were listed on the safe manning document Footnote 44 were required to have MED training. One goal of MED training is to provide, through approved courses, training in skills essential for controlling firefighting operations on board. In 2010, the International Maritime Organization determined that certain courses that affect the safety and survival of the crew require periodic recurrent training. Footnote 45 However, because of the class of voyage, recurrent training was not required for the crew of the Tecumseh. Footnote 46

    1.17.2.2 Familiarization

    By regulation, all crew members are required to receive on-board familiarization with the vessel before they begin their duties. Footnote 47

    This includes familiarization with

    • the location and operation of fixed firefighting systems;
    • the types, use, and limitations of the portable fire extinguishers;
    • the general safety practices on board; and
    • the location and nature of any special hazards on board.

    The Tecumseh’s SMS manual stated that every new crew member was required to become familiar with the vessel, its safety equipment, and individual duties in an emergency. Footnote 48

    For the Tecumseh’s deck and galley crew, the vessel familiarization was conducted by the second officer. All engine room crew were given their familiarization by the third engineer. LLT had a policy that all new and returning crew were required to be given an orientation of the vessel at opening of the navigational season or when they first joined the vessel. New crew were to be familiarized within 24 hours of boarding, and the master would sign off to confirm that new crew had been familiarized. Records were kept on the bridge.

    1.17.2.3 Firefighting drills

    Frequent practice can facilitate retrieval of procedural knowledge and support decision making, especially in emergency situations when stress and time pressure reduce the cognitive resources available.

    Under the Fire and Boat Drills Regulations, Footnote 49 the Tecumseh was required to conduct a fire drill at least once a month. Fire drills should provide crew members with an opportunity to practise the procedures to be followed in an emergency and should cover the location, use, and operation of fire protection equipment and emergency equipment on board.

    The master was required to develop drills that encompassed different emergency scenarios with various threats. During a fire drill, the crew members were required to practise checking and using the firefighting equipment. The crew must be familiarized with how to close the applicable fire dampers, main inlets and outlets of the ventilation systems, fire doors, valves, scuppers, side scuttles, skylights, portholes, and other similar openings in the vessel. Finally, during fire drills, the crew should inspect and operate the fire pump or the emergency fire pump, as well as inspect and test the operation of the fire detection and alarm system. Footnote 50

    The fire drills on the Tecumseh typically also included a boat drill and involved the following steps:

    1. sounding the general alarm;
    2. mustering the crew;
    3. reporting the predetermined location of the fire to the bridge;
    4. simulating the closing of the ventilation fans and fire dampers to the affected area;
    5. simulating the isolation of the electrical power to the affected area;
    6. starting the emergency fire pump;
    7. simulating boundary cooling;
    8. having 2 crew members don the firefighter outfits;
    9. entering the affected area and extinguishing the fire;
    10. mustering at the life raft stations and reviewing the deployment of the life rafts; and
    11. reviewing all of the emergency signals.

    In some instances, the procedures for using the fixed fire suppression systems were also reviewed.

    LLT had provided guidelines suggesting scenarios for monthly boat and fire drills. These scenarios included an engine room fire, an accommodations fire, a cargo fire, an electrical fire, and a hydraulic oil fire. In 2019, the drill records for the Tecumseh indicated that the crew conducted drills monthly, as required. The last fire drill before the occurrence was on 21 November and involved a fire in the emergency generator room. The notes indicated that the emergency fire pump was checked by testing the pressure on the hoses forward and aft and that all equipment was in good working order. The boat and fire drill records did not keep track of which crew members had practised donning and doffing the firefighter outfits.

    1.17.3 Maintenance tracking

    The Tecumseh used Ulysses, the company’s planned-maintenance system, to track and maintain records for required inspections and maintenance. Although Ulysses also includes a module for unscheduled maintenance and repairs, most of these were tracked outside the system.

    On board, records were maintained in a spreadsheet (for example, maintenance records and other reports related to the fuel hose leaks and failures and their replacements) and on paper (for example, exhaust temperatures and compression test results). These records were unavailable to the TSB during the investigation because they were destroyed by the fire. No backup files existed, either on board or ashore.

    Handover notes between chief engineers and second engineers from November 2018 to the time of the occurrence contain many mentions of fuel hose leaks and failures, including the replacement of 4 flexible hoses.

    1.17.4 Hazardous situation reporting

    Companies that operate under the ISM Code are responsible for establishing a systematic procedure to report all hazardous occurrences. These reports are then investigated and analyzed, with a focus on safety and pollution prevention. The analysis should help the company decide the appropriate measures to take and should include the identification of the potential hazards, their severity and likelihood, the associated risk levels, additional risk reduction measures to continue the operation, and a reassessment to confirm that the remaining risks are within acceptable limits.

    The company had a formal policy entitled “Reports and Analysis of Non-Conformities, Accidents and Hazardous Occurrences,” which states that the Due Diligence Log statement must be used to report near misses and hazards. The policy also states that near-miss reporting is required for all events involving an unwanted or unintended event or condition that, under slightly different circumstances, may have resulted in an incident. Last, it states that near misses are not limited to possible personal injuries; they also include potential navigation or environmental events, as well as damage to property.

    All completed near-miss and hazard reports are submitted to the Director of Health, Safety and Environment for company internal review.

    The Due Diligence Log statement was being used on board the Tecumseh. There were no statements regarding the recurring failures of the fuel oil hoses on the main engines.

    1.17.5 External and internal audits

    The ISM Code requires internal and external audits. Annual internal audits of the Tecumseh were carried out by the company. External audits were carried out by the American Bureau of Shipping, which issued the voluntary document of compliance to the company and the vessel’s voluntary safety management certificate.

    In the closing meeting of the audit for renewing the Tecumseh’s safety management certificate, carried out by the American Bureau of Shipping in January 2019, no non-conformities and no observations were raised.

    1.18 Delegated statutory inspections

    Vessel classification is a service that ensures that a vessel adheres to a set of rules for construction and inspection established by a classification society. The rules lay out standards for the structural strength of the vessel’s hull and its appendages, as well as the suitability of the propulsion and steering systems, power generation, auxiliary systems and other vessel features. A vessel that meets class requirements is provided with a certificate of classification and is noted in the classification society’s Register of Ships. The certificate of classification must be renewed annually. The Tecumseh was classed with Lloyd’s Register.

    Through the Delegated Statutory Inspection Program, TC authorizes recognized classification societies to complete inspections required under the Canada Shipping Act, 2001 and to deliver certain Canadian maritime documents to vessels enrolled in the program. Once authorized by TC, these classification societies are referred to as recognized organizations (ROs). Lloyd’s Register was the RO for the Tecumseh.

    On 21 November 2019, Lloyd’s Register conducted an inspection of the vessel in order to renew the vessel’s certificate of class, as well as renew its Load Line certificate and annual inspection certificate on behalf of TC. As a result of this inspection, the surveyor noted that the deficiencies from a previous inspection in 2018 had been resolved and renewed the certificates. To renew a certificate on behalf of TC, the surveyor is instructed to carry out an inspection, with verification, examination, or testing when necessary of the structure, machinery, and equipment, to ensure that the requirements relevant to the particular certificate are complied with and that the vessel is in satisfactory condition and fit for the intended service. One deficiency was recorded as a result of the November 2019 inspection: “engine room bilges to be cleaned before 5 December 2019.”

    When the TSB boarded the Tecumseh after the occurrence, a number of deficiencies Footnote 51 that had not been recorded on the November 2019 inspection report were observed:

    • There were signs that the maintenance opening to the emergency fire pump compartment had been unsecured for an extended period of time. 
    • Multiple deck cable penetrations between the engine room and the ECR deck were unsealed.
    • Securing handles on some ventilation flaps were missing.
    • Some A-class doors in the accommodations were not gastight.
    • The combustion air inlet cowling on the emergency generator was perforated by corrosion.
    • The piping for the hydraulic start on the emergency generator had numerous leaks, which were dripping into temporary containers and oil absorbent pads.
    • The bulkhead aft of the accommodations on deck B was corroded through.

    Finding: Other

    During its investigation, the TSB observed a number of deficiencies on board the Tecumseh that had not been recorded in the report for an inspection that the RO had conducted less than a month before the occurrence.

    1.19 Voyage data recorder

    The purpose of a voyage data recorder (VDR) is to record and safeguard critical information and parameters relating to the voyage. Objective VDR data are invaluable to investigators when they attempt to understand a sequence of events and identify operational problems and human factors issues.

    A VDR continuously records data such as the time, bridge audio, alarms, VHF radiotelephone communications, as well as vessel heading and speed, gyrocompass, radar, echo sounder, wind speed and direction, and rudder/engine orders and responses. The VDR’s save button must be activated following an occurrence for the data to be retrievable.

    Per the Voyage Data Recorder Regulations, Footnote 52 the Tecumseh was not required to be fitted with a VDR. At the time of the occurrence, the Tecumseh did not have a VDR on board.

    The TSB has investigated a number of occurrences in which the absence of a VDR limited the information available for the investigation. Footnote 53

    1.20 Previous occurrences

    From 2009 to 2019, at least 422 occurrences reported to the TSB involved fires on vessels, of which 153 were engine room fires.

    On 23 January 2020, a fire occurred on board the Newfoundland Lynx, in the sauna area. Crew were able to extinguish the fire successfully. When the vessel returned to shore, the local fire department boarded the ship to ensure that the fire had been successfully extinguished. The TSB investigation determined that the vessel had inadequate firefighting gear, procedures, and fire drills. Footnote 54

    On 31 January 2018, a fire broke out in the engine room of the container vessel MOL Prestige while the vessel was off Haida Gwaii, BC. There were 22 crew and 1 supernumerary on board at the time. The fire was eventually extinguished. Five of the crew members were seriously injured. The TSB investigation determined that the fire was caused by maintenance issues in the engine room of the MOL Prestige. Footnote 55

    On 11 August 2001, the bulk carrier Windoc was struck by a lowering vertical-lift bridge while proceeding downbound in the Welland Canal at Allanburg, Ontario. The vessel’s wheelhouse and funnel were destroyed. The vessel drifted downstream, caught fire, grounded, and was subsequently declared a constructive total loss. There were no serious injuries or pollution. The TSB investigation determined that the responding fire brigade's lack of training and experience in fighting shipboard fires, the lack of equipment to access the vessel, and the non-accessibility of fire control plans hindered an effective firefighting response. Footnote 56

    On 19 March 2000, the Judy Litrico (now the Tecumseh) had a similar occurrence involving a fire in the engine room. The CO2 fixed fire suppression system was activated, and the fire was successfully extinguished. The subsequent investigation found that a fuel oil supply pipe on the No. 8 cylinder unit of the port main engine had failed. The report indicated that the failure was “most likely initiated as a result of vibrations caused by the main engines.” Footnote 57

    1.21 Previous TSB safety advisory letter and recommendation

    Past TSB investigations have identified issues with the training and readiness of shore-based fire brigades. Footnote 58 The TSB found that some Canadian ports and harbours appeared to lack the proper facilities and resources to effectively contain shipboard fires occurring within their jurisdiction. The TSB also found that many of the municipal fire brigades ports relied on for firefighting support did not have personnel trained to fight shipboard fires.

    In 1996, following a fire on board the self-unloading bulk carrier Ambassador, the Board recommended that

    the Department of Transport, in collaboration with ports and harbour authorities, take measures to ensure that shore-based fire brigades expected to support on-board firefighting, receive appropriate training.
    TSB Recommendation M96-07Footnote 59

    Following this recommendation, the Canadian Association of Fire Chiefs (CAFC), with the assistance of TC, circulated a short questionnaire to assess the firefighting capabilities of municipal fire departments responsible for fighting fires in Canadian ports.

    In February 1998, in light of preliminary information coming from a subsequent investigation into an explosion and fire on board the tanker Petrolab, the TSB issued Marine Safety Advisory 03/98 to TC and the CAFC. They were asked to expedite their safety audit and review of risks and contingency measures in Canadian ports and harbours that contained oil terminals and wherever the installations were more susceptible to catastrophic damage should a fire break out on board a vessel at the dock.

    By July 1998, the CAFC had received a limited response to the survey questionnaire. However, the CAFC found that the survey provided enough information to raise concerns that the firefighting services available in municipalities with public ports might not be adequate to provide firefighting services in the event of a fire on board a vessel. The CAFC indicated that it was interested in working with TC to pursue research in this area.

    Following a fire on board the bulk carrier Windoc in August 2001 that resulted in the vessel’s total constructive loss, the TSB found that, among other factors, the responding fire department’s lack of training and experience for fighting shipboard fires hindered an effective firefighting response.

    When Recommendation M96-07 was issued in 1996, TC had regulatory authority over most of Canada’s ports but had begun to transfer port facility ownership and operations to interested parties. In 1998, control of 18 ports was transferred to individual Canada Port Authorities (CPAs), Footnote 60 which operate at arm’s length from the federal government. Although the CPAs fall under federal legislation, they operate as self-sufficient commercial entities with no federal funding and are independent of TC. Since then, the responsibility for port operations, including the responsibility for shore-based firefighting, has been moved to the individual port authorities. Although some port authorities have taken measures to improve the response capabilities of shore-based firefighters, others have yet to take such measures. For example, in 2016 the TSB determined that only 7 of the 18 CPAs had firefighters trained to respond to shipboard fires.

    Although Recommendation M96-07 was closed in March 2016, the Board’s final assessment of the response was Satisfactory in Part. In its assessment, the Board noted that the safety deficiency remained in some ports. The Board noted that the responsibility for firefighting now rested with individual port authorities, and that it would take into account the effectiveness of the port’s response to a ship-based fire in future investigations.

    In March 2002, the TSB sent Marine Safety Advisory 05-02 to TC, noting the continuing risks posed by the disparities in the readiness of shore-based fire brigades to respond to shipboard fires. The advisory further suggested that TC, in cooperation with federal, provincial, and municipal agencies, take further action to ensure that firefighters in municipalities contiguous to port and seaway facilities in Canada are trained and equipped to respond effectively to shipboard fires.

    1.22 TSB Watchlist

    The TSB Watchlist identifies the key safety issues that need to be addressed to make Canada’s transportation system even safer.

    Safety management and regulatory surveillance are Watchlist 2020 issues.

    As this occurrence demonstrates, even when an SMS is implemented, formal processes are not always followed, and so hazards or risks in aspects of a vessel’s operations may remain unidentified. In this occurrence, there were shortcomings in the emergency procedures with regard to fire response.

    ACTIONS REQUIRED

    Safety management will remain on the Watchlist for the marine transportation sector until:

    • TC implements regulations requiring all commercial operators to have formal safety management processes; and
    • Transportation operators that do have an SMS demonstrate to TC that it is working—that hazards are being identified and effective risk-mitigation measures are being implemented.

    TC had delegated statutory inspections of the Tecumseh to an RO. Less than a month before the occurrence, the RO carried out a statutory inspection and issued Canadian maritime documents, including the inspection certificate. The RO inspection identified only minor safety issues on the vessel; however, following the occurrence, the TSB investigation observed 7 deficiencies that had not been recorded in the RO’s inspection report.

    ACTIONS REQUIRED

    Regulatory surveillance will remain on the Watchlist for the marine transportation sector until TC provides more oversight of the commercial vessel inspection process by demonstrating that its surveillance and monitoring are effective in ensuring that authorized representatives and recognized organizations are ensuring compliance with regulatory requirements.

    1.23 TSB laboratory report

    The TSB completed the following laboratory report in support of this investigation:

    • LP 088 2020 – Engine Fire Examination

    2.0 Analysis

    The investigation determined that the fire on board the Tecumseh originated on the port main engine after a flexible fuel hose assembly supplying fuel to the main engine failed. The analysis will examine  engine room maintenance, the effectiveness of the vessel’s structural fire protection and emergency equipment, and the decision to re-enter the engine room after the fire had been initially suppressed by the carbon dioxide (CO2) fixed fire suppression system. The analysis will also look at Lower Lakes Towing Ltd.’s (LLT) safety management system (SMS), the fire response by external resources, and the value of voyage data recorders.

    2.1 Engine room maintenance

    Considering the critical function of propulsion machinery to the safety of a vessel and its crew, it is essential that engine room equipment and systems be well maintained and that engine room practices minimize risk. The failure of the engines or other machinery or components in the engine room may pose significant safety hazards and, in some cases, create fire risks if these failures occur near ignition sources or flammable materials.

    The investigation identified a number of issues related to the condition of the main engines on the Tecumseh. In 2019, prior to the occurrence, both main engines had ongoing issues with leaks in and failures of the fuel oil supply and return hoses, with turbocharger efficiency, and with failures of the hard piping for the fuel oil system, among other things. Three cylinder units and a fuel oil supply rail had also failed. The back pressure regulating valve on the fuel supply system was no longer operating automatically, which was causing pressure pulses in the fuel system. Post-occurrence, the datum positions for the fuel rack indexes on both the port and starboard main engines were found to be adjusted beyond the manufacturer-recommended settings in order to minimize the impact of differences in peak cylinder pressures and exhaust gas temperatures. Finally, it was noted that engines of the same model as that fitted on the Tecumseh had a history of problems with vibration, which could cause short gear train life, engine leaks, and component fatigue. 

    The fuel hose assembly that failed in this occurrence was of unknown origin. As a result, there was no way to know

    • who had manufactured the fuel hose assembly and whether this was a qualified individual or company,
    • when the fuel hose assembly had originally been manufactured and what its working lifespan was,
    • whether the materials being used to manufacture the fuel hose assembly were new or used, and
    • whether the fuel hose assembly met the standards required for this fuel system.

    Without this information, it was not possible to validate whether the fuel hose assembly was of adequate integrity for the safety-critical job it was doing.

    A robust SMS, inspections, and audits are potential defences to mitigate the risk of substandard components being used for safety-critical applications. An SMS may have documentation requirements relating to the origin of a component, testing requirements to ensure that the component is adequate for the application in which it is being used, and inspection and maintenance schedules to ensure the integrity of the component while in use.

    The investigation found that the SMS had no guidance with respect to documentation, testing, or inspection and maintenance schedules to ensure that the fuel hose assemblies on the main engines were of adequate integrity and remained in working condition. The investigation also found that although Lloyd’s Register had conducted a classification survey on the vessel 24 days before the occurrence, the survey had not identified any issues with the fuel hose assemblies despite a class rule requiring that these assemblies be prototype-tested.

    Finding as to causes and contributing factors

    A fuel hose assembly of unknown origin and integrity failed on the port main engine, which allowed fuel oil to spray on to local sources of ignition, leading to the fire.

    Although the Tecumseh had a computerized planned-maintenance system to keep track of maintenance schedules and to monitor equipment performance, records of periodic performance monitoring of the main engines were incomplete. The engine room crew had recorded various technical issues related to the engine in shipboard documentation and, with the limited resources that they had available, had made attempts to address them. In some cases, they had requested assistance with repairs; in other cases, they had developed workarounds. Some of the requests for shore-based maintenance support had not been answered, and so those maintenance issues had gone unresolved.

    Finding as to risk

    If vessel maintenance and machinery monitoring do not ensure that propulsion machinery remains reliable, there is a risk of damage to the vessel and the environment and of injuries to personnel should a failure occur.

    2.2 Effectiveness of structural fire protection and emergency equipment

    Given that shipboard fires can threaten life and cause severe damage to the vessel and the environment, it is important that structural fire protection and emergency equipment on board be kept in good working order. In this occurrence, the investigation identified issues associated with the vessel’s structural fire protection (engine control room [ECR] boundaries, ventilation fire dampers, and engine room access points) and its emergency equipment (emergency fire pump and emergency generator).

    2.2.1 Structural fire protection

    Fire pattern analysis indicated that the fire originated in the port-forward area of the lower platform around the engine. The separated fuel oil supply line sprayed fuel onto the engine and hot exhaust components, igniting the fuel. Fuel sprayed onto the engine for approximately 5 minutes, until the engine was shut down from the bridge. The fire spread aft along the electrical cable trays, through unsealed penetrations in bulkheads, finally entering the ECR. Only traces of sealant were present at the time of the occurrence, and it is likely that the sealant had been removed and not replaced in 2005 when the auxiliary generators and associated cables were replaced by a previous owner.

    Finding as to causes and contributing factors

    Multiple unsealed deck cable penetrations between the engine room and the ECR deck allowed the fire to propagate to the ECR main switchboard, leading to the complete destruction of the ECR.

    As well, although the maintenance opening for the emergency fire pump compartment needed to be sealed shut to maintain structural fire integrity, it was not properly bolted in place using the fitted arrangement. This opening was the fastest way for the crew to access the emergency fire pump compartment for regular inspections and maintenance. Because the maintenance opening was unsealed, smoke entered the emergency fire pump compartment from the engine room and prevented the crew from entering the compartment to troubleshoot the issue with the emergency fire pump. As a result, boundary cooling after the release of the CO2 into the engine room was delayed by 2 hours because the emergency fire pump was not supplying water to the fire main line.

    Finding as to causes and contributing factors

    Because the maintenance opening for the emergency fire pump compartment was not secured, smoke entered the emergency fire pump compartment and prevented the crew from being able to access the fire pump to troubleshoot it. Consequently, for approximately 2 hours, the fire pump was unavailable to the crew for boundary cooling.

    Defective seals around all 4 of the fire doors between the machinery casing and the accommodations allowed the propagation of smoke into the accommodations. Also, defective seals and securing arrangements on the engine room ventilation flaps and fire dampers may have allowed fresh air to enter the engine room following the release of the CO2.

    These problems with the integrity of the structural fire protection worsened the fire and impaired the crew’s efficiency during the fire response.

    2.2.2 Emergency equipment

    A vessel’s emergency equipment, including the emergency fire pump and emergency generator, is critical during an engine room fire. The emergency fire pump is the only pump available outside the engine room to supply water to the fire main line and to allow the crew to suppress the fire and carry out boundary cooling. The emergency generator is essential during shipboard emergencies because it supplies power for the emergency fire pump and for lighting so that the crew can respond adequately. Transport Canada has recognized the importance of keeping sufficient reserves in the fuel oil tank for an emergency generator and has regulated a minimum run time to ensure that power from the emergency switchboard is available for the duration of the emergency.

    2.2.2.1 Emergency generator

    On the Tecumseh, the space above the top of the emergency generator tank was not large enough to accommodate the length of the sounding rod, making the rod hard to remove. Therefore, the crew opted to keep the tank unsealed. This adaptation was made in response to the cumbersome design of the sounding rod. It also led to another adaptation, which was to routinely keep the fuel oil in the emergency generator tank just at over half full to avoid it spilling out the open sounding pipe.

    During the fire response, after the emergency generator had been running for about 6 hours, the crew became concerned about the level of fuel oil in the tank. The normal arrangement to transfer fuel oil from the engine room’s diesel oil storage tank could not be used due to the location of the fire, so the crew began manually transferring fuel oil from the forecastle using pails. The crew encountered difficulties refilling the tank with the pails; however, the emergency generator kept running until the vessel was secured at the Morterm Ltd. terminal.

    2.2.2.2 Emergency fire pump

    In this occurrence, the investigation could not determine why the emergency fire pump on the Tecumseh did not supply water to the fire main line after its remote starting button had been depressed. No indicator or instrument was available to the crew to determine whether the pump’s motor was running, and the pump was neither self-priming nor fitted with a self-priming device. Without a method for self-priming, the pump may have become air-locked when it was started, as air trapped in a centrifugal pump’s casing may prevent water from entering from the suction side even when the pump is installed below the vessel’s waterline. It is also possible that the contactor for the pump’s electrical starter did not engage, which was a problem that the crew had encountered in the past.

    Without status indicators and position feedback on the deck C control panel, there was no way for the crew to know the valve positions and the running status of the pump unless they enterered the compartment, and this was not possible due to the accumulation of smoke.

    Finding as to risk

    If the integrity of structural fire protection is compromised and emergency equipment does not operate reliably during a fire, there is a risk that fire prevention, control, and extinguishing efforts will be hindered.

    2.3 Decision to re-enter the engine room

    CO2 displaces air and smothers the fire but has limited cooling properties, so Marine Emergency Duties (MED) trainingFootnote 61 teaches participants to wait for the temperature to drop below the auto-ignition point (often 12 to 24 hours) before re-entering an engine room that has been flooded with CO2.

    In this occurrence, after the CO2 had been released, there was concern that the fire would spread because of the condition of the bilges and possible leaks from the fuel oil piping. After discussion between the chief engineer, master, and shore management, re-entry was approved despite the consequences of introducing fresh air into the compartment while re-entering the engine room and potentially re-igniting the fire.

    The third engineer and an engineering assistant were tasked by the chief engineer to enter the engine room. Based on their MED training and their concerns about compromising the effectiveness of the CO2, they opposed the re-entry. Although informed of these concerns, the chief engineer remained focused on the need to enter the engine room. The memory of an earlier engine room fire, in which re-entering the engine room only 2 hours after CO2 release had no adverse consequences, was a factor in the chief engineer’s decision making.

    The steering gear access hatch and a door were opened during the 20-minute attempt to enter the engine room and get to the bilges.

    Finding as to causes and contributing factors

    Approximately 3 hours after the CO2 was released, crew re-entered the engine room from the steering gear flat with a charged fire hose. Re-entry into the engine room allowed fresh air to enter the engine room, which most likely re-ignited the fire.

    Because of the vessel’s certification (Near Coastal Voyage Class 1, limited to inland waters Class 1 [LIM IW1]), crew members were exempted from MED refresher requirements. However, the risk of encountering hazards that the MED training covers does not diminish based on the class of voyage alone. In this occurrence, the shore and vessel management personnel relied on MED training that was taken many years before. Their memory of training had likely faded over time and was modifed by later experiences, whereas crew who had undergone recent MED training were able to recognize the hazard of re-ignition.

    Finding as to risk

    If recurrent MED training is not required, there is a risk that crew members will not maintain their skills nor be up to date with current knowledge and practices for handling emergencies.

    2.4 Safety management systems

    Safety management requires all organizations to be cognizant of the risks involved in their operations and to competently manage those risks. An effective SMS can help to ensure that members at all levels of an organization have the knowledge and the tools to manage risk effectively, as well as the necessary information to make sound decisions in any operating condition, including both routine and emergency operations.

    2.4.1 Fire emergency procedures and training

    When a fire breaks out on a vessel, a prompt and coordinated firefighting response carried out by trained personnel with appropriate equipment is key to ensuring that the fire is brought under control and extinguished. Fire emergency procedures and related vessel-specific SMS documents, such as emergency checklists, help the crew develop a shared understanding of the emergency response, facilitating the coordination of efforts. Without the support of procedures, masters and senior officers are left to react to all aspects of a fire response while the emergency is occurring.

    Whereas procedures support decision making during an emergency, drills help ensure that crucial actions become automatic. They provide an opportunity to practise a variety of emergency responses and ensure that crew members are familiar with available emergency equipment, such as the portable firefighting appliances and their location. Training and practice are particularly important because, during a fire, there is little time to learn how to use rescue and firefighting equipment and the stressful nature of the emergency makes it more difficult to remember the procedures and techniques. The more often drills and training are performed, the more the crucial actions needed in an emergency become automatic and the less interpretation and decision making are required, potentially saving critical seconds.

    Realistic-scenario fire drills are an example of the type of practice that can facilitate information retrieval. In emergency situations, crew members rely on experience to make rapid decisions; this is known as “recognition-primed decision making.” Frequent practice, especially when it encompasses a wide range of scenarios, provides a pool of experience to draw on when responding to an emergency. Additionally, when practice sessions include a mixture of procedural knowledge (how to do it) and conceptual knowledge (why are we doing it), skills are better retained and transferred to other situations.Footnote 62

    In this occurrence, the investigation identified the following shortcomings of the SMS with regard to fire response:

    • The fire training manual on board was not specific to the vessel, and so vessel-specific information was not available for use in training on actual equipment on board, such as the CO2 system.
    • There was no emergency preparedness plan on board to guide the crew in the fire response actions, such as when to close the ventilation flaps and fire dampers.
    • The fire control plan had not been updated to show the current state of the vessel. For example, it showed 4 firefighter outfits instead of 2, it did not indicate the location of the foam applicator, and it incorrectly showed the maintenance opening to the emergency fire pump compartment in the engine room as a door.
    • The fire emergency procedures did not include provisions for recovery or rescue to back up the firefighting team, nor was equipment provided to do so.
    • Although drills were conducted monthly as required, the drill scenarios in 2019 did not simulate a major engine room fire similar to the one encountered in this occurrence.
    • The muster list did not include a description of the specific duties assigned to each crew member during an emergency, nor did it include alternate muster stations or substitutes for key positions.
    • Some of the crew were not sufficiently familiar with the shipboard firefighting equipment.

    Despite these shortcomings in the SMS, the crew on the Tecumseh took a number of the steps required for a successful fire response. There were, however, a few aspects of the fire response that were problematic. While some were directly attributable to the above-mentioned shortcomings in the SMS, others likely related to some combination of shortcomings in training, instructions, and emergency drills for fire response:

    • The CO2 was released before the quick-closing oil and fuel valves were closed and before the engine room was sealed shut, which posed a risk that the one-time system might not work as intended.
    • When the crew re-entered the engine room, it was to check if the fire was spreading to the bilge and if so, apply firefighting foam in the bilges using large-capacity foam fire extinguishers in the engine room. However, these extinguishers contained CO2, not foam, and were unsuitable for use in the bilges.
    • The decision to re-enter the engine room was driven by the memory of previous experience instead of recent MED training and drills.
    • Some of the ventilation fire dampers and other openings were not closed promptly, and there was a short delay in crew members donning the firefighting outfits because it was not clear which crew members were responsible for these duties.

    Finding as to risk

    If training, instructions, and emergency drills for fire response are inadequate or missing, there is a risk that the crew will be unable to respond effectively to a shipboard fire.

    2.4.2 Hazardous occurrence reporting

    When hazardous occurrences and near misses are reported, crew members, shore-side management, and contractors can identify and analyze trends, assess potential hazards and risks, predict maintenance, and continuously improve safety in order to prevent future accidents or incidents. Follow-up of hazardous occurrence reports is required under the International Safety Management (ISM) Code.

    Although LLT’s SMS had a hazardous situation reporting process, the repeated hose assembly failures were not recorded in the company’s near-miss/hazard reporting documentation (known as Due Diligence Log statements). Efforts to address the hose assembly failures were focused on mechanical deficiencies rather than the underlying nature of the problem, and limited documentation, resulting from the absence of systematic record-keeping, impeded the company’s ability to analyze maintenance trends and perform effective preventive maintenance. As well, without these failures being reported, it was not possible for internal and external audits to assess the associated risks or carry out a safety-focused investigation to identify the root cause of the failures.

    Finding as to risk

    If key components of an SMS, such as the reporting of non-conformities and the assessment of associated risks, are not implemented by companies and crews, there is a risk that the safety of the crew, the vessel, and the environment will be compromised.

    2.5 Fire response by external resources

    The fixed CO2 fire suppression system on board the Tecumseh was a single-use system. Once it had been used, external support was required to contain the fire.

    2.5.1 Support from the Port of Windsor

    The crews of large commercial vessels consist of a dozen or more professional seafarers duly trained in marine firefighting, and the vessels are equipped with portable firefighting appliances and fixed firefighting systems. However, in some circumstances, they may need to rely on shore-based support to fight shipboard fires. Vessel fires in port can also present a serious hazard to the port and the surrounding area.

    Most of Canada’s ports and harbour authorities rely on municipal fire brigades for firefighting support. However, as demonstrated in this occurrence and previous occurrences investigated by the TSB, municipal fire brigades do not always have the proper training or resources to fight shipboard fires. Therefore, the management of these brigades forbids its staff to board a vessel on the basis of occupational health and safety requirements.

    The Windsor Port Authority relied on the City of Windsor’s Fire and Rescue Services for firefighting services. However, these services did not receive training for shipboard firefighting. As a consequence, shore-based firefighters did not board the moored vessel but instead provided fire teams from T&T Marine Salvage Inc. (the salvage contractor required by U.S. regulations) with shore-based assistance and support. Such support included boundary cooling from shore, water supplies for the on-board firefighters, and use of a breathing air compressor to refill bottles for the self-contained breathing apparatus.

    An international shore connection allows the shipboard fire main line to connect to other water supplies, as standards often vary between vessels and port facilities around the world. Municipal fire brigades serving ports do not always carry an international shore connection to support shipboard firefighting. Neither the Windsor Port Authority nor the City of Windsor’s Fire and Rescue Services carried an international shore connection.

    Finding as to risk

    If shore-based fire brigades expected to support on-board firefighting do not receive appropriate training and do not carry the proper equipment, these brigades will have limited ability to support crews fighting shipboard fires, putting crew, the general public, property, and the environment at risk.

    2.5.2 Other support

    In this occurrence, because the Detroit fire department’s firefighting vessel was out of service for the winter, the U.S. Coast Guard and the Joint Rescue Coordination Centre sent other small vessels that could provide tug services and support but not firefighting capabilities. Other firefighting support came from T&T Marine Salvage Inc. The first salvage party boarded the vessel approximately 4.5 hours after the fire had been re-ignited, and the second salvage party arrived from Texas more than 3 hours after the vessel had been towed to the Port of Windsor.

    Finding as to causes and contributing factors

    Without local shore-based firefighting resources to assist, the vessel was forced to await the arrival of additional firefighting resources, which meant that the fire burned for many hours without on-board firefighting capability.

    2.6 Voyage data recorder

    Objective voyage data recorder (VDR) data are invaluable to investigators when they attempt to understand a sequence of events and identify operational problems and human factors.

    In this occurrence, the Tecumseh did not have a VDR on board, nor was one required by regulation. Consequently, investigators could not confirm engine orders and the timing of emergency response actions, or gain a complete picture of internal and external communications.

    Finding as to risk

    If data from VDRs are not available to an investigation, it may not be possible to identify and communicate safety deficiencies to advance transportation safety.

    3.0 Findings

    3.1 Findings as to causes and contributing factors

    These are conditions, acts or safety deficiencies that were found to have caused or contributed to this occurrence.

    1. A fuel hose assembly of unknown origin and integrity failed on the port main engine, which allowed fuel oil to spray on to local sources of ignition, leading to the fire.
    2. Multiple unsealed deck cable penetrations between the engine room and the engine control room (ECR) deck allowed the fire to propagate to the ECR main switchboard, leading to the complete destruction of the ECR.
    3. Because the maintenance opening for the emergency fire pump compartment was not secured, smoke entered the emergency fire pump compartment and prevented the crew from being able to access the fire pump to troubleshoot it. Consequently, for approximately 2 hours, the fire pump was unavailable to the crew for boundary cooling.
    4. Approximately 3 hours after the CO2 was released, crew re-entered the engine room from the steering gear flat with a charged fire hose. Re-entry into the engine room allowed fresh air to enter the engine room, which most likely re-ignited the fire.
    5. Without local shore-based firefighting resources to assist, the vessel was forced to await the arrival of additional firefighting resources, which meant that the fire burned for many hours without on-board firefighting capability.

    3.2 Findings as to risk

    These are conditions, unsafe acts or safety deficiencies that were found not to be a factor in this occurrence but could have adverse consequences in future occurrences.

    1. If vessel maintenance and machinery monitoring do not ensure that propulsion machinery remains reliable, there is a risk of damage to the vessel and the environment and of injuries to personnel should a failure occur.
    2. If the integrity of structural fire protection is compromised and emergency equipment does not operate reliably during a fire, there is a risk that fire prevention, control, and extinguishing efforts will be hindered.
    3. If recurrent Marine Emergency Duties training is not required, there is a risk that crew members will not maintain their skills nor be up to date with current knowledge and practices for handling emergencies.
    4. If training, instructions, and emergency drills for fire response are inadequate or missing, there is a risk that the crew will be unable to respond effectively to a shipboard fire.
    5. If key components of a safety management system, such as the reporting of non-conformities and the assessment of associated risks, are not implemented by companies and crews, there is a risk that the safety of the crew, the vessel, and the environment will be compromised.
    6. If shore-based fire brigades expected to support on-board firefighting do not receive appropriate training and do not carry the proper equipment, these brigades will have limited ability to support crews fighting shipboard fires, putting crew, the general public, property, and the environment at risk.
    7. If data from voyage data recorders are not available to an investigation, it may not be possible to identify and communicate safety deficiencies to advance transportation safety.

    3.3 Other findings

    These items could enhance safety, resolve an issue of controversy, or provide a data point for future safety studies.

    1. The International Maritime Organization published a circular highlighting measures to prevent engine room fires and issued it to member states with the intention that it be widely distributed among marine stakeholders; however, this information was not distributed through Transport Canada’s ship safety bulletin system.
    2. During its investigation, the TSB observed a number of deficiencies on board the Tecumseh that had not been recorded in the report for an inspection that the recognized organization had conducted less than a month before the occurrence.

    4.0 Safety action

    4.1 Safety action taken

    4.1.1 Transportation Safety Board of Canada

    On 26 June 2020, the TSB issued Marine Safety Advisory Letter No. 01/20, entitled “Shipboard firefighting capabilities of fire departments neighboring Canadian ports” to the Association of Canadian Port Authorities, copying related authorities. The letter highlighted the fact that few Canadian ports have access to fire brigades that are trained in marine firefighting and that the lack of training prevents firefighters from boarding vessels to help with suppression of shipboard fires. The letter also identified that few shore-based fire brigades are aware of the existence of international shore connections. Finally, the letter noted that few Canadian port authorities have emergency preparedness plans to address firefighting on board vessels docked at the port.

    4.1.2 Transport Canada

    In June 2022, Transport Canada began revising the advanced firefighting portion of the current TP 4957 Marine Emergency Duties training courses to include additional mandatory knowledge requirements about how to monitor before re-entering a compartment following a fire.

    4.1.3 Lower Lakes Towing Ltd.

    Lower Lakes Towing Ltd. took the following safety actions:

    • Discussed the incident with senior officers with a focus on lessons learned.
    • Reminded masters and senior officers that in the absence of exceptional circumstances (such as missing crew members thought to be trapped inside), no attempt to re-enter the engine room or other action that could compromise the airtightness of the sealed engine room should be made once CO2 is released, until after the temperature drops below the auto-ignition point.
    • Provided near-miss training to masters and senior officers and reinforced the importance of near-miss reporting in the safety management system.
    • Provided masters with electronic data on near-miss reporting to present to crews during fit-out.
    • Changed the software used for maintenance planning and tracking.
    • Implemented new software for reporting drills, work permits, inspections, and near-misses to improve safety management.
    • Appointed third-party auditors for each vessel to look at the planned maintenance system, policies and procedures, regulatory and environmental procedures, and training requirements.
    • Increased the number of internal inspections and revised its audit forms to improve the quality of audits.

    4.2 Safety concern

    On 15 December 2019, the bulk carrier Tecumseh had a fire in the engine room while transiting the Detroit River off Windsor, Ontario. There were 16 crew members on board at the time. The vessel dropped both anchors, and the fixed fire suppression system was used to extinguish the fire. The fire later re-ignited, and the vessel was towed to the Port of Windsor, where the fire was extinguished on 16 December with the assistance of shore-based resources.

    4.2.1 Marine firefighting capabilities of shore-side resources

    In 1996, following a fire on board the self-unloading bulk carrier Ambassador, the Board identified concerns with training of shore-based fire brigades. In response, the Board recommended that

    the Department of Transport, in collaboration with ports and harbour authorities, take measures to ensure that shore-based fire brigades expected to support on-board firefighting, receive appropriate training.
    TSB Recommendation M96-07Footnote 63

    Following this recommendation, the Canadian Association of Fire Chiefs (CAFC), with the assistance of Transport Canada (TC), circulated a short questionnaire to assess the firefighting capabilities of municipal fire departments responsible for fighting fires in Canadian ports.

    In February 1998, in light of preliminary information coming from a subsequent investigation into an explosion and fire on board the tanker Petrolab, the TSB issued Marine Safety Advisory 03/98 to TC and the CAFC. They were asked to expedite their safety audit and review of risks and contingency measures in Canadian ports and harbours that contained oil terminals and wherever the installations were more susceptible to catastrophic damage should a fire break out on board a vessel at the dock.

    By July 1998, the CAFC had received a limited response to the survey questionnaire. However, the CAFC found that the survey provided enough information to raise concerns that the firefighting services available in municipalities with public ports might not be adequate to provide firefighting services in the event of a fire on board a vessel. The CAFC indicated that it was interested in working with TC to pursue research in this area.

    Following a fire on board the bulk carrier Windoc in August 2001 that resulted in the vessel’s total constructive loss, the TSB found that, among other factors, the responding fire department’s lack of training and experience in fighting shipboard fires hindered an effective firefighting response.

    When Recommendation M96-07 was issued in 1996, TC had regulatory authority over most of Canada’s ports but had begun to transfer port facility ownership and operations to interested parties. In 1998, control of 18 ports was transferred to individual Canada Port Authorities (CPAs), Footnote 64 which operate at arm’s length from the federal government. Although the CPAs fall under the Canada Marine Act and its associated regulations, they operate as self-sufficient commercial entities with no federal funding. Since then, the responsibility for port operations, including the responsibility for shore-based firefighting, was moved to the individual port authorities.

    Recommendation M96-07 was closed in March 2016, with the Board’s final assessment of the response being Satisfactory in Part; the Board noted, however, that the safety deficiency remained in some ports. The Board also noted that the responsibility for firefighting now rested with individual port authorities, and that it would take into account the effectiveness of the ports’ responses to a ship-based fire in future investigations.

    During the investigation into the Tecumseh, similar issues arose to those highlighted in Recommendation M96-07, which again raises concerns about the current status of training for shore-based fire brigades. For example, the investigation confirmed that the Windsor Fire Service did not have staff specifically trained for fighting shipboard fires, and that the Windsor Fire Service would respond to a vessel fire at a dock in the port, but firefighters would not be allowed to board or enter the vessel. As well, the investigation identified that neither the Windsor Fire Service nor the Windsor Port Authority had an international shore connection.

    On 26 June 2020, the TSB sent Marine Safety Advisory Letter 01/20 to the Association of Canadian Port Authorities and the Port of Windsor about the need for local shore-based firefighting resources to be properly trained and equipped to support crews in fighting shipboard fires. In its response to this letter, the Port of Windsor indicated that, among other things, they were not required to have an international shore connection.

    The Board believes that shore-based resources must be trained and equipped to respond to major vessel fires in order to minimize the consequences of a fire in the close confines of a port or harbour. Therefore, the Board is concerned that some Canadian ports and harbours authorities may lack the proper equipment, training, and resources to respond effectively to shipboard fires occurring within their jurisdiction, which could result in fires that endanger crews, the general public, property, and the environment. The Board will continue to monitor this issue with a view to assessing the need for further safety action.

    This report concludes the Transportation Safety Board of Canada’s investigation into this occurrence. The Board authorized the release of this report on . It was officially released on .

    Appendices

    Appendix A – Area of the occurrence

    Appendix A – Area of the occurrence
    Image
    Area of  the occurrence

    Source: National Oceanic and Atmospheric Administration chart 14848 with TSB annotations; inset Google Earth with TSB annotation.

    Appendix B – Text of laminated instructions at the Tecumseh’s CO2 remote release station on deck C

    M.V. TECUMSEH

    CO2 RELEASE

    1. 1)     BE CERTAIN THAT THIS IS YOUR LAST POSSIBLE MEANS OF CONTROLLING THE FIRE AND ALL OTHER MEANS HAVE BEEN EXHAUSTED.
    2. 2)     TRY TO BE ON THE EMERGENCY GENERATOR WHEN RELEASING THE CO2 TO MAINTAIN LIGHTING. BUT ONLY IF TIME PERMITTING.
    3. 3)     SECURE ALL FUEL OIL PUMPS AND FUEL VALVES BY REMOTE STATION OUTSIDE 1 A/E OFFICE OR BY LOCAL OPERATED VALVES IN ENGINE ROOM.
    4. 4)     COVER ALL NATURAL AND FORCED AIR VENTILATION TO MACHINERY SPACE OPENING:
      1. A)     ENGINE ROOM SUPPLY FANS - LOCATED "B" DECK AFT – THERE ARE COVERS FOR SAME IN STBD SIDE FIRE STATION JUST INSIDE DOOR AT STATION 15.
      2. B)     ENGINE ROOM EXHAUST FANS - LOCATED " D '" DECK AFT- THERE ARE COVERS FOR SAME IN STBD SIDE FIRE STATION JUST INSIDE DOOR AT STATION 11.
      3. C)     F.O. PURIFIER ROOM EXHAUST FAN LOCATED MAIN DECK STBD SIDE JUST AFT OF OFFICERS MESS PORTHOLES, CLOSE THE HATCH ON SAME.
      4. D)     STEERING GEAR NATURAL SUPPLY - LOCATED MAIN DECK AFT - CLOSE DAMPERS.
      5. E)     E.R. STORES HATCH AND LINE STORAGE HATCHES - TO BE CLOOSED.
      6. F)     IN CASE THE COVERS ARE NOT FOUND IN THE ABOVE FIRE STATIONS USE ANY KIND OF BEDDING TO COVER INLETS.

    ONCE AGAIN BE SURE ALL OF THE ABOVE ARE COVERED YOU WILL ONLY HAVE ONE SHOT TOPUT OUT THE FIRE

    1. 5)     TRY TO BE SURE ALL PERSONNEL ARE ACCOUNTED FOR AND OUT OF THE ENGINE ROOM
    2. 6)     BREAK GLASS AND PULL VALVE CONTROL HANDLE (PULL HARD) ENGINE ROOM CO2 RELEASE STATIONS LOCATED:
      1. A)     OUTSIDE 1 A/E OFFICE ON "C" DECK
      2. B)     OUTSIDE MAIN DECK E.R. DOOR
      3. C)     IN THE E.R. CONTROL ROOM PORT SIDE IF RELEASED FROM THIS SPOT EXIT THROUGH ESCAPE LADDER.
    3. 7)     IMMEDIATELY AFTER ABOVE, BREAK GLASS AND PULL HANDLE OF CYLINDER CONTROL BOX (PULL HARD).
    4. 8)     AN ALARM SOUNDS IN THE MACHINERY SPACE FOR 25 SECONDS PRIOR TO RELEASING CO2 FOR EVACUTION WARNING.
    5. 9)     IF THE CO2 DOES NOT RELEASE FROM REMOTE STATIONS, THEN GO TO CO2 ROOM AND FOLLOW WRITTEN INSTRUCTIONS FOR MANUALLY RELEASING CO2 SYSTEM.
    6. 10)     FOLLOWING CO2 FLOODING, DO NOT ENTER SPACE WITHOUT ADEQUATE APPARATUS.

    Source: Lower Lakes Towing Ltd.

    Appendix C – Tecumseh’s muster list (station bill)

    Appendix C – Tecumseh’s muster list (station bill)
    Image
    Tecumseh’s muster list (station bill)

    Source: Lower Lakes Towing Ltd.