Railway Investigation Report R99T0017

Train passed a signal indicating stop
VIA Rail Canada Inc.
train no. 52
mile 232.8, Kingston Subdivision
Trenton Junction
Trenton, Ontario

The Transportation Safety Board of Canada (TSB) investigated this occurrence for the purpose of advancing transportation safety. It is not the function of the Board to assign fault or determine civil or criminal liability. This report is not created for use in the context of legal, disciplinary or other proceedings. See Ownership and use of content. Masculine pronouns and position titles may be used to signify all genders to comply with the Canadian Transportation Accident Investigation and Safety Board Act (S.C. 1989, c. 3).

Table of contents

    Summary

    On 19 January 1999, at approximately 0830 eastern standard time, VIA Rail Canada Inc. train No. 52 passed signal No. 2328S at Mile 232.8 of the Canadian National Kingston Subdivision at the Trenton Junction Station while it was indicating stop. The train subsequently passed through a main track switch, which was in the reverse position in a trailing movement direction, and came to a full stop at Mile 232.17. There was no derailment, no injuries to passengers or crew, and no damage to property other than to the switch that was forced open by the train wheels as it passed through.

    Ce rapport est également disponible en français.

    1.0 Factual Information

    1.1 The Incident

    Eastward VIA Rail Canada Inc. (VIA) train No. 52 (VIA 52) departed Toronto, Ontario, on 19 January 1999 at 0710 eastern standard timeFootnote 1 on the Canadian National (CN) Kingston Subdivision. The locomotive crew consisted of two locomotive engineers and a locomotive engineer trainee. The train travelled without incident, making stops to entrain and/or detrain passengers at Guildwood, Oshawa and Cobourg. There had been a snowfall the night before and the Centralized Traffic Control System (CTC) signal lenses were partially obscured by sticking snow.

    As VIA 52 travelled towards Trenton Junction, Mile 232.8, a road switcher departed Belleville, Mile 220.7, on the north main track and proceeded to Trenton Junction, where it entered the Marmora Spur. To leave the Kingston Subdivision, the road switcherFootnote 2 had travelled on the south main track between Trenton, Mile 231.7, and Trenton Junction, passed signal 2327S, and went over the switch which had been lined in the reverse position at Trenton Junction. The road switcher travelled through Trenton Junction at 0821.

    Figure 1. Simplified track diagram - Trenton area
    Image
    Simplified track diagram - Trenton area

    After the road switcher cleared Trenton Junction, the rail traffic controller (RTC) attempted to restore the switch to its normal position using his control panel, by pressing pushbuttons which remotely controlled either signals, switches or both on the control panel. The RTC could not restore the switch to its normal position. He attempted to move the switch only and did not request that a permissive signal indication be displayed for a train travelling eastward. At 0824, after four unsuccessful attempts, the RTC contacted maintenance-of-way (MoW) employees at Trenton, and requested they go to Trenton Junction to restore the switch to its normal position. The employees acknowledged the request and proceeded to Trenton Junction in a highway vehicle. The RTC did not request any other signal at Trenton Junction.

    As part of their duty to train another employee, the two locomotive engineers on VIA 52 were explaining the specifics of train operations on the Kingston Subdivision. The locomotive engineer trainee was asking questions relevant to train operations, as well as the geographic features of the territory. As the train approached signal 2352S, Mile 235.2, on the south main track, the approach signal to Trenton Junction, the locomotive engineer at the controls asked the other two employees if the approach signal displayed a clear signal indication, as it was partially covered by snow. They both recall that it was displaying a clear signal indication. VIA 52 passed signal 2352S at a recorded speed of 97 mph. The speed increased until it reached 100 mph. The home signal for the south main track at Trenton Junction, signal 2328S, would have come into view from a distance of approximately 4900 feet. When the locomotive engineer not at the controls of the locomotive observed that signal 2328S was displaying what he qualified as "colours", he relayed that information to the other two employees on the locomotive. The locomotive engineer at the controls immediately initiated an emergency brake application. VIA 52 was at a distance of approximately 2500 feet from the signal at that time. The train could not stop before passing signal 2328S, and ran through the trailing point switch for the Marmora Spur. The train stopped at a distance of 4900 feet past signal 2328S at about 0835.

    The MoW employees had just arrived at Trenton Junction and were going up the steps leading to the tracks when they observed VIA 52. The brakes were applied on the train as it went past. They proceeded to the switch and noticed that it had been run through and had sustained damage.

    After the train came to a stop, the crew was left on the locomotive cab for an extended period of time while personnel at the rail traffic control centre investigated the circumstances of the incident and a supervisor travelled to the site. During that time, the crew was not given information as to the events that were taking place and was left to discuss the event among themselves.

    1.2 Injuries

    There were no injuries.

    1.3 Damage to Equipment

    There was no damage to VIA 52.

    1.4 Other Damage

    The switch was damaged (bent inside lock rod, outside lock rod, throw rod, point detector lug and front rod swivel lug).

    1.5 Personnel Information

    The operating crew of VIA 52 consisted of two locomotive engineers and a locomotive engineer trainee. They were qualified for their respective positions, including vision and colour recognition requirements, and met fitness and rest standards.

    1.6 Train Information

    VIA 52 consisted of one locomotive and four cars. The train was approximately 350 feet in length and weighed about 340 tons. There were 103 passengers and railway employees on board.

    1.7 Occurrence Site Information

    The CN Kingston Subdivision extends from Dorval, Quebec (Mile 10.3), to Toronto, Ontario (Mile 333.8) and consists of two to four main tracks interconnected by crossovers. The maximum track speed is 100 mph for passenger trains and 60 mph for freight trains. There are many manual and dual control switches leading to main tracks or spur tracks, including the Marmora Spur. The Marmora Spur extends southward from the south main track into the city of Trenton.

    1.8 Method of Train Control

    The Kingston Subdivision was controlled by the CTC method of train control and was under the supervision of RTC located in either Montréal or Toronto. The section surrounding Trenton was controlled from the Toronto rail traffic control centre.

    1.9 Weather

    The temperature was minus one degree Celsius, with overcast skies. The visibility was unobstructed.

    1.10 Recorded Information

    1.10.1 Locomotive

    The event recorder indicated that VIA 52 was travelling at a speed of approximately 97 mph as the train was proceeding past signal 2352S, the throttle was at position No. 6, and was gradually moved to lower throttle positions until it was placed in idle. The throttle position was then changed again to various levels until a speed of 100 mph was reached. At a recorded time of 0833:45, an emergency brake application was initiated; at that time, the speed of the train was 100 mph. VIA 52 then decelerated gradually and came to a full stop at 0835:19.

    1.10.2 Signal Bungalow

    The signal bungalow at Trenton Junction was equipped with an event recorder. The recorder showed that the RTC requested the switch at Trenton Junction six times between 0753 and 0825, but it never locked in the normal position. VIA 52 is recorded as having passed signal 2352S, which had been requested to display a yellow over red (clear to stop) indication, at 0832:32. Appendix A shows the relevant functions performed in the bungalow at Trenton Junction.

    1.11 VIA Rail Canada Inc. (VIA) Locomotive Engineer Training

    VIA recruited its locomotive engineers from experienced railway operating employees or customer service staff. At the time of the incident, VIA's training program for new locomotive engineers consisted of classroom sessions, where the students were taught the various aspects of locomotive operation, emergency maintenance of locomotives and were qualified in the Canadian Rail Operating Rules (CROR). The company complemented the theory with hands-on training on board trains while they were in service. Experienced locomotive engineers explained to trainees how a high-speed, passenger-carrying train was operated, including all the intricacies associated with on-time performance, signal locations, geographically significant areas, and locations where throttle and brake applications were required. The locomotive engineers were required to do this while accomplishing all their regular duties on the train.

    1.12 Centralized Traffic Control System (CTC) Signalling System

    1.12.1 General

    At the time of the accident, the CTC on the Kingston Subdivision consisted of an arrangement of interlocked block signals (intermediate and controlled). These signals were located near the tracks and were exposed to the elements. Intermediate signals were activated by the presence of trains, certain machinery (such as some track units) which operated on the tracks, and abnormal conditions such as broken rails. Controlled signals were requested by the RTC by means of a computerized console. The RTC console alerts the RTC, through visual and audible alarms, when a train passes a signal that is not displaying a permissive indication. The arrangement of interlocked signals, switches and control console forms an integrated system for the protection and facilitation of trains and track unit movements. The signals are displayed in sequence to indicate the operating requirements in the next block (block 1) and the possible signal indication at the next signal (controlling block 2), which governs the conditions in that block.

    Figure 2. Centralized Traffic Control System Signals
    Image
    Centralized Traffic Control System Signals

    CTC is a traffic control system that relies on the ability of train crew members to observe, correctly identify and react appropriately to signals.

    Three of the essential components of the CTC signalling system are signals, relays and CTC circuit design.

    In view of the inconsistencies between the crew's recollection and the physical workings of the signals and relays collected during the investigation, as well as direct observations of TSB investigators, the investigation explored the technical aspects of the signal system.

    1.12.2 Signals

    Signals are basically an arrangement of one, two or three lights (lenses) that display various combinations of colours in each lens (green, yellow and red). These combinations indicate impending conditions in the next block as well as advance information regarding the indication that could be displayed at the next signal. The convention for naming the signal mechanisms is "A", "B" and "C" head, starting at the top of the post.

    Figure 3. Examples of 1, 2 and 3 aspect signal indications
    Image
    Examples of 1, 2 and 3 aspect signal

    The signals used at Trenton Junction were called Type SA-1 searchlight and were manufactured by General Railway Signal Corporation (GRS) based in Rochester, New York. GRS was purchased by Alstom Signaling Inc. (Alstom) in 1998. The signals were built according to Association of American Railroads (AAR) specifications (relevant portion cited in Appendix B).

    1.12.2.1 Searchlight Signal

    Figure 4. Basic illustration of principle of searchlight
    Image
    Basic illustration of principle of searchlight

    A searchlight signal is an electromechanical device that consists of a lamp at the rear of a metal box (housing), an assembly of three discs (yellow, red and green) immediately in front of that lamp, called a rotary movement, and a lens in front of that rotary movement. As power is applied to the mechanism, depending on the polarity, the rotary movement swivels in front of the lamp to expose the appropriately coloured disc and display a certain colour. The assembly's resting position (when no power is applied) is vertical, with the red disc exposed to the lamp to ensure a stop indication is displayed under normal conditions or during a power outage. This is referred to as a fail-safe mechanism, and will activate in the event both the main and battery backup supplies fail.

    The manufacturer's recommended procedures for installation (including location), operation and maintenance of signals can be found in its brochure entitled Type SA-1 Color-Light Signal - Searchlight Type. The brochure recommends that:

    …for best results, a high signal should be so located with respect to the track that the lens is as near as possible on a level with the eyes of the engineman, and as close to the track as clearances will permit. This condition normally calls for mounting the signal on the left-hand side of the mast as viewed by the approaching engineman.Footnote 3

    GRS recommends that signals be mounted on the left side of the mast located to the right of the track as seen by an approaching train. This position is closest to the locomotive engineer, who is seated on the right-hand side of the locomotive. On the CN Kingston Subdivision, the signals were either located to the right of the tracks, on either side of the masts, or overhead.

    Signal 2328N, located on the north side of the tracks (and intended for a train proceeding on the north track) was displaying a stop indication when VIA 52 was approaching.

    A known problem with this type of assembly is that it could freeze in place, when the temperature is below freezing, should moisture be present in the mechanism and the three-disc assembly come in contact with the metallic housing. Should this occur, the signal may not display the desired indication. Under such conditions, the fail-safe feature would not function.

    Figure 5. GRS searchlight type signal
    Image
    GRS searchlight type signal

    The searchlight signal, located at the top of the signal arrangement for signal 2352S at Trenton Junction, was examined at the TSB Engineering Branch Laboratory to determine if a malfunction could have occurred when VIA 52 approached and passed it. Representatives from Alstom, the manufacturer, as well as the regulator, Transport Canada (TC), attended.The mechanism was dismantled, and the parts were examined.No sign of malfunction was discovered and no sign of moisture was observed inside the assembly.

    1.12.2.2 Trenton Junction Circuit Design and B-1 Relays

    After examining the searchlight mechanism and some of the relays from Trenton Junction, an analysis of the circuit design at Trenton Junction was performed to identify whether any part of the system malfunctioned during this incident.

    A list of the relays pertinent to this section is provided below and a description of their function can be found in Appendix C.

    • 2328SAGP Signal 2328S "A" head green mechanism repeater
    • 2328S-1RP Signal 2328S red mechanism repeater
    • 2328S-S1AS Approach locking relay for signal 2328S
    • SF Traffic relay for signal 2328S
    • 1ES Eastward route stick relay
    • 1L, 1LS Switch lock relays
    • 1TP OS trackFootnote 4 relay

    The traffic network at Trenton Junction is a bi-directional circuit with three normally energized traffic relays (SF for eastward movements and 1F or 2F for westward movements). When a signal is requested, a path is created in the circuitry to energize the appropriate traffic relay. The traffic relay is then used in both the signal control network and in the line circuits to the adjacent locations to determine whether a line is feeding or receiving energy.

    The signal control network is a bi-directional network with no energy flowing while in the "resting" state. As there is no energy applied to any of the signal mechanisms, they all display a stop indication (as explained in 1.12.2.1). In a typical circuit design, when a signal is requested, a relay (GZ relay) goes to the energized position to energize a traffic relay (F relay) and de-energize a lock relay (L and LS). The polarity to the signal mechanism is controlled by the line relay (D relay) coming in from the adjacent location. As explained in 1.12.2.1, the polarity determines in which direction the rotary movement moves to display a coloured disk.

    Figure 6. Signal 2352S indicating clear to stop
    Image
    Signal 2352S indicating clear to stop

    The line circuit between Trenton Junction and the approach signal (2352S) operates as follows.

    • When signal 2328S is displaying a stop indication, the green mechanism repeater (2328SAGP) is in the de-energized position. The positive energy path causes signal 2352S to display a yellow-over-red indication (clear to stop signal).
    • When signal 2328S is displaying a permissive indication, the green mechanism repeater is in the energized position, which causes signal 2352S to display a green-over-red indication (clear signal).

    A clear signal indication means that one can proceed up to maximum track speed, and a clear to stop signal indication means that one may proceed but to be prepared to stop at the next signal.

    Design of Signal System at Trenton Junction

    There are "route stick relays" (1ES and 1WS) that ensure that the plantFootnote 5 is locked. A locked plant means that opposing signals cannot be cleared and the position of a switch cannot be moved. Route stick relays are normally energized. Once a signal is cleared (displays a permissive indication) and its accompanying approach locking relay (AS) becomes de-energized, the appropriate route stick relay de-energizes and remains in that state until either a train has passed the location (AS and 1TP relays de-energized) or the signal is cancelled and the timing mechanism on the AS relay has completed its cycle. AS relays are equipped with a timing mechanism (STE) that prevents opposing signals from being cleared immediately after a signal has been cancelled, to ensure sufficient time for a train to stop before another train is allowed to approach.

    Furthermore, there are switch lock relays (1LS and 1L) that are normally energized. Switch lock relays de-energize when: a signal is requested; a route stick relay becomes de-energized; or the OS track is occupied (1TP relay de-energized). When switch lock relays are de-energized, the switch cannot be moved and a different signal cannot be requested.

    The signal mechanism repeater circuits and approach locking circuits operate so that, when signal 2328S is displaying a stop indication, the red repeater (relay 2328S-1RP) is energized, prompting the approach locking relay (2328S-S1AS) to energize. Should any of the lenses in signal 2328S display other than red, the circuit to the red repeater would be opened and the red repeater would become de-energized. If this were to occur, the AS relay would de-energize and remain so until either the red repeater energizes again and a train occupies both the OS track (relay 1TP) and the next track beyond the OS track or the signal is cancelled (by the RTC), the red repeater energizes and the AS timer runs its full time. The de-energized AS causes the route stick relay to de-energize, which prompts the lock relays to de-energize. As a result of this sequence of events, the plant locks.

    Designed Operation

    When signal 2328S is requested by the RTC and there is no occupancy east of Trenton Junction, signal 2328S would display a clear signal indication. When the request is received by the equipment in the field, relay SEGZ (GZ relay) is energized, which causes the SF traffic relay also to energize. Then, the 1LS and, in turn, the 1L de-energize. Because of the positions of these relays, the "A" head of signal 2328S displays a green indication. The designed circuit verifies that the opposing AS relay (2327S-S1AS) is energized but does not check that relay 2328S-S1AS is in the de-energized position. With signal 2328S displaying a green indication in the top lens, relay 2328SAGP is energized, which causes the red repeater (2328S-1RP) relay to de-energize. Relay 2328S-S1AS then de-energizes, which prompts the 1ES route stick relay to de-energize. Relay 1LS de-energizes, which provides time locking protection in the event that signal 2328S is cancelled. When signal 2328S is displaying a clear signal indication, relay 2328SAGP is in the energized position. The various flows of energy through the contacts cause signal 2352S to display a clear signal indication.

    Signal 2328S is requested and displays a clear signal indication.

    Relay Number Position Function
    SEGZ energized signal request
    SF energized signal 2328S traffic relay
    1LS de-energized switch lock relay
    1L de-energized switch lock relay
    2328SAGP energized signal 2328S "A" green mechanism repeater
    2328S-1RP de-energized signal 2328S red mechanism repeater
    2328S-S1AS de-energized signal 2328S approach locking relay
    1ES de-energized eastward route stick relay
    1TP de-energized OS track

    The AAR Manual of Recommended Practices contains a guideline, found in Appendix D, entitled Recommended Vital Circuit Design Guidelines for Stuck-Mechanism Detection for Controlled Signals. It is applicable "… to stuck-mechanism detection circuitry for controlled signals with searchlight mechanisms." The circuits at Trenton Junction rely on the assumption that all relays operate as designed, and omit stuck-mechanism detection based on this AAR recommended practice which was published after CTC was installed on many subdivisions in Canada, including the CN Kingston Subdivision. According to the recommended design practice, the approach locking relay for any signal should be checked in the de-energized position before that signal is allowed to display a permissive indication; switch locking should not be conditioned by non-vital relays; and approach locking relays should be conditioned by the signal request as well as by the red repeater. A mechanism check circuit (as per the AAR recommended practice) ensures the preceding is achieved.

    Relays 2328SAGP and 2328S-1RP were slow release relays with a safety-critical function at Trenton Junction. Their GRS drawing number was 56001-792 GR. 2. This drawing number was covered by 1985 and 1995 GRS safety notices (Addendum - Appendix 2). Relay 2328SAGP and relay 2328S-1RP had been manufactured in 1969 and "safety-checked" in 1993 as per the 1985 safety notice. "Safety-checked" means that the relays were opened, cleaned and tested as per the latest GRS safety notice applicable for that type of relay.

    To understand the potential problem with slow release relays not releasing in the specified time, two scenarios are possible, but they have a very low probability of occurrence.

    • Scenario 1

      When signal 2328S is displaying a clear signal, relay 2328SAGP is in the energized position. Relay 2328S-1RP is designed to de-energize before signal 2328S displays a permissive indication. Should it fail to de-energize when signal 2328S is displaying a clear signal indication, the approach locking relay (2328S-S1AS) would not de-energize, which would cause the route stick relay (1ES) to remain energized. The switch lock relays (1L and 1LS) would be de-energized but only through the non-vital request relay (SEGZ) and not through the route stick relay. Because of the position of relay 2328SAGP, the line circuit to the approach signal (2352S) would cause it to display a clear signal.

      This is a situation where a clear signal leads to another clear signal and appears to be normal. However, there is no approach locking protection as relay 2328S-S1AS is still in the energized position. Should signal 2328S revert to a stop indication for any reason (e.g., broken rail or bond wire), the plant immediately becomes unlocked and the position of the switch can be changed even if a train is approaching.
    • Scenario 2

      In a scenario where both signals 2352S and 2328S are displaying clear signal indications and the red repeater relay (2328S-1RP) has failed to de-energize (as in Scenario 1), given the circuit design at Trenton Junction, the following sequence of events is possible.
      • Should the RTC cancel signal 2328S, the non-vital relay (SEGZ) would de-energize and relays 1LS and 1L would energize, effectively unlocking the switch as explained in Scenario 1. The "A" head of signal 2328S reverting to red causes the green mechanism repeater relay (2328SAGP) to de-energize.
      • Should relay 2328SAGP not de-energize at that time, the line circuit to the approach signal would not change and signal 2352S would continue to display a clear signal indication. Under these circumstances, there would be a clear signal indication leading to a stop signal indication. As previously explained, the position of the switch could be changed and a signal could be cleared either leading to, or exiting from, the Marmora Spur.

    On the day of the occurrence, the sequence of trains at Trenton Junction was:

    • an eastward freight train on the south main track;
    • a westward train on the south main track to the Marmora Spur (road switcher); and
    • VIA 52 (eastward on the south main track).

    In order for the first eastward train to proceed through Trenton Junction, signals 2352S and 2328S displayed a clear indication.

    As the system allowed the RTC to give the road switcher a permissive signal indication (2327S) to enter the Marmora Spur, circuit design requires that signal 2328S display a stop indication and relay 2328SAGP be in the de-energized position. When signal 2328S displays a stop indication, relays 2328S-1RP and 2328S-S1AS are in the energized position. As relay 2328S-S1AS is energized through a front contact of relay 2328S-1RP, if the red repeater were de-energized, relay 2328S-S1AS would also de-energize, which would cause the plant to be locked and the switch not to be moved.

    After the road switcher passed Trenton Junction, the RTC moved the switch several times, which indicates that relays 1L and 1LS (switch lock relays) were energized and relay 2328S-S1AS was also in the energized position. As the switch could be moved, the plant was not locked, which further indicates that relay 2328SAGP was not in the energized position.

    Relay 2328SAGP was in the de-energized position and could not move to the energized position as the RTC did not request signal 2328S after passage of the westward road switcher.

    To determine the integrity of the CTC at Trenton Junction at the time of the incident, the two slow release relays (2328SAGP and 2328S-1RP) that control the safety-critical aspects of the approach signal (2352S) were examined to determine whether they de-energized in the specified time during the occurrence (TSB Engineering Branch Report LP 037/99). The TSB Engineering Branch examined 18 additional relays to assess the extent of potential problems. The results of the investigation performed on the relays are included in the Addendum.

    1.13 Regulatory Overview

    Transport Canada's mission is to ". . . develop and administer policies, regulations and services for the best possible transportation system". They are responsible for administering and enforcing the provisions of the Railway Safety Act (RSA), whose underlying philosophy defines the role for regulation and railway management as follows:

    • railway management must be responsible, and accountable, for the safety of operations; and
    • the regulator must have the power to protect the public and employee safety.

    Transport Canada achieves its mandate by establishing regulations and approving rules developed by railways and inspecting, monitoring and auditing for compliance with proven safety practices and procedures.

    The three functional branches (Equipment and Operations, Engineering, and Audit and Quality Assurance) in TC's Rail Safety Directorate use monitoring programs to fulfill their mandate. These programs are used by regional safety inspectors to perform monitoring activities on railway property. TC, Rail Safety (Head Office) is responsible for developing the monitoring programs, and TC, Surface (Region) is responsible for delivering them. Head Office has functional authority over program delivery, but not line authority.

    1.13.1 Train Operations Monitoring

    Compliance with operating rules, such as calling signals in a clear and audible manner (CROR Rule 34(b)), comes under TC's Train Operations Monitoring (TOM) program. The TOM program provides procedural guidelines to railway safety inspectors to assist them in fulfilling their mandate under the RSA for railway operations. This program, together with the rail traffic control centre monitoring program, allows TC to assess the level of safety of railway operations in Canada and take regulatory action to enforce the RSA.

    The TOM program requires that the safety inspectors riding a locomotive note all infractions to approved rules. TC provided the results of the TOM program specifically for compliance with CROR Rule 34(b) (refer to Appendix E). In 1998, TC safety inspectors monitored 245 trains in CTC territory and noted nine infractions with CROR Rule 34(b) on four trains (two freight and two passenger trains). In 1999, TC noted eight violations with CROR Rule 34(b) on three trains (two freight trains and one passenger train) out of the 260 trains operating only in CTC that it monitored. Furthermore, until the end of September 2000, TC monitored 203 trains operating only in CTC and noted four violations with CROR Rule 34(b) on four freight trains. A rate of violations was determined (number of trains ridden where a violation with CROR Rule 34(b) was noted by 100 trains ridden in CTC).

    Year Number of Trains (CTC only) Recorded Violations (CROR Rule 34(b)) Apparent Rate of Violations
    1998 245 9 3.67
    1999 260 8 3.08
    2000
    (to 30 September)
    203 4 1.97

    Although the apparent rate of violations is encouraging, information received during the investigation indicates that train crews do not always call all signal indications as per this rule. For various reasons, the crews vary their method of calling signals and decide which signals they call audibly to each other.

    1.13.2 Signal Monitoring Program

    Assessing the levels of safety associated with the signal systems used by railway companies in Canada came under TC's "railway signal program". That program required a minimum of five per cent of all railway traffic and crossing signal systems to be inspected annually. The level of program delivery was left to the discretion of each region which determined if it would inspect five per cent of these systems. The railway signal program was not a written program and there were no inspection procedures. The inspection normally consisted of looking at the various components and assessing whether the railway personnel complied with the railway's maintenance programs. The data for that program was not centrally collected at Head Office and each region had to collect and analyze the data and identify its own regional trends. The program did not contain any specifications or guidelines for safety inspectors to monitor, inspect or audit track circuit design diagrams, the proper functioning of relays, adherence to manufacturer safety notices or other aspects of the proper functioning of the signal systems. TC's Engineering Branch was not aware of the GRS or other relay manufacturers' safety notices.

    TC had made adhering to AAR recommended practices mandatory through either regulations or approval of rules or standards filed under Section 19 of the RSA. TC has included a provision in its Highway Crossings Protective Devices Regulations which states, "…signals, gates, operating mechanisms and control circuits shall be in accordance with AAR recommended practice". It has also approved a standard called Railway Signal and Traffic Control Systems Standards under paragraph 19(4)(a) of the RSA. This standard includes a provision which states, "If a railway wishes to depart from an AAR recommended practice, it shall file with Transport Canada an alternative practice which shall provide an equivalent level of safety".

    2.0 Analysis

    2.1 Introduction

    This incident was a consequence of the operation of VIA Rail Canada Inc. (VIA) train No. 52 (VIA 52) in a manner that did not match the design and operating requirements of the centralized traffic control system (CTC). Due to the nature of the terrain and the signal spacing, a clear to stop indication at the approach signal (2352S) prompted by the home signal (2328S), and displaying a stop indication, would require both speed reduction and vigilance for the earliest recognition of the aspect of the home signal. The analysis will discuss the events and circumstances that resulted in this breakdown in safe train operation.

    2.2 Signals and Crew Response

    The crew's strong post-incident belief and assertions that the approach signal (2352S) had been displaying a clear indication prompted the investigation of the design of the CTC at Trenton Junction, the mechanical functioning of the relays involved, and the searchlight mechanism. CTC design analysis, provided in the Addendum, indicates that relay 2328SAGP was in the de-energized position and relay 2328S-1RP was in the energized position as the switch was free to move. Given the position of these two relays and the engineering test conclusion that the searchlight mechanism did not malfunction, the physical information strongly indicates that signal 2352S was displaying a clear to stop indication, contrary to the crew's belief and assertions that it was clear.

    Although signal 2328S came into view at a distance of approximately 4900 feet, the locomotive engineer did not apply the brakes until approximately 2500 feet from the signal, approximately 16 seconds (and 2400 feet) after the signal would have been visible. As the train stopped at a distance of approximately 4900 feet past the signal, the total braking distance was approximately 7400 feet. The delay between the time the signal came into view and the time the brakes were applied demonstrates that the crew's full attention was not on the signals. As the approach signal indication was not observed, the train speed was maintained at 100 mph; operating at such speed, the crew members would not have been able to stop their train even if they had observed and reacted to the indication of signal 2328S as soon as it had come into view.

    2.3 Operation of VIA 52

    The two locomotive engineers were performing the additional task of assisting a locomotive engineer trainee to learn the aspects of VIA train operations. As this hands-on training takes place in a live environment, much discussion takes place on the locomotive. Experienced locomotive engineers attempt to share their knowledge and experience, and the student asks questions about various aspects of operating a high-speed passenger train. Such conversations require locomotive engineers to redirect some of the attention they normally give to operating their train to this additional task. In this case, it may have resulted in the omission of the check for the signal indication of signal 2352S. The risk of this kind of human error can be offset by having one of the regular crew members focus on the normal duties whenever the other is engaged in discussion with a trainee.

    2.4 Research

    2.4.1 Human Error

    All three crew members reported seeing the upper aspect of signal 2352S as green and the lower aspect as red (a clear signal indication). Given the physical information indicating that signal 352S was displaying a clear to stop indication, the investigation explored the human factors associated with the belief of the crew members that they saw a clear signal indication.

    The long history of train crews passing through, or missing, critical railway signals prompted researchers in the 1950s and 1960s to study the problem. BuckFootnote 6, who studied operator errors in the British railway system in 1963, identified six sources of perceptual error, four of which involved the operator not seeing the signal, and two involving perceptual and sensory factors.

    The four reasons given by the operator for not seeing the signal were:

    • not knowing where the signal was or where the train was in relation to that signal;
    • accepting a signal other than the correct one;
    • doing something else while the signal is visible; and
    • accepting another source of information (e.g. verbal confirmation from a colleague) rather than viewing the signal himself/herself.

    The perceptual and sensory factors were related to:

    • inadequacies in the display of the aspects or in the operator's sensory capacities; and
    • illusory effects which caused the driver to perceive the aspect as being different from what it was.

    This report will analyze each possible cause identified by Buck's report in the context of the events of the Trenton Junction incident.

    • Not knowing where the signal was or where the train was in relation to that signal

      The two qualified locomotive engineers had travelled that territory on many occasions and were familiar with the location of the signals. This possible cause is not applicable.
    • Accepting a signal other than the correct one

      There are two approach signals to Trenton Junction (2352S and 2352N) and they are located on either side of the two main tracks. The track approaching these signals is tangent and the signals are visible from a long distance. As the rail traffic controller (RTC) had not requested an eastward movement at Trenton Junction on the north track, signal 2328N was displaying a stop indication and signal 2352N was displaying a clear to stop indication (the same as signal 2352S would have displayed). Therefore, the crew on VIA 52 did not accept another signal in place of signal 2352S.
    • Doing something else while the signal is visible

      Notwithstanding the crew's recollection, it is possible that the three crew members were performing other functions while signal 2352S was visible, as explained in 2.3.
    • Accepting another source of information

      On the day of the occurrence, there were no sources of information available to the crew of VIA 52 in the area of Trenton Junction other than the signal indications. There were no other train movements that could activate wayside information systems or communicate with the crew of VIA 52. The conversations between the RTC and the maintenance-of-way employees, if heard by the crew of VIA 52, would have alerted them of an upcoming stop signal. Therefore, the crew members on VIA 52 did not accept some other source of information to modify the way they operated their train.
    • Inadequacies in the display of the aspects or in the operator's sensory capacities

      As explained in 1.12.2.2, signal 2352S was functioning as intended and displayed a clear to stop indication as VIA 52 passed it. The three crew members met vision and colour perception requirements and would have identified the signal aspect, had it been observed.
    • Illusory effects which caused the driver to perceive the aspect as being different than it was

      Under normal conditions, the coloured disc that lets through medium wavelengths from the lamp results in a perceived colour of green, and the disc that lets through medium and long wavelengths results in a perceived colour of yellow. On the day of the occurrence, snow partially covered the lenses. However, the properties of snow are such that it would not create the perception that the yellow signal was green, and it is highly unlikely that the snow was contaminated in a way that would create this effect. No other environmental condition that can affect perception of colour, such as sunlight, fog, or haze, were present at the time of the occurrence.

    2.4.2 Behavioural Science

    Other factors that may contribute to errors in identification of signal indications were identified by subsequent researchers in the decades after Buck's study. They include situational awareness, the role of prior knowledge and expectation on memory, the role of attention and memory in skill-based performance and the role of expectation in performance.

    Situational Awareness

    Situational awareness describes how train crews develop awareness of operational conditions and contingencies. People tend to use all cues at their disposal, regardless of whether they were intended to be used for that purpose, to assess the immediate or future situation that they will encounter.

    Under general operating conditions, situational awareness develops on three different levels.Footnote 7

    1. Initially, a person perceives situational elements from information displays, communications or other references.
    2. This information is then integrated into an overall understanding of the situation by the application of past experience and a knowledge of how the system works, often referred to as a mental model.
    3. Finally, the person projects the acquired information into the future to make and modify plans as tasks are completed or delayed as new developments arise.

    Cues or information about the situation can vary between clear and ambiguous. The clearer the cues, the less mental effort is required to interpret them, and the more accurate the diagnosis of the situation is likely to be. Once a mental model or a certain way of thinking about a problem is adopted, it is very resistant to change. To change one's thinking, the existing mental model must be superseded by another. New information must be sufficiently compelling to cause individuals to update their mental model.

    The situational awareness of train crew members may develop from various information sources, including signal aspects, their view of the track from the cab, landmarks or environmental conditions, radio transmissions, RTC information, sounds from the environment, including noise from other trains and traffic, and from written information, such as timetables, Tabular General Bulletin Orders or clearances.

    As the crew travelled from Toronto towards Trenton Junction, the two locomotive engineers appropriately discussed and performed a number of standard operational tasks with the trainee, including identifying landmarks and key control locations, calling signals, and developing strategic plans for approaching station platforms where passengers entrain or detrain.

    As the crew members passed signal 2352S and none of them took action in recognition that the signal was other than clear, their mental model was to firmly believe that signal 2352S was displaying a clear indication.

    The Role of Prior Knowledge and Expectation on Memory

    Researchers have described a number of memory processes relating to encoding, storing and retrieving information. Memory retrieval is not a simple process of reconstructing an event by retrieving the original memory traces of the experience. In fact, memory is also constructive, in that an individual's prior experience and knowledge affect how and what they recallFootnote 8. The powerful process of constructive memory is double-edged, in that it can sometimes lead to interference or distortion of an event, while at other times it can lead to enhanced memory. When individuals are asked to recall information that is somewhat difficult to understand, it is found that their recall of the information is distorted in a manner that makes the information more comprehensible to themselves. These effects have been consistently shown under a wide range of conditions, and illustrate how one can easily be led to construct a memory that is different from what really happened. The concept of constructive memory has led to considerable concern in the area of witness testimony, as this often forms the basis of conviction in a legal court case. It is important to note that the individual feels that he/she is truthfully and accurately recalling what happened.

    As the crew members were sitting alone in the cab of the locomotive for an extended period of time after the incident, which constituted a stressful situation, without external communication regarding the events that were taking place. It is possible that their recollection of the approach signal was influenced collectively by the process of constructive memory, where their expectations, previous knowledge, and diligence throughout the trip in calling signal indications led them to believe that they had seen and called the approach signal as displaying "clear".

    The Role of Attention and Memory in Skill-based Performance

    Many aspects of controlling a train are routine, where crew members have performed an action thousands of times before, in sections of track that they have travelled over hundreds of times previously, and surrounded by an environment with which they are familiar.Footnote 9 When a task has become highly routine, the amount of attentional energy that would be required is often less than would be required for an unfamiliar task in unfamiliar territory. However, attentional checks on progress are still required to ensure that the actions are being carried out according to plan, as well as to ensure that the plan is adequate to achieve the desired outcome.

    Typical human errors associated with this type of performance, referred to as skill-based performance, are unintentional actions where the failure involves attention or memory. One such error occurs when the required attentional check is interrupted by some external event. Even if the original action sequence continues, parts of it may have been omitted as a result of the interruption. A variation on this type of error occurs when the intended stream of behaviour is captured or replaced by a similar, well-practiced behaviour pattern, because the action sequence is relatively automated and, therefore, not monitored closely by attention (inattention).

    There was considerable discussion in the locomotive cab for training purposes. The possibility that the crew saw signal 2352S indicating clear to stop, but that the interruption created by the discussion resulted in the crew forgetting that the signal indication was clear to stop, was considered but discarded because there was no indication at any time that the crew was preparing for signal 2328S to display anything other than a clear signal indication (no train control operations were performed). Therefore, it is more likely that conversations geared towards the training aspects on VIA 52 required the two locomotive engineers to redirect some of the attention they normally lend to signal indications, and resulted in their omitting the attentional check of looking for the indication displayed by signal 2352S.

    Even though the VIA 52 crew members did not notice a failure to identify signal 2352S, this can be explained by the fact that the identification of signals constitutes a process that is highly automated.

    The likelihood of missing critical information is reduced by having more than one operator in the cab; however, the limitations of human attentionFootnote 10 represent one of the largest contributors to industrial and transportation accidents.Footnote 11 Also, safety practices that require that each crew member call, in a clear and audible manner, the indication of each signal as it is observed, provide an administrative defence against a crew member missing the indication of a signal and serve to confirm the indication displayed. Adherence to this practice is believed to increase the likelihood of performing the required attentional check.

    The Role of Expectation in Performance

    A strong influence on a crew member's mental model of a particular situation is his/her past experience of the territory. Buck's 1963 reportFootnote 12 summarizes a number of accidents in the British rail system where the driver passed caution and danger signals. In one example, the driver of an express train had been given inaccurate information about the signal from his fireman, but had not felt the need to confirm the information by looking for himself because his fast train had never been stopped at that location before. Similarly, another driver of an express train passed signals at advance caution, caution, and danger, and collided with the train ahead. The driver reported that, because he had seen a proceed aspect at the previous signal, he made the unjustified assumption that he would not be stopped at the next signals because he had never been stopped there before. These early findings are supported by a 1997 study by Edkins and PollockFootnote 13, who reported that one of the more common errors found in the Australian public rail system were made by train drivers going through a red signal because they expected it to be green.

    In the case of Trenton Junction, a VIA train rarely encounters a stop signal because the Marmora Spur has a very low traffic density. All actions performed by the crew members suggest that they were operating under the assumption that signal 2352S (the approach signal) was displaying a clear indication. There was no other information available to the crew members to cause them to update their mental model of the situation. Consequently, the crew members could have been operating the train under the assumption that everything was as usual at Trenton Junction, thereby expecting to encounter signal 2352S and signal 2328S to display a clear indication.

    Signal Systems and Human Error

    The universality of these human errors across time and cultures clearly suggests that they are statistically predictable and somewhat inevitable, and that efforts at enhancing safety would be best served by reducing the consequences of the errors rather than focussing exclusively on eliminating these types of errors. Possible methods identified in a 1992 report of British railway safety include signalling principles (design of layout and positioning of signals) and the use of secondary protection.Footnote 14

    2.5 CTC Signalling System

    CTC provides train crew members with up-to-date information to operate their train safely through the use of signals. The RTC console can alert the RTC should a train pass a CTC control signal which was not displaying a permissive indication. However, there is currently no system to alert the RTC if a train passes any type of permissive indication not in accordance with the signal indication requirements, or to remind train crews of the last signal indication they received. There is no alert system for the train crews if they are taking action that is not consistent with either the last indication received or the next indication.

    Without a system to remind train crews of the last signal indication they received, or to alert them if they are taking action that is not consistent with signal indications, railway safety in the CTC method of train operation relies on human performance.

    2.6 Trenton Junction Signals

    Although, in this incident, the relays did not malfunction, the investigation revealed that CN has not upgraded its circuits at Trenton Junction to include mechanism check circuits which would assist in mitigating the possibility that a relay will fail to release and the system continues to operate "normally". Without a signal system design principle, such as a mechanism check circuit in place, the system does not verify that the approach locking relay (2328S-S1AS) is in the de-energized position before displaying a permissive indication at either signal 2328S or signal 2327S. Providing a permissive indication at signal 2328S relies strictly on a non-vital relay request (SEGZ). Under this condition, should relay 2328S-1RP fail to release, the RTC could then give a permissive indication to a train at Trenton Junction to either enter or leave the .Marmora Spur while another train is approaching or passing signal 2352S displaying a clear indication. Although this scenario has a very low probability of occurrence, it may create a risk of collision between two trains.

    Examination of the circuit design at Trenton Junction concluded the following.

    • If relay 2328SAGP fails to de-energize when it should, signal 2352S would display a clear indication, which would lead to signal 2328S displaying a stop indication.
    • If relay 2328S-1RP fails to de-energize when it should (as per Scenario 1 of Section 1.12.2.2), signal 2352S would display a clear indication leading to signal 2328S also displaying a clear indication, but the switch would be non-vitally locked and time locking would not be in effect.
    • If relays 2328S-1RP and 2328SAGP fail to release at the same time (as per Scenario 2 of Section 1.12.2.2), signal 2352S would display a clear indication, signal 2328S would display a stop indication, the plant would not be locked, and there would be no approach locking in effect. This would only occur if the RTC were to request signal 2328S and would subsequently cancel it.

    Only the circuits for the Trenton Junction location were analyzed. However, it is reasonable to believe that other signal systems in Canada were designed similarly and were not upgraded. New signal system design principles, such as mechanism check circuits, which would assist in identifying problematic relays and implement mitigating signal sequences, are not adopted retroactively in Canada unless there is a specific problem or when risks are deemed to be high. Therefore, signal systems are not automatically upgraded to the same level of safety as that required by the most recently recommended design principles.

    Even though the number of times the relays at Trenton Junction functioned after the occurrence erased valuable information, the comparison with relays that were known to have remained in the energized position longer than the specified time revealed common topographical details. The two B-1 slow release relays, which were in the bungalow at Trenton Junction at the time of the incident, showed signs of bonding, but the extent of any associated delay in the release time could not be determined.

    2.7 Regulatory Overview

    TC inspectors are required to fulfill the goal of the Railway Safety Act, which is An Act to ensure the safe operation of railways and to amend certain other Acts in consequence thereof.

    To achieve this goal, TC assesses compliance with regulations, rules and standards, and identifies threats to safety. The Rail Safety Directorate has a number of regulatory programs (monitoring, audits or inspections) which the regional inspectors are required to deliver.

    2.7.1 Operations

    The most commonly used method used by TC to assess safe operating practices is to be in the immediate vicinity of the railway employees as they perform their functions and monitor their activities to determine unsafe practices. In most cases, employees who know they are being monitored attempt to comply with all requirements for which they are being monitored. This type of behaviour is evidenced by the data that TC collected on compliance with CROR Rule 34 (calling all signal indications) where the rate of non-compliance is very low whereas the information gathered during the investigation indicates that train crews often do not call all signal indications. Therefore, a periodic monitoring program where the employees are aware that they are being monitored is not effective in assessing the actual levels of compliance with safe practices.

    2.7.2 Signals

    TC's "railway signal program" consists of a guideline that suggests that a minimum of five per cent of all railway traffic and crossing signals be inspected annually. It is not a documented program containing instructions regarding the components to be inspected or the inspection method to be used. TC inspectors are not required to inspect the safety-critical appliances located in crossing mechanisms or signal systems to assess their functioning or overall safety status. They do not review circuit drawings to assess whether the designed circuits are fail-safe, and they do not assess manufacturers' safety notices or compliance with them. However, they do observe system tests by railway employees and review railway inspection and test records.

    3.0 Findings

    3.1 Findings as to Causes and Contributing Factors

    1. Signal 2352S was displaying a clear to stop indication that the crew on VIA Rail Canada Inc. (VIA) train No. 52 (VIA 52) did not recognize and act upon.
    2. Operating at close to the maximum allowable speed (100 mph), the crew members were unable to stop before passing signal 2328S, which was displaying a stop indication.
    3. The crew members did not react promptly to the stop indication at signal 2328S; however, they could not have stopped even if they had observed and reacted when it came to view.
    4. As the crew members passed signal 2352S, none of them took action in recognition that the signal was not clear; it is likely that their mental model was to believe that signal 2352S was displaying a clear indication.
    5. The individual crew members did not notice their failure to identify signal 2352S at all, and signal 2328S initially, because the identification of signals constitutes a highly automated process.

    3.2 Findings as to Risk

    1. Conversations about training on VIA 52 may have resulted in both the regular crew members simultaneously redirecting some of the attention normally given to regular duties, thus increasing the risk of omission of the check for the indication displayed by signal 2352S.
    2. The two B-1 slow release relays that were in the bungalow at Trenton Junction at the time of the incident showed signs of bonding, but the extent of any associated delay in the release time could not be determined.
    3. A periodic monitoring program, in which the employees are aware that they are being monitored, is not effective in assessing the actual levels of compliance with safe practices.
    4. Signal systems are not upgraded to the same level of safety as those required by the most recently recommended design principles. New signal system design principles, such as mechanism check circuits, which would assist in identifying problematic relays and assure safe signal sequences, are not implemented retroactively in Canada unless there is a specific problem, or when risks are deemed to be high.

    3.3 Other Findings

    1. Environmental and physical factors did not affect the signal display. The intended signal indication was conveyed to the train crew.

    4.0 Safety Action

    4.1 Action Taken

    As a pilot project, CN is planning to test processor-based signal control systems that do not require relays on the Bala and Saint-Hyacinthe subdivisions. This technology uses tricolour LED signals that will improve signal visibility.

    4.2 Action Required

    In the recently published Railroad Accident Report RAR01/01 - Collision Involving Three Consolidated Rail Corporation Freight Trains Operating In Fog On Double Main Track Near Bryan, Ohio, January 17, 1999, the United States National Transportation Safety Board (NTSB) reiterated a prior recommendation (R97-9) to the Federal Railroad Administration, which states:

    Amend 49 Code of Federal Regulations, Part 229, to require the recording of train crewmembers' voice communications for exclusive use in accident investigations and with appropriate limitations on the public release of such recordings.

    In that investigation, NTSB examined the limitations of existing voice recording systems in use in the rail transportation industry, such as rail traffic controller voice tapes, and drew a direct comparison with the aviation sector, where the use of a cockpit voice recorder (CVR) has helped to advance transportation safety.

    The use of the CVR in aviation is internationally recognized as a significant safety enhancement whose sole use is accident investigation. The audio record contained in a CVR not only records conversations and communications, but ambient sound background noise, the analysis of which may contribute significantly to an understanding of the causes of and contributing factors to accidents and incidents. This capability does not currently exist in the rail mode.

    Similarly, in the marine community, the International Maritime Organization passed a resolution (A.861) pertaining to international performance standards for voyage data recorders, which are required on all ships over 3000 tons built since 2002. International Standard IEC 61996Footnote 15 references 15 data items that must be recorded, including bridge audio.

    The lack of a continuous voice/sound record in the locomotive cab may leave large gaps in the available information, forcing investigative agencies to rely on witness interviews as the sole source of information about on-board conversations. This reliance on recollection alone has been challenged. The recall of detail, time, and sequence of events is often flawed at best, and totally wrong at other times. Elizabeth F. Loftus conducted a studyFootnote 16 for the US Department of Transportation on Eyewitness Testimony, September 1975, in which she states:

    The accident or police investigator, the lawyer, the social scientist and others share a common concern: when a person has witnessed some unusual event, such as a traffic accident, how can complete and accurate information best be obtained about that event? Presently, there is agreement that witnesses to such events report them inaccurately, even to the extent that they will "testify to a substantial proportion of 'facts' which are not facts at all.Footnote 17

    In Canada, the current provisions for on-board voice recordings in the Canadian Transportation Accident Investigation and Safety Board Act give ample protection to in-cab voice/sound records, which may by used solely by TSB for the purposes of accident investigation. Since 1995, in its Annual Report to Parliament 2000-2001, and in its Significant Rail Safety Issues lists annually, the TSB has supported the need for voice and data recorder capabilities.

    Since 1987, federally regulated railways have been required to install locomotive event recorders (LER) on locomotives operated on main tracks. Order R-40339 of 19 February 1987, in particular, outlined the information that recorders should be able to capture: time, speed, distance, brake pipe pressure, throttle position, emergency brake application, independent brake cylinder pressure, and use of the locomotive whistle. Current regulations have not amended those requirements. There are still no design or performance standards; consequently, the recorders in use do not capture all the critical accident data and they still do not have an adequate crashworthiness to ensure the survivability of accident data.

    The Board addressed the issue of survivability of accident data in TSB Report R99H0010, the Mont-Saint-Hilaire, Quebec, derailment and collision on 30 December 1999. In that report, the Board recommended:

    Transport Canada ensure that the design specifications for locomotive event recorders include provisions regarding the survivability of data.
    Transportation Safety Recommendation R02-04

    Immediately following the release of the report on the Mont-Saint-Hilaire occurrence, TC supported the recommendation and recognized the need to extend existing design and construction standards for LER to include data survivability.

    In August 1998, Canadian Pacific Railway train No. 463-11 collided with the rear end of Canadian Pacific Railway train No. 839-020 at Mile 78.0 of the Canadian Pacific Railway Shuswap Subdivision, near Notch Hill, British Columbia. The signal at Mile 76.7 was misinterpreted as being a clear to stop signal indication; consequently, the train crew did not reduce the train's speed and was unable to avert the collision (TSB report No. R98V0148). The TSB issued the following safety recommendation as a result of the Notch Hill accident:

    The Department of Transport and the railway industry implement additional backup safety defences to help ensure that signal indications are consistently recognized and followed.
    Transportation Safety Recommendation R00-04

    In the response to the recommendation, dated April 2001, TC indicated that the Department, in association with the Railway Association of Canada and the railways, will continue to study new technologies that could provide additional backup safety defences to help ensure that signal indications are consistently recognized and followed by train crews. TC also advised that, it is monitoring technologies such as the Communication-Based Train Control, also referred to as Positive Train Control Systems. To assess the status of these safety initiatives, the TSB contacted TC in November 2002; although, there is significant progress on technologies related to train control, there are no breakthroughs that are applicable to backup safety defences related to signal systems. Therefore, no remedial action has been taken to ensure that compliance with signal indication is always ensured.

    The Notch Hill occurrence report indicated that the existing monitoring method used by TC and the railways is ineffective, as there is no means of assessing the level of compliance to Rule 34 without being in the locomotive; a safety deficiency related to the backup safety defences for signal communication was identified. The occurrence report also indicated that various measures could be considered to address these deficiencies. One option would involve a shift to a non-verbal recordable electronic means of communicating signals, which would also provide a record of crew actions, thereby facilitating company or regulatory monitoring. An additional option would involve replacement of the current rule with another more suitable backup defence that could alert crew members if their actions are not consistent with the signal indication.

    Beyond the benefits of voice and data recorder capabilities for the advancement of accident investigation, the Board believes that the safety deficiency related to the backup safety defences for signal communication is still not addressed and continues to pose a threat to the public. The existence of a continuous sound record in the locomotive cab, in combination with other on-board and wayside systems recorded data, can be considered as a possible solution to the issues raised in this occurrence and in the Notch Hill occurrence. Had the controlling locomotive cabs been equipped with voice recording capability, it may have been possible to determine more definitively the effectiveness of the crew's communications as they approached the occurrence locations. Beyond the requirement for the installation of survivable LER systems on passenger and freight locomotives, there is a need for comprehensive national performance standards for LER to include specifications for performance (such as operational requirements and data items to be recorded), technical characteristics (including audio capabilities), and methods of testing. Therefore, the Board recommends that:

    The Department of Transport, in conjunction with the railway industry, establish comprehensive national standards for locomotive data recorders that include a requirement for an on-board cab voice recording interfaced with on-board communications systems.
    Transportation Safety Recommendation R03-02

    This report concludes the Transportation Safety Board's investigation into this occurrence. Consequently, the Board authorized the release of this report on .

    Appendices

    Appendix A— Relevant Event Recorder Information

    The following significant signal and switch 2328S information was recorded.

    Time Event
    0753:34 Switch placed in the reverse position
    0753:54 Signal 2327S displays a clear indication
    0821:29 OS trackFootnote 18 occupied (road switcher from Belleville) and signal 2327S returned to a stop indication
    0821:43 OS track clearFootnote 19
    0821:54 RTC requests switch in the normal position and switch goes out of correspondenceFootnote 20
    0822:43 Spur track occupancy clear
    0822:53 RTC requests switch in the reverse position
    0822:56 Switch in correspondence in the reverse position
    0823:00 RTC requests switch in the normal position and switch goes out of correspondence
    0823:15 RTC requests switch in the reverse position
    0823:18 Switch in correspondence in the reverse position
    0823:28 RTC requests switch in the normal position and switch goes out of correspondence
    0823:52 RTC requests switch in the reverse position
    0823:56 Switch in correspondence in the reverse position
    0824:04 RTC requests switch in the normal position and switch goes out of correspondence
    0824:47 RTC requests switch in the reverse position
    0824:50 Switch in correspondence in the reverse position
    0825:03 RTC requests switch in the normal position and switch goes out of correspondence
    0825:27 RTC requests switch in the reverse position
    0825:30 Switch in correspondence in the reverse position
    0832:31 Train by signal 2352S
    0832:37 Maintainer callFootnote 21 request
    0832:47 Maintainer call cancelled
    0834:00 OS track occupied (train by signal 2328S)
    0834:04 Switch out of correspondence
    0834:07 OS track clear

    Appendix B— Relevant AAR Standards for Signals

    Association of American Railroads Signal Manual of Recommended Practices, Part 7.1.4
    "Specification for Color Light Signal, Searchlight Type"
    Reaffirmed 1983 (Revised 1989)

    1. Design
    1. Signals shall be of a design approved by the purchaser.
    2. Signals shall consist of an operating mechanism contained in a suitable housing with appropriate lenses, roundels, lamps, backgrounds and hoods as required.
    3. Signal housing shall be dust and water resistant under service conditions. Provisions shall be made for convenient access to the operating mechanism. Access door shall be equipped with hasp lug for application of lock.
    4. Suitable opening shall be provided in signal housing for wires or cables.
    5. Provisions shall be made to secure the operating mechanism in its correct optical alignment, and to permit easy removal.
    6. Provision shall be made to permit addition of special deflecting prism cover glasses and for addition of phantom indication suppression devices.
    7. Housing for high signal shall be provided with an alignment sighting device.
    8. Operating mechanism shall be enclosed in a dust resistant case of such transparency that the parts within shall be visible for inspection.
    9. Operating mechanisms of the same manufacturer's type shall be interchangeable in the following respects:
      1. Mechanically to fit either a high or a dwarf signal housing.
      2. Optically, to be in focus with the lens of any signal housing, provided the lens is of the same type, size and kind.
    10. When red, yellow and green aspects are used, operating mechanism wiring shall be such that positive energy applied to the terminal marked plus (+) will cause a yellow aspect to be displayed. Negative energy applied to the plus (+) terminal will produce a green aspect. Absence of energy will produce a red aspect.
    11. The moving element bearings shall be of the knife-edge type of corrosion-resistant material designed and selected to withstand continued and severe vibration in service.
    12. Minimum working magnetic air gap shall be 0.045 in. for dc mechanism and 0.035 in. for ac mechanism.
    13. Armature end play shall be not less than 0.004 in. nor more than 0.012 in.
    14. The complete armature assembly shall develop a torque of not less than 1 in.-oz. in the direction of the most restrictive position.
    15. Operating mechanism shall be furnished with suitable shunt arrestors.(p)
    16. Operating mechanism shall be furnished with plug coupler.

    Appendix C— Description and Functionality of Relevant Trenton Junction Relays

    • 2328SAGP Signal 2328S "A" head green mechanism repeater. This relay is energized when the contacts in the "A" head of the signal is displaying green.
    • 2328S-1RP Signal 2328S red mechanism repeater. This relay is energized when the contacts in both signal mechanisms indicate that the heads are displaying red aspects and all the other mechanism repeaters for signal 2328S are de-energized.
    • 2328S-S1AS Approach locking relay for signal 2328S. This relay is normally energized and de-energizes when signal 2328S is displaying a permissive indication. When de-energized, this relay effectively locks the plantFootnote 22", preventing any opposing or conflicting signals from being requested and the switch from being moved. If signal 2328S is cancelled, relay 2328S-S1AS will not re-energize until a preset time has expired - this is a buffer period of time to ensure that, if a train were approaching when the signal was cancelled, it would have sufficient time to stop before an opposing signal is cleared.
    • SF Traffic relay for signal 2328S. This is a usually de-energized relay that energizes when signal 2328S is requested. It also checks that westward traffic relays are not selected and that signal blocking is not in effect. Once energized, the traffic relay remains in that position until the eastward route stick relay (1ES) is energized. Relays 1F and 2F have the same function but for the opposing signal (2327S).
    • 1ES Eastward route stick relay. This relay is usually energized and remains in that position through the eastward approach locking relay (2328S-S1AS). When relay 2328S-S1AS is de-energized due to a signal request, relay 1ES also de-energizes. As an eastward train proceeds through the block, relay 1ES will not re-energize until relay 2328S-S1AS has re-energized and the OS track (relay 1TP) has also re-energized. Route stick relays are used in the switch locking circuit and in the line circuits to ensure that, if an eastward movement is taking place, a westward movement cannot be cleared from the adjacent location to the east.
    • 1L, 1LS Switch lock relays. These relays are normally energized. They are controlled by the signal requests, route stick relays and the OS track. Contacts of these relays are inserted into the switch control circuits so that, once the switch is positioned and the signal is cleared, further request to change the position of the switch is not possible. Back contacts of these relays are also inserted into the signal control networks to ensure that the switch is electrically locked before allowing the signal to clear (switch cannot be moved).
    • 1TP OS track relay. This relay is energized when a train occupies the plant and de-energized when the plant is "clear" of occupancy.

    Appendix D— Mechanism Check Circuit

    This appendix is the "Recommended Vital Circuit Design Guidelines for Stuck-Mechanism Detection for Controlled Signals" produced by the AAR in 1993 and constitutes Part 16.4.10 of the AAR Manual of Recommended Practices.

    1. Purpose
      1. These recommended vital circuit design guidelines apply to the stuck-mechanism detection circuitry for controlled signals with searchlight mechanisms.
      2. See Manual part 1.4.1 (Identical Items "Boilerplate" for Manual Parts Section A.
    2. General
      1. This Manual Part describes two methods of detecting a signal mechanism which may be stuck in a position other than intended and preventing, by circuit design, a less restrictive aspect from being displayed.
      2. The circuits used for the stuck-mechanism detection shall:
        1. extinguish one or more lamps of the signal.
        2. When required, downgrade the aspect of the signal to the rear.
      3. The following examples describe two designs currently in use:
        1. In Figure 1, the red position of each signal mechanism is detected by its corresponding Red Signal Repeater Relay (RGPR). In the event the signal mechanism of any of the units is stuck in any position other than red after the passage of the train, the HR will de-energize. The RGPR (4A, 4B or 4C) of the particular unit will not pick up. This in turn will prevent the pick up of 4RGPR (Figure 2). Since the lamp is energized over the parallel paths of the corresponding RGPR and HR, the lamp will be extinguished. The aspect of the signal to the rear will be downgraded.

          In addition, the front contact of the RGPR in the route check relay (RCR) control circuit, will ensure that the signal cannot be cleared again until the defective mechanism is restored to normal operation. In the case of signals which are fleeted, additional safeguards to the circuits will be needed, as the RCR will be energized again by the fleeting circuits.
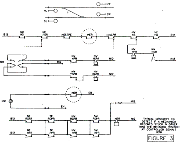
        2. In a variation of (a) above, a more stringent approach is sometimes adopted (Refer to Figure 3). A separate control relay (Master Lighting Relay (MER)) is provided for each group of signals. The contact of MER is proved in the path of every HPR. MER is energized over the parallel paths consisting of front contacts of each signal HPR and RGPR. When an RGPS is not up, when it should have been, the MER will de-energize and all HPR's will remain down. Signal lamps will also be extinguished. The basic assumption in this method is that such instances are rare and all HPR's being de-energized at the same time will not pose an operational problem.
        3. The vital circuit design guidelines provided in this Manual Part shall also apply to equivalent vital software applications.
        4. The vital design guidelines provided in this Manual Part represent two methods of design for stuck-mechanism detection. Some aspects of the circuit design may vary depending on the practices of the individual railroad.
    Figure 1
    Image
    appendix_d1_a
    Figure 2. Association of American Railroads Signal Manual Part 16.4.10 header Page 4
    Image
    Association of American Railroads Signal Manual Part 16.4.10 header Page 4
    Figure 3.Association of American Railroads Signal Manual Part 16.4.10 header Page 5
    Image
    Association of American Railroads Signal Manual Part 16.4.10 header Page 5

    Appendix E— Results of TC's CROR Rule 34 Monitoring

    TRANSPORT CANADA
    Railway Safety, Operations and Emergency Preparedness
    Train Operations Monitoring database

    Occurrences of CROR Rule 34

    Item Period Total
    1998 1999 2000 (to Sept 30)
    Total monitoring inspections 940 1002 740 2682
    - Total no. freight trains monitored 294 348 246 888
    - Total no. passenger trains monitored 145 161 125 431
    No. freight trains monitored where trip included OCS territory (see note 2) 120 155 105 380
    No. passenger trains monitored where trip included OCS territory (see note 2) 74 94 63 231
    Rule 34 infractions
    Total rule 34(a) (see note 1) 0 1 0 1
    Total rule 34(b) (see note 1) 9 8 4 21
    Total rule 34(c) (see note 1) 0 1 1 2
    No. freight trains monitored in OCS territory where a rule 34 infraction was noted (see note 2) 34 (a) - 0
    34 (b) - 2
    34 (c) - 0
    34 (a) - 0
    34 (b) - 2
    34 (c) - 0
    34 (a) - 0
    34 (b) - 4
    34 (c) - 1
    34 (a) - 0
    34 (b) - 8
    34 (c) - 1
    No. passenger trains monitored in OCS territory where a rule 34 infraction was noted (see note 2) 34 (a) - 0
    34 (b) - 2
    34 (c) - 0
    34 (a) - 1
    34 (b) - 1
    34 (c) - 1
    34 (a) - 0
    34 (b) - 0
    34 (c) - 0
    34 (a) - 1
    34 (b) - 3
    34 (c) - 1

    NOTE(s):

    1. If a rule 34 infraction occurs more than once during a single train monitoring event, it is only counted once.
    2. The method of control employed on the subdivision(s) traveled for a single freight or passenger train monitoring event may vary over the trip length. These figures indicate monitoring events where at least part of the territory traveled included OCS territory.

    CROR
    34. FIXED SIGNAL RECOGNITION AND COMPLIANCE

    1. The crew on an engine and snow plow foreman must know the indication of each fixed signal (including switches where practicable) before passing it.
    2. Crew members within physical hearing range must communicate to each other, in a clear and audible manner, the indication by name, of each fixed signal they are required to identify. Each signal affecting their train or engine must be called out as soon as it is positively identified, but crew members must watch for and promptly communicate and act on any change of indication which may occur.
    3. If prompt action is not taken to comply with the requirements of each signal indication affecting their train or engine, crew members must remind one another of such requirements. If no action is then taken, or if the locomotive engineer is observed to be incapacitated, other crew members must take immediate action to ensure the safety of the train or engine, including stopping it in emergency if required.

    NOTE: The indication of a switch target or light need not be communicated unless it indicates that the switch is not properly lined for the train or engine affected.

    Appendix F— Definitions

    Facing movement

    The movement of a train over the points of a switch that face in a direction opposite to that in which the train is moving.

    Facing point switch

    A track switch, the points of which face traffic approaching in the direction for which the track is signaled. (AAR)

    Non-vital circuit

    Any circuit the function of which does not affect the safety of train operation. (AAR)

    Phantom aspect

    An aspect displayed by a light signal, different from the aspect intended, caused by a light from an external source being reflected by the optical system of the signal. (AAR)

    Relay

    "A device that is operative by a variation in the conditions of one electrical circuit, to affect the operation of other devices in the same or other electrical circuit." It is a mechanical device that performs many functions, such as controlling power-operated switches and signals governing train movements in CTC. Relays are also used in the operation of flashing lights and power-operated gates at highway crossings when a train either approaches or leaves crossings so equipped.

    Biased (Biased Neutral) A relay that will operate to its energized position by current of one polarity only, and will return to its de-energized position when current is removed.

    Neutral: A relay that operates in response to a predetermined change of the current in the controlling circuit, irrespective of the direction of the current.

    Slow drop-away (or slow release): A relay that, when the controlling circuit is opened or completely shunted, will release slower than an ordinary relay. (AAR)

    Release Value

    The electrical value at which the movable member of an electromagnetic device will move to its de-energized position.

    Signal

    Block: A fixed signal at the entrance of a block to govern trains and engines entering and using that block.

    Cab: A signal in the engine control compartment or cab indicating a condition affecting the movement of the train or engine, and used in conjunction with interlocking signals and in conjunction with, or in lieu of, block signals.

    Searchlight: A type of color light signal that uses a single lamp with a single lens or lens doublet to display up to three different aspects by placing a color cone or disc between the lamp and lens. The desired color is selected by energizing an electromagnetic mechanism. The aspect displayed is dependent upon the polarity of the applied power. De-energization of the mechanism will cause the signal to display its most restrictive aspect. (AAR)

    Switch

    Dual control: A power-operated switch also equipped for hand operation.

    Power-operated A switch operated by some form of energy, usually electrical or pneumatic.

    Trailing movement

    The movement of a train over the points of a switch that face in the direction in which the train is moving.

    Trailing point switch

    A track switch, the points of which face away from traffic approaching in the direction for which the track is signaled. (AAR)

    Train control system

    A system so arranged that its operation will automatically result:

    1. in a full service application of the brakes until the train is brought to a stop or, under control of the locomotive engineer, until the train's speed is reduced to a predetermined rate;
    2. (when operating under a speed restriction) in an application of the brakes when the speed of the train exceeds the predetermined rate until the speed is reduced to that rate.

    Working Value

    The electrical value that, when applied to an electromagnetic instrument, will cause the moving member to move to its full energized position to provide maximum front contact pressure.

    Appendix G— Glossary

    AAR
    Association of American Railroads
    AC
    alternating current
    Alstom
    Alstom Signaling Inc.
    AREMA
    American Railway Engineering and Maintenance-of-way Association
    CN
    Canadian National
    CPR
    Canadian Pacific Railway
    CROR
    Canadian Rail Operating Rules
    CTC
    Centralized Traffic Control System
    DC
    direct current
    ED
    Engineering Data
    EDS
    energy dispersive spectra
    EDX
    energy dispersive x-ray
    EST
    eastern standard time
    GRS
    General Railway Signal Corporation
    LER
    locomotive event recorders
    MER
    Master Lighting Relay
    MoW
    maintenance-of-way
    OCS
    Occupancy Control System
    RCR
    route check relay
    RGPR
    Red Signal Repeater Relay
    RSA
    Railway Safety Act
    RTC
    rail traffic controller
    SEM
    scanning electron microscope
    TC
    Transport Canada
    TOM
    Train Operations Monitoring
    TSB
    Transportation Safety Board of Canada
    U.S.
    United States
    VIA
    VIA Rail Canada Inc.