Air transportation safety investigation report A22A0067

Collision with terrain
Privately registered
Piper PA-46-350P, N5EQ
Goose Bay Airport, Newfoundland and Labrador, 2.5 NM SW

The Transportation Safety Board of Canada (TSB) investigated this occurrence for the purpose of advancing transportation safety. It is not the function of the Board to assign fault or determine civil or criminal liability. This report is not created for use in the context of legal, disciplinary or other proceedings. See Ownership and use of content. Masculine pronouns and position titles may be used to signify all genders to comply with the Canadian Transportation Accident Investigation and Safety Board Act (S.C. 1989, c. 3).

Table of contents

    History of the flight

    At approximately 0820Footnote 1 on 14 December 2022, the privately registered Piper PA-46-350P (with the JetPROP DLX conversion) (United States [U.S.] registration N5EQ, serial number 4636051) departed Sept-Îles Airport (CYZV), Quebec, on an instrument flight rules flight to Goose Bay Airport (CYYR), Newfoundland and Labrador, with the pilot and a passenger on board. The flight was to be one of several legs to return the aircraft to its home airport in Europe, following avionics upgrades in the U.S.

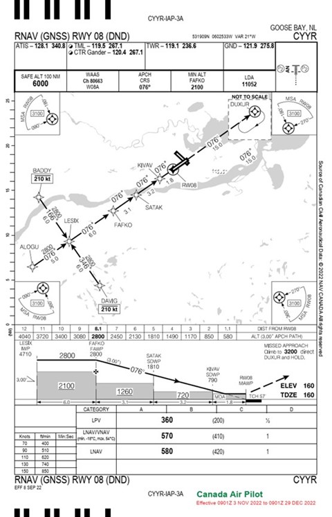
    According to the occurrence aircraft’s automatic dependent surveillance – broadcast (ADS-B) data,Footnote 2 at 0928, when the aircraft was about 85 nautical miles (NM) from CYYR, the pilot began a descent from the cruising altitude of flight level 230.Footnote 3 At 0942, when the aircraft was 45 NM from CYYR and descending through 10 000 feet above sea level (ASL), the pilot was cleared for the area navigation global navigation satellite system approach (RNAV [GNSS] approach) to CYYR Runway 08 (Appendix A). Communications with air traffic services throughout the approach were routine.

    At about 0958, the aircraft crossed the final approach fix / final approach waypoint FAFKO at 2800 feet ASL, travelling at a ground speedFootnote 4 of 104 knots, and began the final descent. Although the descent remained steady on a 3° profile, the ground speed decreased continuously for about 60 seconds. At 0959:50, CYYR tower informed the crew of another aircraft that they were number 2 for Runway 08 following the occurrence aircraft, which was 7 miles on final at 70 knots. That crew replied that they would reduce their speed. The occurrence aircraft’s ground speed, which had decreased to 67 knots, then began to increase while the aircraft remained on a steady 3° approach profile (Figure 1).

    Figure 1. Plot of automatic dependent surveillance – broadcast data obtained from NAV CANADA, with annotations identifying timing of air traffic services communications (Source: TSB)
    Image
    Plot of automatic dependent surveillance – broadcast data obtained from NAV CANADA, with annotations identifying timing of air traffic services communications (Source: TSB)

    At 1000:31, the occurrence pilot reported at waypoint SATAK, and the ground speed had increased to above 80 knots. The tower provided the pilot with updated wind informationFootnote 5 and cleared the aircraft to land on Runway 08. The pilot acknowledged the clearance at 1000:49. Soon after, the ground speed began to decrease at a rate similar to the previous rate. At 1002:47, it had decreased to 51 knots. The aircraft departed controlled flight and impacted terrain when it was about 2.5 NM southwest of the airport along the extended centreline for Runway 08.

    The 406 MHz emergency locator transmitter activated, and the signal was received by the Joint Rescue Coordination Centre in Halifax, Nova Scotia, at 1006. A helicopter search and rescue mission was launched from Canadian Forces Base 5 Wing Goose Bay at 1036; the helicopter arrived at the accident site 3 minutes later. Medical technicians extricated the 2 occupants, who were both seriously injured. The occupants were airlifted to a waiting ambulance and then transported to the local hospital. The pilot later died of his injuries. The aircraft was destroyed.

    Pilot information

    The pilot had accumulated approximately 2260 hours of flight time, 594 of which were instrument time. Approximately 1046 hours were in the occurrence aircraft or other single-engine turbine aircraft.

    The pilot held a commercial pilot certificate issued by the U.S. Federal Aviation Administration (FAA), an FAA flight instructor certificate, and a second-class medical certificate. The pilot also held a private pilot licence – aeroplane issued by the Federal Office of Civil Aviation in Switzerland, and a Swiss Class 2 medical certificate. The licence and certificates were valid.

    There was no indication that the pilot’s performance was degraded by fatigue.

    Survival aspects

    Both the pilot and the passenger were wearing their safety belts (lap straps and shoulder harnesses). Both shoulder harness retraction mechanisms remained attached to the airframe structure. Shoulder harnesses are designed to restrain the human body when longitudinal deceleration forces act on the torso due to frontal impact. Though the aircraft forward speed was relatively low, the aircraft was subjected to significant vertical deceleration forces, which shoulder harnesses are less effective at attenuating.

    Weather

    The graphic area forecast Clouds and Weather Chart for the area valid at the time of the occurrence indicated:

    • a broken layer of cloud at 14 000 feet ASL with tops at 20 000 feet ASL;
    • a lower broken layer at 3000 feet ASL with tops at 6000 feet ASL; and
    • visibility greater than 6 statute miles (SM) with patchy areas of visibility of 2 SM in light snow and ceilings of 500 to 1000 feet above ground level (AGL), and local areas of visibility of 1 SM in light freezing drizzle and mist.

    The graphic area forecast Icing, Turbulence, and Freezing Level Chart for the area valid at the time of the occurrence depicted:

    • moderate mixed icing between 3000 feet ASL and 6000 feet ASL;
    • localized moderate mixed icing between the surface and 3000 feet ASL due to localized freezing drizzle; and
    • moderate turbulence from the surface to 3000 feet AGL due to mechanical and low‑level wind shear.

    The CYYR surface weather observation from the aerodrome routine meteorological report issued at 1000 indicated:

    • wind direction 030° true at 16 knots, gusting at 22 knots;
    • visibility of 15 SM;
    • overcast ceiling at 1000 feet AGL;
    • temperature of 1 °C and dew point of −1 °C; and
    • altimeter setting of 30.52 inches of mercury (inHg).

    Aircraft information

    The occurrence aircraft was a Piper PA-46-350P modified with a Pratt & Whitney Canada PT6A‑35 turboprop engine and associated systems in accordance with Supplemental Type Certificate (STC) ST00541SE,Footnote 6 which is held by JetPROP, LLC. When modified by this STC, the Piper PA-46-350P is commonly known as a JetPROP DLX. The aircraft is certified for single-pilot operation in visual and instrument flight rules flight in known icing conditions and can carry up to 5 passengers. It has a stall speed of 69 knots indicated airspeed (KIAS) in the clean configuration,Footnote 7 and a stall speed of 58 KIAS in landing configuration.

    When originally equipped with a turbocharged piston engine, the total fuel load is 120 U.S. gallons of aviation fuel (AVGAS) (about 720 pounds).Footnote 8 The JetPROP DLX conversion STC requires the use of jet fuel, and modifies the fuel system to add 11 U.S. gallons of capacity. Another modification, STC SA00859AT, was also incorporated on the occurrence aircraft to provide an additional 20 U.S. gallons, for a total capacity of 151 U.S. gallons (about 1057 pounds).Footnote 9

    The aircraft flaps are electrically operated and controlled by a selector lever immediately to the right of the control pedestal. The flap motor actuator is powered through a circuit breaker. The flaps have 4 positions; 0° (up), 10°, 20°, and 36° (full down).

    The occurrence aircraft had flown 12.3 hours since the last scheduled annual inspection and the avionics upgrades, which included installing an autopilot system,Footnote 10 dual electronic flight instruments (EFIs),Footnote 11 an angle-of-attack indication system,Footnote 12 and upgrading the primary flight displayFootnote 13 to enable synthetic vision capability.

    The 2 EFI units were capable of retaining data including air data, attitude, and heading reference system logs. The aircraft was also equipped with an engine trend monitoring system that records critical engine and airframe data such as engine starts, takeoffs, landings, and engine shutdowns. It also records an engine parameter log in the form of a power assurance check for engine trend analysis, and will record any engine limitation exceedance that occurs during the flight.

    The aircraft was not equipped with a flight data recorder or a cockpit voice recorder; neither was required by regulation.

    Aircraft weight and balance

    The certified maximum ramp weight of the occurrence aircraft was 4318 pounds, and its maximum gross take-off weight was 4300 pounds, with centre of gravity limits from 143.3 to 147.1 inches aft of the datum.

    Records show that the aircraft departed CYZV with full fuel. The weight and balance report for the occurrence aircraft listed the useful load as 1216.73 pounds. With full fuel, there would have been about 160 pounds of available capacity for occupants, baggage, and cargo. All on-board items were weighed, and the aircraft total weight was about 4775 pounds at takeoff, with the centre of gravity estimated to be 141.4 inches aft of the datum. The aircraft weight at the time of the accident was calculated to be about 4348 pounds with an estimated centre of gravity 141.2 inches aft of the datum (Figure 2).

    Figure 2. Graph showing the aircraft weight and balance at takeoff and at the time of the accident compared with the manufacturer’s reference weight and balance envelope (Source: JetPROP, LLC, JetProp DLX Pilot’s Operating Handbook and FAA Approved Airplane Flight Manual [01 July 2014], last page of Section 6: Weight and balance, with TSB annotations)
    Image
    Graph showing the aircraft weight and balance at takeoff and at the time of the accident compared with the manufacturer’s reference weight and balance envelope (Source: JetPROP, LLC, JetProp DLX Pilot’s Operating Handbook and FAA Approved Airplane Flight Manual [01 July 2014], last page of Section 6: Weight and balance, with TSB annotations)

    The aircraft’s weight was above the maximum take-off weight limitation; however, it could not be determined whether the aircraft loading contributed to the loss of control in this occurrence.

    If an aircraft is loaded above the maximum take-off weight, it will have lower overall performance than what would normally be expected. In particular, an overweight condition will increase take-off and landing distances, increase the stall speed, decrease the rate of climb and the cruise speed, and reduce the aircraft’s range. The TSB has previously identified the risks associated with operating above the maximum allowable gross weight and the effect that it can have on aircraft performance.Footnote 14

    The fore and aft distribution of weight in an aircraft is critical and affects its stability and performance. A centre of gravity balance position forward of the approved forward limit increases the aircraft’s stalling speed.

    Many aircraft models require pilots to plan for reduced fuel loads when accommodating occupants and baggage so that the aircraft weight and balance remains within limits. According to the JetPROP DLX aircraft flight manual (AFM),

    [a]lthough the airplane offers flexibility of loading, it cannot be flown with the maximum number of adult passengers, full fuel tanks and maximum baggage. With the flexibility comes responsibility. The pilot must insure that the airplane is loaded within the loading envelope before he makes a takeoff.Footnote 15

    Approach speed

    According to an article published in the Aircraft Owners and Pilots Association (AOPA) magazine AOPA Pilot,

    [t]he key to a stabilized approach is to slow the pace of the critical final segment. If you're doing it right and stabilize early, it seems that there is nothing left to do; time expands as you sit observing the airplane during the final minute to the runway. At this time on the approach you are primarily monitoring, not manipulating, and that is better for situational awareness during the approach. Footnote 16

    The accepted methodFootnote 17 of controlling an aircraft’s descent profile to achieve a stable approach is by using the elevator to control pitch, which in turn controls airspeed, and engine power to control the rate of descent. However, an autopilot like the one installed on the occurrence aircraft uses its servo actuators to move flight control surfaces to maintain a vertical descent path when the system is engaged for vertical navigation. Therefore, when using the Garmin GFC 600 to track a vertical descent path, airspeed is controlled by varying engine power, and must be monitored and adjusted by the pilot.Footnote 18 The investigation determined that the autopilot was engaged for the approach; however, it could not confirm the status of the autopilot during the last 60 seconds of the flight.Footnote 19

    The JetPROP DLX AFM indicates that the final approach should be flown “at 90 KIAS with full flaps extended (100 KIAS with flaps retracted), and power as required to maintain the desired approach angle.”Footnote 20

    Information received from 2 independent companies that provide flight training for the JetPROP DLX aircraft suggested that the final approach be flown at a minimum of 120 KIAS. It was stated that this was done to ensure better pitch stability of the aircraft.

    Impact and wreckage information

    Strike damage on trees indicates the aircraft was on a final descent angle of 37° to the point of ground impact. Ground impact marks indicate the aircraft initially struck the road aligned with the extended centreline of CYYR Runway 08; aircraft damage indicates impact at a relatively level attitude. The left wing struck the base of a tree and the aircraft yawed, and travelled tail-first along the road. It came to rest about 14 m from the initial ground impact. The damage is consistent with a low-speed loss of control (Figure 3).

    Figure 3. Aerial view of the accident site showing the flight path direction and where the aircraft impacted terrain and came to a rest (Source: Department of National Defence, with TSB annotations)
    Image
    Aerial view of the accident site showing the flight path direction and where the aircraft impacted terrain and came to a rest (Source: Department of National Defence, with TSB annotations)

    The aircraft landing gear was in the extended position at impact. The wing flaps were between the 0° and 10° positions, and the flap motor circuit breaker had tripped.Footnote 21 Damage to the engine and propeller indicates that significant power was being produced during the impact sequence. There was no indication that a component or system failure contributed to the aircraft loss of control. First responders did not note any signs of accumulated ice on the aircraft wings, vertical and horizontal stabilizers, or antenna leading edges.

    The engine trend monitoring system recorded an engine torque exceedance 1 second before the engine shutdown event was recorded.Footnote 22 This exceedance was consistent with the propeller striking terrain with the engine under power.

    Flight data were extracted from the 2 EFI units, which contained all flights conducted since their installation, including the occurrence flight. The data from both units matched well but ended about 60 seconds before the end of the occurrence flight. The loss of data was due to damage from the impact sequence.

    Given the absence of data for the last minute of the occurrence flight, the investigation could not determine the complete sequence of events that led to the loss of control and collision with terrain.

    TSB laboratory reports

    The TSB completed the following laboratory reports in support of this investigation:

    • LP004/2023 – NVM Recovery - Various
    • LP025/2023 – Flight Data Analysis

    Safety messages

    Pilots are reminded that loading an aircraft outside the approved limits can adversely affect its handling and performance.

    As part of a stable approach, it is important that airspeed is stabilized early so that only small changes are required. This allows more time and attention for monitoring and maintaining situational awareness.

    This report concludes the Transportation Safety Board of Canada’s investigation into this occurrence. The Board authorized the release of this report on . It was officially released on .

    Appendix A – RNAV (GNSS) RWY 08 (DND) approach for Goose Bay Airport (not to be used for navigation purposes)

    Appendix A – RNAV (GNSS) RWY 08 (DND) approach for Goose Bay Airport (not to be used for navigation purposes)
    Image
    RNAV (GNSS) RWY 08 (DND) approach for Goose Bay Airport (not to be used for navigation purposes)

    Source: NAV CANADA, Canada Air Pilot (CAP), CAP 7: Atlantic (effective 03 November 2022 to 29 December 2022)